Германское танкостроение
Танки Германии German tanks Deutsche Panzer
1930 – 1937
Этап открывается рассказом о разработке боевой машины по теме Kleintraktor с февраля 1930г. и заканчивается разработкой к 1937г. всех тактических типов «немецкого танка» под доктрину танкового блицкрига.
© Смирнов А.Г., 2019г.
Характеристика Этапа 1930-1937гг.
Ключевая фраза: танки немецкого типа, Panzerkampfwagen
Первый период Этапа 1930 – 1933гг. характеризуется разработкой и началом серийного производства (впервые после Первой мировой войны) малого танка немецкого типа.
Второй период Этапа 1933 – 1937гг. характеризуется разработкой основных тактических типов танков вермахта, развертыванием германской танковой промышленности.
Единицы учета (проекты и машины, отнесенные к категории «танки») Этапа 1930-1937гг.
|
Сквозной № |
Инд.№ |
Название |
Тип |
Образ |
|
36/1 |
13.4 |
Средний танк
|
|
|
|
37/2 |
13.5 |
|
Средний по массе танк огневой поддержки |
|
|
38/3 |
13.6 |
|
Средний танк |
|
|
39/4 |
13.7 |
Krupp B.W.I
|
Средний по массе танк огневой поддержки |
|
|
40/5 |
13.8 |
Krupp B.W.II |
Средний по массе танк огневой поддержки |
|
|
41/6 |
13.9 |
Krupp R.W. |
Средний по массе танк огневой поддержки |
|
|
42/7 |
13.10 |
Средний по массе танк огневой поддержки |
|
|
|
43/8 |
14.4 |
Легкий по массе тяжелый колесный танк |
|
|
|
44/9 |
14.5 |
Легкий по массе тяжелый колесный танк |
|
|
|
45/10 |
15.4 |
Экспериментальный легкий по массе танк |
|
|
|
46/11 |
17.1 |
Малый легкий танк |
|
|
|
47/12 |
17.2 |
Малый легкий танк |
|
|
|
48/13 |
17.3 |
Легкий танк |
|
|
|
49/14 |
17.4 |
Легкий танк |
|
|
|
50/15 |
17.5 |
Легкий танк |
|
|
|
51/16 |
17.6 |
Легкий танк |
|
|
|
52/17 |
17.7 |
Легкий танк |
|
|
|
53/18 |
17.8 |
Легкий танк |
|
|
|
54/19 |
17.9 |
Легкий танк |
|
|
|
55/20 |
17.10 |
Малый легкий танк |
|
|
|
56/21 |
17.11 |
Малый легкий танк |
|
|
|
57/22 |
17.12 |
Средний танк |
|
|
|
58/23 |
17.13 |
Средний танк |
|
|
|
59/24 |
17.14 |
Средний по массе штурмовой танк |
|
|
|
60/25 |
17.15 |
|
Средний танк |
|
|
61/26 |
17.16 |
Малый легкий танк |
|
|
|
62/27 |
17.17 |
Легкий танк |
|
|
|
63/28 |
17.18 |
Легкий танк |
|
|
|
64/29 |
17.19 |
Средний танк |
|
|
|
65/30 |
17.20 |
Легкий танк |
|
|
|
66/31 |
17.21 |
Средний танк |
|
Первый период Этапа 1930-1937гг. 4
Под спудом запрета, боевой Kleintraktor, поиски технических решений, международный контекст, Pz.I Ausf.A, Pz.I Ausf.B, производственная программа Pz.Kpfw.I, эксплуатация Pz.Kpfw.I в немецкой армии, иностранные операторы Pz.Kpfw.I, машины на шасси «единичек», многобашенный средний, полугусеничная техника, колесная бронетехника.
Второй период Этапа 1930-1937гг. 131
Немецкий тип танка 133
Новые горизонты, Pz.Kpfw.II. ранние варианты, Pz.Kpfw.II с новой ходовой, производственная программа La.S.100, машины на шасси Pz.Kpw.II.с-С, новые спецификации, Zugführerwagen, Pz.III Ausf.B, C, D, командирская машина на базе Pz.III Ausf.D, Bataillonsführerwagen, Pz.IV Ausf.A, «Дымовой» танк, тема колесных танков, машины на базе Sd.Kfz.231 8-Rad.
Игра в открытую 242
Маски сброшены, начало строительства Panzerwaffe, штурмовое орудие, экспортные танки от Krupp, тема L.K.A., тема L.K.В., тема М.К.А., некоторые итоги к 1937г., возвращенцы и их наследие, Panzer-gruppe Drohne.
Прочие бронированные машины 273
Плавающая гусеничная машина, полугусеничные машины, колесные бронированные машины.
Заключение 350
Технические концепции и Директории Этапа, Резюме, окраска танков, экипировка экипажей, количественная оценка танковой техники за Этап, боевые типы, опытные типы, тактическая классификация боевых и опытных танков, экспериментальные типы, проекты, классификация по массе, классификация по вооружению, оригинальные конструктивные решения, пилотные решения, производство, отправные решения, Эпилог.
Первый период Этапа 1930-1937гг.
1930 – 1933гг.
Разработка танков под рамками ограничений ВМД.
Календарь событий Первого периода Этапа 1930-1937гг.
|
1930г., 14 февраля |
Первое упоминание в переписке о боевой машине на базе Kleintraktor. |
|
1931г., 2 июня |
Деревянная модель боевой машины на базе Kleintraktor. |
|
1931г. |
Закрытие темы колесно-гусеничного танка. |
|
1931г. |
Заказ на производство 289 танков типа Leichttraktor. |
|
1931г., 9 ноября |
Управлению вооружений были представлены предварительные чертежи перекомпонованной машины Kleintraktor. |
|
1931г., 21 декабря |
С концерном Krupp заключены контракты на изготовление опытного Kleintraktor. |
|
1932г., 22 июня |
Эскиз танка Kleintraktor с 20-мм пушкой подбашенном каземате. |
|
1932г., 29 июля |
Показ шасси Kleintraktor. |
|
1932г. |
Закрытие программы колесных танков Mannschaftstransportwagen. |
|
1932г. |
Военные настояли на разработке «учебного» танка массой около 5 тонн. |
|
1932г., 18 августа |
Из 6-го Управления вооружений в адрес Krupp пришло распоряжение срочно проработать возможность установки на создаваемую боевую машину двигателя мощностью 65 л.с. – фактическое начало работ по будущему Pz.I Ausf.B. |
|
1932г., 19 сентября |
Шасси Kleintraktor официально принято комиссией Управления вооружений. |
|
1932г., 12 октября |
Генерал Лутц отдал предпочтение варианту танка с башней и двумя пулемётами. |
|
1932г., октябрь |
На смену темы «гросстракторов» сформулированы требования к новому среднему танку – старт программы Nb.Fz. |
|
1933г., март |
Фирма Daimler-Bezn предложила свой вариант корпуса и башни для танка на шасси Kleintraktor. |
|
1933г., 1 июля |
Управление вооружений уведомило «Крупп» о планах по размещению заказа на 150 шасси первой серии «малого трактора». |
|
1933г., июль |
Теме «малого трактора» Kleintraktor присвоено обозначение «сельскохозяйственный тягач» La.S. |
|
1933г., лето |
Построено 5 шасси La.S. |
|
1933г. |
Опыты с ходовой по типу Кристи. |
Под спудом запрета, боевой Kleintraktor, поиски технических решений, международный контекст, Pz.I Ausf.A, Pz.I Ausf.B, производственная программа Pz.Kpfw.I, эксплуатация Pz.Kpfw.I в немецкой армии, иностранные операторы Pz.Kpfw.I, машины на шасси «единичек», многобашенный средний, полугусеничная техника, колесная бронетехника.
⃰ Под спудом запрета.
На 1930г. в германском танкостроении развивалось четыре темы: среднего танка массой 15-20 тонн – Grosstraktor; колесного танка – программа Mannschaftstransportwagen; танка массой 6 тонн – Leichttraktor; колесно-гусеничного танка массой 7-9 тонн – Räder. В 1929-1930гг. силами трех производителей (Daimler-Benz, Rheinmetall и Krupp) было произведено 6 машин по теме Grosstraktor, 2 опытных шасси и один танк по теме Mannschaftstransportwagen (производители и разработчики Daimler-Benz, C.D. Magirus, Büssing-NAG), 5 танков типа Leichttraktor (от Rheinmetall и Krupp) и 4 колесно-гусеничных шасси (выпущены на Maschinenfabrik Esslingen), одно из которых могло выглядеть в виде танка. В 1930г. все танки Grosstraktor, возможно, одно или два колесных шасси по программе Mannschaftstransportwagen (от Daimler-Benz), 4 танка типа Leichttraktor и 4 колесно-гусеничных шасси проходили испытания на территории СССР в германо-советском танковом центре КАМА, хотя и в Германии, как будто, в 1930г. Генрих Эрнст Книпкамп (Рис.1) также организовал танковый испытательный центр.

Рис.1 - Генрих Эрнст Книпкамп, 1895-1977гг.
Инженер, с января 1926г. работал в Управлении вооружений сухопутных сил.
С 1936г. ответственный за разработку новых танков для вермахта.
Уже в 1931г. немцы теряют интерес к колесно-гусеничной теме, колесно-гусеничные шасси Räder М28 просто исчезают из программы испытаний. В 1931г. Министерство Вооружений выдало фирме Rheinmetall заказ на выпуск 289 танков типа Leichttraktor. В 1932г. была закрыта программа колесных танков Mannschaftstransportwagen.
⃰ Боевой Kleintraktor.

Рис.2 – Один из ранних вариантов по теме Kleintraktor (возможно, июнь 1931г.). Иллюстрация из патента DE514219C за авторством Эриха Вольфёрта – схема управления и трансмиссия Kleintraktor.
Пишут, что первое упоминание о боевой машине на базе Kleintraktor относится к 14 февраля 1930г. Боевая масса машины, оснащенной 60-ти двигателем, должна была составить 3 тонны, в качестве вооружения предполагалось использовать 20-мм автоматическую пушку. Весь 1930 год был потрачен на согласования спецификации на Kleintraktor. Уже к началу 1931 года боевая масса проектируемой машины выросла до 3,5 тонн. На разработку Kleintraktor Krupp запросил 38 тысяч марок, ещё 2400 марок стоила деревянная модель. 5007 марок потребовалось на разработку ходовой части, позже эта сумма выросла до 8066 марок. Предполагалось, что с апреля 1933 по март 1938 года будет закуплено 20 Kleintraktor по цене 50 тысяч рейхсмарок за штуку.
Деревянная модель боевой машины на базе Kleintraktor была представлена 2 июня 1931 года. Его двигатель и трансмиссия находились впереди, ведущие колёса располагались сзади. Общая длина машины составляла 3460 мм, ширина 1820 мм, 60-сильный двигатель должен был разгонять её до 45 км/ч. Башня не предусматривалась, 20-мм пушка располагалась в съёмной подбашенной коробке. Встречается информация, что первоначальный проект предусматривал установку рубки с 20-мм автоматической пушкой и пулемётом, смонтированными в лобовом броневом листе в шаровых установках. Экипаж машины состоял из 3 человек: водителя, который находился слева, командира, который выполнял и обязанности наводчика и размещался справа, и расположившегося сзади за ними заряжающего. Ходовая часть нового танка должна была состоять из 10 опорных катков на борт, напоминая ту, что ставилась на модифицированный Leichttraktor. (Рис.3)

Рис.3 – Вид на ходовую часть модифицированного танка Kp.L.Tr. по программе Leichttraktorr.
На данном рисунке убрана башня танка, судя по описанию, примерно так могла выглядеть база под боевую машину Kleintraktor (указанные на чертеже размеры относятся к Leichttraktorr).
2 июня 1931г. в работу по теме Kleintraktor вступила компания Rheinmetall, которая стала разрабатывать собственный вариант подбашенной коробки с 20-мм пушкой.
Надо сказать, что из описаний обеих машин нельзя понять, предусматривалось ли полное бронирование машины – смущает упоминание о «съемной» подбашенной коробке, т.е. можно ли считать боевую машину на базе Kleintraktor танком.
К моменту появления модели Kleintraktor уже был получен опыт от испытаний машин Leichttraktorr. Идея с кормовым расположением ведущих колес теперь казалась неудачной, как и переднее положение двигателя. 18 сентября 1931 года Управление вооружений сухопутных сил (далее – УВС) заказало корпорации Krupp перекомпоновку машины с переносом двигателя на корму, а трансмиссии из МТО в отделение управления, таким образом, машина должна была сменить задний привод на передний. В качестве ориентира для дальнейшей разработки новых танков был выбран британский тягач Carden-Loyd Tractor 3 ton. (Рис.4)

Рис.4 – Британский тягач Carden-Loyd Tractor 3 ton.
Проектные работы над новым шасси для Kleintraktor планировали завершить к маю 1932 года, а к 30 июня – изготовить опытный образец базы «малого трактора».
Интересно, что в Швеции на предприятии Landsverk (находилось практически под контролем немцев) с 1930г. также велись работы под немецкую спецификацию Kleintraktor и 22 октября 1931г. появляется чертеж S.128 (Рис.5) – в расчете на интерес немецкой армии – который однозначно выглядит, как башенный танк с задним расположением МТО.

Рис.5 – Чертеж S.128.
Эскиз S.128 остался без внимания потенциального немецкого заказчика.
Для ускорения работ решили предоставить в распоряжение крупповских конструкторов три образца Carden-Loyd Tractor 3 ton. Эти машины 6-й департамент Управления вооружений закупил через подставную фирму. 10 ноября 1931 года кузовная фирма Aug. Nowack A.G. из Баутцена заказала у Vickers-Armstrongs Limited первый тягач. Второй образец был заказан 12 сентября 1932 года, ещё один – 11 октября. Приобретённые машины носили регистрационные номера VAE 393, VAE 406 и VAE 407. Первая из них прибыла на полигон Куммерсдорф в январе 1932 года.
Тем временем, Krupp, как пишут, имевшая в своём распоряжении для изучения только фотографии или эскизы Carden-Loyd, проектировала машину, на ходу додумывая ее конструкцию. 9 ноября 1931 года Управлению вооружений были представлены предварительные чертежи перекомпонованной машины Kleintraktor (Рис.6)

Рис.6 – База Kleintraktor после перепланировки.
Как видим, ходовая часть переделанного варианта весьма напоминала аналогичную конструкцию Carden-Loyd: 4 опорных катка диаметром 500 мм (позже диаметр опорных катков был увеличен до 530 мм), пятый каток одновременно выполнял роль ленивца, подвеска на половинчатых рессорах, длина гусеничной ленты – до 7 метров (по 140 траков в ленте). Причем очевидно, что в конструкции ходовой Kleintraktor нашли воплощение решения шведских конструкторов компании Bofors, также вовлеченную в немецкую программу Kleintraktor еще с 1928г., защищенные соответствующими патентами. (Рис.7)

Рис.7 - Из патента на ходовую часть фирмы Bofors.
21 декабря 1931г. с концерном Krupp были заключены контракты на изготовление опытного Kleintraktor (30 700 марок) и разработку ходовой части (13 000 марок). Позже, в мае 1932 года, сумма, выделенная на постройку машины, выросла до 43 700 марок. Постоянные внесения изменений в конструкцию привели к тому, что в изначальные сроки изготовления машины (к 30 июня 1932 года) исполнитель не уложился.
22 июня 1932г. появился в эскизе полноценный облик Kleintraktor с 20-мм пушкой подбашенном каземате. (Рис.8)

Рис.8 – Эскиз Kleintraktor с вооружением.
28 июня 1932г. началось обсуждение варианта вооружения Kleintraktor двумя пулемётами, установленными во вращающейся башне.
Показ шасси Kleintraktor с серийным номером 8000 состоялся 29 июля 1932 года. (Рис.9)

Рис.9 – Возможно, первое шасси Kleintraktor.
На машине стоял оппозитный мотор от грузовика Krupp M 301 – размер машины диктовал выбор подходящего под небольшие габариты двигателя. По техническим требованиям он должен был развивать мощность 60 лошадиных сил, но в реальности выдавал 52–54 лошадиные силы. На испытаниях первое шасси Kleintraktor смогло развить скорость всего 28 км/ч.
Первый прототип «малого трактора» был официально принят комиссией Управления вооружений 19 сентября 1932г. Шасси Kleintraktor рассматривалось как база для разных машин. Предполагалось создать на ее основе машину наблюдателей, артиллерийский тягач и подвозчик боеприпасов.
⃰ Поиски технических решений.
К 1932г. были получены первые результаты по танкам типа Grosstraktor и Leichttraktor – в обоих случаях выяснилось, что отечественным конструкторам затруднительно создать некоторые важные элементы танка, в первую очередь, ходовую часть. Тщательному исследованию в начале 1930-х годов подвергались зарубежная литература и техника.
В 1932г. фирма Siemens-Schuckert приобретает британский артиллерийский тягач Medium Artillery Tractor No.1 Dorman Engine (Рис.10), на которых ходовая часть, как на новейших британских легких танков типа Vickers Mk E.

Рис.10 – Британский Medium Artillery Tractor No.1 Dorman Engine. – на базе МК Е.
В 1932г. немцы превращают разоруженное шасси L.Tr. als Selbstfahrer (Рис.11) в испытательный стенд.

Рис.11 - L.Tr. als Selbstfahrer fuer 3,7 cm Kanone.
Схема экспериментальной ходовой части напоминала французскую конструкцию танковой ходовой. На каждый борт использовалось по четыре тележки с двумя опорными катками и подвеской на вертикальных пружинных рессорах. (Рис.12)



Рис.12 – Экспериментальное шасси от L.Tr. als Selbstfahrer, 1932г.
Испытания экспериментального шасси закончилось в 1933г.
В некоторых источниках встречается, что немцы, надо полагать, в это же время пытались закупить патенты Кристи, изюминкой которых являлась конструкция колесно-гусеничной ходовой части - как пишет Питер Чемберлен, немцы предлагали сумму в 1 000 000 $ (-!!!!!!!!!!!! в тех-то деньгах). Тот же автор сообщает, что Кристи указал будущим нацистам на дверь (оказался удивительно прозорливым товарищем в этом вопросе, но, по правде говоря, патенты Кристи принадлежали не ему, а американской армии). Однако известно, что в мае 1934г. на маневрах американской кавалерии, где проходили сравнительные испытания перспективные типы кавалерийских танков, присутствовал немецкий представитель Гейнц Бах (к сожалению, не удалось установить, был он военным или гражданским лицом). Так что не исключено, что немцы могли пытаться установить контакты с американскими специалистами.
⃰ Международный контекст.
В то время, как немцы практически не имели ни танков, ни ясных путей решения инженерных задач, связанных с их проектированием, британцы затеяли странное международное действие, объективно направленное, скорее, против усилий французов в области танкостроения, чем против развития немецкого танкостроения.
В 1930г. в Лондоне открылась конференция по ограничению вооружений (или разоружению), на которой поднимался вопрос об ограничении массы танков в 25 тонн (французы предлагали установить верхнюю границу массы танков в 95 тонн, очевидно, немцы были в шоке от такого допущения). В феврале 1932г. в Женеве британский премьер-министр Джеймс Рамсей Макдональд предложил ограничить калибр полевой артиллерии 105-ю миллиметрами, а массу танков — 16-ю тоннами. У самих британцев к тому времени уже были разработаны 16-тонные танки, а вот французы только пытались запустить в серию свои тяжелые Char B, в случае ограничения массы 25-ю тоннами французская программа Char B и вовсе шла под нож, что в известном смысле оказывалось на руку немцам. В декабре 1932г. западные державы (в том числе и Франция) признали теоретические принципы равноправия Германии в вопросах вооружений. А 23 октября 1933г. Германия прекратила участие в женевской Конференции по разоружению.
⃰ Pz.I Ausf.A.
В принципе, развитие по темам Grosstraktor и Leichttraktor могло привести к более ли менее приемлемым результатам, но даже в случае успеха по условиям ВМД танки таких типов сложно было бы производить в Германии и практически невозможно открыто принять на вооружение рейхсвера. Немецким военным же не терпелось получить хотя бы жаворонка в руке. 1 апреля 1931 года генерал Лутц (Лютц), ранее бывший начальником штаба инспекции автотранспортных войск (Inspekteurs der Kraftfahrtruppen), был назначен генерал-инспектором Kraftfahrtruppen. (Рис.13)

Рис.13 - Освальд Лутц (Oswald Lutz), 1874-1944гг.
В апреле 1931 года сменил генерала О. фон Штюльпнагеля на посту инспектора транспортных частей сухопутных войск (с 1 июля 1934 г. стал именоваться генерал-инспектором мобильных частей). Руководил организацией моторизованных войск, 15 октября 1935 г. из инспекции было образовано Командование танковых войск во главе с О. Лутцем.
Впоследствии (с 1935г.) первый генерал танковых войск.
В 1938г. его сменил Гудериан.
По распоряжению армейского командования генерал Лутц провел две серии занятий, по три занятия в каждой, соответственно на полигонах в Графенвере и Ютербоге. Их целью было отработать взаимодействие группы «танков» (т.е. макетов танков) с пехотным полком поддержки, а также приобрести некоторый опыт противотанковой защиты. Считается, что эти шесть занятий помогли определить характеристики будущих танков. В продолжение темы осенью 1932 года четыре моторизованных разведывательных отряда и сводный мотоциклетный батальон впервые приняли участие в крупномасштабных учениях.
На этом фоне, вероятно, в недрах «автомобильной инспекции» или «инспекции № 6» (Wa Pruef 6, 6 Inspekteur für Heeresmotorisierung, In 6) оборонного управления Германии появилось предложение (многие его автором указывают Г. Гудериана (Рис.14)) начать разработку танка массой до 5 тонн под видом учебной машины.



Рис.14 – Гейнц (Хейнц) Вильге́льм Гуде́риан (Heinz Wilhelm Guderian, 1888-1954гг.); на верхнем фото справа – на заднем плане.
Внизу в форме танкиста.
С 1928 по 1930гг. инструктор по тактике автотранспортного инструкторского штаба.
В 1931г. под крылом Лутца стал начальником штаба автотранспортных частей.
Считается одним из отцов механизированных и танковых соединений вермахта. Крупный теоретик и практик бронетанковых войск. С 1940г. генерал-полковник. В 1945г. занимал должность начальника Генерального штаба сухопутных войск.
В 1932 году военные настояли на производстве «учебных» танков для рейхсвера. В спецификации речь шла о машине массой до 5000 кг с противопульным бронированием, вооруженной двумя пулеметами 7,92-мм пулеметами. Обычно пишут, что полковник Г. Гудериан сыграл большую роль в том, чтобы немецкая промышленность наладила выпуск таких машин, хотя главным по танкам в то время выступал его шеф - генерал Освальд Лутц. Заказ на разработку, вроде бы, выдали сразу четырем фирмам: Daimler-Benz, Rheinmetall-Borsig, MAN и Krupp. Не исключено, что в конкурсе намеревалась участвовать формально шведская, а де-факто немецкая компания Landsverk, но официально ее к процессу не допустили. (Рис.15)

Рис.15 – Чертеж S.138 шведского завода Landsverk по немецкой спецификации 1932г.
Не исключено, что в башне прорисована 20-мм пушка или крупнокалиберный пулемет.
Чертеж датирован 1 ноября 1932г., официально Landsverk не участвовала в конкурсе.
Конкурс закончился с появлением шасси Kleintraktor от Krupp (разработчики Хогельлох и Вольферт). Хотя технические возможности «сельскохозяйственного тягача» были весьма далеки от идеала, военные обратили внимание на простоту конструкции шасси Kleintraktor и возможность быстрого развертывания на этой базе массового выпуска танка. Уже 12 октября 1932г. генерал Лутц заговорил о необходимости строительства пяти Kleintraktor с вооружением.
Параллельно с разработкой шасси продолжалось и конструирование «надстройки» (верхней части броневого корпуса), принимались окончательные решения по вооружению. С октября 1932г. вариант с размещением 20-мм пушки стал отходить на второй план – говорят, 12 октября 1932 года генерал Освальд Лутц (Oswald Lutz) отдал предпочтение варианту с башней и двумя пулемётами. 18 ноября 1932г. Krupp продемонстрировал деревянную модель башни на два пулемета и подбашенной коробки. Но в марте 1933г. свой вариант башни и корпуса предложила фирма Daimler-Bezn. Военные отдали предпочтение решениям Daimler-Bezn. Башня Krupp получилась существенно меньшей по размеру, а борта подбашенной коробки были выполнены под прямым углом, что уменьшало возможность рикошета пули, неудобно выглядела откидная выемка-люк под голову водителя. Конструкция, созданная специалистами Daimler-Benz, отличалась в лучшую сторону. Подбашенную коробку выполнили в виде восьмиугольной конструкции с бортовыми листами, расположенными под наклоном. При этом в шести из восьми бортовых листов имелись смотровые приборы. Сверху коробки располагалась достаточно просторная башня, также не обделённая смотровыми приборами. Ещё одним существенным отличием конструкции Daimler-Benz стала крыша моторного отделения. Её переделали, увеличив по высоте и расположив немного под наклоном. Тем самым, был не только увеличен объём моторного отделения, но и улучшилась его защищённость от вражеского огня.
В феврале - марте 1933г. был выдан заказ на изготовление пяти шасси Kleintraktor под проект танка.
В апреле 1933г. Лутц определил сроки начала крупносерийного производства танков на базе Kleintraktor – 1 апреля 1934г.
В июне 1933 года прошёл испытания обстрелом первый корпус, выполненный из полноценной брони. Поскольку в ходе испытаний имели место два пробития 7,9-мм тяжёлыми пулями, толщина брони машины была увеличена с 8 до 13 мм.
1 июля 1933 года Управление вооружений уведомило «Крупп» о своих планах по размещению на фирме заказа на 150 шасси первой серии «малого трактора». Одновременно (очевидно, в июле) изделию было присвоено новое кодовое обозначение — «сельскохозяйственный тягач» (Landwirtschaftliche Schlepper или La.S.).
Летом (в июле-августе) 1933г. в Эссене была построена «нулевая» или предсерийная партия шасси La.S в количестве 5 штук (серийные номера 8001-8005) по цене 37800 рейхсмарок за штуку. Эти машины имели целый ряд отличий от опытного образца «малого трактора». Ходовая часть применительно на один борт, состояла из четырех обрезиненных опорных катков диаметром 530 мм, двух поддерживающих обрезиненных роликов, переднего сдвоенного ведущего колеса и заднего ленивца, который в целях снижения удельной нагрузки на грунт был опущен на землю – играл роль пятого опорного катка. Подвеска опорных катков смешанная - первый опорный каток подвешен индивидуально, на балансире, соединённом с пружиной и гидравлическим амортизатором, второй и третий опорные катки, а также четвёртый опорный каток и ленивец сблокированы попарно в тележках с подвеской на листовых четверть-эллиптических рессорах. Для улучшения жесткости конструкции три задних катка и ленивец были дополнительно скреплены общей продольной балкой. Отнюдь не тривиальная конструкция! Кстати говоря, именно на Kleintraktor должны были испытать торсионную подвеску разработки Porsche K.G. По ряду причин это мероприятие не случилось, и в итоге первым танком с торсионной подвеской стал танк, построенный де-факто немецкой фирмой Landsverk в Швеции. На «нулевых» La.S использовался более мощный мотор Krupp M 302, который имел мощность 56 лошадиных сил, а при 2600 об/мин – 60 лошадиных сил. Машины получили обозначение La.S Krupp (т.е. La.S с мотором Крупп “mit Kruppmotor”, также использовалось обозначение “Krupp-Traktor”). Шасси, как будто, должны были изготавливаться из броневой хромоникелевой стали. Машины тут же отправили на полигон в Куммерсдорфе. (Рис.16)

Рис.16 – Так выглядели шасси La.S/La.S Krupp на полигоне в Куммерсдорфе в 1933г.
Пишут, что первые пять шасси LaS «нулевой серии» показали скорость 34 км/ч, низкую надежность ходовой части и трансмиссии, что препятствовало их нормальному использованию в любых целях. (Рис.17, Рис.18)

Рис.17 – Одно из первых шасси Kleintraktor Krupp на испытаниях.



Рис.19 – La.S. Krupp с улучшенной ходовой.
В течение февраля-апреля 1934 года было изготовлено ещё 15 машин (некоторые источники указывают, видимо, ошибочно, что машины были построены не на Krupp, а на предприятии Henschel & Son) - их частенько причисляют к машинам первой серии, но и относят к нулевой серии. После пробега – машины развивали скорость до 37,5 км/ч - был сделан вывод о пригодности строительства танков на таких шасси. Krupp забронировала 20 первых шасси «нулевой» и первой серии по своей схеме, как указывают в некоторых источниках – из конструкционной стали. (Рис.20)








Рис.23 – Место и кресло водителя.

Рис.24 – Смотровые люки и двухстворчатый люк.

Рис.25 – Положения смотрового лючка в башне при открывании.
В крыше имелся люк для с одностворчатой крышкой для посадки командира. Сиденье командира вращалось вместе с башней при помощи ручного привода, однако полик боевого отделения отсутствовал. (Рис.26)


Рис.26 – Место командира танка.
Командир танка обслуживал два пулемета Dreyse MG 13 калибра 7,92 мм, которые были разнесены и устанавливались в полукруглой маске-установке – она могла фиксироваться в горизонтальном положении. (Рис.27)

Рис.27 – Башня с пулеметами.
Вести огонь из них можно было раздельно. Максимальные углы вертикального наведения пулеметов составляли от -12° до +18°. Наведение на цель осуществлялось при помощи телескопического двукратного прицела Zeiss TZF 2. (Рис.28)

Рис.28 - Поворотный и подъемный механизмы со спусковым приспособлением для стрельбы из пулемета.
Боекомплект, состоявший из 61 магазина, размещался в башне и корпусе. В башенной укладке находилось всего 8 магазинов, в корпусе было четыре укладки по 8, 20, 6 и 19 магазинов соответственно.
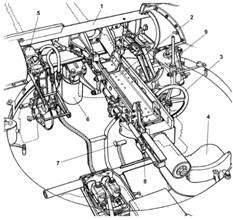
В моторном отделении (Рис.29), находившемся в кормовой части танка, устанавливался 4-цилиндровый карбюраторный горизонтально-оппозитный двигатель Krupp M305 воздушного охлаждения с карбюратором Solex 40 JEP.

Посредством карданной передачи крутящий момент передавался к элементам трансмиссии, находившихся в передней части танка. (Рис.30)



Ходовая часть применительно на один борт, состояла из четырех обрезиненных опорных катков диаметром 530 мм, трех поддерживающих обрезиненных роликов, переднего сдвоенного ведущего колеса и заднего ленивца, который в целях снижения удельной нагрузки на грунт был опущен на землю – играл роль пятого опорного катка. Опорные катки и ленивец — литые: опорные катки алюминиевые, ленивец стальной. Подвеска опорных катков смешанная - первый опорный каток подвешен индивидуально, на балансире, соединённом с пружиной и гидравлическим амортизатором, второй и третий опорные катки, а также четвёртый опорный каток и ленивец сблокированы попарно в тележках с подвеской на листовых четверть-эллиптических рессорах. Для улучшения жесткости конструкции три задних катка и ленивец были дополнительно скреплены общей продольной балкой. (Рис.32)

Рис.32 – Вид на ходовую часть танка.

Рис.33 - Антенна радиостанции в боевом и походном положениях.
Некоторые авторы считают, что все танки 1 LaS имели радиостанции, точнее - радиоприемники.
Первоначальный заказ составил 150 машин (из них 135 машин готов был построить Krupp). К производству подключили 5 фирм: Krupp и ее дочку Grusonwerk, Rheinmetall-Borsig, Daimler-Benz, Henschel & Son, MAN. Поставки машин ожидались с декабря 1933 года, но реально первое шасси La.S. (без корпуса и башни) был отправлен в Меппен только к 20 января 1934 года. 1.Serie/La.S. выпуска концерна Krupp имели серийные номера 8011–8145, Grusonwerk – 8401–8403, MAN – 8501–8503, Rheinmetall – 8601–8603, Henschel – 8701–8703 и Daimler-Benz – 8801–8803.
Из этих 150 машин первой серии 1.Serie/La.S только 20 первых шасси получили крупповские надстройки и башни с вооружением и выглядели, как танки. (Рис.34)

Рис.34 – Из числа первых 20 танков с крупповским корпусом.
Машины с этими корпусами причислили к учебно-тренировочным.

Рис.35 – Установка вооружения.
В январе 1934г. заказ на танки La.S вырос до 200 штук, а к середине июля до 300. 12 июля заявили о программе строительства 1000 машин. Согласно финальному варианту заказа, Grusonwerk (Krupp переориентировал на танковое производство свое предприятие Grusonwerk в Магдебурге) выпускал 205 танков с серийными номерами 9001–9205, 27 с номерами 9207–9233 и еще 81 штуку с номерами 9235–9315. MAN получал контракт на выпуск 160 2.Serie/La.S. с серийными номерами 9501–9660. Rheinmetall достался контракт на 110 танков с номерами 9801–9910. Henschel получил контракт на 150 2.Serie/La.S. с номерами 10001–10150. Daimler-Benz выпускала 115 танков с серийными номерами 10301–10415 и при этом производила все башни и подбашенные коробки для танков.
Конструкция 2.Serie/La.S. в целом повторяла финальную конфигурацию машин предыдущей серии. Одним из главных отличий стало появление усиленного переднего опорного катка, на который после установки башни с подбашенной коробкой стало приходиться больше нагрузки. (Рис.36)

Рис.36 – Танки 2.Serie/La.S.

Рис.37 - Танк 3.Serie/La.S.
Grusonwerk получила контракты на 2 танка с серийными номерами 9206 и 9234, плюс 35 танков с номерами 9316–9350. MAN досталось 40 машин с номерами 9661–9700. Компании Rheinmetall и Daimler-Benz получили контракты на изготовление 20 танков каждая, с серийными номерами 9911–9930 и 10416–10435 соответственно. Наконец, фирма Henschel получила контракт на постройку 35 штук 3.Serie/La.S. с серийными номерами 10151–10185.
К тому моменту La.S. получил обозначение M.G. Panzerwagen и индекс Vs.Kfz.617 (опытная машина 617). Продержалось это обозначение недолго: в октябре 1935 года его сменило название M.G. Kampfwagen, а в ноябре – M.G. Panzerkampfwagen.
Последней серией машин этого типа стала 4.Serie/La.S. Танки четвёртой серии получили расширенный люк доступа к трансмиссии, а также усиленную (- за счет чего?) ходовую часть. (Рис.38)

Рис.38 – Танки 4.Serie/La.S.
В общей сложности было заказано 175 танков, при этом из списка производителей исчез MAN. Grusonwerk получил контракт на 40 танков с серийными номерами 9366–9405. Rheinmetall должен был выпустить 30 штук 4.Serie/La.S. с серийными номерами 9931–9960. Самый большой контракт оказался у Henschel – 64 танка с серийными номерами 10186–10249. Daimler-Benz получил заказ на выпуск 41 танка с номерами 10436–10476.
В апреле 1936 года танки La.S. получили финальное обозначение – Pz.Kpfw.I (M.G.) - Panzerkampfwagen. По сквозной системе обозначений подвижных средств Вермахта (Kraftfahrzeuge Nummersystem der Wermacht) машина получила индекс со сквозным индексом Sd.Kfz.101 (спецмашина 101). Сейчас машины 2.Serie/La.S.- 4.Serie/La.S. известны как Pz.Kpfw.I Ausf.A (Ausf. от немецкого слова Ausführung – «модель») – в данной работе к этому обозначению отнесены и машины 1.Serie/La.S., точнее 20 танков с корпусами Krupp - 1.La.S. Krupp.
Производство машин Pz.I Ausf.A прекратилось летом 1936г. Всего произвели 1195 шт. – 20 шт. в варианте 1.La.S. Krupp и 1175 шт. машин 2-4 серий (некоторые подсчеты дают показатель построенных танков Pz.I Ausf.A 2-4 серий – 1075 шт.). При этом ожидалось получить чуть более 1325 машин данной модификации.
В процессе эксплуатации конструкция машин Pz.I Ausf.A. подверглась изменениям. К началу Второй мировой войны танки получили переделанный воздухозаборник на надмоторной плите, установку с дымовым гранатометом и, вроде, немного модернизирована была ходовая часть. (Рис.39, Рис.40, Рис.41)

Рис.39 - Модернизированный Pz.I Ausf.A с дымовыми гранатомётами.



Рис.40 - Модернизированный Pz.I Ausf.A второй серии из коллекции шведского танкового музея Arsenalen.

Рис.41 - Pz.Kpfw.I Ausf.A современный вид.
Один из серийных Pz.Kpfw.I Ausf.A в 1940 году использовали в качестве испытательного стенда для установки башни среднего танка Pz.Kpfw.IV и 50-мм орудия.
В качестве иллюстрации возможностей первого со времен WWI серийного немецкого танка любопытны результаты испытаний танка с серийным номером 10184 (двигатель №9057), которые проводились советскими специалистами в марте 1937г. на подмосковном полигоне НИАБТ в Кубинке, а затем - в августе 1937г. и осенью 1938г. на заводе №185 в Питере. (Рис.42)


Рис.42 – Танк на шасси La.S, серийный номер 10184, захвачен республиканскими силами в Испании в конце 1936г, доставлен в СССР.
Согласно показаниям приборов, к моменту выхода на испытания танк уже прошёл 3426 километров (!) – вероятно, не все советские танки того периода вообще могли намотать такое расстояние. До выхода на полигон машину не ремонтировали, все работы свелись к смазке и регулировке. Недостающую левую гусеницу на танке поставили с британской танкетки «Карден-Лойд» (- думается все же, что не с танкетки, а с 3-тонного тягача Vickers-Carden-Loyd Artillery Tractor 3 ton/Light Dragon Mk.I). На танке отсутствовали два смотровых прибора в башне, пулемёты и укладки боезапаса.
Проверялись все особенности машины, включая удобство посадки экипажа и доступ к агрегатам. К положительным особенностям немецкого танка как раз и отнесли удобную посадку экипажа. (Рис.43)


Рис.43 - Открытый люк, который использовался для попадания экипажа внутрь танка.
Место командира танка, который одновременно являлся наводчиком и заряжающим, признали удобным для работы. Сиденье могло регулироваться по высоте и снабжалось ремнями, что снижало риск упасть при езде на неровностях. Удачным оказалось и размещение рукояток механизмов поворота башни. Обратили внимание специалисты и на то, что смотровые приборы, которых было в избытке, имели защитные стёкла «триплекс». Порадовал советских и доступ к трансмиссии, но обслуживание мотора затруднялось не достаточными по размеру люками. Более того, люки танка оказались не герметичными, что допускало проникновение внутрь машины горючей жидкости (зажигательной смеси). Проблемы уязвимости выявились и в моторном отделении. В верхнем кормовом листе имелись два отверстия для вентиляции, прикрытые сеткой. Они оказались очень уязвимы, поскольку рядом с ними находились бензиновые и масляные баки. Для вражеского огня эти сетки вовсе не представляли никаких проблем – немцы решили эту проблему по итогам боев в Испании, в ходе модернизации в этих местах появились броневые крышки. (Рис.44)


Рис.44 - Pz.I Ausf.A после модернизации, появилась броневая крышка над сетками вентиляции.
После изучения конструкции танка машине устроили тестовый пробег. Машина совершила 100-км пробег по заснеженному шоссе, при этом, была получена максимальная скорость 39,96 км/ч, то есть даже чуть больше паспортной. Средняя скорость танка составила 25 км/ч, при этом средний расход топлива составил 31,2 кг на 100 км. Отмечалось удобство управления танком, не требующее оказания больших усилий для воздействия на рычаги и педали. Двигатель показал себя вполне надёжным, запускался легко. Однако был обнаружен перегрев тормозных барабанов, при этом вентилятор, призванный их охлаждать, при длительных пробегах со своей работой не справлялся. Одним из пунктов испытаний стал замер тяги на крюке, составивший 2 тонны на 1-й передаче.
Дальнейшие испытания продолжились на просёлке, по которому танк прошёл 70 километров. Дорога была заметена снегом глубиной 20–30 сантиметров. Средняя скорость при этом составила 9–10 км/ч, а расход топлива вырос до 53,3 кг на 100 километров.
Следующим номером программы стала езда по заснеженной целине, в общей сложности немецкая машина прошла по ней 40 километров. Глубина снежного покрова достигала 30–40 сантиметров, больше 6–7 км/ч по такой местности танк разогнаться не мог. На этом этапе проявились проблемы. Сначала сломался палец на левой гусенице, что было связано с износом, и дважды с танка спадала правая, «родная» гусеница. Причиной этого испытатели назвали конструкцию ленивца и гусеницы. (Рис.45)

Рис.45 – Спадение правой гусеницы.
Испытания на заснеженной целине включали в себя переезд через ров с вертикальной стенкой высотой 0,8 и 0,7 метра. В первом случае преодолеть ров не удалось, во втором это получилось со второй попытки и с разгоном танка до 9 км/ч. (Рис.46)

Рис.46 – Попытка преодоления рва.
Дополнительно танк испытали на переезд через поваленное дерево, затем машина начала валить деревья. Стволы диаметром 200 и 300 мм оказались не помехой, но сосна диаметром 380 мм стала непреодолимым препятствием. Валка деревьев никак не отразилась на техническом состоянии танка.
Далее последовали испытания на преодоление косогоров. Первый, с крутизной 14 градусов, танк преодолел без проблем, а вот следующий, с крутизной 24 градуса, удалось пройти только при движении по диагонали. На большее уже не хватало сцепления гусениц с грунтом. (Рис.47)

Рис.47 - Испытания на преодоление косогоров.
Далее последовали испытания по езде через кустарник и молодые деревья, находящиеся в глубоком снегу. Первый этап с глубиной снежного покрова 40 см пройти удалось, а на втором, где глубина снега увеличилась до 50–60 см, танк застрял (заглох мотор). Впрочем, это уже было явно перебором, здесь мог бы застрять едва ли не любой танк.
В августе 1937г. испанский La.S продолжили испытывать на заводе № 185 в Петербурге (в целях конспирации немецкий танк назвали «английская опытная машина № 1», другое советское название Т-1). За время заводских испытаний осуществили семь выездов танка, в ходе которых он прошел 45 км. В процессе испытаний были обнаружены и устранены силами завода следующие дефекты узлов и механизмов: разрушение фрикционных дисков в коробке скоростей; отсутствие надлежащего давления в маслосистеме двигателя; посторонние стуки в картере двигателя и обрыв шпилек подшипника оси катка задней левой тележки. Тесты также выявили частое спадание гусениц. На поворотах, даже при незначительно резком торможении, гусеница, как правило, сбрасывалась с заднего катка, что особенно проявлялось при движении по грунтовой дороге. (Рис.48)

Рис.48 - Сбрасывание гусеницы при повороте на грунте.
При этом происходили повреждение резинового бандажа на задних катках и поломка шпильки фиксирующего механизма. При преодолении стенок (Рис.49) в подвеске танка наблюдались следующие характерные явления: при движении на подъем, когда передние катки находились в наивысшей точке препятствия, средняя подвеска разгружалась и в работе не участвовала; при сходе с препятствия, в момент опоры машины большими катками заднего узла подвески (выполнявшими роль ленивца), из-за жесткого упора рессор в двухсторонние ограничители возникали дополнительные нагрузки, действующие на подшипники катков заднего узла подвески.

Рис.49 - Преодоление стенки высотой 0,75 м.
В период 16 по 25 октября 1938 г. на заводе №185 провели дополнительные испытания этого же танка для составления общей оценки T-I, анализа работоспособности конструкции и возможности использования отдельных узлов и агрегатов на машинах советского производства. Испытания проводились в два этапа: полевые и заводские. Полевые испытания прошли на местности с различной несущей способностью и по разбитой глинистой дороге. При этом оценивалась работа отдельных агрегатов машины на ходу (сиденье, механизм башни, люки, бортовые фрикционы, ходовая часть). Заводские испытания, проводившиеся на территории завода, выполнялись с целью детального изучения ходовой части Т-I и сравнения ее с другими машинами данного класса. Танк неоднократно преодолевал участок дороги с трамплинами различной высоты, расставленными в определенной последовательности. С целью получения характеристик ходовой части на машину установили прибор для регистрации перегрузок системы ЦАГИ и тахограф (прибор, показывающий угловые, продольные и поперечные колебания машины, изготовленный заводом №185). (Рис.50)

Рис.50 - Pz.I на испытаниях в СССР осенью 1938г.

Рис.51 – Движение по разбитой грунтовке.

Рис.52 - Сбрасывание гусеницы при попытке поворота на местности.
Выполнение поворотов на лугу сопровождалось возникновением чрезвычайно тяжелых условий в результате разрушения верхнего слоя почвы на глубину до 300 мм. С целью проверки возможности спадания гусеницы также выполнялось резкое торможение с хода на лугу средней твердости, причем тормозилась одна гусеница. При десяти торможениях со скорости движения 10 км/ч сбрасывание гусениц не наблюдалось. Но при торможении на скорости 15 км/ч в четырех экспериментах гусеница спала; при последующих торможениях со скорости 15 км/ч также было зафиксировано два положения, близких к спаданию. Во всех случаях спадание гусеницы начиналось с ленивца или с ближайших к ленивцу опорных катков. Это явление главным образом объяснялось неудачно выбранной формой направляющих гребней гусеницы, неудовлетворительным состоянием резины массивных шин на всех катках, в том числе и ленивце, и крайне несовершенной конструкцией натяжного и фиксирующего механизма гусеницы (частое непроизвольное ослабление гусеницы). Сбрасывание гусеницы, как правило, приводило к поломке шпильки фиксирующего механизма, которая срывалась гусеницей. На пересеченной местности при преодолении мелких канав 0,5–0,5 м на скорости 13–15 км/ч подвеска машины показала вполне удовлетворительные качества: незначительные и быстро затухающие (благодаря наличию пластинчатых рессор) колебания корпуса машины. Переход придорожных канав шириной 1,5 м и глубиной 1 м на небольших скоростях выполнялся легко, демонстрируя хорошую способность машины преодолевать подъемы. (Рис.53)

Рис.53 – Преодоление канав. Вверху – канава 1,5 м, внизу – 1 м.
При преодолении подъемов и частично при поворотах ленивец имел возможность дополнительного поджатия к земле (при этом четвертый каток, кинематически связанный с ленивцем, поднимался) вследствие чего сцепление гусеницы с грунтом увеличивалось, что облегчало преодоление подъема. При попытке преодолеть канаву шириной 5 м и глубиной 3 м, наполненную водой, машина увязла носовой частью, забуксовала и выйти своим ходом не смогла. (Рис.54)

Рис.54 - Тот самый случай, когда машина не смогла выбраться из залитой водой канавы.
При движении по торфяному, зыбкому болоту, с трехметровой глубиной поверхностного вязкого слоя, благодаря малому удельному давлению (0,34 кг/см?), танк Т-I продемонстрировал высокую проходимость. И хотя на протяжении 200 м машина погружалась примерно на 300–350 мм, болото было пройдено в двух направлениях. На обратном пути при выходе из болота танк попал на свою колею и потерял подвижность. Для советского Т-26 это же болото оказалось непреодолимым. Для оценки жесткости подвески танк испытали ездой через трамплины высотой от 13 до 31 см на скоростях от 13 до 20 км/ч. (Рис.55)


Рис.55 – Тестирование на трамплинах, вверху угол подъема 17°, внизу - 24°.
Зафиксированные максимальные перегрузки при прохождении самого высокого трамплина составили 5–6 д, что позволило оценить подвеску как близкую по своей жесткости к подвеске Т-26.
Анализ результатов испытаний (наряду с уже указанными выше положительными и отрицательными качествами) легкого танка Т-I позволил выявить также следующие недостатки: высота клыков траков гусеницы явно недостаточна и конфигурация их неправильна, что делает направление гусеницы ненадежным, и является одной из причин ее спадания; натягивающий и фиксирующий механизм гусеницы по своей конструкции несовершенен. Часто наблюдалось произвольное ослабление гусеницы. Механизм неудобен в обращении, и спадание гусеницы часто приводит к его поломкам. Отсутствие люка в полу машины делает выход команды в случае необходимости в условиях боя невозможным. Смотровой прибор водителя примитивен, ненадежен и предположительно будет иметь большую поражаемость от огня. В ходе испытаний выявилось, что машина в тяжелых условиях (мягкая пашня, сильно пересеченная дорога) обладает запасом хода 80 км (исходя из емкости баков).
Выводы. В целом, первый серийный германский легкий танк представлял собой образец компромиссных решений. Наличие только пулеметного вооружения, слабая броневая защита и недостаточная мощность двигателя указывали в пользу низкой боевой эффективности Т-1. Тем не менее, уже на этом этапе проектирования в качестве основных особенностей материальной части германской армии были заложены базовые принципы максимальной стандартизации по основным узлам и агрегатам боевых машин. Отчетливо просматривалось желание максимально облегчить экипажу условия боевой работы и обеспечить наилучшие условия наблюдения из танка. Применение стандартных коробок передач, двигателя и других механизмов свидетельствовало о хорошо налаженной кооперации многочисленных фирм-изготовителей комплектующих.
⃰ Pz.I Ausf.B.
Вопрос увеличения мощности создаваемого танка La.S. тревожил и военных, и конструкторов с самого начала проектирования. Еще 18 августа 1932г. из 6-го Управления вооружений в адрес Krupp пришло распоряжение срочно проработать возможность установки на создаваемую боевую машину двигателя Büssing-NAG Typ G. Этот 4-цилиндровый рядный мотор объёмом 3,92 литра и мощностью 65 лошадиных сил ставился на грузовики семейства Büssing-NAG G 31 (этими же двигателями оснащались трехосные БА). Конструкторы оперативно рассмотрели вопрос и вынесли неутешительную резолюцию. Установка мотора водяного охлаждения требовала полной переделки моторного отделения, а масса танка увеличивалась на 250 кг. Однако проблему следовало решать. В октябре 1932 года на Krupp закипела работа над перспективным V-образным 8-циллиндровым двигателем воздушного охлаждения мощностью 80 лошадиных сил. Первый этап проектных работ закончился в ноябре 1932 года, и уже тогда стало понятно, что без переделки корпуса танка не обойтись. Для того чтобы разместить новый двигатель, требовалось удлинить корпус на 220 мм, в основном за счёт моторного отделения. При этом мощность проектируемого двигателя к тому моменту возросла до 85 лошадиных сил.

Рис.56 – Указывается, что это вариант Pz.I Ausf.А с дизельным двигателем.
Примерно в это же время возникла идея попробовать установить в танк другой двигатель Büssing-NAG, мощностью 80 лошадиных сил. А в 1933 году появился ещё один конкурирующий мотор, на сей раз от Adler.
Наконец, Эрнст Книпкамп, один из ключевых сотрудников 6-го Управления вооружений, который в ту пору занимался полугусеничными тягачами, предложил доработать на фирме Maybach 6-циллиндровый мотор NL 35 мощностью 90 л.с. и объёмом 3,5 литра, который был заказан для 5-тонного тягача Büssing-NAG BN L5. Так появился мотор жидкостного охлаждения NL 38 с увеличенным до 3,8 литров (3791 см.куб) объёмом (диметр цилиндра 90 мм, ход поршня 100 мм) и мощностью 100 лошадиных сил. В конце 1935 года была подготовлена танковая версия этого мотора, получившая обозначение Maybach NL 38 Tr. Этот мотор и выбрали для Pz.Kpfw.I. (Рис.57)

Рис.57 – Двигатель Maybach NL 38 Tr.
Для размещения нового двигателя пришлось изменить заднюю стенку и крышу моторного отделения. Две выхлопные трубы заменили на одну, которая выводилась на правый борт. Ёмкость бензобаков увеличили до 146 литров - если танки 57-сильным двигателем потребляли 100 литров бензина на 100 км, то для танка со 100-сильным мотором требовалось 125 литров горючего на 100 км. Использовались механические пятискоростные коробки передач Aphon FG31, обеспечивавшие 5 скоростей движения вперед и 1 заднюю скорость. На новой модификации следовало устанавливать два аккумулятора емкостью 105 А/ч. Изменения в моторно-трансмиссионной группе повлекли за собой удлинение корпуса на 400 мм и изменение конструкции ходовой части – появился пятый опорный каток, четвертый ролик, а ленивец был поднят над землей. Новое шасси обозначили как La.S.-May (с мотором Maybach («mit Maybachmotor»). (Рис.58)


Рис.58 – Шасси La.S.-May.
При проектировании танка на новом шасси боевое отделение осталось практически прежним. Была изменена задняя стенка подбашенной коробки, поскольку переделанное моторное отделение получило новую надмоторную плиту. Смотровые приборы с задней стенки были убраны, т.к. для них не нашлось места. Были переделаны рымы для демонтажа подбашенной коробки, а болты получили пулестойкие головки. Ещё меньше изменений получила башня. Здесь рымы переместили с бортов на крышу башни, а также переделали заклёпки. С 1936г. новый вариант единички получил обозначение Pz.Kpfw.I Ausf.B. (Рис.59)




Рис.59 - Pz.Kpfw.I Ausf.B.
Масса Pz.Kpfw.I Ausf.B 5800 кг (в некоторых источниках указывают 5,9 т). Габариты: длина – 4420 мм, ширина – 2060 мм, высота – 1720 мм, клиренс 250 мм. Бронирование: лоб корпуса — 8-13 мм, борт корпуса — 13 мм, корма корпуса — 13 мм, крыша корпуса — 8 мм, лоб башни — 13 мм, борт башни — 13 мм, корма башни — 13 мм, крыша башни — 8 мм, маска пушки — 15 мм, днище — 5 мм. Экипаж 2 чел. Вооружение два 7,92-мм пулемета MG34, боекомплект 2250 патронов. Приборы наблюдения телескопический прицел TZF 2 телескопический прицел. Двигатель Maybach NL-38TR, карбюраторный, 4-цилиндровый, жидкостного охлаждения, мощностью 100 л.с. Трансмиссия механического типа: карданный вал, редуктор, двухдисковый главный фрикцион сухого трения, объединённый в общем блоке с КПП Aphon-Getriebe F.G.31 и механизмами поворота, фрикционно-шестерёнчатый механизм поворота с ленточными тормозами и однорядные бортовые передачи. Ходовая часть (на один борт): 5 опорных катков, 4 поддерживающих ролика, переднее ведущее и заднее направляющее колесо, мелкозвенчатая двухгребневая гусеница со стальными траками Kgs. 67 280-90 шириной 260 мм и с шагом 91 мм. По крайней мере часть танков Pz.Kpfw.I Ausf.B получали радиостанцию FuG5 со штыревой антенной.
Скорость 40 км/ч по шоссе 12-15 км/ч по местности. Запас хода 170 км по шоссе 115 км местности. Преодолеваемые препятствия: угол подъёма 30°, высота стенки 0,37 м, глубина брода 0,60 м, ширина рва 1,40 м.
С 1936 года танки этой модификации стали оснащаться новыми пулеметами Rheinmetall-Borsig MG 34, боекомплект был увеличен до 90 магазинами с 2260 патронами. Кроме того, спусковой крючок левого пулемета теперь располагался на штурвале подъема оружия слева от командира, а правого – на штурвале поворота башни справа от него. Сам механизм поворота башни был перенесен на правую сторону от башенной маски установки.
Согласно планам от 15 января 1936 года, из 1500 заказанных La.S. доля танков с двигателями Maybach NL 38 Tr оказалась сравнительно небольшой – 325 штук. Финальная шифра оказалась ещё меньшей, поскольку 72 шасси La.S.-May. планировалось использовать в качестве базы для командирских танков. Таким образом, в 5-й серии (5a.Serie/La.S.) для танков с новыми моторами оставалась квота всего на 253 машины. (Рис.60)

Рис.60 – Танки 5a.Serie/La.S, фото 1939г., Польша.
30 танков с серийными номерами 10478–10537 собирала Daimler-Benz. Самый большой кусок достался Henschel – 107 танков с серийными номерами 12501–12608. Второй по объёму контракт отошел MAN – 66 штук 5a.Serie/La.S. с серийными номерами 13501–13566. Фирма Grusonwerk выпустила 50 таких машин с серийными номерами 14501–14566.
Производство 5a.Serie/La.S. началось летом 1936 года. Точная дата неизвестна, скорее всего, это случилось в июле или августе месяце. К октябрю первые 52 танка были отправлены в войска.
Вскоре последовал очередной контракт на вторую партию La.S.-May, получившую обозначение 6a.Serie/La.S. Внешне эти танки отличались тем, что в корме появилась труба-усилитель, повышавшая жёсткость корпуса, а смотровой люк водителя получил три заклёпки. (Рис.61)

Рис.61 - Pz.I Ausf.B серии 6a.Serie/La.S. Хорошо видны заклёпки на смотровом лючке водителя.
Всего было произведено 146 танков серии 6а. Фирма Daimler-Benz получила заказ на 30 танков, серийные номера 10538–10567. На Henschel, было собрано 48 танков с серийными номерами 12609–12656. MAN и Grusonwerk получили одинаковые по объёму контракты по 34 танка каждый, с серийными номерами 13567–13600 и 14687–14720 соответственно.
Дата начала выпуска 6-й серии неизвестна, но известно, когда закончилось их производство. В мае 1937 года все танки были уже готовы, 58 машин ожидало отправки в войска. Таким образом, май 1937г. это дата официального прекращения производства танков типа La.S.
Но на самом деле выпуск «второй единицы» продолжился, хотя официально Pz.I Ausf.B эти машины уже не назывались.
Уже после выпуска 6a.Serie/La.S. у военных возникла идея о дополнительной серии танков. Связано это было с весьма занятной ситуацией. С октября 1937г. официально начался процесс разоружения Pz.I Ausf.А. Образовался запас башен и бронекорпусов. Возникла идея под них выпустить дополнительную серию шасси. Так появились машины, которые формально не назывались Pz.Kpfw.I Ausf.B, но в реальности были им почти идентичны (кроме того, что имели башни от Pz.Kpfw.I Ausf.A). Обозначались такие танки Umsetz-Fahrzweuge, то есть «переделанная машина». (Рис.62)


Рис.62 - Umsetz-Fahrzweuge с дымовыми гранатометами.
Первый контракт на Umsetz-Fahrzweuge, получившие обозначение 7c.Serie/La.S., был заключён с Grusonwerk в октябре 1937 года. Всего дочернее предприятие Krupp выпустило 52 шасси с серийными номерами 15301–15352. Чуть позже был поднят вопрос об изготовлении дополнительной партии Umsetz-Fahrzweuge, получивших обозначение 8c.Serie/La.S. Grusonwerk досталось 9 танков с серийными номерами 16301–16309. На Heschel изготовлено 86 шасси с серийными номерами 16401–16486. Таким образом, реальная цифра изготовленных танков на шасси La.S.-May. несколько отличается от официальных данных. Можно говорить, как минимум, о 546 танках.


Рис.63 – Schulfahrzeuge.
Под верхним фото встречается подпись, что это демонстрационный заезд учебных «танков» Fahrschulwagen Pz.l Aus f. В, 1936г.
Эти учебные машины получили серийные номера 14567–14686. Затем последовала партия из 60 машин серии 6b.Serie/La.S с серийными 14721–14780, которую также произвели на Grusonwerk. 7-я серия (7b.Serie/La.S.) досталась Henschel, там выпустили 40 машин с серийными номерами 15201–15240. Наконец, 8-я серия (8b.Serie/La.S.) оказалась поделена между тремя фирмами. Daimler-Benz изготовила 21 шасси с номерами 16001–16021, Henschel выпустил 37 8b.Serie/La.S. с серийными номерами 16101–16137. Последние 17 учебных машин с номерами 16201–16217 выпустили на MIAG. Всего же было построено 295 Schulfahrzeuge.
В российском парке «Патриот» стоит танк типа La.S.-May. Он имеет серийный номер 16208 – т.е это учебный танк выпуска MIAG. При этом на нём установлена подбашенная коробка по типу 5a.Serie/La.S., а башня взята от Pz.I Ausf.A. Сколько всего Schulfahrzeuge было переделано в Pz.I Ausf.B неизвестно. (Рис.64)

Рис.64 - Pz.Kpfw.I Ausf.B, современный вид.
В течение 1942г. на учебные Pz.I установили газогенераторные установки – работали не на бензине, а на дровах. Встречается, что на один из Pz.I Ausf.B с газогенераторной установкой, вероятно, в 1940-е в экспериментальных целях установили башню от Pz.III. (Рис.65)


Рис.65 - Pz.Kpfw.I Ausf.B mit Pz.Kpfw III Türm.
В конце войны в Европе около десятка старых учебных «единичек» с газогенераторными установками вывели на улицы Берлина для проведения учений и разъяснительной работы среди местного населения. На примере «модифицированных» Pz.Kpfw.I берлинцам объясняли, как следует вести себя при появлении советских танков. Впоследствии часть учебных «единичек» выполняла роль ложных целей.
⃰ Производственная программа Pz.Kpfw.I.
Согласно наиболее распространенной версии о производстве танков типа Pz.I,, картина выглядит примерно так: с 1935г. танки типа Pz.Kpfw.I производились на мощностях 6-ти заводов: Rheinmetall-Borsig, Daimler-Benz, Henschel & Son, MAN, Krupp и Grusonwerk (дочка Krupp). В 1938 году 22 корпуса (очевидно, Pz.Kpfw.I Ausf.B) дополнительно собрала компания MIAG (некоторые пишут, Wegmann) – сборка танков на последних шасси, по некоторым сведениям, была завершена в ноябре 1938г. (Табл.1)
Таблица 1 – Статистика выпуска танков Pz.Kpfw.I.
|
Год |
1933 |
1934 |
1935 |
1936 |
1937 |
1938 |
Всего |
|
Шасси |
31 |
337 |
811 |
574 |
114 |
|
1867 |
|
Корпуса |
|
54 |
851 |
565 |
255 |
22 |
1747 |
|
Башни |
|
54 |
851 |
557 |
31 |
|
1493 |
Как видим, цифры произведенных элементов танков Pz.Kpfw.I обеих модификаций указывают, что могло быть произведено 1493 единиц танков, причем их производство, видимо, завершается не позже мая 1937г. Еще 374 шасси не имели башен, но 254 машины теоретически могли получить корпуса. Танков Pz.Kpfw.I Ausf.A (1934-1935гг.) было выпущено 477 штук; танков Pz.Kpfw.I Ausf.B (1935-1937гг.) - 1016 штук. (Рис.66)

Рис.66 – На заводском дворе.
Попробуем пересчитать эти цифры, исходя из позднейших данных о количестве произведенных машин (по серийным номерам шасси), времени производства танков типа Pz.Kpfw.I и производственных мощностях, на которых они строились. (Табл.2)
Таблица 2 – Производство машин типа La.S. (подсчет велся но номерам шасси)
|
Серия |
заказ |
Krupp |
Grusonwerk |
Rheinmetall-Borsig |
Daimler-Benz |
Henschel & Son |
MAN |
MIAG |
построено |
сроки |
примечания |
|
нулевая серия |
1932-1933гг. 15-20 шт. |
15-20 шт. |
|
|
|
|
|
|
10-15 шт. |
1933г. |
шасси |
|
1.Serie/La.S. |
1933г. 150 шт. |
135 шт. |
3 шт. |
3 шт. |
3 шт. |
3 шт. |
3 шт. |
|
150 шт. |
1934г. |
20 танков с корпусами Krupp, прочие – шасси. |
|
2.Serie/La.S. |
1934г. 1000 шт.
|
|
313 шт. |
110 шт. |
115 шт. |
150 шт. |
160 шт. |
|
848 шт. |
1934-1935гг. |
Танки Pz.I Ausf.A |
|
3.Serie/La.S. |
1935г. 150 шт. |
|
37 шт. |
20 шт. |
20 шт. |
35 шт. |
40 шт. |
|
152 шт. |
1935г. |
Танки Pz.I Ausf.A |
|
4.Serie/La.S. |
1935/36г. 175 шт. |
|
40 шт. |
30 шт. |
41 шт. |
64 шт. |
|
|
175 шт. |
1936г. |
Танки Pz.I Ausf.A |
|
5а.Serie/La.S. La.S.-May |
1936г. 325 шт. |
|
66 шт.
|
|
60 шт.
|
108 шт.
|
66 шт. |
|
300 шт. |
1936г. |
Танки Pz.I Ausf.В на 253 шасси. На 47 шасси командирские машины Pz Bef Wg I |
|
5b.Serie/La.S. La.S.-May |
120 шт. |
|
120 шт. |
|
|
|
|
|
120 шт. |
|
Schulfahrzeuge – учебные шасси |
|
6a.Serie/La.S. La.S.-May |
1936г. 146 шт. |
|
34 шт. |
|
30 шт. |
48 шт. |
34 шт. |
|
146 шт. |
1937г. |
Танки Pz.I Ausf.В
|
|
6b.Serie/La.S. La.S.-May |
60 шт. |
|
60 шт. |
|
|
|
|
|
60 шт. |
|
Schulfahrzeuge – учебные шасси |
|
7а.Serie/La.S. La.S.-May |
112 шт. |
|
|
|
44 шт. |
68 шт. |
|
|
112 шт. |
|
Командирские машины Pz Bef Wg I |
|
7b.Serie/La.S. La.S.-May |
40 шт. |
|
|
|
|
40 шт. |
|
|
40 шт. |
|
Schulfahrzeuge – учебные шасси |
|
7с.Serie/La.S. La.S.-May |
1937г. 52 шт. |
|
52 шт. |
|
|
|
|
|
52 шт. |
1937г. |
Танки Umsetz-Fahrzweuge – уровень Pz.I Ausf.В |
|
8b.Serie/La.S. La.S.-May |
75 шт. |
|
|
|
21 шт. |
37 шт. |
|
17 шт. |
75 шт. |
|
Schulfahrzeuge – учебные шасси |
|
8с.Serie/La.S. La.S.-May |
1937/38г. 95 шт.
|
|
9 шт. |
|
|
86 шт. |
|
|
95 шт. |
1938г. |
Танки Umsetz-Fahrzweuge – уровень Pz.I Ausf.В |
Таким образом, из вышеприведенной таблицы можно найти, что было произведено:
всего шасси La.S.-Krupp в шести сериях – 1335-1340 штук;
танков на шасси La.S.-Krupp (танки Pz.I Ausf.A) – 1195 штук (из них 20 с корпусами Krupp);
шасси La.S.-Krupp без корпусов, башен и вооружения – 140-145 штук;
годы производства шасси La.S.-Krupp 1933-1936;
годы производства танков Pz.I Ausf.A 1933-1936;
всего шасси La.S.-May в восьми сериях – 1000 штук;
танков на шасси La.S.-May (танки Pz.I Ausf.В) – 546 штук;
учебных шасси Schulfahrzeuge – 295 штук;
командирских танков Pz Bef Wg I – 159 штук;
годы производства шасси La.S.-May – 1936-1938гг.;
годы производства танков Pz.I Ausf.В – 1936-1938гг.
Однако следует признать, что из означенной таблицы не следует, какое количество учебных шасси Schulfahrzeuge впоследствии было доведено до уровня Pz.I Ausf.В.
⃰ Эксплуатация Pz.Kpfw.I в немецкой армии.
Прочие танки, начиная с октября 1935г., использовали для формирования материальной части первых трёх немецких танковых дивизий – по другой версии, три первые танковые дивизии были полностью укомплектованы танками Pz.Kpfw.I к 15 октября 1935 года.
Боевое крещение машины типа Pz.Kpfw.I получили в Испании. Из некоторых источников следует, что впервые в бой танки Pz I вступили 28 или 30 октября (по другим сведениям, 29 ноября) 1936г. на стороне франкистов, наступавших на Мадрид. Танки поддерживали огнём кавалерийские подразделения франкистов, когда попали под внезапный фланговый ружейно-пулемётный огонь республиканцев. Хотя стрельба не отличалась особой точностью, экипажи немецких танков, как будто, понесли потери. Указывают, что первый отчёт о боевом применении Pz.Kpfw.I Ausf.A появился 6 декабря 1936г. (документ, вроде бы, назывался «Опыт борьбы между немецкими пулемётными танками и русскими пушечными танками», но ничего конкретного в нем о противоборстве Pz.Kpfw.I и Т-26 не сообщается, возможно, «Опыт…» появился позже - не 6-го декабря 1936г.). Из отчета следует, что танкам пришлось повоевать против пехоты, которая вела по ним огонь из стрелкового вооружения, но потерь в танках не было. Пишут, что в период с 15 по 20 декабря 1936г. франкисты недосчитались десяти танков. Какие именно танки были потеряны франкистами в источниках не уточняется, но известно, что в это время один танк Pz I (серийный номер 10184, выпущен на заводе Henschel, относился к 3-й серии La.S) был захвачен республиканцами и в марте 1937г. оказался в СССР. (Рис.67)


Рис.67 – Захваченный республиканцами Pz I на автобронетанковом полигоне НИАБТ в подмосковной Кубинке. Вооружение и часть оборудования на машине отсутствует.
Бесспорным недостатком пулеметного танка Pz I являлась неспособность противостоять танку с пушкой – в Испании Pz I столкнулись как с советскими танками Т-26, так и с бронеавтомобилями, вооруженными действенными для того времени 45-мм пушками. Второй аспект – слабое бронирование. Немецкие конструкторы предполагали, что слабое бронирование (бронебойная пуля винтовочного калибра пробивала Pz.Kpfw.I на дистанциях 250 метров и ближе) танкисты смогут компенсировать высокой скоростью машины, но в ходе боёв выяснилось, что на высоких скоростях лёгкий танк сильно раскачивался, что снижало эффективность прицельного огня и обычного наблюдения. Отмечались случаи, когда вступившие в бой экипажи теряли ориентировку на местности и, попав под массированный обстрел, бросали свои машины. Выявилось также, что многочисленные приборы наблюдения, которые обеспечивали хороший обзор, в то же время являлись слабым местом с точки зрения защищенности. (Рис.68)
Рис.68 – Решето из приборов наблюдения.
Отмечались случаи попадания пуль и их фрагментов через смотровые приборы внутрь танков и ранения членов экипажей. Отчасти попадающие пули гасились стеклоблоками, но и те нередко оказывались бессильными против пуль калибра 6,5 мм. Пехота республиканцев стреляла по щелям смотровых приборов практически в упор, и стеклоблоки, рассчитанные лишь на попадания осколков, не выдерживали. Получали ранения экипажи танков и от других вторичных осколков. Стрельба по заклёпкам приводила к тому, что некоторые из них ломались, и заклёпка с внутренней стороны отлетала, нанося ранения - впрочем, такие случаи были очень редкими. Примерно те же проблемы, что и корпус, преследовали и башню. Огонь противника сосредотачивался на смотровых приборах и вооружении. Был зафиксирован случай попадания пули в щель между орудийной маской и башней, что привело к ранению командира танка в голову. Отверстие для прицела также являлось приоритетной целью для пехоты противника, были зафиксированы случаи выхода прицелов из строя. Велся огонь и по основанию башни, что приводило к её заклиниванию. За время боевых действий 23 танковых пулемёта были выведены из строя вражеским огнём. Ещё одним недостатком стал небольшой угол вертикальной наводки. В уличных боях это оказалось очень важно. (Рис.69)

Рис.69 - Pz.Kpfw.I Ausf.B в Испании, весна 1937 года.
Надо сказать, что попытки исправить некоторые недостатки конструкции танков Pz.Kpfw.I за счет усиления их вооружения предпринимали испанцы.
Летом 1937г. испанский полковник Хоакин Гарсия Палласар (Рис.70) сообщил испанскому Генеральному штабу о возможности установки итальянской 20-мм пушки Breda Modelo 1935на немецкий Panzer I.

Рис.70 - Хоакин Гарсия Палласар (Joaquín García Pallasar), 1877-1960гг.
Офицер артиллерии, близкий друг Франко.
Отвечал за производство военных материалов и мобилизацию гражданской промышленности.
В сентябре 1937г. появился вариант Pz I с 20-мм пушкой Breda - Pz I Breda 20/65. (Рис.71)

Рис.71 – Общий вид Pz I с 20-мм пушкой.
Для установки орудия пришлось изменить башню – появилась более массивная маска под орудие и дополнительные элементы на крыше, образующие своеобразную надстройку - второй ярус башни. Как будто, детали этой надстройки имели меньшую толщину брони, чем оригинальные детали толщиной 13 мм. Пишут также о некоем защитном экране, которой уменьшал проникновение пороховых газов внутрь танка. Масса машины, вероятно, 5,5 т.
Испанцам идея понравилась, были планы иметь в каждом взводе танков Pz I по одной машине с 20-мм пушкой, но против переделки воспротивились немцы. 8 января 1938г. командир немецкой танковой группы «Дроп» (Panzer-gruppe Drohne) фон Тома написал письмо с серьезной критикой продолжения переделки танков Pz I под пушку Breda. Его аргументы свелись к тому, что «порт прицеливания пушки» был «просто дырой» (- очевидно, речь идет о смотровой щели в башне, где устанавливался прицел). Фон Тома уведомил, что немецкие экипажи отказались даже садиться в машины, ибо считали их опасно незащищенными. Испанцы пробовали сопротивляться мнению фон Тома. Генерал Палласар, например, вопрошал у Генерального штаба, что лучше – лишиться единственного типа танка, способного поражать танки противника, или некоторые танкисты получат ранения. Была также предпринята попытка установить пуленепробиваемое стекло на злополучные порты прицеливания (современный испанский историк Лукас Молина Франко даже отыскал счет-фактуру, кажется, от 25 января 1938г. на «Пуленепробиваемое стекло для танков», общей стоимостью 4861,08 рейхсмарок). Но все испанские маневры оказались тщетны, немцы заявили, что у них нет свободных танков для конверсионной программы. Всего было получено 4 танка Pz I Breda – в некоторых источниках можно прочитать, что было построено 10 машин Pz I Breda 20/65. (Рис.72, Рис.73)



Рис.72 - Pz I Breda крупным планом.

Рис.73 - Строй франкистских танков, в первой шеренге Pz I и Panzer I Breda, вторую шеренгу составляют танки советского производства Т-26.
Panzer I Breda был не единственным вариантом переделки испанцами немецкого Pz I. 23 октября 1937 года, вскоре после испытания Panzer I Breda испанцы взялись изучать возможность установки на Pz I трофейных советских 45-мм пушек. Как пишут испанские исследователи: «эти испытания, похоже, не пошли намного дальше, чем концепции с возможностью некоторых проектных работ». (Рис.74)



Рис.74 – Фоторепортаж о проектных работах по установке советской 45-мм пушки на Pz I.
Другим подходом в вопросе усиления вооружения пулеметных танков, воюющих на стороне франкистов было установление огнеметов на танки.
Как будто, уже в октябре 1936г. на двух танках Panzer I были установлены огнеметы - немцы поставили в Испанию 18 огнеметов трех типов: 9 стандартных, 4 легких (известные как модели Flammenwerfer 35) и пять тяжелых «траншейных». Один - Panzer I Ausf A получил длинноствольный вариант огнемета Flammenwerfer 35 (Рис.75), а Panzer I Ausf В – короткоствольный вариант Flammenwerfer 35 (Рис.76) - Pz I Ausf В не мог быть переделан раньше декабря 1936г. – именно в это время в Испанию прибыли первые Pz I Ausf В.



Рис.75 - Panzer I Ausf A. ‘Lanzallamas’.

Рис.76 - Panzer I Ausf B. ‘Lanzallamas’.
Оба варианта огнеметного танка на базе Panzer I проходили испытания в 1936-1937гг. (Рис.77)

Рис.77 – Испытания огнеметного танка.
В ходе тестов выяснилось, что длинноствольный вариант имеет преимущества перед короткоствольным. Если огнемет имеет короткий ствол, то установленный рядом пулемет может быть поврежден пламенем, поэтому на Panzer I Ausf B. ‘Lanzallamas’ пулемет пришлось демонтировать, а пулеметный порт заварить. (Рис.78)

Рис.78 - Panzer I Ausf B. ‘Lanzallamas’, вид спереди, видно, что левый пулеметный порт заварен.
На огнеметном танке с длинным стволом огнемета - Panzer I Ausf A. ‘Lanzallamas’ – такой проблемы не возникало, следовательно, пулемет в качестве дополнительного вооружения можно было сохранить. (Рис.79)

Рис.79 - Panzer I Ausf A. ‘Lanzallamas’, кажется, что рядом с огнеметом торчит дуло пулемета.
Взято из книги «Солдаты фон Тома: сухопутные войска легиона Кондора в гражданской войне в Испании 1936–1939 годов» Лукаса Молина Франко, Хосе Мью Манрике Гарсиа и Рауля Ариаса Рамоса.
Однако это преимущество не спасло Panzer I Ausf A. ‘Lanzallamas’. Радиус действия огнемета Flammenwerfer 35 составлял всего 20-25 метров, что сочли недостаточным. Установить же более мощный огнемет можно было только, разместив бак для огнесмеси снаружи машины. Все эти обстоятельства привели к прекращению работ по преобразованию танков Panzer I в огнеметные.
В истории с проектом Panzer I ‘Lanzallamas’ следует отметить, что все работы по теме, скорее всего, вели специалисты немецкого Легиона Кондор и собственно испанское участие не просматривается, однако, поскольку Легион Кондор формально можно определить в качестве добровольческой части иностранцев в составе франкистских сил, получается, что проект Panzer I ‘Lanzallamas’ относится к испанскому танкостроению.
И все-таки немцы вновь вернулись к идее размещения на Pz.Kpfw.I огнемета. Пишут, что случилось это в 1941г., когда силами полевой мастерской Африканского корпуса на один танк вместо правого пулемета (опять правого) установили огнемет Flammenwerfer 40. Баллонов со сжатым воздухом и резервуара для огнесмеси хватало на 12-15 выстрелов. Максимальная дальность ведения огня – 25 м. Машина участвовала в ряде операций в мае 1941 года (в частности, в осаде Тобрука), однако в том же году танк был потерян.

Рис.80 – Ударная мощь «единички».


Рис.81 - Танки Pz.Kpfw.I.
Вверху - военный парад немецких войск в Берлине у Бранденбургских ворот.
Внизу – фюрер проезжает в автомобиле мимо строя танков и их экипажей сформированной танковой части.








Рис.82 – В строю и в бою.
Внизу довольно колоритная фотография, раскрывающая основную материальную часть вермахта в начале Второй мировой – конная повозка и пулеметный танк Pz.I.
К концу 1936г. доля танков Pz.I составляла примерно 80% - каждая танковая рота комплектовалась четырьмя Pz.I (Рис.83) и одним Pz.II, в дальнейшем доля Pz.I снижалась, но количественный пик был достигнут в 1938г. (Табл.3)






Рис.83 – В поле и на дороге.
Таблица 3 – Количество танков Pz.I в составе вермахта (данные на 1 января).
|
1936 год |
720 шт. |
|
1938 год |
1469 шт. |
|
1939 год |
1445 шт. |
|
1940 год |
1305 шт. |
|
1941 год |
1079 шт. |
|
1942 год |
723 шт. |
Во время аншлюса Австрии за двое суток марша 12 и 13 марта 1938г. подразделения 2-й тд (в ходе марша преодолели 700 км, из них 480 км за первый день) потеряла по техническим причинам 38% танков Pz.Kpfw.I. В основном, у танков выходили из строя трансмиссия и ходовая часть, кроме того, свою низкую износостойкость продемонстрировали гусеницы машин.
13 марта 1939г. в 08:20 передовые Pz.Kpfw.I и Pz.Kpfw.II 5-го танкового полка вошли в Прагу, а во второй половине того же дня по чешской столице прошла техника 6-го полка.
К началу операции против Польши (“Weiss”) на вооружении вермахта находилось 1445 Pz.Kpfw.I, что составляло 46,4% от общего количества танков Panzerwaffe. По другим сведениям, в сентябре 1939 года из 2553 танков, которые были задействованы в войне против Польши, 973 штуки, или 38 процентов, являлись Pz.Kpfw.I.
Готовясь к вторжению в Польшу, немцы позаботились о мерах для экономии ресурса танков типа Pz.Kpfw.I. Чтобы не расходовать дорогой моторесурс машин, которые, к тому же, имели привычку довольно часто ломаться, Шестой Департамент разместил заказы на выпуск тяжёлых грузовиков грузоподъёмностью 8,8-9,5 т, предназначенных для перевозки Pz.Kpfw.I. Наиболее массовыми из них оказались Bussing-NAG моделей 900 и 900А, а также Faun L900D567. Позже для этих целей вермахт начал использовать трофейные машины чешского (Skoda 6VTP6-T, Skoda 6К и Tatra Т81) и французского (Laffli S45TL, Bernard и Willeme) производства.
Для транспортировки бронетехники немецкая промышленность также выпустила специальные прицепы Sd.Anh.115 и Sd.Anh.116 (сокращённо от Sonder Anhanger – «специальный прицеп») грузоподъёмностью соответственно 8 и 22 т. Для их буксировки могли использоваться тяжёлые колёсные тягачи Hanomag SS100 или полугусеничные 18-тонные Sd.Kfz.9, хотя фактически прицеп мог буксировать любой тягач грузоподъёмностью более пяти тонн. (Рис.84)

Рис.84 - Pz.Kpfw.I Ausf.В в кузове грузовика Faun L900D567. Второй танк грузовик буксирует на специальном прицепе.
Если же танки выходили из строя по каким-либо причинам их ремонт был организован сразу на нескольких предприятиях. До 1939 года этим занимались только предприятия немецких фирм, а после полной оккупации Чехии к ним добавился завод Ceskomorawska-Kolben-Danek (ČKD), который в скором времени был переименован в Bohemische-Mahrische Maschinenfabrik (BMM).
В течение польской кампании вермахт потерял 320 танков Pz.Kpfw.I, из которых 89 не подлежали восстановлению. (Рис.85)



Рис.85 - Танки Pz.Kpfw.I Ausf.B, Польша, сентябрь 1939 года.
Такие результаты свидетельствовали, как о невысокой технической надежности единичек, так и о малой их боевой эффективности в борьбе с противником, имевшем приличное количество противотанковых орудий.
К вторжению в скандинавские страны в марте 1940 года на полигоне в Путлосе сформировали и подготовили специальное танковое подразделение – Континентальный танковый батальон особого назначения №40 (Pz.Abt.z.B.v.40). По состоянию на 9 апреля 1940 года, батальон располагал 42-мя танками Pz.Kpfw.I. В Дании танки не воевали - Датское королевство практически сразу же капитулировало. (Рис.86)

Рис.86 - Датские дети играют на Pz.Kpfw.I Ausf.В, попавшим в ДТП.
В Норвегии танки участвовали в серьезных боях (Рис.87), по некоторым подсчетам к концу операции в строю оставалось 14 машин Pz.I.

Рис.87 - Немецкие солдаты передвигаются
вслед за танком Pz.Kpfw.I. Норвегия, апрель-май 1940 года.
Источник – nationaalarchief.nl
Перед вторжением в страны БеНиЛюкса и Францию (10 мая 1940г.). Вермахт располагал 3305 танками всех типов, из которых 38,6% (1276 машин) приходилось на Pz.Kpfw.I. Однако на западной границе немецкое командование сконцентрировало только 523 или 554 Pz.Kpfw.I (41% от их общего количества), поэтому среди 2574 (по другим данным – 2597) готовых к вторжению танков удельный вес «единичек» составлял всего 20,1%. Наибольшим количеством Pz.Kpfw.I (по 106 машин) располагали 3-я и 4-я ТД. В остальных дивизиях их количество варьировало от 35 до 85 штук.
В первую декаду боёв (с 10 по 20 мая) немецкая армия потеряла выведенными из строя 41 танк Pz.Kpfw.I, в то же время приводится, что только в сражении у Намюра 12-13 мая 3-я и 4-я ТД вермахта потеряли 64 Pz.Kpfw.I, большую часть которых вывела из строя французская полевая артиллерия. В битве у Дюнкерка, которая продолжалась с 21 по 31 мая, из строя выбыла ещё 101 единица Pz.Kpfw.I. Всего за Французскую кампанию общие потери среди Pz.Kpfw.I составили от 32,8 до 34,8% от участвовавших в наступлении машин. По другим сведениям, в ходе кампании на Западе было потеряно безвозвратно 182 танка Pz.Kpfw.I. (Рис.88)

Рис.88 - Pz.Kpfw.I Ausf.B на параде в Париже, август 1942 года.
Довелось машинам типа Pz.Kpfw.I повоевать и в Африке. В марте 1941г. 124 танка Pz.I выгрузились в Африке в составе экспедиционного корпуса Роммеля. По другим данным, в Африку отправили 66 штук Pz.Kpfw.I, из них 11 шт. в модификации Ausf.B. Несмотря на жёсткие условия пустыни, эти уже порядком изношенные машины смогли «продержаться» до ноября 1941 года, когда последние из них были потеряны в боях против союзников. (Рис.89)

Рис.89 - Подбитый немецкий танк Pz.Kpfw.I из состава Африканского корпуса.
В марте-апреле 1941г. незначительное количество танков Pz.Kpfw.I приняли участие в разгроме Югославии, безвозвратных потерь в танках не было.
К 22 июня 1941 года на Восточном фронте вермахт располагал 410-ю боеспособными Pz.Kpfw.I, из которых 79 находились в частях первой линии. Еще 245 танков находились в ремонте или переоборудовании. В литературе приводятся и другие сведения относительно количества танков Pz.Kpfw.I, нацеленных на СССР в 1941г. Пишут, что танки модификации Ausf.A на Восточный фронт вообще не попали, а 22 июня 1941 года в войсках вторжения имелось 337 штук Pz.I Ausf.B.
По состоянию на сентябрь 1941 года общие потери Panzerwaffe насчитывали 1734 танка, из которых 358 (20,6%) пришлось на «единички». По другой информации, к концу августа 1941г. к безвозвратным потерям было отнесено 172 танка Pz.I. (Рис.90, Рис.91)

Рис.90 - Наступающие немецкие войска и танк Pz.Kpfw.I. Восточный фронт, лето 1941 года.

Рис.91 – Где-то в России.
К исходу 1941 года количество уничтоженных Pz.Kpfw.I возросло до 428 единиц, при этом наибольший удельный вес имели безвозвратные потери.
Уже, начиная с 1941г., Pz.I пытались использовать преимущественно в качестве эвакуационных тягачей. (Рис.92)


Рис.92 – Вверху разоруженный Pz.I, очевидно, в роли эвакуатора, внизу в качестве аэродромного тягача.
В течение 1942 года вермахт потерял ещё 92 Pz.Kpfw.I, после чего уцелевшие танки вывели из состава боевых частей. В дальнейшем эти танки использовались лишь для выполнения полицейских функций (прежде всего, для борьбы с партизанами). С уцелевших единичек снимались башни, которые использовали при обустройстве различных оборонительных сооружений. В общей сложности образовалось 623 башни от танков Pz.I, причем 363 башни имели по одному пулемету, а 260 башен – два пулемета. Из 363 одно-пулеметных башен 97 находилось в Дании, 143 – на Атлантическом валу, 91 – в Италии и 32 на Восточном фронте. Из 260 двух-пулемётных башен 20 установили в Дании, 3 – на Атлантическом валу и 237 – на Восточном фронте.
⃰ Иностранные операторы Pz.Kpfw.I.
С октября 1936г. по январь 1939г. немцы ввозили танки типа Pz.Kpfw.I в Испанию. В общей сложности немцы поставили в Испанию 123 машины типа Pz.Kpfw.I. (Табл.4)
Таблица 4 – Поступление немецких танков Pz.I в Испанию.
|
дата поступления очередной партии |
количество в партии |
|
октябрь 1936г. |
32 шт. |
|
декабрь 1936г. |
21 шт. |
|
август 1937г. |
30 шт. |
|
конец 1937г. |
10 шт. |
|
январь 1939г. |
30 шт. |
От этого количество 4 машины были в командирском варианте. Из 119 линейных танков машин обеих модификаций оказалось приблизительно поровну, возможно: 60 на 59. (Рис.93)

Рис.93 – Строй Pz.I Ausf.B в Испании.
Из некоторых источников следует, что испанцы оплатили доставленные немецкие машины – т.е. фактически речь идет об их покупке. Указывается стоимость сделки – 22,5 млн. песет.
Первые 53 танка предназначались для танковой части Panzer-gruppe Drohne немецкого добровольческого формирования Legion Condor. Говорят, первоначально немцы планировали ограничиться подготовкой испанских экипажей, но быстро стало ясно, что из испанцев трудно подготовить танкистов. Только с августа 1937г. начался процесс преобразования немецкой танковой группы "Drohne" в испанскую танковую часть. В октябре 1937г. был образован 1-й танковый батальон Испанского иностранного легиона - Bandera de Carros de Combate de la Legion, сокращенно Carros de Combate de la Legión. На его вооружение поступили, как танки от Panzer-gruppe Drohne, так и поступившие из Германии в 1937-1939гг. машины – еще 70 штук Pz.Kpfw.I.
Роты Bandera de Carros de Combate de la Legion участвовали в боях под Теруэлем и Брунете, в Басконии, в битве на реке Эбро и операциях в Каталонии. (Рис.94)

Рис.94 – Испанские Pz I на параде в Мадриде 19 мая 1939г.
Встречаются сведения, что иногда трофейные танки Pz I использовали и республиканцы, например, в 1937г. на участке Центрального фронта.
Танки Pz I (возможно, около 100 шт.) находились на вооружении испанцев, по крайней мере, до 1943г.
В Испании с «единичками» познакомились и советские – выше подробно описывались испытания серийного танка Pz.Kpfw.I Ausf.А в 1937-1938гг. Согласно ведомости НИАБТ Полигона от 1.04.1941 года, «Т-1 Германский» с серийным номером 10184 и двигателем №9057 был не на ходу, но по внешнему виду технически исправен». Было принято решение поставить его в музей при полигоне. После начала войны танк попал в справочник по немецкой бронетанковой технике, подготовленный полигоном к 11 сентября 1941 года. Дальше следы прибывшего из-под Мадрида трофейного танка теряются.
Во время ВОВ танки Pz I неоднократно становились трофеями РККА, но информации об их использовании в боях с немцами нет.

Рис.95 - Японские солдаты позируют на трофейном гоминьдановском танке Pz.Kpfw.I Ausf.A.
По некоторым сведениям, это фото датируется 1941 годом, значит, немецкие танки эксплуатировались в китайской армии, как минимум, до 1941г.
В 1937г. танки типа Pz.Kpfw.I приняли участие в конкурсе Magyar Királyi Honvédség (Королевкая венгерская армия), которая вознамерилась закупить 110 танков. Пулеметная машина практически не имела шансов даже против не очень мощного шведского L-60. Однако пишут, что венгры прикупили-таки один Pz.Kpfw.I Ausf.B за 32.950 рейхсмарок.
Шасси Pz.I были использованы для строительства разнообразных боевых и инженерных машин.
Ещё в марте 1934 года был поднят вопрос о создании командирского танка на базе 2.Serie/La.S., поскольку линейные машины имели только радиоприемники. Машина, получившая обозначение leichte (Funk) Panzerwagen, отличалась от линейного танка тем, что вместо башни у неё появилась неподвижная рубка, внутри которой располагалось необходимое радиооборудование. Всего таких машин было изготовлено 18 штук. (Рис.96)



Рис.96 - leichte (Funk) Panzerwagen из 3-го танкового полка.
Население деревни Вюнсдорф восторженно встречает подразделение 3-го танкового полка, прибывшее к новому месту дислокации. 20 октября 1935г.
Опыт эксплуатации leichte (Funk) Panzerwagen показал, что нужна специализированная машина связи или командирская машина на базе Pz.I. Разговоры о новой партии командирских машин на базе La.S. начали вестись осенью 1935 года. 29 ноября в ходе обсуждения комплектования танковых войск матчастью было принято решение о заказе 72 командирских танков. В кратчайшие сроки фирма Daimler-Benz подготовила проект. С танка Pz.I убрали башню и появилась высокая неподвижная рубка по всему периметру подбашенной коробки (толщина брони на первой модификации 13 мм или 14,5 мм, потом ее довели до 19 мм). Благодаря увеличившемуся внутреннему объёму условия работы экипажа из трех человек заметно улучшились. В крыше рубки и в левом борту были оборудованы большие двухстворчатые люки. Радиооборудование включало в себя передатчик Fu 2 (EU), а также блок приёма/передачи Fu 6. Устойчивая голосовая радиосвязь обеспечивалась на дистанциях до 4–6 километров. Машина получила обозначение Kleiner Panzerbefehlswagen (малый командирский танк) и сквозной индекс Sd.Kfz.265. Известно также название Kleiner Panzer Befehlswagen I (KIPzBfwg I или Pz Bef Wg I). 25 машин типа Pz Bef Wg I строились на шасси Ausf.A, получили сокращённое обозначение 1 Kl.A. Еще 47 строились на шасси La.S.-May (Ausf.В).
Первоначально вооружать машину не планировали (для обороны танкисты могли использовать только личное оружие) (Рис.97), однако затем посчитали правильным монтировать в лобовой бронедетали рубки в шаровой установке 7,92-мм пулемёт MG34.



Рис.97 – Вариант Pz Bef Wg I без вооружения.
Внизу Kleiner Panzerbefehlswagen серии 7a.Serie/La.S.
Вооруженные варианты отличались башенкой на рубке, толщиной бронирования рубки и типами антенн. Существовали башенки двух модификаций, отличавшиеся друг от друга створками люков, а также козырьками над смотровыми щелями. В конце концов все командирские танки получили такие башенки. (Рис.98)



Рис.98 - Pz Bef Wg I с вооружением и башенкой.
Вверху - Kleiner Panzerbefehlswagen с командирской башенкой первого типа.

Рис.99 – На данной модели Pz Bef Wg I показаны сразу разные типы антенн.


Рис.100 – Модель Pz Bef Wg I в финальной стадии.
Pz Bef Wg I пытались использовать не только в качестве командно-штабной машины, но и в качестве машины управления радио-машиной разминирования Sd.Kfz. 300 Borgward BI Minenräumwagen – во всяком, случае опыты такие проводились. (Рис.100а)

Рис.100а – Pz Bef Wg I управляет радио-машиной разминирования Sd.Kfz. 300 Borgward BI Minenräumwagen.
Как указывалось выше, 25 машин типа Pz Bef Wg I строились на шасси Ausf.A, получили сокращённое обозначение 1 Kl.A – вероятно, это машины без вооружения с толщиной брони рубки 13 мм или 14,5 мм. Некоторые авторы указывают, что в 1935г. таких машин было получено 6 штук.
В отношении производства Pz Bef Wg I на шасси Ausf.В известно больше. 47 командирских машин модификации 2 Kl.B были объединены в серию 5а (5a.Serie/La.S.) – заказывали 72 штуки. Одну машину с серийным номером 12521 изготовили на Henschel. Grusonwerk досталась примерно треть от объёма выпуска – машины с номерами 14507–14510, 14515–14517, 14519, 14520, 14522–14528, всего 16 штук. На Daimler-Benz собрали 30 Kleiner Panzerbefehlswagen с серийными номерами 10478–1497, 10506–10512, 10514, 10518, 10522. Кроме того, именно Daimler-Benz отвечала за изготовление рубок, которые отправлялись другим изготовителям. Затем последовал заказ на 112 командирских машин модификации 3 Kl.B серии 7а (7a.Serie/La.S.). На сей раз Grusonwerk не участвовала в сборке. Daimler-Benz выпустила 44 танка с серийными номерами 15001–15044. На Henschel собрали 68 машин с номерами 15101–15168. Окончательно сборка Kleiner Panzerbefehlswagen завершилась к концу 1937 года. По другим сведениям, Pz Bef Wg I выпускались до 1940г.
Командирские машины (машины связи) на базе Pz.Kpfw.I активно применялись с 1938г. по весну 1942 года. (Рис.101)




Рис.101 – Командирские машины (машины связи) на базе Pz.Kpfw.I.
Вверху кадры кинохроники – преодоление водной преграды в Польше, 1939г.
Внизу - подбитые на Восточном фронте машины KIPzBfwg I, возможно, это фото одной и той же машины из состава3-й ТД.
Базу Pz Bef Wg I под САУ пытались приспособить советские. В феврале 1942г. на машиностроительный завод опытных конструкций при Всесоюзном институте механизации сельского хозяйства (МЗОК ВИМ), занимавшийся ремонтом трофейной техники, поступили три командирские машины KIPzBfwg I (на шасси Pz.l Ausf.B), которые по советским документам проходили как «немецкие пулемётные радиотанки без башни». Поскольку использовать их в качестве радиотанков казалось невозможно (- почему, неясно), на заводе объявили конкурс, главной задачей которого было оснащение трофейных машин артиллерийскими орудиями отечественного производства. На тот момент завод располагал примерно 40 пушками ТНШ-20 и ШВАК калибра 20 мм, а также пятью 45-мм пушками 20К. победителем конкурса был признан проект инженера И.Беликова (или Белякова, в документах неразборчиво), который предложил снять с бронемашин радиооборудование и смонтировать в лобовой части надстройки шаровую установку с 20-мм пушкой ШВАК. Первая такая машина была готова уже в марте. В ее лобовой броне прорезали увеличенную амбразуру, куда на болтах монтировалась литая маска пушки, а в маске находился «грушевидный вкладыш» с пушкой, дополненной упрощенным спусковым механизмом с рукояткой и плечевым упором. После недолгих испытаний орудийную установку дополнили винтовым стопором, после чего пушками оснастили ещё две бронемашины. Одна из них осталась на заводе, а остальные отправились на фронт. Боевая карьера двух переделанных под САУ машин неизвестна.
Проектированием и строительством САУ на базе Pz.Kpfw.I занимались и в Германии. Работы в этом направлении начались ещё в 1939 году, когда специалистами фирмы Alkett (Altmarkische Kettenfabrik GmbH, находилась в пригороде Берлина) было предложено три варианта САУ на шасси Pz.Kpfw.I: противотанковая САУ, оснащенная 37-мм пушкой PaK 35/36; зенитная САУ оснащенная 20-мм автоматической пушкой FlaK 30; САУ огневой поддержки оснащенная 75-мм короткоствольным полевым орудием leG 18.
Первым 29-го января 1940г. был получен прототип САУ огневой поддержки, но не с 75-мм орудием leG 18, а со 150-мм орудием sIG 33 (Рис.102).

Основной задачей sIG 33 являлась борьба с вражескими укреплениями.
По некоторым характеристикам оно близко к минометам.
На первых двух прототипах на месте демонтированных подбашеной коробки и башни закреплялась 150-мм гаубица sIG 30 вместе с лафетом и колесами. Ширина колеи sIG 33 была такова, что закатывалась по крыльям машины, на которые для компенсации массы орудия приваривали специальные усилители, к которым и крепились колеса орудия. (Рис.103)

Рис.103 – Один из первых прототипов САУ 15 см sIG 33 auf Pz.Kpfw.I Ausf.В.
В дальнейшем появилась П-образная надстройка с крышей, куда устанавливали модифицированный вариант того же 150-мм орудия. Открытая трёхсторонняя рубка собиралась из 10-мм бронелистов. Силуэт машины увеличился до 3350 мм в высоту, а масса машины выросла до 8,5 т, что не могло не сказаться на её подвижности и проходимости. (Рис.104)

Рис.104 - 15 см sIG 33 auf Pz.Kpfw.I Ausf.В, проекции.
Сектор наведения орудия по горизонту составил 25°, углы вертикального наведения варьировались в пределах от -4° до +75°. Для орудия использовался стандартный телескопический прицел Rblf36 с 2-х кратным увеличением. Начальная скорость фугасного снаряда массой 38 кг не превышала 240 м/с. Воздействие его на открытой площади и по полевым укреплениям было очень высоко. Возимый боекомплект составлял всего 3 выстрела (!) - согласно другим источникам, только 2 выстрела, еще 6 зарядов возил внешний транспортер на базе полугусеничного тягача Sd.Kfz.10.
Орудие имело раздельно-гильзовое заряжание – скорострельность составляла также 3 выстрела в минуту – другими словами, боекомплект расходовался моментально. Экипаж машины состоял из четырех человек: командир, который к тому же был и наводчиком, два заряжающих и водитель (в некоторых источниках указывают, что экипаж САУ состоял из 7 чел., из них трое ездили на транспортере Sd.Kfz.10). На самоходке устанавливался штатный 6-цилиндровый двигатель Maybach NL38TR мощностью 100 л.с. при 3000 об/мин. В системе запуска двигателя использовалось два карбюратора Solex JFF II. Двигатель работал на бензине с октановым числом 74. Топливо хранилось в двух топливных баках объёмом 146 литров, а расход на 100 км пути по дороге с твердым покрытием составлял 125 литров. Трансмиссия была механической и включала 6-скоростную коробкой передач (5 скоростей вперед и 1 назад) типа ZF Aphon FG31, карданный вал, фрикционы и ленточные тормоза.
Несмотря на ярко выраженные недостатки (перегруженность шасси, высокая центровка, недостаточная проходимость по местности, скудный боекомплект), 15cm sIG33(Sf) auf Pz.Kpfw.I Ausf.B пошла в серию. (Рис.105)



Рис.105 – Серийные 15 см sIG 33 auf Pz.Kpfw.I Ausf.В.
С января по февраль 1940 года фирма Alkett выпустила 38 таких САУ.
Специально под новые самоходные установки был создан новый тип подразделения – рота (батарея) моторизованных тяжелых пехотных орудий (s.IG.Kp(Mot.S) - schwere Infanteriegeschutz-Kompanie). Согласно штату, в каждую роту попало по 6 самоходных установок. К управлению роты прилагалось четыре машины повышенной проходимости (как правило, это были Sd.kfz.15). Батарея делилась на три взвода. Каждый взвод (Kompanietrupp), имел по четыре тягача типа Sd.Kfz.10 и два мотоцикла для связи.
За весну 1940 году было сформировано 6 таких рот: 701-706. Перед вторжением во Францию роты самоходок распределили между пехотными бригадами танковых дивизий: 701-я рота – 9-й танковая дивизия, 702-я рота – 1-я танковая дивизии, 703-я рота – 2-я танковая дивизия, 704-я рота – 5-я танковая дивизия, 705-я рота – 7-я танковая дивизия, 706-я рота – 10-я танковая дивизия.
САУ 15 см sIG 33 auf Pz.Kpfw.I Ausf.В приняли боевое крещение во Франции в 1940г. Результаты боевого применения оказались противоречивыми. С одной стороны, огневая мощь орудия была впечатляющей. Попаданием одного снаряды можно было разрушить дом. С другой стороны, недостатков у этой машины оказалось немало. Большие габариты делали 15 cm sIG 33 (mot S) auf Pz.Kpfw.I Ausf.B хорошей мишенью. (Рис.106)

Рис.106 – Во Франции, июнь 1940г.
За время французской кампании роты тяжелых самоходных орудий на базе Pz.Kpfw.I понесли большие потери не в бою, а на маршах. Чаще всего выходили из строя опорные катки и элементы трансмиссии – результат перегруза конструкции. Например, 22 мая 1940г. командование 703-й роты доложило, что в боеспособном состоянии осталась только одна самоходка, а остальные требуют ремонта ходовой части. За всю кампанию, по боевым причинам, было безвозвратно потеряно только две САУ 15cm sIG33(Sf) auf Pz.Kpfw.I Ausf.B. Одна из них, под названием “Alter Fritz”, принадлежала 703-й роте. Находясь на переднем краю фронта, она была замечена наблюдателями противника и уничтожена артиллерийским огнем. (Рис.107)

Рис.107 – Уничтоженная 105-мм САУ.
В течение 1941 года САУ 15cm sIG33(Sf) auf Pz.Kpfw.I Ausf.B использовались в Югославиии и Греции, куда направляли 2-ю, 5-ю и 9-ю танковые дивизии (701-я, 703-я и 704-я роты). В этих операциях САУ потерь не имели.
В 1941 году, перед нападением Германии на СССР, боекомплекты sIG 33 дополнили бронебойными боеприпасами, а с осени того же года – кумулятивными Gr.39 Н1/А массой 25 кг, способными прожечь 160-мм броню с дистанции 100 м, за счет чего машины успешно применялись на Восточном фронте.
Летом 1941 года на Восточный фронт прибыли 705-я и 706-я роты тяжёлых пехотных орудий. (Рис.108)


Очевидно, пересекая Днепр.

Рис.108 – САУ 15cm sIG33(Sf) auf Pz.Kpfw.I Ausf.B на Восточном фронте.
Внизу - из состава 5-й ТД вермахта на огневой позиции в Подмосковье.
Одно самоходное орудие было захвачено советскими войсками осенью 1941 года. (Рис.109)

Летом 1942г. для участия в операции “Fall Blau” привлекли и 701-ю роту. (Рис.110)


Рис.110 – Лето 1942г., Восточный фронт.
Спустя полгода количество 15cm sIG33(Sf) auf Pz.Kpfw.I Ausf.B сильно сократилось. По некоторым данным, последняя самоходка такого типа использовалась в составе 704-й роте тяжёлых пехотных орудий, принадлежавшей 5-й танковой дивизии осенью 1943 года. Встречается и такая информация о финале боевой карьеры САУ 15cm sIG33(Sf) auf Pz.Kpfw.I Ausf.B: «Хуже всего пришлось 706-й батарее, которую пришлось расформировать к началу 1942 года. Немногим дольше просуществовала 705-я батарея – ее не стало в мае 1942 года. Другие батареи воевали значительно дольше: 702-я батарея была расформирована в декабре 1942 года, а остальные – в июле 1943 года. По состоянию на конец этого месяца в 5-й танковой дивизии все еще имелась одна самоходная установка 15 cm sIG 33 (mot S) auf Pz.Kpfw.I Ausf.B» (Ю. Пашалок «Малые, да удалые», https://warsport.ru/9376-malye-da-udalye).
Некоторые указывают, что осенью 1943г. сохранившиеся 150-мм САУ на Pz.I Ausf.B вывели в резерв. (Рис.111)

Рис.111 – Советские тащат трофейную САУ15 cm sIG 33 (mot S) auf Pz.Kpfw.I Ausf.B, зима 1942г.

Рис.112 - 47-мм пушки PUV vz.36 на вооружении немецкой армии, 1941 год.
Самоходка строилась на шасси Pz.I Ausf.B. На машине демонтировалась башня, на ее месте устанавливалось 47-мм орудие за 12-мм рубкой – на поздних модификациях толщина рубки увеличилась до 14,5 мм. Орудие получило сектор наведения в пределах 34° по горизонту, и от -8° до +12° в вертикальной плоскости. Боекомплект 47-мм ПТ САУ составлял 68 снарядов (указывают и 86 или 84 выстрела, из которых 74 бронебойных). Причем имелись и бронебойные и осколочно-фугасные снаряды. Экипаж САУ состоял из трёх человек. Масса 6,4 т. Машина оборудовалась штатной радиостанцией Fu 2 или Fu 5. На САУ устанавливался 6-цилиндровый бензиновый двигатель Maybach NR38TR мощностью 100 л.с. и рабочим объёмом 3791 см.куб. Ёмкости двух бензобаков на 146 литров хватало на 140 км движения по твердому грунту или на 95 км по местности. Трансмиссия состояла из карданной передачи двухдискового главного фрикциона сухого трения, коробки передач, механизма поворота, бортовых фрикционов, передач и тормозов.
В вермахте самоходка получила официальное обозначение 4.7cm Pak(t) Sfl auf Pz.Kpfw.I Ausf.B. Есть его альтернативный вариант — Selbstfahrlafette mit 4,7-cm-Pak(t) auf Fahrgestell des Panzer I и армейский «сквозной» индекс Sd.Kfz.101 ohne Turm. Пишут и так: 4,7 cm Pak (t) (Sfl) auf Pz.Kpfw.I (Sd.Kfz.101) ohne Turm, то есть «47-мм самоходная противотанковая пушка на Pz.Kpfw.I Ausf.B без башни». Сейчас эта боевая машина более известна как Panzerjager I.
Первый прототип противотанкового самоходного орудия на шасси Pz.I фирма Alkett построила в январе 1940г. – по другим источникам опытный образец, который лично осмотрел Гитлер, был готов к 10 февраля 1940 года. Приказ о принятии на вооружение САУ Panzerjager I последовал 3 марта 1940г. (Рис.113)





Рис.113 - Panzerjäger I.
Производство Panzerjäger I было организованно на Alkett – по другим сведениям, шасси поставила фирма Daimler-Benz, которая проводила их капитальный ремонт, в то время как окончательная сборка проводилась на предприятии Alkett. По планам, 40 машин переделывалось из Pz.Kpfw.I Ausf.B в марте 1940 года, еще 60 – в апреле и 30 – в мае. К выпуску был причастен концерн Krupp, на который возложили задачу по изготовлению 60 рубок. В переписке Krupp эти машины обозначались как La.S.47. Еще 72 рубки выпустили на заводе Deutsche Edelstahlwerke AG (DEW) в Ганновере. В процессе принял участие завод Škoda, который выполнял заказ на изготовление орудий для истребителя танков.
Обычно указывают, что к июню 1940г. в армию поступило 120 САУ и ещё 12 числились в резерве. Однако некоторые источники предлагают более детальную информацию на счет производства и поступления САУ это типа в эксплуатацию (все тот же Ю.Пашалок). Škoda сорвала план по выпуску пушек. Предпоследний Panzerjäger I удалось сдать в сентябре 1940 года, а последний - в июле 1941 года. Согласно планам Управления вооружений от 20 марта 1940 года, 132 Panzerjäger I предполагалось распределить следующим образом. По одной машине отправлялось в управления Wa.Prüf 1 и Wa.Prüf 4, отвечавшие, соответственно, за боеприпасы и артиллерию. 36 машин к 1 апреля уходило на комплектование шести батарей для двух батальонов истребителей танков. Затем 54 САУ к 1 мая предполагалось отправить на комплектование трех других батальонов, а к 1 июня в войска должны были уйти еще 36 машин. 6 самоходных установок оставались в резерве. На деле по шесть машин в каждую из трех батарей получил только 521-й батальон истребителей танков. Он был переформирован ко 2 апреля 1940 года из подразделения, вооруженного буксируемыми противотанковыми пушками. Остальные батальоны имели другую структуру. 616-й, 634-й и 670-й батальоны получили по три батареи с девятью самоходными установками в каждой. К 31 мая стал формироваться еще один батальон с 18 машинами, одна самоходная установка оказывалась в резерве.
В кампании мая-июня 1940 года Panzerjäger I проявили себя хорошо. Самоходная установка Panzerjäger I оказалась эффективным средством борьбы с французскими танками и огневыми точками. Поломки преследовали ее не столь часто, как это происходило с 15 cm sIG 33 (mot S) auf Pz.Kpfw.I Ausf.B – видимо, из-за отсутствия перегруза. Низкий профиль машины позволял надежно ее маскировать. (Рис.114)


Рис.114 – Боевые эпизоды.
Но были и нарекания. Экипажи (Рис.115) жаловались на плохую обзорность и тесное боевое отделение.

Рис.115 – Экипаж САУ. Интересно, что у самоходчиков командир носил пехотную форму, а два члена экипажа – танковую. Видимо, это отчасти отражает отношение к САУ – ни вашим, ни нашим.
Состав боекомплекта был признан неудачным, предлагалось увеличить долю осколочно-фугасных снарядов до 50%. Недостаточным признавалось бронирование самоходной установки.
19 сентября 1940 года с Krupp был заключен контракт на изготовление партии из 70 рубок для Schutzshcilden fuer LaS-47. Машины второй серии отличались формой рубки, которая получила дополнительные бортовые листы. (Рис.116)

Рис.116 - Panzerjager I второй серии.
На этот раз основным производством 47-мм САУ занималось предприятие Klekner-Humboldt-Deutche AG, где было собрано 60 машин. Остальные 10 выпустила фирма Alkett. По месяцам поставки Panzerjager I второй партии распределились следующим образом: декабрь – 10, январь – 30, февраль – 30.
Изготовленные установки пошли на оснащение 529-го и 605-го батальонов, по 27 штук в каждый. Еще одним получателем стала дивизия СС «Лейбштандарт», для которой была выделена батарея из девяти Panzerjäger I. Оставшиеся машины попали в 900-ю учебную бригаду. (Рис.117)





Рис.117 - Panzerjäger I. Внизу - современный вид и модель.
В ходе вторжения во Францию и страны Бенилюкса в составе ударной группировки немецких войск находилось всего четыре истребительно-противотанковых батальона типа Pz.Abt.(mos T). Один из них был придан группе Клейста и участвовал в боевых действиях с 10 мая 1940 г. Три других, с номерами 616, 643 и 670, вводились в бои по мере достижения боевой готовности. Как утверждалось в донесении 18-й пехотной дивизии, самоходки Panzerjager I проявили себя с хорошей стороны, уничтожив несколько танков противника и разрушая строения в населенных пунктах «производя деморализующее действие на противника». С французскими танками, толщина бронирования которых не превышала 30 мм, пушка А5 справлялась на дистанциях 500, максимум – 600, метров. При ведении стрельбы по ходовой части танков или при обстреле амбразур ДОТов положительного эффекта удавалось достичь на дистанциях до 1000 метров. Столкновения же с французскими и английскими тяжелобронированными танками в мае-июне 1940 года показали, что наклонная броня толщиной более 30 мм с трудом пробивается бронебойными снарядами на дистанциях более 500 метров. Открылись и другие неприятные стороны. Сразу же выяснилось, что машины не могут держать постоянную скорость движения выше 30 км/ч из-за низкой надежности шасси. Примерно каждые 20 км (т.е. полчаса) приходилось останавливаться, проводить осмотр техники и при необходимости проводить текущий ремонт или менять смазку. В дальнейшем разовый пробег удалось увеличить до 30 км, но при отсутствии сменных водителей, по холмистой местности удавалось пройти только 120 км в сутки. При наличии хороших дорог этот показатель составил 150 км. Также в качестве недостатков отмечался плохой обзор, стесненность работы в боевом отделении, большую высоту машины и недостаточную защищенность экипажа САУ. Особо указывалось, что часто практикуемое командирами самоходок выглядывание за край щита грозит фатальными последствиями. Бронирование было признано крайне слабым. Лобовые бронелисты свободно пробивались не только 25-мм французскими ПТО, но и пулями винтовочного калибра!
На завершающем этапе кампании противотанковые самоходки неплохо показали себя при отражении танковых атак — 29 мая отделение 642-го батальона, прикрывая действия танков Pz.35(t) из 11-й танковой дивизии, подбило четыре французских SOMUA S35 без собственных потерь.
Самоходные орудия Panzerjager I собирались использовать и при вторжении на Британские острова. В рамках подготовки к операции Seelowe проводились учения с погрузкой и выгрузкой САУ с кораблей. Для вторжения готовили наиболее боеспособные подразделения (521-й, 643-й и 670-й батальоны), но операция была отменена.
В сентябре-октябре 1940 года был сформирован пятый батальон, получивший номер Pz.Jaeg.Abt.529. Следом, 28 октября, началось перевооружение 605-го батальона (Рис.118), а 15 апреля 9 самоходок направили в состав 12-й отдельной роты 900-й учебной бригады.

Рис.118 - Panzerjäger I из состава 605-го истребительного батальона.
Впоследствии 900-я бригада попала на Восточный фронт.
Осенью 1940г. в боекомплект ввели подкалиберные снаряды Pzgr.40 массой 825 г и начальной скоростью 1080 м/с. Эти боеприпасы оправдали себя – на Восточном фронте они могли пробивать броню советских и Т-34, и КВ.
В операциях на Балканах (Югославия, Греция) были задействованы 3-я и 5-я роты отдельного противотанкового батальона в составе моторизованной бригады SS «Адольф Гитлер» (SS-Panzer-Division Leibstandarte-SS Adolf Hitler или сокращенно LSSAH) – всего 18 машин Panzerjäger I. 5-я рота самоходок 9-го апреля пересекла югославскую границу, разгромив наблюдательный пункт противника у ж/д станции Битоль. Затем самоходки двинулись на Охриды с задачей соединиться с итальянскими войсками. За всё время кампании экипажи Panzerjager I не имели ни одной встречи с танками. Главным образом, самоходки использовались для подавления очагов сопротивления, как например у греческого города Клиди, захватить который удалось только после затяжного штурма.
На 22 июня 1941 года вермахт располагал 11 батальонами противотанковых САУ на шасси Pz.I. Из них в первой линии находились: 521-й, 529-й и 643-й батальоны в составе группы армий «Центр», 616-й батальон в составе группы армий «Север» (Норвегия), 670-й батальон в составе группы армий «Юг» (резерв 1-й танковой группы), 605-й батальон – находился в распоряжении 5-й легкой дивизии, отправленной в Северную Африку.
Чаще всего САУ действовали из засад, либо использовались при обороне из укрытий, что существенно снижало риск их уничтожения. Прямых столкновений с советскими танками немцы старались всячески избежать. При такой тактике у Panzerjager I с 47-мм пушкой был шанс одолеть Т-34. Впрочем, воздействие на броню советских танков (прежде всего, КВ) вольфрамо-молибденового сердечника подкалиберного снаряда оказалось недостаточным. В ряде случаев болванка пробивала борт советского танка и, раскалываясь на 2-3 куска, просто падала на пол танка. Иногда получались ситуации, когда высокая точность стрельбы сводилась к нулю низкой пробивной способностью стандартных боеприпасов. Если же экипаж советского танка успевал вовремя заметить противника у Panzerjager почти не было шансов спастись. Сохранились некоторые эпизоды с открытым противостоянием Panzerjager I с советскими танками на Восточном фронте. 27 августа в бою под Яассами самоходке из 521-го батальона была поставлена задача прикрыть пехотные подразделения. Появившийся в поле зрения одинокий Т-34 привлек внимание сразу трех немецких офицеров, которые стали давать командиру САУ противоречивые указания. Вместо того, чтобы открыть огонь по противнику командир растерялся и неверно оценил ситуацию – в итоге Panzerjager получил снаряд в борт и был уничтожен, хотя командир советского танка вначале даже не заметил самоходку. 30 августа, к северу от Воронежа, одна из самоходок того же батальона была внезапно атакована танком БТ. Водитель своевременно отреагировал и переключился на задний ход, что дало возможность командиру сделать два прицельных выстрела. Танк загорелся уже после первого попадания (командир и заряжающий сразу покинули поврежденную машину), но продолжил движение и таранным ударом уничтожил самоходку. Рота 529-го батальона, действовавшая под Рогачевом, попала под огонь советских легких танков. Советские танки открыли огонь из 45-мм пушек с расстояния 1200 метров, подбив 5 из 10 самоходок, причем только две из них удалось потом отремонтировать. (Рис.119)

Рис.119 – Данная САУ подбита летом 1941г. и, судя, по грубой заплате лобовом листе не в первый раз.
Считается, что, в целом, противотанковые самоходные орудия действовали успешно. Согласно донесениям командира 529-го батальона (27 Panzerjager и 4 танка Pz.I), к 27 июля безвозвратные потери составили 4 самоходки, в то время как все танки подразделения находились в небоеспособном состоянии. По мере продвижения вглубь СССР батальон лишился 40% первоначального состава – на 23 ноября из 16 самоходок только 14 могли участвовать в боях, о наличии танков не сообщается. Летом 1941 года удалось отличиться и 3-й, и 5-й ротам, действовавших в составе тяжелого батальона LSSAH. В приграничных сражениях с советским мехкорпусом самоходки добились немалых успехов. В частности, 12-го июля у н/п Хенрикув роте Panzerjager I удалось подбить шесть советских танков без потерь со своей стороны. Далее противотанковые самоходки успешно действовали против укреплений на «Линии Сталина» в центральной части Беларусии (11-15 июля), а во время боёв за Херсон подразделения Panzerjager I сражались с кораблями Днепровской флотилии. В период с 29 сентября по 2 октября батальон SS оборонял позиции под Перекопом, поддерживая действия 46-й пехотной дивизии.
В некоторых боевых эпизодах Panzerjager действовали в первой волне атакующей пехоты, но только в случае полного отсутствия советской ПТО или танков. Обстрел из 47-мм противотанковых орудий ДОТов и блиндажей производил деморализующий характер на противника, что было подмечено еще во Франции.
Проблемы осенней распутицы в России определенно отразились на боеспособности машин на шасси Pz.Kpfw.I. Обладавшие невысокой подвижностью по местности самоходки Panzerjager часто застревали на раскисших грунтовых дорогах. Повышенные эксплуатационные нагрузки приводили к частым поломкам трансмиссии и КПП. Генерал Гальдер в связи с этим язвительно замечал, что данные САУ могут действовать на фронте только при обязательной поддержке со стороны ремонтных частей. (Рис.120)

Рис.120 – Транспортировка на прицепе, как способ профилактики проблем с матчастью.
Приводится, что за 1941 год было потеряно 140 Panzerjäger I. На 5 мая 1942 года в составе 521-го батальона осталось всего три САУ и три танка Pz.I. Примерно в этот же период 670-й батальон располагал одной ротой Panzerjager и двумя ротами Marder. До конца 1942 года дожили лишь машины, находившиеся в составе 616-го (формально всё ещё состоявшего из трех рот Panzerjager) и 529-го батальона (две роты Panzerjager). Последние данные о наличии Panzerjager I на Восточном фронте относятся к началу 1943 года. К этому времени по 12 машин числилось в составе 3-й роты 197-го батальона и 237-й роты 237-й пехотной дивизии. Кроме того, несколько 47-мм самоходок на шасси Pz.I ещё оставалось в составе 155-й роты и 232-й роты истребителей танков.
Весной или летом 1942 года LSSAH перебросили во Францию. По штату от 5 июля дивизия располагала двумя ротами 47-мм САУ. 19 августа 1942 года они приняли участие в отражении высадки союзников под Дьеппом.
В Северной Африке 605-му батальону, вооруженному САУ Panzerjager I, также довелось активно повоевать. В период с 18 по 21 марта 1941 года батальон в полном составе был переброшен в Ливию (вошел в подчинение 5-й легкой дивизии). Несколько машин было потеряно в июне и для восполнения потерь из Германии отправили ещё пять Panzerjager. До пункта назначения удалось добраться только трём самоходкам, поскольку две пошли на дно морское вместе с транспортом “Castellon”. 47-мм орудия Panzerjager оказались эффективными против британских крейсерских танков. Лобовая броня британских машин толщиной не более 30 мм свободно пробивалась даже стандартными боеприпасами на любых дистанциях. С пехотными танками “Matilda II” было сложнее. Лобовая и бортовая броня этих машин, толщиной 60-77 мм, с расстояния 600-800 метров не пробивалась стандартным типом снаряда, но при этом образовывалось множество вторичных осколков. При использовании подкалиберного боеприпаса удавалось достичь заметно лучших показателей. В апреле 1941 года, во время боёв на перевале Хальфая, отделение Panzerjager подбило девять танков, включая несколько “Matilda II”, при помощи снарядов с вольфрамовыми сердечниками. С августа 605-й батальон был переведен в резерв Afrika Korps, но с октября противотанковые самоходки включили в состав дивизии особого назначения под командованием М. Зюммерманна. По состоянию на 18 ноября в батальоне числилась 21 САУ. К началу операции “Crusader” (27 ноября 1941г.) в составе 605-го батальона имелись все 27 штатных машин. В течение следующих двух месяцев было потеряно 13 самоходок, три из которых удалось отремонтировать к концу мая. Перед контрнаступлением британской армии под Эль-Алемейном, которое началось 23 октября 1942 года, вермахт располагал 11 машинами этого типа. Противотанковые самоходки воевали вплоть до дня капитуляции Afrika Korps и впоследствии три Panzerjager I стали трофеями союзников (одну машину британцы подарили американцам, в начале 1980-х эту машину вернули в Германию, где ее отреставрировали, на текущий момент это единственный в мире сохранившийся Panzerjäger I. (Рис.121)


Рис.121 – Африканские трофеи союзников.
На подбашенной коробке Pz.I Ausf.А место башни заняла 20-мм зенитная пушка FlaK 38, хотя на двух первых прототипах, как будто, устанавливались Flak 30. (Рис.122)


Масса машины 5,5 тонн. 20-мм автоматическая пушка FlaK 38 обладала боевой скорострельностью 220 выстрелов в минуту. Вертикальные углы наведения находились в пределах от -10° до +87°. Такие технические возможности позволяли эффективно поражать низколетящие самолёты. Но были и серьезные неудобства. Для действий по наземным целям требовалось 5 человек, а для зенитной стрельбы – 8 человек. В целях компенсации были введены откидные металлические борта, но общее положение они практически не спасали. Выходом казалась возможность демонтажа 20-мм пушки и установки её на буксируемую платформу. Эти процессы занимали 4 и 6 минут соответственно. Поскольку места для боекомплекта практически не оставалось (карабины Mauser 98K и часть снарядов перевозилась внутри корпуса за сиденьем водителя) для самоходки пришлось разработать специальный прицеп Sd.Ah.51 (Sonderanhänger 51) и сцепное устройство. Помимо боезапаса в деревянных ящиках также перевозились личные вещи экипажа. Связь между машинами осуществлялась с помощью сигналов, подаваемых флажками, так как радиооборудование было демонтировано. Пишут также, что из-за смещения центра тяжести машину сильно раскачивало при стрельбе.
В таком виде ЗСУ под обозначением 2cm Flak 38 auf Pz.Kpfw.I Ausf.A (Flakpanzer I) была принята к серийному производству, но, всего, в 1941г. собрали 24 (или 26) машин этой модификации. Все машины поступили на вооружение 614-го моторизованного зенитного батальона сухопутных войск (Fla.-Bataillon 614), сформированого в Апьтварпе (Altwarp) - три батареи по 8 машин в каждой. В конце августа 1941г. Fla.-Bataillon 614 прибывает в Румынию в район Ясс, а оттуда своим ходом 600 км (-! при этом пишут, что шасси Pz.I Ausf.A были уже порядком изношены) выдвигается к Днепру - задача охрана мостов через Днепр. После недолгого пребывания в тылу батальон был отправлен на передовую, где ЗСУ проявили себя как эффективное оружие не только против воздушных целей. В ряде случаев Flakpanzer I приходилось взаимодействовать с пехотой, подавляя огнем автоматической пушки долговременные огневые точки. Например, унтер-офицер Кнаппе из 1-ой роты 614-го зенитного батальона, участвовавшего в бою 17-го мая 1942 года под Харьковым вспоминал: «Ровно в 4.45 обрушился шквал огня, а через пять минут мы услышали шум авиационных моторов. Такого мы еще не испытывали: 200 немецких бомбардировщиков атаковали вражеские позиции. Наши собственные штурмовые группы при этом тоже понесли потери, так как находились на исходных позициях только в 200 метрах от врага. К тому же ветер нес в нашу сторону густой дым от разрывов. Тотчас вражеская артиллерия открыла заградительный огонь и вынудила нас искать все возможные укрытия, чтобы избежать осколков. Затем пехота пошла в атаку, для нас это означало «Зенитки к бою!» На краю деревни наступление приостановилось, первый зенитный танк вышел из строя, унтер-офицер Меллер и ефрейтор Звере погибли, остальные члены экипажа были ранены. Лейтенант Буссе повел вперед второй танк и тоже сразу был ранен, экипаж вынужден был покинуть танк. Русские снайперы имели господство на поле боя и вынудили нашу пехоту отойти в укрытия. Неужели так удачно начавшееся наступление захлебнется? Мой зенитный танк получил повреждения гусениц. К счастью, мы находились в мертвой зоне и стали лихорадочно их восстанавливать. Все зависело от моего экипажа… Мы осторожно двинулись вперед. Перед нами находилась долговременная огневая точка, прикрываемая снайперами, простреливавшими всю местность. С дистанции 300 метров, за считанные секунды, мы поразили огнем все видимые амбразуры. У противника больше не было шансов и вскоре все оставшиеся в живых вышли с поднятыми руками. Почти 100 солдат противника были взяты в плен нашей пехотой. Наступление продолжалось, после нескольких очередей мы вывели из строя минометную батарею. Трех убитых и 12 раненых из 34 человек стоило нам это наступление». Из этой иллюстрации боевого применения Flakpanzer I можно сделать несколько выводов. Во-первых, «зенитные танки» подчас возглавляли пехотную атаку! Во-вторых, интенсивная стрельба из 20-мм пушки (в первую очередь трассирующими снарядами) не всегда оказывала «сильный деморализующий эффект» на солдат противника, хотя поражающая способность снарядов оказалась достаточно большой. Во-третьих, крайне слабой была защищенность ЗСУ. Тем не менее, проведя почти год на фронте 614-й зенитный батальон потерял по боевым причинам лишь несколько машин.
Зимой 1942-1943 гг. батальон попал в «котел» под Сталинградом (в источниках иногда упоминается, что часть находилась на берегу р.Дон в районе Калача) и погиб практически в полном составе. При этом часть Flakpanzer I (некоторые сообщают о двух машинах) достались советским войскам в исправном состоянии. Оценка трофейной техники оказалась весьма критической и все ЗСУ были в скором времени отправлены на слом. (Рис.123)




Рис.123 – Боевой путь Flakpanzer I.
В ходе боев за Берлин в апреле 1945 года немцы переделали одно шасси Pz.I Ausf.B в САУ с 75-мм орудием StuK 40 L/48. Машина применялась в Берлине. (Рис.124)

Рис.124 – 75-мм САУ на шасси Pz.I Ausf.B.
В составе 614-го моторизованного зенитного батальона, помимо Flakpanzer I, были и другие машины на шасси Pz.Kpfw.I – транспортеры боеприпасов Munitionschlepper I (Sd.Kfz.111). Машины предназначались для подразделений штурмовых орудий. Работы по этой машине начались на фирме Alkett в конце 1939г. С танков типа Pz.Kpfw.I (скорее всего, переделке подвергались только танки модификации Ausf.A, но некоторые указывают, что и танки Ausf.B превращались в Munitionschlepper I) демонтировались башни, а подбашенные коробки заменялась бронированными надстройками. (Рис.125)







Рис.125 - Munitionschlepper I (Sd.Kfz.111).
Всего к 1942 году таким образом переделали 51 машину.
В рамках подготовки к возможному прорыву «Линии Мажино» тридцать Pz.Kpfw.I в 1939–40 годах в железнодорожных мастерских компании Waggonfabrik Talbot (г. Аахен) переделали в «укладчики взрывчатых зарядов». Машины назвали Ladungsleger I (Zerstörerpanzer). Идея заключалась в том, чтобы танк мог подъехать к ДОТу положить на его крышу заряд после чего отъехать на безопасное расстояние и подорвать заряд, послав электрический импульс по проводам. Было разработано два варианта. Первый предусматривал установку над моторным отделением рельсовых направляющих и ящика со взрывчатым веществом, по которым заряд опускался на землю при помощи цепной передачи. (Рис.126)

Рис.126 – Первый вариант Ladungsleger I.


Рис.127 - Ladungsleger I второй вариант.
В течение 1939-1940гг. в войсках силами ремонтных служб было переделано несколько десятков серийных Pz.Kpfw.I в машины технической помощи, которые также можно было использовать как транспортёры для перевозки запасных частей, боеприпасов, канистр с топливом, маслом и водой – из расчета двух единиц в каждой танковой роте. Эти машины получили наименование Instanzugkraftwagen I или Instandsetzug Kraftwagen I. С танков демонтировались башни и срезались верхние части подбашенных коробок. На некоторые получившиеся тягачи установили ветровые стёкла из плексигласа и съёмные тенты. (Рис.128)





Рис.128 – Instanzugkraftwagen на шасси единичек.



Перед началом кампании в Польше вермахт имел нехватку инженерных средств. Некоторое количество Pz. I были переоборудованы в мостоукладчики. Одни считают, что было построено не более трех мостоукладчиков «в экспериментальных целях», другие – что машин было больше и строились они кустарном способом в полевых мастерских гренадерских полков танковых и моторизованных дивизий в 1941-1942гг. В одних источниках указывают, что под мостоукладчики переоборудовали обе модификации, в других – речь идет только о шасси Pz.I Ausf.B, однако на доступных изображениях я встречал преимущественно мостоукладчики на шасси Pz.I Ausf.А. На корпус танка (башня с вооружением снималась) наваривались стойки и балки моста, наклоненные к кормовой части танка, получается, что мост был постоянно-жестко закреплен на корпусе танка. Машина получила обозначение Bruckenleger auf Pz.Kpfw.I. Причем, машины действовали группой, как минимум, из трех единиц, в этой группе – первый и последний мостоукладчики имели наклонные платформы, а центральная машина – горизонтальную. (Рис.130)


Рис.130 – Вверху - Bruckenleger auf Pz.Kpfw.I с наклонной платформой (модель и фото).

Рис.131 - Панцер-мост из мостоукладчиков Bruckenleger auf Pz.Kpfw.I.
Некоторые авторы допускают - «имеются сведения» - что некоторые мостоукладчики сохраняли башню с вооружением. Фото таких изделий не встречал, но вот моделей – сколько угодно. (Рис.132)

Рис.132 – Модель Bruckenleger auf Pz.Kpfw.I с башней и вооружением.
(Рис.133)

Рис.133 - Bruckenleger auf Pz.Kpfw.I.
⃰ Многобашенный средний.
В октябре 1932 года, на смену темы «гросстракторов» были сформулированы требования к новому среднему танку - mittlerer Traktor или mittele Traktor (m.Tr., то есть средний трактор). Эта машина должна была оснащаться бронированием 15-20 мм, иметь скорость не менее 30 км/ч и вооружаться 75-мм пушкой и двумя-тремя 7,92-мм пулеметами. Многобашенную схему было решено оставить, но башню с кормы следовало убрать, башни теперь группировались в передне-средней части машины – в то время в Великобритании разрабатывали средние и тяжелый танки с подобной компоновкой, возможно, немцы были в курсе. Новый средний танк вначале получил обозначение Panzerkampfwagen VII, но в скором времени его сменили на Panzerkampfwagen IV neu Art.
В работу включились две фирмы (Rheinmetall-Borsig и Krupp), ранее получившие большой опыт при постройке и испытаниях гросстракторов и активно использовавшие наработки по ним. Проектированием ходовой части и корпуса занималась фирма Rheinmetall-Borsig, в то время как Krupp основные усилия прилагала к башне и вооружению – несколько странно, поскольку пушечным вооружением для танков, как правило, занималась Rheinmetall, а Krupp имела наработки по ходовой и проектированию корпусов танков.
В конце 1933 года фирма Rheinmetall, занялась сборкой двух отладочных образцов. Корпуса и башни танков выполнялись сварными. Корпуса танков собирались из неброневой стали толщиной от 15 мм (лобовая проекция) до 13 мм (борта и корма). После учета всех требований и пожеланий со стороны военных танк получил компоновку с диагональным расположением двух пулеметных башен. При обычной схеме, когда две пулеметные башни располагались спереди, их сектор обстрела ограничивался выступающим сзади корпусом – то есть, стрельбу назад могла вести только главная башня. Вариант с продольным размещением башен устранял данную проблему, однако задний стрелок оказывался отрезанным от остального экипажа, что нарушало огневое взаимодействие. Таким образом, немецкими специалистами был сделан вывод – пулеметные башни нужно установить диагонально. В итоге компоновка получилась следующей. В передней части корпуса слева располагалось место водителя и органы управления. Для удобства обзора над его головой была сделана небольшая неподвижная рубка с двумя смотровыми щелями (спереди и слева) и люком, откидываемым вверх. Справа от него находилась передняя пулеметная башня, которая была заимствована вместе с погоном от легкого танка Pz.I Ausf.A. Далее возвышалась высокая надстройка с закруглением в левой задней части, на крыше которой устанавливалась главная башня сварного типа. Создавалась она с расчетом установки в ней сразу двух орудий и пулемета. Расчет делался на то, что 75-мм пушка KwK 7,5cm со стволом 24 калибра и основным боекомплектом из осколочно-фугасных выстрелов, будет использоваться против полевых укреплений и скоплений пехоты. В свою очередь, 37-мм пушка Rheinmetall, выполненная на основе противотанковой, могла эффективно бороться с любым танком противника. 37-мм пушка ставилась над 75-мм орудием. Пулемет типа MG-13 калибра 7,92-мм устанавливался справа от орудийной маски в отдельной шаровой установке. На крыше главной башни находилась наблюдательная башенка с шестью смотровыми щелями защищенными триплексами. Ближе к левому борту разместили перископический наблюдательный прибор. По обоим бортам башни также были сделаны эвакуационные люки. Полный боекомплект составлял 80 выстрелов к 75-мм пушке, 60 выстрелов к 37-мм пушке и 6000 патронов к трем пулеметам. За надстройкой слева была установлена вторая пулеметная башня. Скругление надстройки слева несколько увеличивало угол обстрела. (Рис.134)

Рис.134 - Panzerkampfwagen IV neu Art в идеальном виде.
В кормовой части корпуса, со смещением вправо, находился бензиновый авиационный двигатель BMW Va мощностью 290 л.с., оснащенный жидкостной системой охлаждения. За ним размещалась трансмиссия с бортовыми дифференциалами, механической коробкой передач, главным фрикционом и тормозами. Над двигателем в верхнем листе корпуса, был сделан эксплуатационный люк. Ближе к правому борту располагались четыре броневых колпака над отверстиями для воздухопритока, а также защитный кожух выхода выхлопной трубы. Двухкамерный глушитель на кронштейнах крепился к правой надгусеничной полке. Нижний кормовой лист имел длинный прямоугольный вырез, закрываемый на болтах бронированной крышкой и служивший для доступа к тормозам и механизмам трансмиссии. Конструкция ходовой части была во многом аналогична “Grosstraktor III”. (Рис.135)


Рис.135 - Grosstraktor III Krupp.
Применительно на каждый борт ходовая часть состояла из десяти опорных катков, один независимый натяжной каток с независимой пружинной подвеской, четыре поддерживающих ролика, переднее направляющее и заднее ведущее колесо цевочного зацепления. Опорные катки оснащались резиновыми бандажами и блокировались в пять тележек, каждая из которых крепилась к корпусу посредством балансиров. Амортизация включала спиральные пружины. Ролики, поддерживающие верхнюю гусеничную ветвь, тоже имели резиновые бандажи и крепились на V-образных кронштейнах. Гусеничная цепь собиралась из мелкозвенчатых траков шириной 380 мм. Несмотря на некоторую устарелость, этот тип ходовой хорошо зарекомендовал себя в эксплуатации и был освоен в производстве. Для лучшей функциональности снизу по бортам корпуса были выполнены специальные уширения закрываемые бронированными фальшбортами, за которыми разместили элементы подвески. Спереди, несимметрично с обоих сторон, вырезали два люка для эвакуации экипажа.
Вообще, по числу различных люков немецкий средний танк стал почти рекордсменом – для экипажа их было сделано 8 штук (!), а для обслуживания узлов и агрегатов еще 4.
Каждый танк оборудовался радиостанцией FuG6 SE20v с максимальной дальностью связи 8 км, которая находилась в кормовой нише главной башни. В комплекте в ней поставлялась антенна поручневого типа, которая монтировалась на 8 кронштейнах.

Рис.136 - Neubaufahrzeug V, 1934г.
Масса 23 т. Габариты: длина – 6600 мм, ширина – 2900 мм, высота – 2980 мм. Толщина небронированной стали 15-13 мм. Экипаж 6 чел. Водитель располагался в рубке спереди слева, в главной башне слева помещался наводчик, справа - заряжающий, а сзади посередине - командир танка, два пулеметчика находились в малых башнях. Командир танка был освобожден от других функций, кроме руководства машиной, как боевой единицей. Во время первых испытаний «гросстракторов» в Советском Союзе немцы отметили, что командир не должен участвовать в каких-либо других обязанностях - впрочем, еще в первом серийном немецком танке A7V командир уже был освобожден от посторонних обязанностей, физически он находился рядом с водителем, но имел возможность при помощи специального приспособления передавать целеуказания наводчику орудия. Если командир отвлекается на сопутствующие функции, общая эффективность танка сильно снижается – затрудняется или становится невозможной оценка поля боя в общем. По этой причине командиру была предоставлена башенка с круговым обзором, и ему было поручено управлять всем экипажем. Это простое нововведение предоставляло огромное тактическое преимущество над противником. Вооружение: 75-мм пушка, 37-мм пушка, 3 пулемета. Боекомплект 80 выстрелов к 75-мм пушке, 60 выстрелов к 37-мм пушке и 6000 патронов к трем пулеметам. Бензиновый авиационный двигатель BMW Va мощностью 290 л.с., оснащенный жидкостной системой охлаждения. Трансмиссия механического типа: ручная 5-скоростная КПП (5+1), главный фрикцион, бортовые дифференциалы, тормоза. Ходовая часть (на один борт): 10 опорных катков, сблокированных в 5 тележек с пружинной амортизацией, один независимый «натяжной» каток, 4 поддерживающих ролика, переднее направляющее и заднее ведущее колесо цевочного зацепления. Радиостанция FUG6 SE20v с поручневой антенной на главной башне.
Первые две машины под номерами Nr.1 и Nr.2 (причем, некоторые считают, что Nr.2 имел орудия, установленные не один над другим, а в ряд – бок о бок), переданные заказчику в конце 1934 году, поступили на испытания. Быстро выяснилось, что Nb.Fz.V обладают несколькими серьёзными недостатками. Прежде всего, вертикальное размещение орудий оказалось очень нерациональным и вызывало многочисленные нарекания со стороны танкистов. Отмечалось, что в танке было тесно. Были претензии к бортовым люкам, открывавшимся назад и не защищавшим экипаж с передней полусферы. Несмотря на то, что максимальная скорость танка достигала 30-32 км/ч, при движении по шоссе, на пересеченной местности 23-тонная машина теряла внушительный процент подвижности. Наличие двух пулеметных башен тоже ставилось под сомнение, из-за тесноты в боевом отделении и повышения боевой массы танка.
После испытательного цикла, завершившегося в августе 1935 года, два небронированных танка отправились на войсковые испытания в танковую дивизию, где эксплуатировались около года. (Рис.137)

Рис.137 –Транспортировка Neubaufahrzeug V по железной дороге.
Затем оба Nb.Fz.V от фирмы Rheinmetall были переданы учебному центру в Путлосе (Putloss), где танк Nr.2 завершил свою карьеру в качестве наглядных пособий приблизительно в 1941 году. Танк Nr.1 дотянул до 1942г. – говорят, существует фото, датированное 1942г., где этот танк запечатлен на заводе фирмы Krupp вместе с самоходной установкой StuG IV, но мне встречался снимок Nb.Fz.V в ремонте, датированный маем 1940г. (Рис.138)



Рис.138 – Nb.Fz.V в ремонте, май 1940г.
Корпуса танков Nb.Fz.VI выполнялись из броневой стали на предприятии Rheinmetall. Все люки открывались по ходу вперед. На главной башне исчезла поручневая антенна.
Орудия установили горизонтально (штурмовая пушка справа, противотанковая пушка слева). Это повлекло за собой проектирование новой башни, которая собиралась из плоских листов и была проще по конструкции. Пишут, что предполагалось вооружить эти танки не 75-мм пушками, а короткоствольными 105-мм орудиями 10,5cm KwK L/28, как более могущественными в борьбе с укреплениями противника. Какие орудия на самом деле получили танки не вполне ясно. Согласно наиболее распространенной версии все Nb.Fz.VI получили 105-мм пушки, но спустя некоторое время их заменили на стандартные, калибра 75 мм. Поводом для этого послужила якобы невысокая надежность и большой занимаемый объём внутри башни. По другой версии, идея перевооружить танки 105-мм орудиями появилась только в 1937 году, когда морально устаревшие Nb.Fz.VI собирались переделать в “Nebel Panzer”, оснащенные кроме мощной артиллерии установками дымопуска. Скорее всего, 37-мм пушка при этом демонтировалась. Этот вариант не был воплощен в жизнь.
Силовая установка также изменилась, вместо авиационного двигателя установили Maybach HL108TR, специально приспособленный для установки на танки. Это был бензиновый 12-цилиндровый мотор жидкостного охлаждения, развивавший мощность 280-300 л.с. при 3000 об/мин. Таким образом, танки типа Nb.Fz.VI при боевой массе 23410 кг обладали удельной мощностью около12 л.с. на тонну, что выглядело неплохо. (Рис.139)






Рис.139 - Neubaufahrzeug VI.
Масса 23410 кг. Габариты: длина – 6600 мм, ширина – 2900 мм, высота – 2980 мм. Бронирование: лоб корпуса — 20 мм, борт корпуса — 15 мм, корма корпуса — 15 мм, крыша корпуса — 13 мм (?), лоб башни — 20 мм, борта и корма башни — 15 мм, крыша башни — 13 мм (?). Экипаж 6 чел. Вооружение одна 75-мм пушка KwK 7,5cm, одна 37-м пушка и три 7,92-мм пулемета MG-13. Боекомплект 80 выстрелов к 75-мм орудию 50 выстрелов к 37-мм орудию 6000 патронов к 7,92-мм пулеметам Приборы прицеливания - телескопические орудийные прицелы и оптические пулеметный прицелы. Двигатель Майбах HL 108TR, бензиновый, V-o6pазный, 12-цилиндровый, жидкостного охлаждения, мощностью 280-300 л.с. при 3000 об/мин. Трансмиссия механического типа: ручная 5-скоростная КПП (5+1), главный фрикцион, бортовые дифференциалы, тормоза Ходовая часть (на один борт): 10 опорных катков, сблокированных в 5 тележек с пружинной амортизацией, один независимый натяжной каток, 4 поддерживающих ролика, переднее направляющее и заднее ведущее колесо цевочного зацепления. Средства связи радиостанция FUG6 SE20v.
Постройка танков Nb.Fz.VI была завершена в течение 1935 года, после чего все три прототипа были переданы для испытаний сначала на танковый полигон в Путлосе, а затем в 1-ю танковую дивизию (предположительно).
В эксплуатации (Рис.140) танки демонстрировали скорость в 25 км/ч, запас хода по шоссе 140 км, преодолеваемые препятствия: угол подъёма - 30°, высота стенки - 0,60 м, глубина брода - 0,90 м, ширина рва 2,20 м.







Рис.140 - Nb.Fz. в эксплуатации.
Оказалось, что танки имели низкую проходимость по мягкому грунту и небольшой запас хода, а обслуживать одновременно два орудия оказалось слишком сложно. Было также очевидно, что возможное увеличение толщины брони вело к росту массы машины, в связи с чем трехбашенная схема выступала тормозом для дальнейшей модернизации. Также была признана неудачной схема с кормовым расположением трансмиссии и ведущих колёс, практиковавшаяся на танках типа Nb.Fz. Кроме того, Верховное Командование в тактике придавало большее значение мобильности танка, нежели его огневой мощи. В 1937г. тема по трехбашенным танкам закрылась, а танки Nb.Fz.VI перевели в разряд учебных.
В предвоенный период танки с башней Krupp, эксплуатировавшиеся в составе вермахта, сохраняли темно-серый камуфляж, изображение слона и балочный крест на лобовом листе корпуса. (Рис.141)



Рис.141 – Белый слон и крест на лобовом листе корпуса.
Приблизительно в 1939 году к ним были добавлены тактические обозначения в виде больших белых цифр на главной башне (возможная нумерация – от 8 до 10). В некоторых источниках сообщают, что в 1939г. обозначение Nb.Fz сменили в связи с унификацией обозначений танков. Nb.Fz V, вроде, стал Pz-V, а Nb.Fz VI - Pz-VI; затем эти обозначения унаследовали совсем другие танки.
Машины типа Nb.Fz. сыграли большую пропагандистскую роль. Весной 1939г. трехбашенные танки открыто демонстрировались на Международной Автомобильной Выставке в Берлине, как символ германского танкового могущества, в чем и преуспели – союзная пресса была просто шокирована их видом. Как продолжение пиар-компании три танка Nb.Fz.VI отправили на завоевание Норвегии, главным образом, видимо, рассчитывая вызвать психологический эффект.
Официально они входили в состав танкового батальона специального назначения Panzer Abteilung zur besonderer Vervendung 40 (Pz.Abt1. Zb.V 40), являясь отдельным взводом с названием Panzerzug Horstmann/Zug Putloss. Командовал этим подразделением лейтенант Ганс Хорстман (Hans Horstmann). Перед норвежской кампанией танки перекрасили и нанесли на башни балочные кресты, тактические номера были затерты. 19 апреля 1940г. средние Nb.Fz.VI прошли парадным строем по Осло. Немецкие фотографы сделали массу снимков трехбашенных танки в порту, на улицах и на местности, группами и поодиночке с различных ракурсов. (Рис.142)










Рис.142 – Тевтонская в зримом виде мощь.
Вскоре танки Nb.Fz.VI оказались в боевой обстановке. (Рис.143)









Рис.143 – Среди норвежских ёлок и заборов.
В Норвегии безвозвратно был потерян один Nb.Fz.VI. Продвигаясь вслед за наступающими частями, танк вышел из строя на проселочной дороге по технической причине — по наиболее достоверным данным Nb.Fz.VI заглох, пытаясь преодолеть заболоченный участок местности близ г. Лиллихаммер. Экипаж подорвал свою машину. Поскольку подорванный Nb.Fz.VI ремонту не подлежал его впоследствии разобрали.
Оставшиеся два танка вернули в Осло и осенью 1940 года отправили в Германию. В Германии машины около года использовались в качестве наглядных пособий, пока в 1941-1942 гг. танки не разобрали не металл. (Рис.144)

Рис.144 – Очевидно, уже в отстое.
По другой версии, оба танка Nb.Fz. в 1941г. использовались в Дании для несения полицейских функций. Однако другие источники утверждают, что эти две машины никогда не покидали Норвегию и в 1945г. были захвачены англичанами и разобраны. Увы, факт применения танков Nb.Fz в Дании не подтверждается официальными документами, которые были получены англичанами весной 1945 года в Германии, и они также не упоминают о захвате немецких монстров в Норвегии в 1945г.
Не оставив следа в танкостроении и не отличившись в боевых действиях, эти танки все же наделали немало паники. Фотографии трехбашенных машин в цехах завода и на улицах Осло породили слухи о наличии у Германии сверхтяжелых танков весом 80 и 100 тонн. В советских источниках даже спустя десятилетия можно встретить, что танки NbFz входили в состав 1-ой танковой группы на Восточном фронте, и один из них был уничтожен под Дубно 28 или 29 июня 1941 года (не путает ли источник Nb.Fz с советскими многобашенными Т-35, действительно участвовавшими в эти дни в сражении под Дубно). Другой советский источник указывает, что оставшиеся два NbFz были уничтожены недалеко от румынской границы в июне 1941 года. Также сообщается, что оба подбитых в СССР танка были возвращены в Германию в ноябре 1941 года.
⃰ Последний вариант Leichttraktor.



Рис.145 - Танк №39 Leichttraktor от Rheinmetall-Borsig с экспериментальной ходовой частью типа Кристи.
В отличие от Кристи, пружины не были спрятаны внутри корпуса, а получили наружное расположение. Считается, что немцы вывели элементы подвески намеренно, чтобы они не занимали довольно большой внутренний объём корпуса. При этом длина «свечи» оказалась заметно меньше, чем у танков Кристи.
Эксплуатация экспериментальной машины Leichttraktor с подвеской типа «Кристи» завершилась в 1934г. или в 1935г.
⃰ Полугусеничная техника.
В начале 1930-х гг. особое внимание немецкие инженеры стали уделять машинам с полугусеничной ходовой частью, как казалось, обладавшей лучшей тяговой силой, чем колесные аналоги.
В 1931г. фирма Daimler-Benz предъявила полугусеничный тягач ZD.5. (Рис.146)

Рис.146 - ZD.5.
Известно, что эта машина разрабатывалась фирмой Daimler-Benz по требованию рейхсвера на полугусеничный тягач для тяжелых орудий. Интересно, что ZD.5, как будто, был собран полностью из немецких комплектующих на территории СССР в 1931 году.
Масса машины 9300 кг. Машина строилась по классической схеме с передним расположением моторного отсека. В качестве силовой установки был выбран восьмилитровый двенадцати-цилиндровый двигатель Maybach DSO 8 мощностью 150 л.с. Далее располагалась водительская кабина, рассчитанная на двух человек (непосредственно водитель и механик). Транспортный отсек занимал заднюю часть корпуса – в предложенном варианте на нем установили три пары сидений, но можно было приспособить его под перевозку полезного груза. Бронирование на ZD5 отсутствовало. Гусеничная ходовая часть, применительно на один борт, включала четыре опорных катка на жесткой подвеске, два поддерживающих ролика, переднее направляющее и заднее ведущее колесо с зубовым зацеплением. Гусеница была выполнена крупнозвенчатой, с развитыми грунтозацепами. Для усиления жесткости гусеничного движителя были введены дополнительные металлические балки, крепившиеся одним концом к корпусу в районе водительской кабины, а вторым – к силовым элементам ходовой части. Передний управляемый мост автомобильного типа снабжался колесами с резиновыми бандажами, а не шинами, подобно старым броневикам, и подвеской на листовых рессорах.
Жесткая гусеничная ходовая часть и управляемые колеса с тонкими ободами не могли обеспечить машине хорошую проходимость. Как пишут, после непродолжительных испытаний ZD5 был отправлен в Германию и там впоследствии разобран.

Рис.147 – Общий вид полугусеничного тягача с шахматной гусеничной ходовой частью Книпкампа.
⃰ Колесная бронетехника.
В 1929 году были проведены первые опыты с трехосными 1,5-тонными грузовиками, показавшие пригодность их ходовой части для установки бронекорпуса и вооружения. Боевая масса таких машин, выходившая за пределы 5000 кг, повышала нагрузку на раму и оси, но в целом такой вариант посчитали вполне приемлемым. После изучения отчетов 14-го февраля 1930 года в Министерстве вооружений состоялось совещание, на котором было решено продолжить опыты с тремя типами шасси: Daimler-Benz G-3 (Рис.148), Bussing-NAG G31 и Magirus M-206.





Рис.148 - Daimler-Benz G-3 в разных ипостасях, годы производства 1928-1935гг.
Две последние модели фактически являлись разработками на базе G-3, отличаясь от него некоторыми доработками, габаритами и двигателями собственного производства.
Первой на испытания вышла бронемашина на шасси G-3(p). При массе 2200 кг база была увеличена с 3200 до 4150 мм, а в кормовой части был установлен второй пост управления. Возле обеих рулевых колонок находились конические передачи, соединенные карданным валом, задачей которых являлась синхронизация поворота рулей. Чтобы вписаться в конфигурацию корпуса передняя рулевая колонка получила большой угол наклона. Колеса двух задних ведущих мостов выполнили сдвоенными, а передние управляемые колеса были одинарными. Бронекорпус массой 2300 кг, спроектированный фирмой Deutsche Werke AG из Киля, имел оригинальную конструкцию сложной формы, которая крепилась на прямоугольной раме шасси. Эта многогранная «ванна» имела сужение на носу и на корме, при максимальном расширении в районе установки башни – такая схема обеспечивала лучшую пулестойкость. Компоновку корпуса можно было назвать классической для бронеавтомобилей, выпускавшихся в межвоенный период. В передней части устанавливался бензиновый двигатель жидкостного охлаждения с лобовым радиатором, а также размещались элементы трансмиссии, топливный и масляной бак. Остальное пространство занимал боевой отсек, который был совмещен с отделениями управления. Спереди и сзади размещались места водителей. Наблюдение за окружающей обстановкой производилось при помощи двух куполов цилиндрической формы с полусферическими крышками. Ближе к корме находились места командира машины, который совмещал обязанности пулеметчика, и второго водителя. На крыше корпуса устанавливалась одноместная шестигранная башня с верхним люком и командирской башенкой, в лобовом листе которой монтировался 7,92-мм пулемет Dreyse MG13 с воздушным охлаждением. (Рис.149)

Рис.149 – Первый вариант трехосного БА.
Масса танковой модификации пулемета составляла 8.76 кг, длина ствола — 1340 мм. Начальная скорость легкой пули — 890 м/с, теоретическая скорострельность — 530-600 выстрелов в минуту, эффективная дальность огня — 2000 метров. Пулемет имел магазинное питание, емкость коробчатого магазина — 25 патронов.
На испытаниях, проведенных в конце 1930 года, выявилось, что задняя ось перегружена, что отрицательно влияло на проходимость вне дорог и приводило к преждевременному износу элементов шасси. Охлаждение двигателя оказалось крайне недостаточным, что в итоге потребовало переработки всей системы, включая установку лобового радиатора, увеличенного по площади примерно на 20%. Обзорность с мест водителей также признали недостаточной, а чисто пулеметное вооружение было неадекватным для столь тяжелой машины.
В марте 1931 года на испытания была представлена модернизированная модель, сначала именовавшаяся как G-4, но в мае 1931 года обозначение шасси изменили на G-3a(p). Помимо устранения выявленных недостатков была дополнительно усилена подвеска. Вместо 4-скоростной коробки передач была установлена новая 5-скоростная (5 скоростей вперед и 2 скорости заднего хода), которая к тому же получила реверс, что позволяло двигаться передним и задним ходом на одних скоростях. Максимальная скорость при движении по шоссейным дорогам поднялась с 60 до 65 км/ч, а на грунтовых - этот показатель увеличился с 30 до 32 км/ч. Очевидно, что улучшения пошли на пользу, но и стоимость армейского варианта шасси составила 24340 рейхсмарок, против 19000 за шасси коммерческого типа. Сварной корпус машины, с толщиной бронирования от 8 до 14,5 мм (в книге П. Чемберлена и Х. Дойл «Энциклопедия немецких танков Второй мировой войны» указывается толщина лобового бронелиста надстройки 25 мм), также подвергся некоторым доработкам. В частности, была изменена его верхняя часть, которая приобрела приземистую надстройку со смотровыми щелями, а вместо массивных башенок для водителей были установлены небольшие купола: передний – с левого борта, задний – по продольной оси корпуса.
Полностью новой стала конструкция башни. Рубленные формы теперь присутствовали только в лобовой части, в то время как общая форма башни была близка к усеченному конусу. Вооружение усилили за счет установки 20-мм пушки 2cm KwK 30 L/50 и спаренного с ней 7,92-мм пулемета MG13 с углами вертикального наведения от -12° до +20°. Пушка калибром 20-мм могла также вести огонь бронебойными снарядами PzGr (начальная скорость 780 м/с) и подкалиберными PzGr 40 (1050 м/с). Бронебойный снаряд пробивал на дистанции 500 метров броню толщиной 14 мм, расположенную под углом 30°, а на дистанции 100 метров этот показатель составлял 20 мм. Подкалиберный снаряд пробивал броню толщиной до 49 мм на дистанции 100 метров, а до 500 м его бронепробиваемость составляла порядка 20 мм. Боекомплект составлял 200 снарядов и 1300 патронов соответственно. В укладке также перевозился 7,65-мм пистолет-пулемет MP 18/I Bergmann, который находился на оснащении армии с 1918 года. Впоследствии появился опытный вариант с установкой курсового 7,92-мм пулемета MG13 слева от водителя, но в серийном производстве от него отказались. (Рис.150)


Рис.150 – Трехосный бронеавтомобиль.
В ноябре 1932 года Министерство вооружений подписало с фирмой Daimler-Benz контракт на поставку 37 шасси G-3a(p) и 16 шасси G-3(p).
Общий выпуск бронеавтомобилей на шасси типа G-3 оценивается в 36 единиц. Более массовыми стали бронеавтомобили, производившиеся фирмой Magirus AG на предприятии в Киле – 75 единиц. Есть также упоминание о том, что некоторое количество машин было собрано фирмой Deutsche Edelstahlwerke в Гановере. Корпуса для них производились на предприятиях фирм Deutschen Werke AG (Киль) и Deutsche Edelstahlwerke AG (Ганновер-Линден).
Отдельный заказ в конце 1932 года получила фирма Bussing-NAG, которая в качестве базы использовало шасси типа G31p. Первый прототип отличался от конкурента фирмы Daimler-Benz конструкцией лобового радиатора, наблюдательными башенками водителей и башней более рациональной формы, которая в основании имела цилиндрическую форму, а основная часть представляла собой усеченный конус с одностворчатым люком на крыше. В передней и задней части башни было сделано по два люка. Правый передний служил для установки пулемета MG13, а левый передний и оба задних являлись смотровыми и закрывались бронированными крышками. (Рис.151)

Рис.151 – Вариант от Bussing-NAG.
В таком виде бронеавтомобиль относительно успешно прошел испытания и был заказан для полицейских частей. (Рис.152)

Рис.152 – Трехосный полицейский БА.
Сколько всего было собрано таких машин точно не известно, но сейчас можно говорить по меньшей мере о трёх экземплярах. После этого фирма Bussing-NAG приступила к серийной сборке бронеавтомобилей на том же шасси G31p. Очередной прототип, уже имевший обозначение Kfz.67 (первоначальное официальное обозначение трехосных бронеавтомобилей), получил «стандартизированный» корпус. Вместе с тем, продолжались эксперименты с башней, которая теперь приобрела полностью цилиндрическую форму со скошенной передней частью крыши при сохранении чисто пулеметного вооружения. (Рис.153)

Рис.153 – Вариант со скошенной цилиндрической башней.
В серию этот экземпляр не пошел. Изменилась также форма крыльев над передними и задними колесами. Утверждается, что на предприятии фирмы Bussing-NAG выпустили всего 12 машин, но каких именно типов – в источниках не указывается.
Выпускался и радиофицированный вариант Kraftwagen (Fu) Kfz.67a для командиров подразделений. (Рис.154)


Рис.154 - Kraftwagen (Fu) Kfz.67a.
Доработки заключались в следующем – в боевом отделении устанавливалась радиостанция Fu.Spr.Ger.а, а для обеспечения приемлемой дальности связи разработали рамочную антенну огромных размеров. Снизу она крепилась к кормовым бронелистам, а сверху – к башне, на кронштейне со свободным вращением. Таким образом удалось сохранить не только штатное вооружение, но и круговой сектор обстрела, правда общая высота составил 2870 мм.
В 1935г. линейные трехосные броневики Kfz.67 переименовали в schwere Panzerspahwagen Sd.Kfz.231, а радиофицированные Kfz.67a – в schwere Panzerspahwagen (Fu) Sd.Kfz.232. Интересно отметить, что при идентичных корпусах и башнях длина базы у шасси всех трех фирм были разные (Daimler-Benz G-3a(p) – 3000 мм, Bussing-NAG G31p – 2700 мм, Magirus M-206p – 2500 мм), но общая длина оставалась в пределах 5570 мм. (Рис.155)

Рис.155 – Формы решеток радиаторов у различных производителей.
Массы машин от разных производителей также варьировали: Bussing-NAG – 5350 кг, Daimler-Benz – 5700 кг, Magirus – 6000 кг. Рассчитывали, что шасси от этих трех производителей будут иметь достаточно большую степень унификации – на практике выяснилось, что номенклатура запасных частей к этим машинам не совпадает и БА на шасси Bussing-NAG и Magirus быстрее выходили из строя.
Последней модификацией трехосного бронеавтомобиля также стал «командирский» вариант schwere Panzerfunkwagen Sd.Kfz.263. При этом радиостанция Fu.Spr.Ger.«а» на новую не заменялась – изменилась только форма рамочной антенны, а вместо башни установили неподвижную рубку с одним пулеметом MG13. Соответственно, изменился типа крепления антенны к корпусу и рубке. Общая высота машины увеличилась до 2930 мм, а экипаж составил 5 человек. Собрали 28 машин Sd.Kfz.263.
До 1937 года выпуск трехосных бронеавтомобилей был полностью завершен. В источниках указывается, что в сумме построили 123 трехосных бронеавтомобилей Sd.Kfz.231 и Sd.Kfz.232 и 28 Sd.Kfz.233. Есть также сведения о том, что часть машин впоследствии была перевооружена пулеметами MG34.
В 1937г. Sd.Kfz.231 переименовали в schwere Panzerspahwagen (Sd.Kfz.231) 6-Rad, Sd.Kfz.232 – в schwere Panzerspahwagen (Fu) Sd.Kfz.232 (6-Rad), а Sd.Kfz.263 - Panzerfunkwagen (Sd.Kfz.263) 6-Rad.
В опытном порядке два Sd.Kfz.231 (6-Rad) на шасси Daimler-Benz были переоборудованы для передвижения по железным дорогам. Доработки сводились к установке дополнительных металлических роликов на рамах в носовой части корпуса и между задними мостами с приводом на них мощности от двигателя через специальную передачу. В некоторых источниках упоминается, что обе машины использовались в составе бронепоезда No.3, но судя по тому, что одна из них имела номер Pol 10 019, принадлежала она полицейской части.
Трехосные БА придавались танковым дивизиям. В разведывательном батальоне танковой дивизии тяжелые бронеавтомобили находились в составе двух отделений радиосвязи взвода связи (по одному Sd.Kfz.263 на отделение) и в роте бронеавтомобилей (по одному Sd.Kfz.263 в отделении связи). Во взводе тяжелых бронеавтомобилей (schwere Panzerspaehwagen Zug) имелось по три Sd.Kfz.231 (6-Rad) и три Sd.Kfz.232 (6-Rad). Кроме того, в батальоне связи в составе радиороты имелось шесть отделений радиосвязи и в каждом отделении находилось по одному Sd.Kfz.263. В составе роты телефонной связи в 1-м и 3-м взводах было по одному отделению радиосвязи, оснащенному Sd.Kfz.263 (данные согласно штатному расписанию KStN 1162 от 1 октября 1938 года). Такую же структуру имели во время польской кампании 1-я, 2-я, 3-я, 4-я, 5-я и 10-я танковые дивизии, а также 1-я и 3-я легкие дивизии. В составе 2-й и 4-й легких дивизий был не разведывательный батальон, а разведывательный полк. В составе разведполка имелся батальон бронеавтомобилей, насчитывавший четыре (2-я легкая дивизия) или три (4-я легкая дивизия) роты. В роте было три Sd.Kfz.231, три Sd.Kfz.232 и один Sd.Kfz.263. Итого, разведполк располагал 28 или 21 бронеавтомобилем.
В состав танковой дивизии “Kempf” входил разведывательный батальон SS “Deutschland”, не имевший ни одного тяжелого бронеавтомобиля.
БА Sd.Kfz.231 (6-Rad) участвовали во многих операциях вермахта в 1938-1942гг. (Рис.156)






Рис.156 - Sd.Kfz.231 в строю.
Первая операция - аншлюс Австрии в марте 1938 года. Через полгода машины этого типа были задействованы в Судетской области, в марте 1939 года участвовали в окончательной оккупации Чехии. Первым настоящим боевым испытанием стало вторжение в Польшу, где Sd.Kfz 231 (6-Rad) находились в составе 1-й легкой дивизии, а также в 1-й, 2-й, 3-й и 4-й танковых дивизиях. Входе Польской кампании они преимущественно использовались для разведки. В общей сложности за весь сентябрь 1939 года было потеряно около 12 машин Sd.Kfz.231 (6-Rad). К началу вторжения во Францию в составе вермахта оставалось несколько десятков Sd.Kfz.231 (6-Rad), которые в основном находились в подразделениях связи. Например, к маю 1940 года трехосные машины имелись в составе 5-го разведывательного батальона 2-й танковой дивизии и 37-го разведывательного батальона 7-й танковой дивизии. После завершения кампании во Франции большинство оставшихся Sd.Kfz.231 (6-Rad) использовались уже в качестве учебных бронемашин, в то время как «командирские» экземпляры продолжали службу в частях первой линии. Например, во второй половине 1941 года несколько трехосных бронеавтомобилей имелось в составе 4-й, 6-й и 10-й танковых дивизий. Поскольку эти машины выполняли специфические функции и практически не вступали в прямые столкновения с противником, их строевая карьера оказалась самой продолжительной. Например, по меньшей мере один Sd.Kfz.263 (6-Rad) имелся в составе 92-го батальона связи 6-й танковой дивизии, который в марте 1942 года дислоцировался под Сычевкой. До капитуляции Германии ни одна из них не дожила в боеспособном состоянии и впоследствии все Sd.Kfz.231\232\263 (6-Rad) были утилизированы.
В начале 1930-х немцы практиковали строительство полицейских БА, предназначались они для подавления массовых беспорядков. Известно, например, что в 1931 году по заказу полицейского управления города Карлсруэ одним из местных автомобильных предприятий (не ясно каким именно) было построено два бронеавтомобиля на шасси грузовика Mercedes-Benz L2000, производство которого было налажено в 1930г. (Рис.157)

Рис.157 - Mercedes-Benz L2000.
Форма корпуса БА была позаимствована от учебных машин, строившихся на шасси легкового автомобиля Adler Standart-6. Толщина бронирования, вероятно, не превышала 8 мм. Компоновка бронемашин с задним расположением боевого отделения, на крыше которого устанавливалась коническая приземистая башня. Экипаж 3-4 чел. Вооружение состояло из одного башенного 7,92-мм пулемета Schwarzlose MG08, но по бортам корпуса имелись лючки для ведения огня из личного оружия. (Рис.158)
Рис.158 – БА на шасси Mercedes-Benz L2000.
В 1932г. верховное командование рейхсвера выдало техническое задание на легкий бронеавтомобиль, предназначенный для сопровождения пехотных и кавалерийских частей, а также для веления разведки и обеспечения связи. В качестве базы было выбрано шасси легкового автомобиля Adler 3Gd, которое не имело полного привода, но уже использовалось немецкой армией под обозначением Kfz.12. (Рис.159)




Рис.159 - Adler 3Gd.
По другим данным, для производства новой бронемашины Kfz.13 использовалось шасси Adler 6 (Рис.160), как пишут, с колёсной формулой 4х4.

Рис.160 – Adler Standaart 6.
Трудно представить, что этот автомобиль имел полный привод.
Шасси Adler 6 с 1930г. была использована для постройки серии учебно-разведывательных машин и получила хорошие рекомендации. (Рис.161)

Рис.161 - Adler Standard 6 Panzer Atrappe 1930 года.
Для новой бронемашины, обозначенной как Kfz.13, был спроектирован открытый сверху сварной корпус с толщиной бронелистов 8 мм. В верхней части корпуса бронелисты располагались под небольшими углами наклона. Компоновка осталась классической, с передним расположением моторно-трансмиссионного отделения и совмещенными отделением управления и боевым отсеком. На бронеавтомобиле устанавливался карбюраторный 6-цилиндровый двигатель Adler 6S мощностью 60 л.с. что позволяло развивать по шоссейной дороге максимальную скорость до 50 км/ч. Шасси, вроде, имело привод только на задние колёса, передние были управляемыми. Подвеска сохранилась стандартная, на полуэллиптических рессорах. Экипаж машины состоял всего из двух человек: командира (он же стрелок) и водителя. В средней части корпуса за бронещитом устанавливался единственный 7,92-мм пулемет MG13 с круговым сектором обстрела и углами вертикального наведения от -35° до +65°. Боезапас составлял 1000 патронов. (Рис.162)





Рис.162 - Kfz.13.
Масса машины 2100 кг.
Серийное производство Kfz.13 развернули в 1932 году на заводе фирмы Daimler-Benz в Берлине, где до конца 1934 года собрали 147 машин. (Рис.163)

Рис.163 – Отладка БА.
Кроме обычной модификации параллельно был налажен выпуск радиофицированной модели Kfz.14. Все различия между ними сводились к демонтажу вооружения и установке радиостанции. Экипаж увеличился до 3-х человек, за счет включения в его состав радиста.
Всего было выпущено 40 машин модификации Kfz.14.
С 1932 по 1935 гг. эти машины составляли основу парка бронеавтомобилей вермахта. Немецкие солдаты дали им кличку “Badewanne” (корыто) из-за характерной формы корпуса и слабого бронирования. Как правило, несколько единиц Kfz.13 включали в состав пулеметных рот кавалерийских батальонов и в разведывательные соединения. Обычно пишут, что период их активной службы продолжался вплоть до 1937 года. Впрочем, известно, что Kfz.13 применялись во время вторжения в Польшу (сентябрь 1939 г.) и в битве за Францию, где их использовали как связные бронемашины при штабах. Летом 1941 года несколько машин этого типа участвовали в нападении на СССР. (Рис.164)





Рис.164 – На службе рейхсвера и вермахта.
Второй период Этапа 1930-1937гг.
1933 – 1937гг.
Разработка тактических типов «немецкого танка» под доктрину танкового блицкрига, развертывание танковой промышленности.
Немецкий тип танка 128
Игра в открытую
Прочие бронированные машины 265
Календарь событий Второго периода Этапа 1930-1937гг.
|
1933г. |
Устав «Вождение войск». |
|
1933г., лето |
Свернуто сотрудничество с СССР в танковой сфере. |
|
1933г., ноябрь |
Образовано учебное танковое командование Kraftfahrlehrkommando Zossen. |
|
1933г., 22 декабря |
В документах Krupp упоминается танк с 20-мм пушкой – работы по теме La.S.100. |
|
1933г., конец - 1934г., начало |
Работы по полугусеничным тягачам с ходовой гусеничной частью Книпкампа. |
|
1934г., январь |
Формальное начало работ по теме La.S.100. |
|
1934г., 27 января |
Управление вооружений выдвинуло спецификации на два новых типа танка – программы по теме Z.W. и B.W. Этим решением подводилась черта под темой Leichttraktor. |
|
1934г. |
Конкурсное задание на колесный четырехосный полноприводный танк. |
|
1934г., февраль-апрель |
Тестирование 15-ти шасси La.S. «нулевой серии», принятие решения о строительстве на их базе «учебных» танков – тема Pz.I. |
|
1934г., март |
Концерн Krupp представил концепцию трехместного танка – тема La.S.100. |
|
1934г., 1 апреля |
Танково-артиллерийские курсы в Путлосе. |
|
1934г. |
Решение о радиофикации всех танков. |
|
1934г., 1 июля |
Учреждение «Командования боевых моторизованных частей». |
|
1934г., 12 июля |
Программа строительства 1000 танков типа La.S. |
|
1934г., лето |
Прототипы шасси типа La.S.100. |
|
1934г., 1 октября |
Генерал фон Фрич отдал тайное распоряжение о формировании 1-й танковой бригады. |
|
1934г., октябрь |
Изготовлено 150 шасси La.S. |
|
1934г., конец года |
Гудериан продемонстрировал Гитлеру механизированные взводы. Гитлер стал сторонник идей моторизации армии и строительства бронетанковых войск. |
|
1935г., 25 февраля |
Rheinmetall получил контракт на разработку танка по теме B.W. |
|
1935г., 16 марта |
Денонсация Германией ВМД. |
|
1935г., 13 апреля |
Вариант проекта по теме B.W. от Krupp. |
|
1935г., ближе к лету |
Выбрано шасси по теме La.S.100. |
|
1935г. |
Завершена постройка танков типа Nb.Fz. |
|
1935г. |
Манштейн предлагает разработать тип танков для пехоты – штурмовые орудия. |
|
1935г. |
Фирма Krupp предложила на базе B.W. создать «дымовой танк» - Rauchwagen (R.W.). |
|
1935г., август |
Изготовлены опытные образцы по теме Z.W. |
|
1935г., август-сентябрь |
Большие «экспериментальные» маневры под Мюнстером, окончательное решение о развертывании трех танковых дивизий. |
|
1935г., 27 сентября |
Создано Командование танковых войск (Kommando der Panzertruppen). |
|
1935г., октябрь |
Подписан контракт на выпуск первой серии танков типа La.S.100. |
|
1935г., 15 октября |
Формирование трех танковых дивизий. |
|
1935г, 29 ноября |
Совещание о комплектовании танковых войск матчастью. |
|
1935г., декабрь |
Заказ на производство первой партии Z.W. |
|
1936г., 15 января |
Танки на шасси La.S.100 получили обозначение Pz.Kpfw.II. |
|
1936г., 3 апреля |
Танки по теме В.W. получили обозначение Pz.Kpfw.IV. |
|
1936г., апрель |
Танки на шасси La.S. получили обозначение Pz.Kpfw.I. |
|
1936г., апрель |
Танки по теме Z.W. получили обозначение Pz.Kpfw.III. |
|
1936г., 30 апреля |
Опытный образец по теме Pz.Kpfw.IV от Krupp. |
|
1936г., до мая |
Проходил испытания прототип колесного танка Sd.Kfz.231. |
|
1936г., май |
Опытный образец по теме Pz.Kpfw.IV от Rheinmetall. |
|
1936г., май |
Фирма Krupp анонсировала разработку экспортных вариантов танков. |
|
1936г., 15 июня |
Компании Daimler-Benz выдано задание на разработку штурмового орудия. |
|
1936г., лето |
Прекращено производство танков Pz.I Ausf.A, начало производства Pz.I Ausf.В. |
|
1936г., середина июля |
Разработана новая рессорная подвеска для Pz.Kpfw.II. |
|
1936г., 17 июня |
План выпуска 500 танков |
|
1936г., 6 июля |
Совещание в Берлине по вопросу развертывания производства танков Pz.Kpfw.II. |
|
1936г., 21 июля |
Для серийного строительства танков Pz.Kpfw.IV выбран вариант фирмы Krupp. |
|
1936г. |
Эрнст Книпкамп назначен ответственным за разработку новых танков. |
|
1936г., вторая половина |
Началась сборка первой партии колесных танков Sd.Kfz.231. |
|
1936г., 1 октября |
Готова первая партия танков Pz.Kpfw.II. |
|
1936г. октябрь |
В Испанию прибывают первые немецкие танки и танкисты Panzergruppe Drohne. |
|
1936г., октябрь |
Начало поступления в войска танков Pz.I Ausf.В. |
|
1936г., 28/30 октября или 29 ноября |
Немецкие танки и танкисты вступают в бой в Испании – впервые со времен WWI. |
|
1936г., декабрь |
Первый контракт на производство танков Pz.Kpfw.IV. |
|
1936г., конец – 1937г., начало |
Начало поступления танков Pz.Kpfw.II в войска. |
|
1937г., 22 января |
Krupp получила предварительное разрешение на продажу экспортного танка L.K.A. |
|
1937г. |
Завершение темы Nb.Fz. |
|
1937г. |
Выпуск первой парии танков Pz.Kpfw.III. |
|
1937г. |
Колесный танк Sd.Kfz.231 принят на вооружение. |
|
1937г., май |
Официальное прекращение выпуска танков типа Pz.I Ausf.В. |
|
1937г. |
Произведено 5 опытных штурмовых орудий. |
|
1937г., октябрь |
Начало выпуска первого крупносерийного варианта Pz.Kpfw.II - Ausf.A. |
|
1937г., ноябрь |
Завершение изготовления последней установочной партии Pz.Kpfw.II - Ausf.c. |
Немецкий тип танка
Новые горизонты, Pz.Kpfw.II. ранние варианты, Pz.Kpfw.II с новой ходовой, производственная программа La.S.100, машины на шасси Pz.Kpw.II.с-С, новые спецификации, Zugführerwagen, Pz.III Ausf.B, C, D, командирская машина на базе Pz.III Ausf.D, Bataillonsführerwagen, Pz.IV Ausf.A, «Дымовой» танк, тема колесных танков, машины на базе Sd.Kfz.231 8-Rad.
⃰ Новые горизонты.
Работы по танковой тематике существенно оживились с приходом к власти нацистов. 30 января 1933 года рейхсканцлером стал Адольф Гитлер (Рис.165).

Рис.165 – Гитлер, 1889-1945гг.
5 марта фашистская партия NSDAP (в советской транскрипции почему-то стыдливо писали НСДАП, хотя партия называлась Национал-социалистическая немецкая рабочая партия и на кириллице аббревиатура должна была выглядеть как НСНРП) набрала 43,9% голосов, и 24 марта Рейхстаг принял «Закон о чрезвычайных полномочиях», который наделял Гитлера правом издавать законы.
Гудериан вспоминал: «нашему военному и политическому руководству недоставало мужества, чтобы освободиться от ограничений Версаля. В том, что касалось нашего рода войск, решительный шаг был сделан практически в один момент, после того как 30 января 1933 года исполнительная власть перешла в руки Адольфа Гитлера. Бронированная обшивка наших «тренажеров» стала заметно прочнее и теперь уже не поддавалась пристальному вниманию уличных сорванцов, которые имели привычку развлекаться, проковыривая в ней дырочки. (Рис.166) Деревянные винтовки вышвырнули на свалку. Численность каждого разведотряда возросла до 4 рот, из противотанковых отрядов были сформированы 3 роты, и мы начали эксперименты с моторизованной пехотой и танками (- в 1933 году пока еще фанерными)».

Рис.166 – Фанерный макет танка на шасси автомобиля – основное вооружение транспортных частей рейхсвера в 1933г.
В 1933г. все семь автомобильных батальонов немецкой армии получили наименование боевых моторизованных батальонов, что более точно отражало их новые основные задачи.
Летом 1933г. было свернуто сотрудничество с СССР в области танкостроения. Еще год назад Лютц и Гудериан инспектировали германо-советскую танковую школу КАМА под Казанью, но теперь Гитлер распорядился закрыть школу. За три года работы объекта КАМА немцам удалось подготовить всего 30 офицеров – будущих командиров частей Panzerwaffe. (Рис.167)

Рис.167 – Список немецких курсантов школы КАМА.
5 сентября 1933г. из СССР на родину ушел последний немецкий транспорт.
Вероятно, для замены КАМА в ноябре 1933г. на базе 3-го автомобильного батальона было создано моторизованное учебное командование (на правах войсковой части) - Крафтфарлеркоммандо «Цоссен» (Kraftfahrlehrkommando Zossen), получившее свое название по месту базирования в Цоссене (примерно в 50 км к югу от Берлина, в Цоссене располагался и Генеральный штаб). Позднее командование получило наименование «1-я бронетанковая школа». Возглавил новую часть полковник Эрнст Фессман, последний руководитель группы инструкторов школы «КАМА». (Рис.168)


Рис.168 – Сотрудники инспекции автотранспортных (моторизованных) частей (Inspekteurs der Kraftfahrtruppen) и Kraftfahrlehrkommando Zossen, Цоссен, ноябрь 1933г. Именно эти лица будут создавать Panzertruppen (Panzerwaffe).
1.Generalleutnant Oswald Lutz (Inspekteur der Kraftfahrtruppen. Dijuluki sebagai "Bapak Motorisasi Angkatan Darat", pangkat terakhir: General der Panzertruppe); #2.Oberst i.G. Heinz Guderian (Chef des Stabes der Inspektion der Verkehrstruppen. Dijuluki sebagai "Pencipta Panzertruppe", pangkat terakhir: Generaloberst); #3.Major i.G. Walther Nehring (Ia Erster Generalstabsoffizier Inspektion der Kraftfahrtruppen. Terkenal sebagai perwiranya Rommel di Afrika. Pangkat terakhir: General der Panzertruppe); #4.Major Josef Harpe (Kraftfahr-Lehr-Stab Zossen. Peraih Schwerter zum Ritterkreuz des Eisernen Kreuzes mit Eichenlaub, pangkat terakhir: Generaloberst); #5.Hauptmann Wilhelm Conze (Chef 1.Kompanie / Kraftfahr-Lehr-Kommando Zossen. Nantinya menjadi komandan Panzer-Regiment 33, pangkat terakhir: Generalmajor); #6.Hauptmann Wolfgang Thomale (Chef 2.Kompanie / Kraftfahr-Lehr-Kommando Zossen. Peraih Ritterkreuz des Eisernen Kreuzes, pangkat terakhir: Generalleutnant); #7.Major Hermann Breith (Kommandeur II.Abteilung / Kraftfahr-Lehr-Kommando Zossen. Peraih Schwerter zum Ritterkreuz des Eisernen Kreuzes mit Eichenlaub, pangkat terakhir: General der Panzertruppe); #8.Oberleutnant Werner Mildebrath (Chef 6.Kompanie / Kraftfahr-Lehr-Kommando Zossen. Peraih Ritterkreuz des Eisernen Kreuzes, pangkat terakhir: Oberst); #9.Hauptmann Traugott Köhn (Leiter Schießlehrgang Kraftfahr-Lehr-Kommando Zossen. Nantinya menjadi komandan Panzer-Regiment 3, pangkat terakhir: Oberst); #10.Oberleutnant Joachim von Wilcke (Stabsoffizier in Kraftfahr-Lehr-Kommando Zossen. Nantinya menjadi Kommandeur II.Abteilung / Panzer-Regiment 5, pangkat terakhir: Oberst); #11.Oberleutnant Joachim Martin (Adjutant der Kommandeur Kraftfahr-Lehr-Kommando Zossen. Nantinya terbunuh di Afrika tanggal 27 Mei 1942 sebagai komandan II.Abteilung / Panzer-Regiment 5, pangkat terakhir: Oberstleutnant); #12.Oberleutnant Ebert (Chef 1.Lehr-Kompanie / Kraftfahr-Lehr-Kommando Zossen, pangkat terakhir: Oberstleutnant); dan #13.Oberleutnant Henning (1.Lehr-Kompanie / Kraftfahr-Lehr-Kommando Zossen).
1.Генерал-лейтенант Освальд Лутц (инспектор автомобильных частей), получил прозвище «Отец моторизации армии», последнее воинское звание: генерал бронетанковых войск; № 2. Полковник Г. Хайнц Гудериан (начальник штаба инспекции автомобильных частей), получил прозвище «Создатель танковых сил», последнее воинское звание: генерал-полковник; № 3. Майор И. Г. Вальтер Неринг (первый инспектор штаба инспекции автомобильных частей), впоследствии личный представитель Роммеля, последнее воинское звание: генерал бронетанковых войск; №4.Майор Джозеф Харпе (инструктор по вождению командования Zossen, кавалер Рыцарского креста с мечами и Железного креста с дубовыми листьями, последне воинское звание: генерал-полковник; №5.Капитан Вильгельм Конзе (командир 1-й роты / инструктор по вождению командования Zossen), впоследствии командир 33-го танкового полка, генерал-майор; №6.Капитан Wolfgang Thomale (командир 2-й роты / инструктор по вождению командования Zossen), кавалер Рыцарского креста, Железного креста, последнее воинское звание: генерал-лейтенант; № 7.Майор Герман Брейт (командир II-й дивизии / инструктор по вождению командования Zossen), кавалер Рыцарского креста с мечами и Железного креста с дубовыми листьями, последне воинское звание: генерал бронетанковых войск; № 8.Старший лейтенант Вернер Милдебрат (командир 6-й роты / инструктор по вождению командования Zossen), кавалер Рыцарского железного креста, последнее воинское звание: полковник; № 9.Капитан Traugott Köhn (начальник курсов стрельбы командования Zossen), впоследствии командир 3-го танкового полка, последнее воинское звание: полковник; № 10.Старший лейтенант Йоахим фон Вильке (офицер штаба в командовании Zossen), впоследствии командир 5-го танкового полка II-й дивизии, последнее воинское звание: полковник; № 11.Старший лейтенант Иоахим Мартин (адъютант командира инструкторов по вождению командования Zossen), впоследствии командир 5-го танкового полка II-й дивизии, погиб в Африке 27 мая 1942г., последнее воинское звание: подполковник; №12.Старший лейтенант Эберт (командир 1-й учебной роты / инструктор по вождению командование Zossen), последнее воинское звание: подполковник; №13 Старший лейтенант Хеннинг (1-я учебная рота / инструктор по вождению, командование Zossen).
Есть основания считать, что выработка положений концепции строительства Panzertruppen (Panzerwaffe), по крайней мере на начальном этапе, базировалась на опыте и идеях британского генерала Фуллера (Рис.169).

Рис.169 - Джон Фредерик Чарльз Фуллер (John Frederick Charles Fuller), 1878-1966гг.
Британский генерал-майор.
Фуллер в годы Первой мировой войны занимал должность начальника штаба Танкового корпуса и являлся теоретиком и практиком идеи танкового наступления, выродившуюся в идею танкового блицкрига, танковой войны. В 1927г. он организовал первое сбалансированное механизированное подразделение Experimental Mechanised Force (Экспериментальные Механизированные Силы), в котором танки сочетались с моторизованными пулеметами, артиллерий, саперами и другими частями. В 1929г. в результате закулисной борьбы в верхушке британских военных Фуллера уволили из армии с половинным жалованием. Его революционные идеи о ведении современной войны весьма заинтересовали немцев. В тридцатые годы Фуллер будет консультировать немцев по вопросам строительства моторизованных частей и фактически станет одним из крестных бронетанковых сил вермахта. На основании теорий и принципов Фуллера, строились танковые войска Третьего рейха. Ведущие немецкие танковые специалисты, например, такие, как Гудериан не скрывали, что являлись последователями его школы. 20 апреля 1939 года Фуллер будет почётным гостем Адольфа Гитлера на военном параде в Берлине, посвящённом пятидесятилетию фюрера, во время которого он в течение трёх часов будет созерцать механизированные и моторизованные части вермахта. После парада Гитлер спросит гостя: «Я надеюсь, Вы довольны своими детьми?». На что Фуллер ответит: «Ваше превосходительство, они выросли так быстро, что я больше их не узнаю».
В 1933г. появился устав «Вождение войск», в котором были закреплены выработанные концепции. Предполагалось, что основу танковых войск должны составлять маневренные средние танки с противотанковой пушкой и двумя пулеметами. В дополнение к ним должны быть созданы тяжелые танки, не уступающие средним по подвижности, но оснащенные более мощным орудием. Противоснарядное бронирование не планировалось – тогда довлело мнение, что маневр, скорость лучшая защита для танка, чем толщина брони. Теперь уже в соответствии с Уставом генерал-лейтенант Освальд Лутц (начальник транспортного управления Министерства обороны) и полковник Хайнц Гудериан (начальник штаба моторизованных войск) стали требовать от Управления вооружений сухопутных сил (далее – УВС) разработки более тяжёлых боевых машин, вооружённых артиллерией и способных бороться с бронетехникой противника.
⃰ Pz.Kpfw.II. ранние варианты.
В 1933г. немцы получили первые опытные образцы шасси по теме малого пулеметного танка Kleintraktor/ La.S., шла разработка среднего многобашенного танка Nb.Fz. взамен гросстракторов, тема легкого Leichttraktor сходила на нет. Военные же требовали танк с пушечным вооружением.
В отчете Krupp, датированном 22 декабря 1933 года, уже фигурировал танк большего размера, чем La.S. с вооружением в виде 20-мм автоматической пушки. Встречается, что подобный танк разрабатывала Daimler-Benz, но это не совсем верно. На деле Daimler-Benz, как и в случае с La.S, работала над башней и подбашенной коробкой. Что же касается шасси, то работы по нему были поручены Krupp. В январе 1934 года 6-е управление вооружений официально инициировало начало разработки нового лёгкого танка. Гудериан позднее вспоминал: «Ввиду того, что производство основных типов танков затянулось на большее время, чем мы предполагали, генерал Лутц принял решение построить еще один промежуточный тип танка, вооруженного 20-мм автоматической пушкой и одним пулеметом».
Первоначально этот танк обозначался как verstaerkter Kleintraktor 6 to, то есть «усиленный малый трактор 6-тонного класса». Это был уже третий по счёту танк с названием Kleintraktor, причём, как и первый, превратившийся впоследствии в Leitchtraktor, он имел проектную массу в 6 тонн. 24 февраля 1934 года проект сменил название на La.S.100 (сельскохозяйственный трактор со 100-сильным двигателем). Согласно первоначальному плану, к концу 1934 года ожидалась постройка первого опытного образца танка.
Здесь хочется сделать некоторое отступление. Тема 6-тонного танка в те годы развивалась во многих странах, причем в качестве эталона или образца для подражания выступали британские танки типа Vickers Mk.E (Рис.170), потеснившие в этой нише французские танки типа Renault FT и их дальнейшие модернизации.

Рис.170 – Британский 6-тонный Mk.E Type В.
Примерно, в 1934г. в Германию из Боливии вернулся майор Вильгельм Брандт (Wilhelm "Wim" Brandt). В 1932-1933гг. Брандт и его коллега Ахима фон Криса (Achim R. von Kries) приняли участие в боевых действиях на стороне боливийцев в качестве инструкторов-танкистов! В качестве материальной части в боливийской армии применялись британские танки Vickers Mk.E в пушечном и пулеметном вариантах. Брандт поделился приобретенным опытом эксплуатации британских 6-тонников на страницах журнала "Beihefte zum Militar-Wochenblatt". По его мнению, система охлаждения двигателя танка Mk.E не выдерживала никакой критики (что было действительно так), броня была слабой, прицелы неудовлетворительны, а гусеницы неприспособленными для боевых действий. Единственный положительный отзыв был о системе рессорной подвески. Не исключено, что к мнению Брандта прислушались – немцы не стали следовать конструкции Mk.E в разработке собственного 6-тонного танка, а идея рессорной подвески не была отвергнута.
Концепцию трёхместного танка 6-тонного класса концерн Krupp представил в марте 1934 года. В июне 1934 года к теме подключилась компания Maschinenfabrik Augsburg-Nürnberg AG (MAN), работы курировались Фридрихом Рифом (Friedrich Rief), одним из ведущих конструкторов фирмы из Нюрнберга. Проектная документация от MAN ожидалась к началу июля 1934 года. В июле 1934г. к работам присоединилась компания Henschel & Sohn из Касселя. В этой связи в литературе обычно пишут: «в июле 1934 года подготовили спецификацию на лёгкий десятитонный танк (-? обычно десятитонный танк связывают с темой танка командира взвода Z.W.) с вооружением 20-мм пушкой и пулеметом, в конкурсе по данной спецификации приняли участие фирмы Krupp, Henschel и MAN».
Вроде бы, летом 1934г. были показаны шасси по теме La.S.100. Пишут, что подробной информации по проекту Henschel не сохранилось, но шасси всех фирм-производителей были похожи. Масса шасси не должна была превышать 6 тонн, ещё 2 тонны резервировались за башней и подбашенной коробкой. У всех была почти одинаковая длина корпуса (4600–4700 мм). Компоновка шасси была одинаковая: трансмиссия и отделение управления находились в передней части, двигательный отсек – в задней. Место водителя было открытым, а двигатель закрывался коробчатой крышкой. На всех машинах стоял 120-сильный двигатель Maybach HL 52 объёмом 5,2 литра (как альтернатива для него предусматривался 100-сильный мотор MAN), позже заменённый на 130-сильный HL 57, и трансмиссия ZF SSG 45. Прототипы шасси изготавливались из неброневой стали. Различия между прототипами заключались в особенностях ходовой части. Ходовая часть Krupp применительно на один борт, состояла из трех двухкатковых тележек с пружинной амортизацией (судя по фото, кажется, что стояли торсионы), трех поддерживающих роликов, переднего ведущего колеса, заднего направляющего колеса и мелкозвенчатой одногребневой гусеничной лентой, набранной из стальных траков. (Рис.171)

Рис.171 – Первый вариант шасси La.S.100 Krupp.
В некоторых источниках это изображение интерпретируют, как шасси La.S. 100 Henschel.


Рис.172 – Шасси La.S. 100 MAN.
К началу осени 1934 года фирмы подготовили спецификации и деревянные модели.
Пишут, что первой о выполнении задания объявила фирма Krupp, точнее, речь шла о том, что испытания пройдены успешно и идут дальнейшие работы. Судя по прилагаемой фотографии, видно, что опытная машина все еще на стадии опытного шасси, в ходовой теперь появилась балка-усилитель, как на шасси MAN. (Рис.173)

Рис.173 – Указывается, что это доработанное шасси La.S.100 Krupp.
Ближе к лету 1935г. на испытания вышли по два опытных образца La.S.100 от Henschel и MAN. Никакой подробной информации по варианту Henschel не встречается, но пишут, что «каждый из опытных танков довольно серьёзно отличался друг от друга». Wa Pruef 6 выбрало шасси La.S.100 от фирмы MAN. (Рис.174)

Рис.174 – Первый образец танка La.S. 100 MAN.

Ходовая часть показана абстрактно

Рис.175 – Общая компоновка танка и положение членов экипажа в танке.
Неплох казался и доступ к агрегатам.
В конце мая 1935 года новый тип получил называние 2 cm M.G. Panzerwagen (Vs.Kfz.622), то есть «бронированная машина с 20-мм пулемётом (опытная машина 622, VK 622)».
15 января 1936 года La.S.100 переименовали в 2 cm M.G. Panzerkampfwagen, а 3 апреля, наконец, был принят индекс Panzerkampfwagen II (2 cm) и сквозной индекс Sd.Kfz.121 («спецмашина 121»).
Познакомимся поближе с конструкцией Pz.Kpfw.II Ausf.a/1. (Рис.176)

Рис.176 – Схема шасси Pz.Kpfw.II Ausf.a/1.
Компоновка, в целом, напоминали компоновку Pz.I, но в танке появился третий член экипажа - радист, для которого нужно было выделить место. Для решения этой задач двигатель, трансмиссию и вал (передавал вращение от двигателя к трансмиссии) конструкторы сместили вправо, при этом топливный бак оказался в боевом отделении. Заливные горловины бака были выведены вправо, для чего в подбашенной коробке имелись два лючка. Слева от двигателя был размещён радиатор и его воздухозаборник. Вытяжной вентилятор здесь уже не поместился, и для него в кормовом листе пришлось делать отдельную выемку. Поскольку справа от водителя была трансмиссия, радисту выделили угол сразу перед воздухозаборником радиатора. Из-за тесноты установить броню под рациональными углами наклона конструкторы не смогли, хотя лобовой лист получил округлую форму.
Танки первой серии имели корпуса, подбашенные коробки и башни, сваренные из стали с высоким содержанием никеля. Благодаря этому толщина брони не превышала 13 мм, при этом надёжно защищая от пуль винтовочного калибра. Верхняя лобовая деталь размещалась почти вертикально (под углом 8°), средняя – почти горизонтально (под углом 70°), нижняя – под углом 30°. Бортовые бронелисты располагались вертикально, верхняя кормовая бронедеталь приваривалась под углом 6°, нижняя – 60°. Крышу корпуса и днище сформировали из 5–10-мм бронелистов, а заднюю стенку подбашенной коробки – из 13-мм бронелиста, приваренного под углом 10°. Боковые и кормовая стенки башни сваривались из 13-мм листов стали, находившихся под углом 22° к горизонтали.
Для увеличения внутреннего объёма на крыше корпуса монтировалась коробчатая надстройка, одновременно выполнявшая роль подбашенной коробки. Технологически её можно было разделить на две части. В передней части, имевшей в плане форму усеченного треугольника, находилось место водителя с тремя смотровыми приборами (два по бортам и один спереди). На приборной панели размещались шкалы спидометра, тахометра, датчика уровня топлива, воды и другие. Справа, прямо на трансмиссии, крепился рычаг КПП. Слева и справа от сидения механика-водителя располагались рычаги управления танком, а под поперечным валом «скрывались» педали газа, тормоза и сцепления. (Рис.177)

Рис.177 – Вид на место водителя.
В средней части танка находилось место командира танка, также выполнявшего роль наводчика, заряжающего и стрелка, а за ним место радиста.
На крыше надстройки устанавливалась башня. Башня Pz.Kpfw.II имела диаметр погона 1200 мм. Бортовые бронелисты башни устанавливались под наклоном 21-22°. В носовой части башни монтировалась общая маска для 20-мм автоматической пушки KwK 30, созданной на базе зенитного автомата 2 cm Flak 30, и 7,92-мм пулемета Dreise MG13k (по другой версии - MG 34). Выбор в пользу KwK 30 был обусловлен не только всё ещё соблюдавшимися условиями Версальского договора – эта пушка (некоторое время считалась тяжелым 20-мм пулеметом) обладала достаточно высокими для своего класса характеристиками бронепробиваемости - бронебойный 20-мм снаряд пробивал вертикально установленный лист брони на дистанции 700 метров, что было достаточно для борьбы с любыми танками, имевшими противопульное бронирование. Встречаются и более полные данные по мощи этого орудия: бронебойный 148-граммовый снаряд PzGr на дистанции 100 м пробивал броню толщиной 20 мм, расположенную под углом 30°, с 500 м – броню толщиной 14 мм, а с 1000 м – 9-мм бронелист. По сравнению с Flak 30, ствол KwK 30 был укорочен с 65 до 55 калибров, а ёмкость магазинов сокращена с 20 до 10 снарядов. Уменьшение объёма магазина позволило облегчить заряжание в ограниченном объёме боевого отделения и размещение боекомплекта в укладках. В боекомплект к орудию, состоявшим из 120 снарядов, входили как бронебойные, так и осколочно-фугасные боеприпасы. Пулемет комплектовался 1425 патронами. Маска имела возможность вертикального наведения в пределах от -9,5° до +20°. Также в крыше башни имелся двухстворчатый люк, через который экипаж садился и покидал танк. Обзорность из танка обеспечивалась четырьмя смотровыми приборами (по два с каждого борта подбашенной коробки), перископом в крыше башни и телескопическим прицелом TZF 4. (Рис.178)

Радиооборудование состояло из приёмника FuG2 со штыревой антенной, однако танки командиров рот и выше комплектовались приёмо-передающими радиостанциями FuG5.
В кормовой части корпуса находился моторный отсек, где был установлен бензиновый 6-цилиндровый двигатель Maybach HL-57TR рабочим объёмом 5698 см.куб., развивавший максимальную мощность 130 л.с. при 2100 об/мин. Вращение от двигателя передавалось к трансмиссии карданным валом, который тянулся вдоль днища. Трансмиссии состояла из двухдискового главного фрикциона сухого трения K230K (сталь по стали) и шестискоростной коробки перемены передач (далее – КПП) ZF Aphon SSG-45. Вращение вала посредством конической передачи через трансмиссию передавалось на поперечный вал, соединявший бортовые многодисковые фрикционы с тормозами. Для доступа к трансмиссии с левой стороны верхнего бронелиста корпуса проделали люк.
Боевая масса танков 1.Serie/La.S.100 - 7,6 тонн. Габариты: длина – 4,38 м, ширина – 2,14 м, высота 1,94 м. Скорость машины 40 км/ч, запас хода 190 км по шоссе (по другим данным, 210 км по шоссе), 125 км по местности. Преодолеваемые препятствия: угол подъема 30°, высота стенки 0,63 м, ширина рва – 1,8 м, глубина брода – 0,92 м.
Серийные номера Pz.Kpfw.II Ausf.a/1 с 20001 по 20025. Первые десять серийных Pz.Kpfw.II Ausf.a/1 не отличались от прототипа - имели ленивцы из алюминия с резиновыми бандажами. Начиная с танка 20011, ленивец был заменён на цельнометаллический (в другом изложении – сварной). С этой же машины на танках был изменён доступ к вентилятору системы охлаждения. (Рис.179)


Существует и другое изложение ситуации с изготовлением варианта Pz.Kpfw.II Ausf.a/1.
Машины с номера 20011 по 20025, которые получили новый ленивец, причем приподнятый над землей, и механизм натяжения гусениц трактуются, как Pz.Kpfw.II Ausf.a/2, т.е. к машинам Pz.Kpfw.II Ausf.a/1 относят всего 10 танков.
Сообщается, что танки Pz.Kpfw.II Ausf.a/1 были готовы к 1 октября 1936г.
Новые изменения появились на танках второй партии Pz.Kpfw.II Ausf.a/2, имевших серийные номера 20026–20050. В днище появились люки доступа к топливным насосам и масляному фильтру. (Рис.180)

Рис.180 - Pz.Kpfw.II Ausf.a/2.


Рис.181 - Pz.Kpfw.II Ausf.a/3.
17 июня 1936 года в Эссене (здесь находились основные мощности концерна Krupp), состоялось совещание, на котором представитель 6-го отдела Управления вооружений поделился планами о выпуске 500 танков Pz.Kpfw.II. Из этого числа 250 машин производил бы MAN, остальное распределялось между другими предприятиями. Концерн Krupp, впрочем, к их числу не относился – у Krupp имелся контракт на выпуск Pz.Kpfw.I Ausf.B. Тогда же заговорили о машинах второй серии 2.Serie/La.S.100, он же Pz.Kpfw.II Ausf.b. Всего их было заказано 100 штук.

Kurt Liese, 1882-1945гг.
С 1 декабря 1933г. назначен начальником Управления вооружений армии. В 1936г. генерал-лейтенант, с 1937г. генерал от инфантерии, 28 февраля 1938г. уволился с действующей службы.
Они рассмотрели планы по модернизации конструкции Pz.Kpfw.II. Ежемесячные поставки Pz.Kpfw.II было решено увеличить с 25 до 35 штук.
Самое существенное изменение машин серии 2.Serie/La.S.100 (Pz.Kpfw.II Ausf.b.) - удлинение корпуса на 350 мм, что заметно улучшало ситуацию с размещением агрегатов в моторном отсеке. (Рис.183)

Рис.183 – Схема шасси Pz.Kpfw.II Ausf.b.
Танки модификации Pz.Kpfw.II Ausf.b собирались из более простой по составу и менее дорогой стали. Для компенсации потери прочности толщина брони увеличилась с 13 до 14,5 мм. Боевая масса «двойки» поднялась с 7,6 до 7,9 тонн. Габариты: длина – 4750 мм, ширина – 2140 мм, высота – 1950 мм. Чтобы компенсировать массу поставили более мощный двигатель - Maybach HL-62TR мощностью 140 л.с. (- по другой версии, мотор не менялся и, видимо, это более верно). Благодаря удлиненному корпусу удалось увеличить объём моторного отделения и переделать систему охлаждения, выведя слабо защищённый вентилятор из-под обстрела вражеских пуль. На танке появился новый глушитель. Модернизация трансмиссии заключалась в введении дополнительной понижающей передачи и установке нового планетарного механизма поворота. Устаревший пулемет MG13k заменили на MG34 с боекомплектом 1425 патронов. Некоторые изменения претерпела и ходовая часть. Стали использоваться новые гусеничные траки и новое ведущее колесо, диаметр которого довели до 755 мм. Параллельно уширили направляющее колесо диаметром 650 мм, причем его действительно заметно подняли над грунтом, а также уменьшили диаметр поддерживающих роликов. Гусеница набиралась из 108 стальных двухгребневых траков - ширина траков увеличилась с 280 до 300 мм. Для предотвращения поломок рессор при движении на тележках подвески установили специальные скобы, препятствовавшие их поперечному смещению. Кроме того, усилили крепления осей качания балансиров к корпусу и приподняли задние надкрылки, чтобы между ними и гусеничной цепью не собиралась грязь. (Рис.184)

Рис.184 – Эволюция ходовой части.
Вверху - Ausf.а, внизу - Ausf.b.
Знатоки внешне отличают Pz.Kpfw.II Ausf.b от более ранних образцов за счет видоизмененной крыши моторного отделения. (Рис.185)

Рис.185 - Pz.Kpfw.II Ausf.b.
Серия танков 2./La.S 100 (Pz.Kpfw.II Ausf.b, серийные номера 21001–21100) поступила в производство в 1936 году. Первые Pz.Kpfw.II Ausf.b были готовы весной 1937 года, а полностью выполнить заказ удалось к осени. К производству машин второй серии планировалось подключить мощности завода Henschel. Предполагали довести объем ежемесячного производства до 25-35 штук.
К началу 1937 года танки типа Pz.Kpfw.II стали поступать в войска (некоторые допускают, что процесс этот начался уже в конце 1936г.). Первые машины поступили на вооружение 1-го танкового полка в Мекленбурге. На осенних маневрах немецкой армии под Штаумуленом (- 1936г.?) сразу же выявилась конструктивная промашка в ходовой части. У танков Pz.Kpfw.II Ausf.a-b опорные катки были меньшего диаметра, чем даже у Pz.Kpfw.I., что гарантировало тряску. Ресурс рессор, использовавшихся в качестве упругих элементов, составил немногим более 500 километров. При этом с подвеской Pz.Kpfw.II Ausf.b ситуация обстояла чуть лучше, что стало причиной переделки танков модификаций Ausf.a/1, a/2 и a/3. На них были установлены улучшенные рессоры, опорные катки и траки. (Рис.186)

С осени 1937 года началась работа по модернизации других элементов Pz.Kpfw.II Ausf.a-b. Корпус у этих танков переделывали минимум дважды. (Рис.187)

Рис.187– Характерное фото - Pz.Kpfw.II раннего выпуска, на надмоторной плите запасная тележка.

Рис.188 - Подбитый в Польше Pz.Kpfw.II Ausf.b.


Рис.189 – Вверху – Pz.II Ausf.b в Бельгии, внизу - танки
из 7-й танковой дивизии в боях за Аррас. Май 1940 года.
На базе ранних «двоек» строили некоторое количество вспомогательных машин.
Как минимум, один танк из самой первой предсерии Pz.Kpfw II Ausf.a/1 использовали для создания бронированной ремонтно-эвакуационной машины (БРЭМ) Hebeckran. (Рис.190)

Рис.190 - Pz.Kpfw II Ausf.a/1 Hebeckran.
Во-вторых, продолжились работы по теме мостоукладчика, которые апробировались на базе Pz.Kpfw.I, но это шасси выглядело слабовато и решили попробовать на Pz.II Ausf.b – Brückenleger II. Зимой 1940 года инженеры фирмы Magirus создали экспериментальный образец мостоукладчика Brückenleger II на базе Pz.II Ausf.b. (Рис.191)

Рис.191 - Brückenleger II Ausf.b.
На базе линейных танков Pz.Kpfw.II Ausf.b создавались, видимо, в ограниченном количестве машины артиллерийских наблюдателей – Panzerkampfwagen II Ausf.b mit Beobachtungsturm. На башне обычного танка вырастала дополнительная башенка. (Рис.192)

Рис.192 - Panzerkampfwagen II Ausf.b mit Beobachtungsturm.
⃰ Pz.Kpfw.II с новой ходовой.

Рис.193 – Независимая рессорная подвеска опорного катка.

Шасси для нового варианта Pz.Kpfw.II еще раз удлинили – на 5,5 см, также оно стало шире. (Рис.195)

Рис.195 – Шасси для третьего варианта Pz.Kpfw.II.
Модификация Pz.Kpfw.II Ausf.c стала последней установочной серией. Теперь инженерам удалось создать танк с большим ресурсом ходовой части. Эти переделки стали последней радикальной модернизацией конструкции Pz.Kpfw.II на базе La.S.100. В дальнейшем изменения носили менее масштабный характер. Машины на этой базе, включая самоходные установки, выпускались до июня 1944 года включительно, при этом боевая масса некоторых из них достигла 11 тонн. Из некоторых источников даже следует, что 1 апреля 1937г. Управление вооружений издало приказ прекратить доработку конструкции «двойки» (скорее, базы La.S.100), которая длилась более двух лет и отнимала часть ресурсов фирм-производителей, но, как увидим ниже улучшение Pz.Kpfw.II продолжалось ввиду отсутствия долгожданных средних типов танков.
Производство танков Pz.Kpfw.II Ausf.c на предприятии MAN, как будто, началось в марте 1937г. (по другой версии, ближе к осени 1937г.). Сначала 31 танк этой модификации выпускали в рамках контракта 2.Serie/La.S.100, но затем был получен дополнительный заказ еще на 44 танка, уже в рамках работ по 3.Serie/La.S.100. Pz.Kpfw.II Ausf.c по заказу 2.Serie/La.S.100 получили серийные номера 21101–21131, а по заказу 3.Serie/La.S.100 – номера в интервале между 22001–22044. По этим подсчетам, выходит, что было произведено всего 75 танков Pz.Kpfw.II Ausf.c. Однако встречается и такая информация: «В общей сложности было собрано две партии по 100 экземпляров, имевших заводские номера в диапазонах 21101-22000 и 22001-230000. На 25 танках второй партии с номерами 22020-22044 был установлены корпуса из «эрзац-стали» с содержанием молибдена».
Изготовление танков этой партии было завершено в ноябре 1937 года. (Рис.196)


Рис.196 - Pz.Kpfw.II Ausf.c в одной из частей, 1938 год.


Рис.197 – Смотровые приборы водителя. Внизу - смотровой прибор водителя на Pz.Kpfw.II Ausf.A.

Рис.198 - Коробка передач ZF SSG 46.

Рис.199 – Общая схема трансмиссии.
По мнению советских специалистов образца 1940 года – «надёжна в работе, проста в эксплуатации и может быть отнесена к одним из лучших типов механических трансмиссий».
Pz.Kpfw.II Ausf.A стал первой модификацией «двойки», которую выпускал не только MAN. Первые танки 4-й серии в октябре 1937 года были изготовлены на Henschel & Sohn в Касселе. (Рис.200)

Рис.200 - Один из первых Pz.Kpfw.II Ausf.A.
Всего на Henschel построили 28 танков этой модификации (26 в октябре и 2 в ноябре), которые получили серийные номера 23301–23328. MAN подключился к производству позже, изготовив за 1937 год только 22 штуки Pz.Kpfw.II Ausf.А. Всего в Нюрнберге (MAN) было построено 182 танка в двух партиях – 23001–23160 и 23401–23422. Несмотря на то, что MAN немного отставал от графика, наличие двух заводов-изготовителей позволило уже к началу 1938 года выйти на уровень производства в 50 танков за месяц. В общей сложности произвели 210 танков Pz.Kpfw.II Ausf.A.
По другой версии, машины Pz.Kpfw.II Ausf.A получали серийные номера в диапазоне 23001-24000.
В ходе производства Pz.Kpfw.II Ausf.A в его конструкцию вносились некоторые изменения. На подбашенной коробке появились специальные отбойники, которые препятствовали попаданию пуль и осколков в щель подбашенного погона. Тем самым исключалась возможность заклинивания башни. Кроме того, на танках выпуска Henschel (номера 23315–23318 и 23321–23328) появились балки-усилители в кормовой части корпуса. В ходе эксплуатации на машины устанавливались приспособления для крепления и сбрасывания дымовых шашек (Рис.201).

Рис.201 – Pz.Kpfw.II Ausf.A с изменениями.




Рис.202 - Pz.Kpfw.II Ausf.B.
Внизу - Pz.Kpfw II Ausf.В - реконструкция на базе аутентичных шасси.
Отлично видна конструкция подбашенной коробки – место только для водителя.
Первыми к производству Pz.Kpfw.II Ausf.B приступили на заводе Heschel, изготовив первые 14 танков в декабре 1937 года, 15 в январе, 16 в феврале, 18 в марте, 19 в апреле и 20 в марте 1938 года. Машины из Касселя получили серийные номера 24001–24102. В 1938 году появился новый изготовитель Pz.Kpfw.II. Им стал танкосборочный завод Alkett (Altmärkische Kettenfabrik) в Шпандау, пригороде Берлина, построенный концерном Rheinmetall-Borsig AG. Здесь было построено 32 танка с серийными номерами 24201–24232. Помимо этого, достоверно неизвестно, кто изготовил еще 23 танка с серийными номерами 24301–24323. Что же касается MAN, то в Нюрнберге построили 169 танков с серийными номерами 24401–24569. Последние 58 Pz.Kpfw.II Ausf.B с серийными номерами 25001–25058 были выпущены заводом Alkett. Эти машины относились к 6.Serie/La.S.100. Простой арифметический подсчет указывает, что было произведено 384 танка Pz.Kpfw.II Ausf.B, но в некоторых справочниках фигурирует цифра 627.

Рис.204 - Отличия смотровых приборов Pz.Kpfw.II ранних серий (сверху) и Pz.Kpfw.II Ausf.C.

Рис.204 - Смотровые приборы водителя, вид изнутри.

Рис.205 – Схема башни Pz.Kpfw.II Ausf.C, выполненная советскими в 1940г.
Не вполне ясно, где здесь «невысокая командирская башенка с восемью перископическими смотровыми блоками и верхним круглым люком».

Рис.206 – Общая схема обзорности из танка Pz.Kpfw.II Ausf.C.
Состав вооружения не изменился, но устанавливался модифицированный прицел TZF4/38 с новой шкалой, позволявшей вести огонь на дистанциях до 1200 метров, на корме корпуса окончательно «прописались» крепления дымовых гранатометов (по два на борт). Стандартной стала установка приёмо-передающей радиостанции FuG5.
MAN достался контракт на две партии таких танков – 80 машин с номерами 26001–26080 и еще столько же с номерами 26301–26380. Henschel получила второй по объему контракт – 115 танков с серийными номерами 26101–26215. Завод Alkett изготовил всего 15 танков с номерами 26401–26415. Еще 39 танков с номерами 26501–26539 досталось фирме MIAG (Mühlenbau und Industrie Aktiengesellschaft) из Брауншвейга. Последней к числу изготовителей Pz.Kpfw.II Ausf.C присоединилась фирма FAMO (Fahrzeug- und Motoren-Werke GmbH) из Бреслау. Она получила контракт на выпуск 35 танков с серийными номерами 26601–26635. Запуск производства здесь оказался весьма сложным – говорят, по причине нехватки броневого проката, к тому же темпы сильно замедлились после того, как потребовались запчасти для ремонта Pz.Kpfw.II, поврежденных в Польской кампании. В результате два первых Pz.Kpfw.II Ausf.C покинули FAMO в ноябре 1939 года, а последние 9 машин были сданы через полгода – в апреле 1940 года. Всего, получается было произведено 364 танка Pz.Kpfw.II Ausf.C. (Рис.207)




Рис.207 – Довольно редкие фото Pz.Kpfw.II Ausf.C в первозданном виде (правда, отсутствуют некоторые элементы) до модернизаций – отлично видно, как выглядел танк спереди, до установления дополнительной защиты.
Танк попал в руки советским в Польше осенью 1939г.
По иной информации, машины 7.Serie/La.S.100 имели серийные номера в диапазоне 26001-27000, а серийное производство танков Pz.Kpfw.II Ausf.C продолжалось с июля 1938 по март 1940 года, при этом темпы поставки танков выглядели следующим образом: в течение июля собрали лишь 9 машин, в августе – 7, в сентябре – 5, в октябре – 8, а в ноябре 2 – т.е. в сумме получается, что с июля по ноябрь в 1938г. собрали 31 танк Pz.Kpfw.II Ausf.C.
Всего же было построено 1033 Pz.Kpfw.II в модификациях от Ausf.c до Ausf.C.
Некоторые считают, что уже в 1938г. началась модернизация только что выпущенных и выпускаемых машин типа Pz.Kpfw.II – мол, события в Испании убедили, что необходимо усиливать бронезащиту танков. По иным сообщениям, работы над улучшением бронирования Pz.Kpfw.II начались только в октябре 1939 года после разбора итогов польской кампании. В качестве паллиативной меры немецкими специалистами был предложен метод усиления бронирования накладными бронелистами. Поверх гнутого бронелиста корпуса под углом 70° друг к другу приварили две плоские бронеплиты толщиной 14,5 и 20 мм соответственно, из-за чего носовая часть танка приобрела характерную угловатую форму, а толщина брони в лобовой части достигала 30-35 мм. Первые комплекты дополнительной брони стали поступать в войска в феврале 1940 года. Поставлялись они, впрочем, довольно неспешно. К маю 1940 года дополнительную броню получило относительно небольшое количество Pz.Kpfw.II. Модернизация Pz.Kpfw.II продолжилась и после французской кампании. Пишут, что в 1940-1941гг., на танках установили еще дополнительное 20-мм бронирование подбашенной коробки и лобовой части башни, а маска орудия была оснащена щитком с отгибами сверху и снизу, который предохранял стык маски и края амбразуры от попадания свинцовых брызг и мелких осколков. Зазор между подбашенной коробкой и башней защитили бронированным бортиком, приваренным к крыше коробки. Также низкий щиток получил бортовой люк водителя. С экранировкой и усовершенствованиями боевая масса танков поднималась до 9,5 тонны. (Рис.208, Рис.209, Рис.210)

Рис.208 – Танк типа Pz.Kpfw.II Ausf.с - Pz.Kpfw.II Ausf.С до модернизации – характерен закругленный лобовой элемент.

Рис.209 - Pz.Kpfw II Ausf.с-С перед модернизацией (вверху) и после (внизу).


Рис.210 – Вверху - проекции Pz.Kpfw.II Ausf.С с измененным бронированием.
Внизу - Pz.Kpfw.II Ausf.С после модернизации.
Также в ходе модернизации начала сороковых машины Pz.Kpfw.II ранних выпусков получали прицел TZF.4 – как на Pz.Kpfw.II Ausf.C. Еще одним заметным изменением стало появление командирской башенки, которую устанавливали вместо башенного люка (Рис.211).

Рис.211 – Конструкция командирской башенки.
Работы по этой теме начались в октябре 1940 года. (Рис.212)

Рис.212 – Добронированный Pz.Kpfw.II Ausf.c (или Ausf.С), очевидно, с той самой командирской башенкой.
Летом-осенью 1940г. в ходе подготовки вторжения на Британские острова 52 единицы Pz.II переоборудовали в плавающие. По бортам машины крепились два поплавка, при этом танк погружался в воду по верхние ветви гусениц. Корпус подвергся герметизации. Движение на плаву осуществлялось за счет перемотки гусениц, а повороты – за счет их торможения. Скорость на плаву – 10 км/ч. После выхода танка на берег поплавки сбрасывались.
Предположительно в 1940 году на одном из серийных Pz.Kpfw.II Ausf.С в рамках программы по созданию машины разминирования Minenräumfahrzeug auf Pz.Kpfw II mit Hammer Schlaggerät испытывались несколько тралов каткового типа, но в серию ни один из них на Pz.Kpfw II не пошёл. (Рис.213)

Рис.213 - Pz.Kpfw II с минным тралом.
⃰ Производственная программа La.S.100.
Таблица 5 – Производство танков типа La.S.100 (подсчет велся но номерам шасси)
|
Серия |
Заказ |
MAN
|
Henschel |
Alkett
|
MIAG
|
FAMO
|
построено |
сроки |
примечания |
|
1.Serie/La.S.100. |
октябрь 1935г. 75 шт. |
75 шт. |
|
|
|
|
75 шт. |
октябрь 1936г. |
Pz.Kpfw.II Ausf.a Поступили в войска в конце 1936г. |
|
2.Serie/La.S.100. |
июнь 1936г. 100 шт. |
100 шт. |
|
|
|
|
100 шт. |
к осени 1937г. |
Pz.Kpfw.II Ausf.b Поступали в войска в течение 1937г. |
|
2.Serie/La.S.100. 3.Serie/La.S.100. |
март 1937г. |
31 шт. 44 шт. |
|
|
|
|
75 шт. |
осень 1937г. |
Pz.Kpfw.II Ausf.с Поступали в войска в течение 1937г. |
|
4.Serie/La.S.100. |
октябрь 1937 |
182 шт. |
28 шт. |
|
|
|
210 шт. |
март-апрель 1938г. |
Pz.Kpfw.II Ausf.А Поступали в войска в первой половине 1938г. |
|
5.Serie/La.S.100 6.Serie/La.S.100 |
декабрь 1937г. |
169 шт. |
102 шт. |
32 шт. 58 шт. |
|
|
361 шт. + 23 шт.° = 384 шт. |
|
Pz.Kpfw.II Ausf.B Поступали в войска в 1938г. |
|
7.Serie/La.S.100. |
июнь 1938г. |
160 шт. |
115 шт. |
15 шт. |
39 шт. |
35 шт. |
364 шт. |
апрель 1940г. |
Pz.Kpfw.II Ausf.C Поступали в войска в 1938-1940гг. |
° Производитель 23 танков Pz.Kpfw.II Ausf.B (серийные номера 24301–24323) не установлен.
Всего в 1935-1940гг. произведено 1208 танков Pz.Kpfw.II модификаций от Ausf.a до Ausf.C.
⃰ Служба Pz.Kpfw.II Ausf.c- Pz.Kpfw.II Ausf.С.

Рис.214 - Pz.Kpfw.II на параде.


Рис.215 – Pz.Kpfw.II в Польше. На нижнем снимке немецкий боец осматривает подбитый Pz.Kpfw.II Ausf.B. Польша, сентябрь 1939 года.


Рис.216 – Результат после попадания 75-мм снаряда.

Рис.217 - Pz.Kpfw II на железнодорожном мосту у тоннеля. Норвегия, 1940 год.

Рис.218 – Основная машина блицкрига.

Рис.219 – Pz.Kpw.II Ausf.C во Франции, май 1940г.
Танки Pz.II 2-й, 5-й, 8-й, 9-й, 11-й и 14-й танковых дивизий принимали участие в боевых действиях в Югославии и Греции. Всего было задействовано 260 машин, из которых безвозвратно потеряно 13. Также известно, что 2-я танковая дивизия потеряла 37 Pz.Kpfw II, которые ушли на дно вместе с транспортами Kybfels и Marburg, подорвавшимися на минах во время захвата Крита.
На момент начала боёв в Северной Африке по 45 танков Pz.Kpfw II числилось у 5-го танкового полка 5-й лёгкой дивизии и 8-го танкового полка 15-й танковой дивизии. (Рис.220)

В ходе неудачного штурма Тобрука в мае 1941г. немцы потеряли 4 танка Pz.Kpfw II. В июне месяце потери продолжились. Утром 16 июня 1-й батальон 8-го танкового полка располагал девятью боеспособными Pz.Kpfw II, а к вечеру у него оставался всего один танк этого типа. В тот же день 5-й полк потерял два Pz.Kpfw II. В ноябре 1941 года части немецкого корпуса в Африке располагали 77-ю танками Pz.Kpfw II. В ноябре-декабре немцы потеряли еще 56 единиц Pz.Kpfw II (вероятно, в это число входят и танки более поздних модификаций). В январе-мае 1942г. Африканский корпус получал пополнение Pz.Kpfw II, однако это были машины более поздних модификаций.
На 1 июня 1941 года Panzerwaffe имели 1074 танка типа Pz.Kpfw II, из которых в операции против СССР было задействовано 825 машин Pz.Kpw.II.с-С. По другим данным – 746 шт. В течение 1941 года на Восточном фронте было потеряно 424 танка. (Рис.221)



Сами немецкие танкисты понимали, что к русской кампании Pz.Kpfw II устарел, и тем не менее, вот, что вспоминал командир танка Людвиг Бауэр (интервью опубликовано на сайте frontstory.ru): «Если говорить о танке, то с механической точки зрения он был хорошим. Но двигатель бензиновый (- у немцев все танки были бензиновыми, за исключением, советских трофейных Т-34 и КВ). При попадании в танк он легко загорался. Броня тонкая. Поэтому нас вводили в бой только вместе с Pz.III и Pz.IV, всегда во второй волне или на флангах. Этот танк прошёл в 1940-м году французскую кампанию. Там он был ещё так-сяк, но для России он уже не годился и быстро сошёл. В конце ноября 1941 года, наши силы уже заканчивались, но мы всё ещё пытались овладеть Тулой. Перед городом была пологая долина, перегороженная противотанковым рвом… Разобрав деревенские дома, на корму шести или восьми танков сапёры укрепили верёвками брёвна… Танки подъехали к противотанковому рву. Русские немедленно открыли огонь из всех имеющихся у них орудий… Один из танков с брёвнами свалился в ров, но остальные сбросили свой груз так, как это было задумано. Танки второй и третьей волны переехали через ров по проложенному настилу и вышли к высотам прямо перед городом, за ними шли гренадёры на бронетранспортёрах, и мы на танках Pz.II. Я поднялся на высоту и увидел красные тормозные огни городского трамвая. В этот момент по нам попали. Танк сразу же загорелся, я успел выскочить, а водитель и радист сгорели, не успев покинуть танк. Выскочив из танка, я получил ранение большим осколком мины в ногу, а через короткое время ещё пять осколков в бедро. Маленький осколок попал мне в правый глаз, я его не заметил, его мне удалили только в госпитале в Германии». (Рис.222)

Рис.222 – Несмотря ни на что, Pz.Kpfw II Ausf.C в Калмыкии (!), 1942 год.
Есть сведения, что в марте 1945 года в войсках числилось 145 единиц танков этого типа (возможно, более поздние модификации).
⃰ Машины на шасси Pz.Kpw.II.с-С.
В 1939г., перед вторжением в Польшу начались эксперименты по созданию инженерных машин на доступных танковых шасси. Выше уже рассматривался вопрос создания мостоукладчика на шасси Pz.Kpfw.II Ausf.b - Brückenleger II. Впервые об этих машинах заговорили в марте 1939 года. Речь шла о трех танках-мостоукладчиках на шасси Pz.Kpfw.II Ausf.C 4.Serie/La.S.100. Непосредственно MAN этими машинами не занимался, там лишь изготовили 3 шасси для них. Остальная работа легла на Krupp, который построил Brückenleger II. При этом сами мосты, как и в случае с другими немецкими мостоукладчиками, были изготовлены на мощностях фирмы Magirus. На Brückenleger II устанавливали выдвижные мосты. (Рис.223)

Рис.223 – Сразу все три Brückenleger II, сентябрь 1939г.
На шасси Pz.Kpfw.II нашла продолжение и тема Ladungsleger – укладчиков взрывчатых зарядов – работы стартовали в декабре 1939г. в рамках подготовки к возможному прорыву Линии Мажино. Идея заключалась в том, чтобы танк мог подъехать к ДОТу положить на его крышу заряд массой 75 (или 50) кг, после чего отъехать на безопасное расстояние и подорвать заряд, послав электрический импульс по проводам. Подобная машина на шасси Pz.Kpfw.II обозначалась Ladungsleger II. (Рис.224)


Рис.224 - Ladungsleger II в ходе испытаний, 1940 год.
По одной из версий машина называлась Pz.Kpfw.II Ausf.C mit Abwurfvorrichtung.
Для установки такого орудия на шасси Pz.Kpfw.II Ausf.В с танка полностью демонтировалась башня и срезалась подбашенная коробка. Говорят, вначале конструкторы поставили на шасси Pz.Kpfw.II Ausf.В 150-мм орудие по аналогии с первым вариантом 15 см sIG 33 auf Pz.Kpfw.I Ausf.В (на этом шасси ставилось орудие 15cm sIG33 L/11 – т.е. не 12 калибра, как на Pz.Kpfw.II Ausf.В, 11-го) вместе с колесами. Фотографий первого варианта 15cm sIG33 (Sf) auf Pz.Kpfw.II Ausf.B не сохранилось, но, пишут, что испытания закончились неудачей - при стрельбе самоходная установки имела склонность к опрокидыванию.
В октябре 1940 года на испытания вышел новый образец самоходной установки. Колеса с sIG 33 сняли, но сам лафет полностью сохранялся. (Рис.225)

Рис.225 – Вариант САУ под 15 см sIG 33 без колес на шасси Pz.Kpfw.II.
Ширина боевого отделения выросла до полной габаритной ширины машины. Отделение управления было максимально уменьшено, что позволило более рационально разместить орудие. Но все-таки громоздкий лафет занимал слишком большой объем боевого отделения. В феврале 1941 года было принято решение изменить шасси. В конструкторском бюро Alkett приняли простое решение удлинить шасси Pz.Kpfw.II. Длина корпуса выросла с 4810 до 5480 мм, а ширина – с 2223 до 2600 мм. Это заставило внести ряд изменений в ходовую часть. Помимо увеличения числа опорных катков до 6 на борт, пришлось изменять и конструкцию трансмиссии. В качестве силовой установки использовался V-образный 8-цилиндровый двигатель Büssing-NAG L8V/GS, развивавший мощность до 155 лошадиных сил. Бронировка достигала 15 мм. Боевая масса 15 cm sIG 33 B Sfl составляла 16 тонн, то есть почти в 2 раза больше исходного танка (в некоторых источниках пишут, что масса 15cm sIG33 (Sf) auf Pz.Kpfw.II Ausf.B составляла 11,2 тонны, что было больше на 2,3 тонны, чем у базового варианта танка). (Рис.226)



Рис.226 – Серийный образец 15 cm sIG 33 B Sfl.

Рис.227 – Впятером на САУ гораздо веселее.
Водитель получил отдельную рубку. (Рис.228)

Рис.228 – Позиция водителя в рубке.

Рис.229 – Вид на боевое отделение САУ.
Наведение орудия по вертикали составляло от -3° до +73°. Максимальная интенсивность стрельбы, по табличным данным, варьировалась от 5 до 8 выстрелов в минуту. Пушка оснащалась штатным телескопическим прицелом Rblf36 обеспечивавшим 2-х кратное увеличение. В качестве силовой установки остался 6-цилиндровый бензиновый двигатель Maybach HL62 TRM, мощностью 140 л.с. при 2800 об/мин. Согласно другим данным, на серийные самоходки устанавливался двигатель Büssing-NAG L8V максимальной мощностью 150 л.с. при 2800 об/мин и номинальной 135 л.с. при 2500 об/мин. Топливо находилось в двух баках общей ёмкостью 200 литров. Трансмиссия была унаследована от «двойки» и включала 6-скоростную механическую коробку передач (5 скоростей вперед и 1 назад) типа ZF Aphon SSG46, главный и бортовые фрикционы, а также ленточные тормоза. Самоходка могла развивать скорость до 40 км/ч по дорогам с твердым покрытием, запас хода составил 180 км. На САУ устанавливалась радиостанция Fug Spr I, представлявшая собой приёмо-передатчик, работающий в УКВ диапазоне, и оснащенная штыревыми антенной длиной 1,4 или 2 метра. Дальность связи составляла до 3 км на стоянке.
Несмотря на перегруженность машины, все же было заказано 12 таких САУ. Первые 7 самоходных установок были сданы в декабре 1941 года, оставшиеся – в январе 1942 года.
Во многих источниках 15 cm sIG 33 B Sfl называют Sturmpanzer II, либо Bison, но ряд авторов замечают, что на практике ни то, ни другое обозначение к этим машинам не применялось.
Все выпущенные 15 cm sIG 33 B Sfl отправились во вновь сформированные подразделения — s.IG.Kp(Mot.S) 707 и s.IG.Kp(Mot.S) 708, по 6 машин на батарею. Штатная структура батарей оказалась аналогичной структуре подразделений, которые использовали 15 cm sIG 33 (mot S) auf Pz.Kpfw.I Ausf.B. Из-за того, что возимый боекомплект САУ был небольшим, снабжение боеприпасами осуществлялось при помощи полугусеничных тягачей Sd.Kfz.10.
В феврале 1942г. в Африку отправили 708-я моторизованную батарею sIG (включили в состав 90-й легкой дивизии, сюда входил 190-й танковый батальон). В апреле в эту дивизию включили и 707-ю моторизованную батарею. (Рис.230)

Рис.230 – Разгрузка 15 cm sIG 33 B Sfl в порту, начало 1942 года.




Рис.231 – САУ на фоне Африки.
После войны несколько установок оказалось в египетской армии. Последняя 15 cm sIG 33 B Sfl была уничтожена в 1948 году в ходе войны за независимость Израиля.
В конце 1938 года появился вариант, предусматривавший установку полевой пушки 10.5cm L/33.8 на лафете Sprezllafette на шасси Pz.Kpfw.II - проект был подан в январе 1939г. представителями фирм Rheinmetall-Borsig и Alkett. Эту самоходку предполагалось использовать для разрушения бетонных бункеров, но проект был отвергнут.
Пишут, что в 1941 году на шасси Pz.Kpfw.II было построено два экземпляра противотанковых самоходных орудий, оснащенных 50-мм пушками PaK38. (Рис.232)


Рис.232 – 5cm PaK 38 L/60 auf Fahrgestell Pz.Kpfw.II (Sf).
Самоходки имели отличительную особенности в виде высокой надстройки с наклонным лобовым бронелистом, за которой устанавливалось орудие с отдельным бронещитом. В некоторых источниках эту самоходку относят к типу “Marder II”, но другие авторы считают, что это не совсем правильно. Работы над ней проводились в инициативном порядке и официального названия она не имела. Прототипы были отправлены на фронт для проведения войсковых испытаний. О боевом применении самоходных орудий 5cm PaK 38 L/60 auf Fahrgestell Pz.Kpfw.II (Sf) информации найти не удалось. По другим сведениям, предположительно, эти машины использовались в учебных подразделениях. Далее работы над самоходными орудиями с 50-мм противотанковыми орудиями были прекращены.
Некоторые считают, что 5cm PaK 38 L/60 auf Fahrgestell Pz.Kpfw.II (Sf) строились на базе более поздней модификации Pz.Kpfw.II Ausf.F.
На базе линейных танков Pz.Kpfw.II Ausf.С создавались и машины артиллерийских наблюдателей – Panzerkampfwagen II Ausf.С mit Beobachtungsturm. На башне обычного танка вырастала дополнительная башенка. (Рис.233)

Рис.233 – Panzerkampfwagen II Ausf.С mit Beobachtungsturm.
По дополнительному бронированию заметно, что танк после модернизации.
Взамен этих машин в армии появился новый вариант танков-корректировщиков огня на базе «двоек» – Panzerbeobachtungswagen II Ausf.C. Штатные радиостанции танков заменили на FuG Spr.f, на крышах моторных отделений разместили бронированные ящики для дополнительных радиостанций FuG8, которые могли вести передачу на расстояние 50 км ключом и на 10 – голосом. По периметру крыш моторных отделений установили поручневые антенны и, в дополнение к ним, за башнями с левой стороны разместили съёмные штыревые антенны. (Рис.234)

Рис.234 - Panzerbeobachtungswagen II Ausf.C.
Штабу каждой батареи САУ Hummel или Wespe (6 единиц) придавались два танка-корректировщика артогня на базе Pz.Kpfw II. Пишут, что всего таким образом немцы переоборудовали около 200 танков.
На базе Pz.Kpfw II Ausf.С продолжили тему БРЭМ Bilstein Kran. (Рис.235)

Рис.235 - Pz.Kpfw II Ausf.С Bilstein Kran.

Рис.236 - Munitionsschlepper II.

Рис.237 - Инженерный тягач Pioner-Kampfwagen II.

Рис.238 - Pz.Kpfw II с котлом.
⃰ Новые спецификации.
Вероятно, переломным днем в истории немецкого танкостроения можно считать 27 января 1934г. Пишут, что в этот день Управление вооружений выдвинуло спецификации (объявило конкурс) на два новых типа танка. Один - массой 10 т (в некоторых источниках пишут – 15 т), вооруженный 37-мм пушкой танк, преимущественно, предназначался для борьбы с бронированными целями. Другой – танк огневой поддержки, массой 17-18 т с 75-мм орудием и запасом хода до 200 км. Оба типа являли собой систему, где танк с 37-мм пушкой выглядел, как основной танк панцерваффе, а танк с более мощным орудием, как танк огневой поддержки основного типа и других типов танков. Такой взгляд соответствовал британской доктрине танкового построения. Первый тип получил кодовое название Zugführerwagen или Z.W. (танк командира взвода, переводят также – танк командира роты), второй - Bataillonsführerwagen или B.W. (танк командира батальона, наверное, можно перевести и как «батальный» танк). Из материалов немецких авторов Томаса Йентца и Вальтера Шпильбергера следует, что аббревиатура B.W. появилась в переписке между Krupp и 6-м управлением вооружений от 14 ноября 1934 года и означало оно - Begleitwagen, танк поддержки. К работам по темам привлекались компании «Рейнметалл», «Крупп», «Даймлер-Бенц» и M.A.N.
Этим решением окончательно подводилась черта под темой Leichttraktor.
1 апреля 1934 г. майор Харпе организовал в Путлосе артиллерийские курсы, которые вскоре были преобразованы в танково-артиллерийские. Примерно в это же время в Берлине открылась автомобильная школа сухопутных войск. К лету 1934г. учебное командование «Цоссен» получило 55 учебных машин на шасси Pz. I.
1 июля (по иным данным, 1 июня) 1934 года вместо инспекции моторизованных частей учреждалось «Командование боевых моторизованных частей» (по другим сведениям, появилось название Управление танковых войск), которое возглавил генерал-лейтенант Лутц, начальник штаба - Гудериан. В связи с этим Гудериан замечал (в воспоминаниях): «К 1 июля 1934 года экспериментальная работа приобрела такой размах, что стало необходимо учредить специальное управление танковых войск, которое возглавил его первый командующий, бывший инспектор, генерал-лейтенант Лутц. Задача нового управления состояла в том, чтобы продолжать эксперименты с моторизованными войсками, а также изучать и проверять тактику, с помощью которой можно было бы наиболее эффективно использовать эти новые формирования».
Пишут также, что 1 июля 1934г. было образовано учебное командование «Ордурф» (Kraftfahrlehrkommando Ohrdruf) – по аналогии командования в Цоссене. Возглавил его подполковник Риттер Людвиг фон Радльмайер. Командовать первым батальоном было поручено подполковнику Фридриху Кюну, а вторым — майору Риттеру Вильгельму фон Тома.
В течение 1934г., как считается, Гудериан настоял на обязательной радиофикации всех танков. (Рис.238а)

Рис.238а – Стандартный комплект танкового радиооборудования Fu5: слева приемник, справа – передатчик. На небольших танках типа PzI можно было устанавливать только приемники. Серийное производство развернуто с 1936г.
Пишут, что у Гудериана в этом вопросе был влиятельный противник – генерал Людвиг Бек (Рис.239), имевший авторитет военного теоретика.

Рис.239 - Людвиг Август Теодор Бек (Ludwig August Theodor Beck), 1880-1944гг.
Начальник Генштаба сухопутных войск 1935 - 1938гг.
В августе 1938г. подал рапорт об отставке и прекратил исполнять обязанности начальника Генштаба по причине несогласия с курсом на подготовку к войне.
Впоследствии стал главой военной оппозиции к Гитлеру, принял участие в мятеже летом 1944г.
Когда Гудериан заявил, что он будет руководить действиями танковой дивизии по радио, Бек ответил: «Чушь! Командир дивизии должен сидеть в тылу за картами и телефонным аппаратом. Все остальное - утопия!». Бек видел в танках лишь средство поддержки пехоты. Однако позицию Гудериана поддержали другие столпы рейхсвера: генералы Бломберг (Рис.240), Рейхенау (Рис.241) и Фрич (Рис.242), которые выступали за более широкие и интенсивные испытания и подготовку моторизованных частей.

Рис.240 – Вернер Эдуард Фриц фон Бломберг (Werner Eduard Fritz von Blomberg),
1878 – 1946гг.
В 1933г. назначен Гитлером министром обороны (с 1935г. Военное министерство), возглавлял ведомство до 1938г.
Являлся одним из самых преданных последователей Гитлера в деле увеличения размера и мощи армии.

Рис.241 - Ва́льтер Карл Эрнст Август фон Ре́йхенау (Walter Karl Ernst August von Reichenau), 1884-1942гг.
В 1933 - 1935 годах был начальником одного из управлений военного министерства.
Прославился тем, что сочинил текст присяги на верность рейхсфюреру Гитлеру.
Рис.242 - Барон Вернер Фрайхерр фон Фрич (Thomas Ludwig Werner Freiherr von Fritsch),
1880-1939гг.
В 1934 - 1938 годах на посту главнокомандующего сухопутными силами, активно способствовал перевооружению Германии, проделал огромную работу по воссозданию армии.
Погиб во время польской кампании.
2 августа 1934 года Гитлер получил полномочия диктатора - умер Рейхспрезидент Германии Пауль фон Гинденбург, с его смертью пост Рейхспрезидента был упразднен, и вся полнота власти в Германии перешла к Рейхсканцлеру, каковым с 1933г. являлся Гитлер. (Рис.243)

Рис.243 – Передача эстафеты.
Гитлер, как и другие руководители нацистской партии, считал себя революционером, поэтому и в военном деле он также приветствовал революционные идеи. Понятия блицкрига, создания и применения крупных танковых соединений были одними из наиболее революционных идей того времени. Пройдоха Гудериан решил заполучить себе в союзники вождя нации. В конце 1934 года на полигоне в Куммерсдорфе он показал Гитлеру пять взводов: мотоциклетный, противотанковый, легких танков, лёгких и тяжелых бронемашин, видимо, сопроводив показ соответствующими комментариями о необходимости сбалансированных танковых (моторизованных) подразделений. Как пишут, демонстрация оказала сильное впечатление на фюрера: «Вот что мне нужно! — воскликнул он с заскоком в гортани. — И это у меня будет!». Некоторые даже считают, что показ Гудериана имел историческое значение, как некая точка отсчета создания Panzertruppen (Panzerwaffe). В последующие годы тема строительства и развития танковых войск будет значительно занимать Гитлера.
1 октября 1934г. генерал фон Фрич отдал тайное распоряжение о формировании 1-й танковой бригады, которая должна была подчиняться командующему моторизованным кавалерийским корпусом. 12-й кавалерийский полк, дислоцировавшийся в Дрездене и Каменце, был лишен статуса кавалерийского и стал первым моторизованным полком сухопутных войск. Учебные командования «Цоссен» и «Ордруф» были официально признаны тем, чем являлись на самом деле: 1-м и 2-м танковыми полками. Командования в полки разворачивались следующим образом - сначала организовывались первый батальон в составе четырех рот, полностью оснащенный «единичками» - в каждой роте «в среднем» находилось 8 танков. Той же зимой 1934-1935гг. 12-й кавалерийский (моторизованный) полк получил танки и прошел переподготовку, став 3-м танковым полком.
⃰ Zugführerwagen.
Танк типа Z.W. начал обсуждаться еще в конце 1933г. Z.W. определялся, как основной тип панцерваффе и заменял тему Leichttraktor, так и не доведенную до серийного производства. Согласно первым прикидкам, на новый танк переходило вооружение от Leichttraktor в виде 37-мм пушки, которое немецких военных устраивало. Более точные требования появились в январе 1934 года. 27 числа 6-е Управление вооружений, отвечавшее за разработку бронетанковой техники, запустило процесс разработки танка с 37-мм пушкой, боевая масса которого оценивалась примерно в 10 тонн. Разработка концепции танка шла в тесном сотрудничестве с концерном Krupp, поэтому ничего удивительного, что основой концепции стала конструкция La.S. Основные черты этой концепции (немецкого типа танка): машина с кормовым расположением бензинового двигателя, трансмиссия и ведущие колёса спереди, башня на съёмной подбашенной коробке. Согласно спецификации, разработанной 6-м Управлением вооружений, танк 10-тонного весового класса должен был иметь 300-сильный 10-литровый двигатель Maybach HL 100 TR и 6-скоростную коробку переключения передач ZF SSG 75. Оговаривалась и ширина трака, которая должна была составить 326 мм. Любопытно, что характеристики удельной мощности и боевой массы типа приближаются к таковым показателям танка Кристи обр. 1931г. Некоторые авторы усматривают в этом факте нечто большее, чем совпадение.
Весной 1934г. был объявлен конкурс на разработку танка типа Z.W. (Zugführerwagen), также использовалось обозначение Gefechtskampfwagen 3.7 cm (3.7 cm Geschütz-Kampfwagen,), «боевая машина с 37-мм пушкой» и Vskfz 619 («опытная машина 619»). В деле приняли участие 4 фирмы: Daimler-Benz, Krupp, MAN и Rheinmetall-Borsig.

Рис.244 – Модель варианта Krupp по теме Z.W.
В некоторых источниках этой модели присваивают обозначение Zugführerwagen Krupp Vk 619.
По результатам рассмотрения проектов, работы по шасси и башням разделили. До конца 1934 года компании Daimler-Benz и MAN получили контракты на строительства одного шасси для Z.W. каждая. Krupp и Rheinmetall-Borsig получили контракты на изготовление по одной опытной башне. Вскоре из проекта вышла MAN, в результате чего Daimler-Benz получила контракт на два опытных шасси танка.
Опытные образцы шасси Z.W. были изготовлены в августе 1935 года. Башни также были готовы к августу 1935г. Оба производителя проектировали башни трехместными, рассчитанными на командира, наводчика и заряжающего. На одном танке установили башню от Rheinmetall-Borsig (Рис.245), на другом – от Krupp (пишут, что Krupp изготовил сразу две башни).

Рис.245 - Продольный разрез башни разработки Rheinmetall-Borsig.
К тому моменту танк снова переименовали – теперь он стал называться 3.7 cm Geschütz-Panzerwagen, то есть «бронированная машина с 37-мм орудием». (Рис.246, Рис.247)

Рис.246 - Z.W. с башней Krupp, 1935г.

Рис.247 - Z.W. с башней Rheinmetall-Borsig, 1935г.
Параметры изготовленных Daimler-Benz шасси несколько
отличались от изначальных характеристик Z.W. Машина получилась на 40 см длиннее
и почти на 20 см шире. Толщина бронелистов
корпуса варьировала от 10 до 14,5 мм, обеспечивая защиту от пуль винтовочного
калибра. На опытных Z.W., впрочем, использовалась неброневая сталь. В отделении
управления размещались водитель и стрелок-радист. Благодаря характерной
«ступеньке» подбашенной коробки и наличию боковых смотровых приборов из
отделения управления обеспечивался хороший обзор. В трехместной башне командир
танка находился позади орудия и имел командирскую башенку. Некоторые
улавливают, что в конструкции башен просматривается влияние разработок по теме
прототипа среднего танка Nb.Fz., а также башни для La.S. (от Daimler-Benz).
Отмечается, что особенно сильно влияние Nb.Fz. ощущалось в конструкции башни
Rheinmetall. Командирская башенка была взята с минимальными изменениями от
Nb.Fz. Борта и корма башни представляли собой единую гнутую деталь. Орудийная
установка имела внешнюю маску. Вооружение танка состояло из одной 37-мм пушки
3,7cm KwK с длиной ствола 46,5 калибра. Согласно табличным значениям,
бронебойный снаряд 3.7cm Pzgr массой 815 грамм развивал начальную скорость 1020
м/с и мог пробить на дистанции до 500 метров вертикально установленный лист
брони толщиной 34 мм. Но фактически бронепробиваемость 37-мм снарядов оказалась
ниже. Дополнительное стрелковое вооружение состояло из трех 7,92-мм пулеметов
MG34. Два из них монтировались в маске справа от орудия, а третий находился в
лобовом листе корпуса. Боекомплект к 37-мм пушке составил 120 бронебойных и
осколочно-фугасных выстрелов, а также 4425 патронов к пулеметам.
На
танках Z.W. был установлен 300-сильный
двигатель Maybach HL 100 TR с КПП ZF SSG 75. Максимальная скорость машины
оценивалась в 40 км/ч. Ходовая часть танков воплотила
наработки по ходовой с независимой пружинной подвеской, выполненные на
экспериментальном танке Leichttraktor 1933. Ведущие
колёса, как и трансмиссия, находились в передней части корпуса. Использовались
ведущие колеса большого диаметра, ведущие колеса имели зубчатое зацепление
гусениц, при этом венец делался съёмным. Ленивцы
также были большого диаметра. Опорные катки имели несколько меньший диаметр,
чем на Leichttraktor 1933, а их количество достигло 5-ти штук на борт. Ширина
траков, по сравнению с изначальным проектом, увеличилась до 360 мм.
В апреле 1936 года танк обрёл название Panzerkampfwagen III (3.7 cm) - «бронированная боевая машина III с 37-мм пушкой», одновременно был присвоен сквозной индекс Sd.Kfz.141, то есть «спецмашина 141».
Год спустя (т.е. в 1937г.) была выпущена серия (1.Serie/Z.W.) из 10 танков Pz.Kpfw.III Ausf.A (Рис.248), которые получили серийные номера шасси 60101–60110 – в некоторых источниках сообщают, что их производство началось в 1936г.






Рис.248 - Pz.III Ausf.A.

Рис.249 - В таком виде башня пошла на первые серийные Pz.Kpfw.III.
Вооружение одна 37-мм пушка 3.7cm KwK L/46,5 и три 7,92-мм пулемета MG34 (один в лобовом листе корпуса и два в башне справа от пушки). Боекомплект 120 выстрелов, 4425 патронов. Экипаж 5 чел. Приборы прицеливания телескопический прицел TZF5a и оптический KgZF2. Средства связи радиостанция FuG5 со штыревой антенной, ТПУ и светосигнальный прибор. Вместо двигателя Maybach 100 TR был установлен другой мотор – HL 108 TR карбюраторный, 12-цилиндровый, объёмом 10,8 литров и мощностью 250 лошадиных сил при 3000 об/мин. Трансмиссия ZF SGF 75 механического типа: синхронизированная 5-ступенчатая КПП (5+1), планетарный механизм поворота, бортовые дифференциалы. В ходовой части переделали ведущие колёса и ленивцы, последние стали меньшими по диаметру. Немного другой оказалась и конструкция подвески, в которой также установили амортизаторы для передних опорных катков. Но в целом конструкция ходовой не изменилась: 5 опорных катков с подвеской на вертикальных пружинных рессорах, 2 поддерживающих ролика, переднее ведущее и заднее направляющее колесо, мелкозвенчатая гусеница со стальными траками. Машина разгонялась до 32 км/ч по шоссе 18 км/ч по местности, запас хода 165 км по шоссе 95 км по местности. Преодолеваемые препятствия: угол подъёма - 30°, высота стенки - 0,6 м, глубина брода - 0,80 м, ширина рва - 2,7 м.
Первые серийные Pz.Kpfw.III поступили в 1-й танковый полк 1-й танковой дивизии, а также 5-й полк 3-й танковой дивизии. По другим данным, танки распределялись между 1-ой, 2-ой и 3-ей дивизиями. Зимой 1937-1938 гг. они участвовали в больших зимних манёврах вермахта. Впервые танки Pz.III Ausf.A были публично показаны на параде в Берлине 20 апреля 1938г. В составе тех же формирований танки участвовали в польской кампании 1939 года. (Рис.250)









Рис.250 - Pz.III Ausf.A в строевых частях.
Внизу - в составе 1-го танкового полка 1-й танковой дивизии во время боёв в Польше, сентябрь 1939 года.
Пишут, что машины Pz.III Ausf.A прошли модернизацию, в ходе которой были усовершенствованы агрегаты силовой установки, прежде всего механизм поворота и бортовые передачи. Другие доработки включали изменение конструкции вентиляционных отверстий силового отделения и системы выхлопа. Параллельно был введен новый тип командирской башенки, такой же, что и на танке Pz.IV Ausf.A, а на корме в специальных карманах можно было установить пять дымовых шашек. Место крепления антенны также было перенесено чуть дальше к корме. В сумме проведенные доработки позволили увеличить максимальную скорость до 35 км/ч, хотя боевая масса увеличилась по одним сведениям, до 15,4 тонн, по другим - до 15,9 тонн. (Рис.251)

Рис.251 – Модернизированный экземпляр - на нём стоит новая установка курсового пулемёта, фара Notek. Также сзади ставили дымовые гранатомёты.
Из первой линии Pz.III Ausf.A вывели только после того, как в танковые части попало достаточное количество Pz.Kpfw.III модификаций Ausf.E-G. Затем танки перешли в разряд учебных машин, их распределили по тренировочным центрам. При этом с некоторых танков были сняты башни вместе с подбашенными коробками, и в таком виде они «прожили» как минимум пару лет. Окончательно Pz.III Ausf.A списали только по износу.
⃰ Pz.III Ausf.B, C, D.
Пишут, что во время испытаний танков Z.W.1 и Z.W.2 немецкие специалисты обратили внимание на фундаментальный недочет ходовой части с подвеской на пружинных свечах – это продольная раскачка танка при движении и при торможении. При резком торможении, танк на пружинной подвеске по инерции тянуло (качало) сначала вперед, потом назад, и только затем машина приходила в нормальное положение. Учитывая, что наиболее эффективную стрельбу танки могли вести с коротких остановок, время на раскачивание (не менее 3-4 сек) снижало скорость наведения на цель и задерживало выстрел, что предоставляло очевидные выгоды для противника. В качестве альтернативы выступала рессорная тележечная подвеска, появившаяся в тот момент на приблизительно аналогичном чехословацком танке LT vz.35 (Рис.252), демонстрировавшим неплохие динамические результаты.

Рис.252 – Чехословацкий танк LT vz.35.
Пишут, что немцы пытались добыть технические сведения об этом танке, но чехословаки проявили бдительность.
Новая ходовая часть на борт имела 8 опорных катков, объединенных в 2 группы из 2-х тележек в каждой группе. Каждая группа тележек подвешивалась на группе больших листовых рессор, снабжённых гидравлическими амортизаторами типа Fichtel und Sachs -т.е. таких групп рессор было две. Число поддерживающих катков составило 3 штуки, диаметр ленивца 770 мм. Длина опорной поверхности каждой из гусеничных цепей сократилась с 3400 мм (Pz.III Ausf.А) до 3200 мм. (Рис.253)

Рис.253 – Танк типа Z.W. на рессорной ходовой с двумя большими рессорами.
Шасси, которое обозначили как Z.W.3. получило улучшенные вентиляторы системы охлаждения, 5-скоростную КПП, усиленные тормоза и механизмы поворота. Поставили двигатель Maybach HL 108.
Вторая машина - Z.W.4 – также получила рессорную подвеску, но в ходовой части присутствовало не две группы больших рессор на две группы тележек, а одна группа рессор по центру на вторую и третью группу тележек. Первая и последняя тележки имели, каждая своя, короткие параллельные (половинчатые?) рессоры. Машина сохранила мотор Maybach HL 108, но была изменена конструкция системы выхлопа, устройство планетарных механизмов поворота, а также был использован новый тип буксирных крюков. (Рис.254)



Рис.254 – Ходовая часть Z.W.4.
Первоначально в серию пустили вариант Z.W.3 - Pz.III Ausf.B. Всего было заказано пятнадцать машин второй серии (2./Z.W. Serie) с серийными номерами 60201–60215. Однако в виде танков Pz.III Ausf.B было получено только 10 машин, на остальных пяти шасси построили предсерийные штурмовые танки Pz.Sfl.III (s.Pak), прототипы StuG.III. Предполагалось, что позже Daimler-Benz вместо шасси, пущенных на изготовление Pz.Sfl.III (s.Pak), изготовит ещё пять танков Pz.III Ausf.B, но этого не случилось, хотя Krupp произвел под данный контракт все пятнадцать башен.
К 9 ноября 1937 года было готово восемь танков, два из которых были отправлены в 5-й танковый полк (Вюнсдорф), а остальные попали в училище, располагавшееся в Путлосе. Ещё два танка 6 декабря 1937 года попали в 1-й танковый полк. В некоторых источниках можно прочитать, что поставки Pz.III Ausf.B (Рис.255) армии начались с середины 1937г. по январь 1938г.


Рис.255 - Pz.III Ausf.B.
Масса машины Pz.III Ausf.B составила 16 тонн (специалисты считают, что скачок массы произошел за счет тяжелой ходовой части с рессорами и тележками). Габариты: длина – 5670 мм, ширина – 2810 мм, высота – 2390 мм, клиренс – 380 мм. Бронирование: лоб корпуса — 14,5 мм, борт корпуса — 14,5 мм, корма корпуса — 14,5 мм, лоб башни — 14,5 мм, борт башни — 14,5 мм, корма башни — 14,5 мм, крыша надстройки — 10 мм днище — 4 мм. Экипаж, вооружение и боекомплект, как на Pz.III Ausf.А. Серийные Pz.Kpfw.III Ausf.B отличались от опытного Z.W.3. Ведущие колёса и ленивцы, а вместе с ними и траки для них были взяты от Pz.III Ausf.A. Корпуса этих танков получили на нижнем лобовом листе характерные круглые люки на петлях, предназначенные для обслуживания тормозов. Правда, выглядят они довольно неудобно - для доступа к агрегатам требовалось открутить более, чем десяток болтов на каждом люке. Pz.III Ausf.A и более поздние модификации танка имели квадратные люки без петель. На серийных машинах использовался мотор Maybach 108 TR.
Несколько позже в серию (3./Z.W. Serie, позже 3a./Z.W. Serie) был запущен и вариант Z.W.4 - версия Pz.III Ausf.C. (Рис.256)


Рис.256 - Pz.III Ausf.C.
Внизу фото 1939г., на танке появились установки для дымовых гранатометов.
Масса танка 16 тонн, прочие характеристики также совпадали с вариантом Pz.III Ausf.В. Как и танки второй серии, Pz.III Ausf.C получили ведущие колёса, ленивцы и траки от Pz.III Ausf.A. На нижнем лобовом листе вместо круглых на петлях появились квадратные люки без петель для доступа к механизмам трансмиссии. Танки имели улучшенные смотровые приборы, которые первоначально были разработаны для Pz.II Ausf.A. Несколько изменилась форма надмоторной плиты, а также задних брызговиков. Башня получила улучшенную командирскую башенку, которую Krupp изначально разработал для Pz.IV Ausf.B. Она имела усилительное кольцо толщиной 30 мм, что заметно улучшило защиту. Впрочем, некоторые считают, что улучшенная командирская башенка появилась на более позднем варианте - Pz.III Ausf.D.
Согласно заключённому контракту, фирма Daimler-Benz осенью 1937 года начала сборку 15-ти Pz.III Ausf.C по контракту 3а./Z.W. Serie. Танки получили серийные номера 60301–60315. Концерн Krupp получил контракт на 4 башни, остальной заказ выполнила компания Alkett (Altmärkische Kettenfabrik) из Шпандау, пригорода Берлина. Заказ 3a./Z.W. Serie, как будто, был выполнен в январе 1938г., но их производство могло растянуться и до ноября 1938г.
К моменту начала сборки танков Pz.III Ausf.C зародилась мысль еще усовершенствовать ходовую часть, поскольку конструкция ходовой Pz.III Ausf.C с половинчатыми рессорами на первой и второй тележках выглядела сыровато. В обновленной ходовой вместо параллельных (половинчатых?) рессор передняя и задняя тележки получили полноценные рессоры, установленные под углом, также в конструкции ходовой появились амортизаторы, введены новые ведущие и направляющие колеса. Несколько по-иному стала выглядеть и конструкция подвески центральных катков. (Рис.257)

Рис.257 – Доработанная ходовая часть.

Рис.258 – Варианты командирских башенок.
Таким образом появилась новая модификация Pz.III Ausf.D. (Рис.259)




Рис.259 - Pz.III Ausf.D.
Внизу снимок Pz.III Ausf.D, сделанный в ходе польской кампании.
С августа 1938 года немецкие танки оснащались Nebelkerzenabwurfvorrichtung (система установки дымовых гранат). Это устройство размещалось на корме корпуса. Стойка содержала пять гранат, которые командир мог активировать по проводам – с помощью проволоки, соединенной с распределительным валом, дымовая граната сбрасывалась на землю. При активации, Panzer пятясь кормой, мог скрыться в дымовой завесе. Эта система оказалась не очень эффективна и позже во время войны заменялась установленными на башне дымовыми гранатометами. (Рис.260)


Рис.260 - Система Nebelkerzenabwurfvorrichtung на корме «тройки».
Поскольку Pz.III Ausf.D формально являлся доработкой Pz.Kpfw.III Ausf.C, его включили в общий контракт на изготовление 3./Z.W. Serie. Танки Pz.Kpfw.III Ausf.C в документах обозначались как 3a./Z.W. Serie, а Pz.Kpfw.III Ausf.D – как 3b./Z.W. Serie. Заказ на 3b./Z.W. Serie был размещён параллельно с 3a./Z.W. Serie. Танки модификации Pz.III Ausf.D получили серийные номера в диапазоне 60316–60340 – 25 штук.
Считается, что изготовление варианта Pz.III Ausf.D стартовало в январе 1938г. Окончательно танки 3-й производственной серии были закончены к концу ноября 1938 года. Правда, на этом выпуск Pz.Kpfw.III Ausf.D не закончился, поскольку на Daimler-Benz всё ещё продолжал числиться заказ на 4 дополнительных Pz.Kpfw.III Ausf.B. В итоге он был переоформлен на 5 дополнительных Pz.Kpfw.III Ausf.D с серийными номерами 60221–60225. Выполнение заказа затянулось, и эти танки были построены только в октябре 1940 года. Они получили невостребованные башни от Pz.III Ausf.B – кстати говоря, толщина бронирования этих башен составляла всего 14,5 мм.
Итак, модели Pz.Kpfw.III Ausf.В-D или, как их метко окрестили в литературе «тройки на рессорах» появились как вынужденная мера в качестве альтернативы совершенно не устроивших военных танков Pz.Kpfw.III Ausf.А на пружинной подвеске свечного типа. Однако насколько это решило проблему адекватной ходовой части? В ходе эксплуатации выяснилось, что у опорных катков малого диаметра невысокий ресурс. Сама же подвеска, по сравнению с Pz.III Ausf.A, стала значительно мудренее (Рис.261), а, значит, чаще ломалась.

Рис.261 – Схема смазки Pz.III Ausf.D.
Также на танках этих серий наблюдались проблемы с тормозами.
По ходу дела в войсках танки постепенно проходили модернизацию. Прежде всего, в кормовой части корпуса были установлены дымовые бомбомёты. Начали их ставить с августа 1938 года. Часть танков получила передние и задние конвойные фонари Notek. Вместо 10-метрового троса, который часто рвался, в состав ЗИП были введены два 5-метровых.
Первыми из троек на рессорах показали на параде в Берлине 20 апреля 1938г. танки Pz.III Ausf.В. Вообще, подобно машинам Pz.III Ausf.А варианты Ausf.В-D в основном поступали в учебные части (1 учебный танковый полк). Но к 1 сентября 1939г. 51 танк Pz.Kpfw.III (А-D) находился в боевых частях вермахта. 20 штук Pz.Kpfw.III находилось в составе 1-го танкового полка 1-й танковой дивизии. Остальные полки имели по 3 танка этого типа.
Итоги боевых действий в Польше оказались для первых троек неважными. (Рис.262)

Рис.262 - Pz.III Ausf.D. Польша, сентябрь 1939 года.
Почти половина принимавших участие в кампании танков (24 штуки) были потеряны. Танки теряли как от вражеского огня, так и по причинам отказа техники. (Рис.263)

Рис.263 – Продырявленный польскими снарядами танк Pz.Kpfw.III.
Подбитая и сломавшаяся техника зачастую использовалась в качестве доноров запасных частей. Некоторые авторы в этой связи ехидно замечают, что: «Абсолютно равноценными противниками для них оказались не только польские танки 7ТР, но и танкетки», хотя понятно, что главным противником немецких танков была довольно эффективная польская противотанковая артиллерия.
После Польской кампании было принято решение вывести Ausf.В, С и D из состава боевых частей. Этот процесс был завершен в феврале 1940 года - к концу месяца 34 танка Pz.Kpfw.III ранних модификаций оказались изъяты из частей и отправлены на капитальный ремонт. Затем танки были переданы в учебные подразделения, причем с некоторых таких машин даже снимались подбашенные коробки. (Рис.264)

Рис.264 – Учебный Pz.Kpfw.III без подбашенной коробки и, соответственно, башни.
На фото танк, как будто, более поздней модификации – в ходовой части не видно рессор.


Рис.266 - Сломавшийся и брошенный осенью 1941 года Pz.III Ausf.D с башней Ausf.B из состава Panzer-Abteilung z.b.V.40.
⃰ Командирская машина на базе Pz.III Ausf.D.




Рис.267 - Pz.Bef.Wg. Ausf.D1.
По первоначальным планам, производство 30 машин Pz.Bef.Wg. Ausf.D1 (3c./Z.W. Serie) должно было начаться осенью 1938 года. Первая машина серии, получившей номера в диапазоне от 60341 до 60370, была готова к апрелю (-?) 1938 года. До конца декабря 1938 года было изготовлено 26 машин, оставшиеся 4 были построены к марту 1939 года. Из этого числа 24 машины относились к модификации Sd.Kfz.267, а 6 к — Sd.Kfz.268. На начало польской кампании в вермахте насчитывалось 32 командирских машины на шасси Pz.III (включая более поздние машины Pz.Bef.Wg. Ausf.E). По итогам боёв 13 из них оказались потеряны – треть, хотя машины действовали во второй линии.
Машины Pz.Bef.Wg. Ausf.D1 прошли кампанию во Франции, активно участвовали в боях на Восточном фронте. Отдельные машины Pz.Bef.Wg. Ausf.D1, возможно, дожили до лета 1943г. (- это, несмотря, на проблемы с ходовой).
⃰ Bataillonsführerwagen.
27 января 1934г. Управление вооружений выдвинуло спецификацию на танк огневой поддержки, массой 17-18 т с 75-мм орудием и запасом хода до 200 км. Тип получил шифр B.W. (Begleitwagen). Он создавался в дополнение к типу Z.W., как средство его усиления за счет более мощной пушки с осколочным снарядом, способным поражать противотанковую оборону за пределами досягаемости других танков. Планировалось, что основной задачей нового танка станет борьба с вражеской пехотой и лёгкими укреплениями. Танки поддержки, выступавшие в роли помощников танков-истребителей, предполагалось выпускать в небольших количествах. Танк должен был иметь боевую массу 17–18 тонн (габариты: 5600 x 2900 x 2650 мм) при толщине бронирования на уровне Z.W., т.е. 5-14,5 мм - некоторые указывают, что якобы, оговаривалось бронирование в пределах от 30 мм (для лобовых деталей) до 15 мм (для кормовых деталей). Замечу, что стандарты бронирования средних танков противопульной броней отражают аналогичные британские спецификации на средние танки середины 1920-х годов. Предполагалось, что его вооружение будет состоять из 75-мм короткоствольной пушки KwK L/21 со спаренным с ней пулемётом в основной башне, ещё один пулемёт предусматривался в пулемётной башне, расположенной в носовой части корпуса, справа от рубки водителя. Боекомплект - 140 снарядов для орудия и 3000 патронов для пулеметов. Экипаж составлял 6 человек: командир, наводчик, заряжающий, пулемётчик малой башни, радиооператор, водитель. Т.е. концептуально изначально B.W. напоминал Nb.Fz. Танк должен был развивать максимальную скорость не менее 30 км/ч, преодолевать 2,2-метровые траншеи и подъем под уклоном 30 °.
Пишут, что работы по теме B.W. были официально одобрены 25 февраля 1934 года. Согласно первоначальному плану, работы по B.W. планировалось разделить так же, как и в случае с Nb.Fz. - Rheinmetall-Borsig выступал в качестве разработчика шасси, а Krupp отвечал за изготовление башни и подбашенной коробки.
Rheinmetall получил контракт №4167025/35 на разработку нового танка 25 февраля 1935 года. Rheinmetall должен был построить два тестовых шасси B.W. из конструкционной стали к маю 1936 года. Следует также заметить, что в 1935г. (кажется, весной) тема получила новое официальное обозначение Gesch.Kpfw. (75-мм) Vs.Kfz.618 (Geschütz Kampfwagen 75 mm Versuchs Kraftfahrzeug 618-75 mm Gun Tank Test Vehicle).
Rheinmetall максимально использовала задел по танку Nb.Fz., но танк заметно отличался от предшественника. Во-первых, перемещение трансмиссии и ведущих колес вперед почти на полметра сократило длину корпуса. Силуэт B.W. стал ниже, чем Nb.Fz. Появилась развитая подбашенная коробка. А вот конструкция ходовой части Rheinmetall B.W. во многом аналогична ходовой предшественника – с пружинной амортизацией на балансирах тележек, в которых по два группировались опорные катки малого диаметра.
В мае 1936г. (-?) Rheinmetall предъявила опытный образец, правда, без башни – вместо нее установили массогабаритный макет. (Рис.268)


Рис.268 – Опытный B.W. от Rheinmetall.
Впрочем, с датировкой появления опытного образца B.W. от Rheinmetall не все ладно. В большинстве ранних источников указывается время появления этого изделия – лето 1935г. Это возможно, учитывая, что B.W. от Rheinmetall не имел башни, которая будет готова, как пишут, через год – к маю 1936г. Но и подбашенная коробка была произведена Krupp, скорее всего, так же к маю 1936г, ибо заказ на ее производство, как указывают некоторые, был получен в январе 1936г. В этом случае получается, что B.W. от Rheinmetall не мог быть получен в том виде, в каком мы его видим на приведенном выше фото в 1935г.
В качестве силовой установки вначале рассматривался 150-сильный двигатель Maybach DSO 8, но «в натуре» использовался специально спроектированный танковый двигатель Maybach HL 100 TR - V-образный 12-цилиндровый двигатель объёмом 10 литров развивал мощность 300 лошадиных сил. (Рис.269)

Рис.269 - Двигатель Maybach HL 100 TR.
В ходе испытаний (Рис.270) была переделана выхлопная система (выхлопные трубы переделали и перенесли с надгусеничных полок в корму), а также немного переиначена ходовая часть и бортовой экран. (Рис.271)

Рис.270 – Испытания шасси B.W. от Rheinmetall, макет башни не просматривается.




Рис.271 - B.W. от Rheinmetall после косметических переделок: с левого борта убрали глушитель, бронеэкран ходовой не перекрывает ленивец.
В нижнем и верхнем лобовом элементах отчетливо видны большие люки для доступа к элементам трансмиссии – обслуживать удобно, а в плане защиты, скорее, плохое решение.
На средних снимках справа от рубки водителя заметно выделенное под пулеметную башню место.
На прототипе B.W. от Rheinmetall все еще резервировалось место под пулеметную башню, но на более позднем деревянном макете B.W. от Rheinmetall пулеметной башни не просматривается – может быть из-за выбранного ракурса. (Рис.272)


Рис.272 – Вверху – эскиз Nb.Fz, внизу - деревянная модель B.W. от Rheinmetall в финальном варианте.
Судя по тому, что на макете уже просматривается башня Krupp (вероятно, ее макет), можно допустить, что модель изготовлена позже мая 1936г. Контракт с Krupp №67941/35 на изготовление опытной башни из конструкционной стали был подписан 3 января 1936 года. В этот контракт входило и изготовление пулемётной башни, но её не построили. Одной из задач, которая была поставлена разработчикам башни (Krupp), была максимальная унификация с башней для танка Z.W. От башни, которую Krupp создавал для Z.W., были взяты командирская башенка и боковые люки, да и сама форма башни во многом напоминала аналогичную разработку. При этом, при конструировании башни для Z.W. конструкторы Krupp отталкивались от идей, реализованных в башне для Nb.Fz. (командирская башенка, боковые люки) – такое вот переплетение. Первоначально в документах шла речь о размещении в башне 75-мм пушки с длиной ствола 21 калибр, но в итоге её место заняла 75-мм пушка с длиной ствола 24 калибра.
Именно в таком виде предлагалось пустить B.W. от Rheinmetall в серию. Массу машины оценивают в 18 тонн. Габариты: длина – 5,92 м, ширина – 2,9 м, высота – 2,65 м. Иногда бронирование (по проекту) указывают от 13 мм до 20 мм. Экипаж 6 чел. Вооружение (по проекту) 75-мм пушка и два пулемета. В литературе применительно к этой машине встречаются обозначения BW/VK 20.01(Rh), VK 2001(Rh) – ошибочные, или “Rh-B” – более приемлемое.
На этапе опытного шасси и деревянной модели с башней дальнейшее участие Rheinmetall в теме B.W. завершилось. 21 июля 1936 года единственным участником программы стал Krupp. Несмотря на то, что по планам Krupp должен был заниматься только башней и подбашенной коробкой, ещё в ноябре 1934 года в переписке между Риттером, одним из руководителей концерна, и 6-м Управлением вооружений было заявлено о заинтересованности и возможности Krupp полностью создать танк типа B.W. 13 апреля 1935 года, спустя полтора месяца после начала работ Rheinmetall над B.W., Krupp представил своё видение такого танка (в литературе крупповский проект часто обозначают VK 2001(K) или VK 20.01(K) – но применительно к данной теме это ошибочно). По габаритам, вооружению и силовой установке танк должен был повторять машину Rheinmetall. Главный конструктор – обер-инженер Вельферт (Ober.Ing. Woelfert), он же Эрих Вольфёрт (Erich Wolfert).
Новый танк предлагался в двух вариантах: массой 17,2 тонн, бронирование 14,5–20 мм и массой 18,5 тонн, бронирование 20-30 мм. Разрабатывалось также и два типа ходовой части. Один вариант включал (на борт) 8 опорных катков малого диаметра, сблокированных в четырех двухкатковых тележках, подвеска тележек рессорная – говорят, разработали такую конструкцию ходовой совместно инженеры Krupp Эрих Вольфёрт и Георг Хагеллох (Georg Hagelloch). Другой вариант - 6 опорных катков большого диаметра, сблокированных в трех двухкатковых тележках, подвеска тележек торсионная.
В июле 1935 года Krupp получил заказ на производство одного опытного образца B.W.I Kp (с восемью опорными катками, подвеска рессорная). В октябре того же года был дан очередной заказ на производство B.W.II Kp (с шестью опорными катками, подвеска торсионная). В январе 1936 года Krupp получил заказ на производство подбашенной коробки для B.W., главной башни и пулеметной башни.
3 апреля 1936 года будущему новому среднему танку присвоили окончательное обозначение – Panzerkampfwagen IV (сокращённо – Pz.Kpfw.IV) или Panzerkampfwagen IV (75 мм) Vs.Kfz.622. Указывают также индекс согласно сквозной нумерации военной техники - «Sd.Kfz.161».
Пишут, что опытный образец B.W.I Krupp был готов уже к 30 апреля 1936 года. (Рис.273)
Рис.273 – Прототип B.W.I Krupp.
На первом прототипе B.W.I Krupp подбашенная коробка аналогичная той, что имелась на B.W. от Rheinmetall – видимо, с «вырезом» справа под пулеметную башню. Как видим, машина, по крайней мере, первоначально вместо башни имела массогабаритный макет, хотя практически все пишут, что B.W.I Krupp сразу получил башню. В отношении B.W.II Krupp сообщают так: «вскоре после этого (- т.е. после получения B.W.I Krupp) был построен прототип B.W. II Kp без башни». С этим получается загвоздка. Существует фото некого полуфабриката типа B.W. Krupp, видимо, с измененной подбашенной коробкой (место для пулеметной башни уже отсутствует), но с прямой крышей коробки, характерной для B.W. (и Rheinmetall, и Krupp) – на серийных машинах, выросших от B.W. (Pz.Kpfw.IV) крыша подбашенной коробки будет иметь небольшой наклон кпереди. Фотография датируется летом 1936г. (Рис.274)

Рис.274 – B.W. Kp в сборочном цеху Krupp, лето 1936 года.
На фото имеем часть танка с измененной подбашенной коробкой, с тестовой башней, но без ходовой части и, кажется, моторного отсека. Практически во всех источниках указывается, что это B.W.I Krupp в цеху. Однако, если датировка фото верна, то, скорее, перед нами еще не завершенный строительством B.W.II Krupp. Т.е. именно B.W.II Krupp изначально получил прототип башни (башня была клепаная, в ней не просматривается спаренный с орудием пулемет), видно, что на этом образце произошел решительный отказ от пулеметной башни. Вместо пулемётной башни была установлена шаровая установка, взятая от танка Z.W., а в подбашенной коробке предусмотрели место для пулемётчика. Такое решение позволило сократить экипаж с 6 до 5 человек, поскольку на пулемётчика одновременно возложили функцию радиста.
Летом 1936 года начались ходовые испытания крупповских танков (или шасси) B.W. Габариты машин были одинаковыми: длина – 5,92 м, ширина – 2,9 м, высота – 2,65 м. Экипаж 5 чел. Вооружение 75-мм пушка KwK37 L/24 и пулемет. По некоторым сведениям, на машинах устанавливался двигатель Maybach HL 108 TR, мощностью 230 л.с. (Рис.275)


Рис.275 – Вверху – приблизительно так мог выглядеть B.W.I Krupp с башней, внизу – художественный образ B.W.II Krupp.
Одновременно эти машины в таком виде не существовали.
Пишут, что изделия B.W. от Krupp смотрелись выигрышнее, чем B.W. от Rheinmetall, вероятно, поэтому вариант Rheinmetall 21 июля отставили. Впрочем, намекают, что Крупп просто продавил «авторитетом» свой вариант. К 3 октября 1936г. первый прототип преодолел 2043 километра. Машина показала среднюю скорость 25 км/ч. С машиной B.W. II Kp возникли некие проблемы, указывают, что инженеры Krupp выбрали неудачную схему торсионной подвески. Каждый торсион должен был снабжаться амортизатором. Эти амортизаторы часто были склонны к перегреву, что приводило к проблемам с подвеской. По этой причине главный конструктор танка Вельферт настаивал на использовании самозатухающей подвески на листовой рессоре. Хотя это выглядело не идеальным решением, но конструктивно было технологичнее. Еще одним преимуществом рессорной подвески была простота ремонта в полевых условиях при неисправности или боевом повреждении.
В декабре 1936 года с Krupp был подписан контракт на изготовление 35 танков серии 1.Serie/B.W.
Первый прототип B.W.I Kp в декабре 1936 года передали в учебный центр, расположенный в Метцингене. На прототипе B.W.II Kp весной 1938 года обкатывали новую подбашенную коробку, точнее ее макет, которую позже поставили на Pz.IV Ausf.B - на ней шаровую установку заменили на пистолетный порт и убрали «ступеньку» на лобовом листе (Рис.276).

Рис.276 - Макет новой подбашенной коробки, который испытывался на B.W. II Kp
Как будто, в апреле 1938 года башню с B.W. I Kp поставили на второй прототип с новой подбашенной коробкой, на котором она продержалась как минимум до ноября месяца.
B.W.I Kp (уже без башни) использовался на испытаниях, зимой 1939-1940гг. на него поставили новую ходовую часть (- ?).
B.W. II Kp в 1939г. переделали в мостоукладчик. (Рис.277)

Рис.277 - B.W. II Kp, переделанный в мостоукладчик, 1939 год.
Отлично просматривается «неудачная» торсионная ходовая часть.
⃰ Pz.IV Ausf.A.
В декабре 1936 года был подписан контракт на изготовление 35 танков серии 1.Serie/B.W. (номера шасси от 80101 до 80135), машины получили индекс Pz.IV Ausf.A. (Рис.278)


В довоенном камуфляже.

В военном камуфляже.

Рис.278 - Pz.IV Ausf.A, серийный номер 80113, выпуска февраля 1938 года.
Масса танка, вероятно, 17,2/17,3 т, но указывают и 18 т, и 18,4 т. Габариты: длина – 5,92 м, ширина – 2,9 м (2830 мм), высота – 2,65 м (2680 мм). Клиренс 400 мм. Броня Panzer IV Ausf.A была разработана в первую очередь для защиты от бронебойных пуль калибра 7,92 мм, которыми была насыщена пехота. Броневые листы изготавливались из безникелевых гомогенных и катаных листов. Бронирование вертикальных элементов корпуса 14,5 (15) мм, башни – 20 мм, по другим сведениям, от 8 до 16 мм. Броня лба корпуса составляла 14,5 мм, расположенную под углом 9 °. Вертикальные элементы корпуса также имели 14,5 мм. Моторный отсек был защищен броней толщиной 10 мм (под углом 35 °) по бокам и 14,5 мм (под углом 10 °) сзади. Днище - 8 мм. Броня маски и лба башни составляла 16 мм (под углом 10°) – в некоторых источниках указывают 20 мм, борта и корма - 14,5 мм (под углом 25°), а крыша - 10 мм. Командирская башенка имела общую броню 14,5 мм, толщина двух люков составляла 8 мм. Экипаж 5 чел. Вооружение 75-мм пушка KwK37 L/24 и два пулемета 7,92mm MG 34.
Серийные машины Pz.IV Ausf.A несколько отличались от прототипа B.W. I Kp. Изменениям подвергся корпус и башня, заменили двигатель и коробку передач, немного была переработана ходовая часть. Пишут, что неизменными сохранилось всего 7 узлов и деталей: радиатор, моторная перегородка, тормоза, а также элементы трансмиссии. Главным образом изменения касались улучшения технологичности деталей.
Новый танк повторял компоновку, являвшуюся классической для танков немецкого типа – с передним расположением трансмиссии и ведущего колеса, развитой подбашенной коробкой. Перед отделением управления находился рулевой механизм типа Wilson, который был разработан и произведен Krupp. Пятиступенчатая (и один реверс) трансмиссия Allklaunen SFG 75 помещалась в отделении управления справа от места водителя. Трансмиссия была соединена с двигателем, находившемся в корме, через приводной вал, проходивший через днище боевого отделения. Чтобы водителю было удобнее рядом с трансмиссией его место вынесли вперед, из-за чего левая сторона подбашенной коробки выпирала несколько вперёд, таким образом образовывалась бронированная рубка, в крыше которой монтировался двухстворчатый эвакуационный люк с отверстием для пуска сигнальных ракет. Наблюдение за дорогой водитель осуществлял через смотровую щель в лобовой бронедетали подбашенной коробки, которая снаружи защищалась простой откидной заслонкой, а изнутри – стеклянным триплексом. Пишут, что данная конструкция смотрового прибора была заимствована от лёгкого танка Pz.II Ausf.A. Над рубкой размещался перископический бинокулярный смотровой прибор K.F.F.1, который выводился в два отверстия в крыше корпуса (если он был не нужен для обзора, водитель мог сдвинуть его вправо). Место водителя оборудовалось рычагами управления и приборной доской с набором приборов и приспособлений, необходимых для управления танком. Помимо спидометра, тахометра, датчиков температуры, уровней бензина и воды, на ней крепился индикатор положения башни, состоявший из двух лампочек. Они предупреждали о развороте башни на тот или иной борт, чтобы водитель не повредил ствол орудия.

Рис.279 – Место стрелка-радиста.
Над боевым отделением находилась башня, погон башни диаметром 1680 мм. Башня вращалась на шарикоподшипниках. Башня серийных танков отличалась от башни прототипа. У башни B.W. I Kp. имелось много клёпаных соединений, которые на серийной башне заменили на сварные. Клёпки остались только на креплениях люков и на командирской башенке. Саму башенку поменяли на конструкцию, позаимствованную у Pz.III Ausf.B. (Рис.280)




Рис.280 – Башня Pz.IV Ausf.A.
Смотровые лючки с бронекрышками находились в лобовом листе башни слева и справа от орудия, а также в передних бортовых бронелистах. В прямоугольных бортовых люках прорезались смотровые щели, которые также защищались бронекрышками. Кроме того, в бортах башни располагались снабжённые бронезаслонками амбразуры для ведения огня из стрелкового оружия, а в командирской башенке цилиндрической формы имелось восемь смотровых щелей для наблюдения за полем боя. С внутренней стороны всех щелей монтировались защитные триплексные стеклоблоки. В корме башни размещалась командирская башенка. Командирская башенка имела простую барабанную форму и восемь небольших смотровых щелей. Эти щели были защищены бронированным стеклом толщиной 12 мм. Сверху купола была установлена двухстворчатая люковая дверь. Внутри башенки располагалось механическое устройство для определения курсового угла цели.
Поворот башни осуществлялся за счёт электрического привода, располагался с левой стороны башни. Поворотом башни управлял наводчик. Вращать башню можно было и вручную – для этих целей использовался специальный штурвальчик справа от механизма вертикального наведения пушки. Существовал и второй механизм поворота башни, которым управлял заряжающий. (Рис.281)

Рис.281 – Фрагмент интерьера башни, похоже, в поле зрения попал штурвальчик ручного поворота башни (слева).
Интересной особенностью Pz.Kpfw.IV было смещение его башни влево от оси машины на 8 см, а двигателя – на 15 см вправо. Это позволяло разместить в правой части корпуса больше снарядов первой очереди, которые заряжающему было удобно подавать к казённику пушки.
В боевом отделении располагались три члена экипажа. Место командира танка находилось почти на продольной оси машины в кормовой части башни под командирской башенкой. Наводчик располагался по левую сторону от орудия, а заряжающий – по правую. (Рис.282)

Рис.282 – Командир танка и заряжающий.
Вне боевых действий заряжающий мог использовать откидное сиденье с правой стороны башни. В бою, чтобы получить хранящиеся боеприпасы, он складывал сиденье в сторону и затем становился на полик башни.
Командир танка, сообщив угол наводчику (по лорингофону), помогал тому быстро обнаружить цель по аналогичному прибору, который находился в его распоряжении. (Рис.283)

Рис.283 – Место наводчика.
Panzer IV Ausf. А имел внутреннюю маску орудия, в ней в спарке с орудием размещался пулемет – на доступных фото не просматривается. Откатники пушки находились вне башни и прикрывались стальным кожухом и щитком дефлектора. Для защиты наводчика в задней части орудия был установлен противооткатный щиток. (Рис.284)

Рис.284 - KwK 37 L/24.
Угол возвышения пушки изменялся от –10 ° до + 20 ° (от –10 ° до 30 ° в зависимости от источника). Орудие придавало снаряду начальную скорость 325 м/с, имело удовлетворительную точность. Бронебойный снаряд мог пробивать 41 мм брони с уклоном 60 ° на 100 м. На дальностях 500 м бронепробиваемость снизилась до 38 мм. Первоначально боекомплект состоял из 140 снарядов, но с декабря 1938 года был уменьшен до 122 снарядов для снижения массы. Поскольку Panzer IV Ausf.A в первую очередь предназначался для поражения целей с мягкой обшивкой, противотанковых позиций и т. д. боекомплект в основном был оснащен фугасными и дымовыми снарядами. Боеприпасы хранились в трюмах, расположенных на бортах и в полу корпуса.
Боекомплект к пулеметам - 3000 патронов.
В кормовом моторном отделении, которое отделялось от боевого стальной перегородкой, продольно размещался карбюраторный объёмом 10,8 литров 12-поршневой 230-сильный (при 2600 об/мин) – в некоторых источниках мощность указывают в 250 л.с. - двигатель жидкостного охлаждения Maybach HL 108 TR, позволявший машине развивать скорость до 32,5 км/ч. Скорость по пересеченной местности 10 км/ч. Система охлаждения двигателя состояла из двух радиаторов, соединённых параллельно (они размещались с более просторной левой стороны моторного отделения, с правой находились два вентилятора). Радиаторы устанавливались под углом к горизонтали 25°, что должно было улучшить циркуляцию воздуха, забор которого происходил через два бронированных воздухозаборника, размещавшихся по обоим бортам танка. Система была эффективна при температурах до + 30° C. (Рис.285)
Рис.285 – Расположение агрегатов в МТО.
Бензин для двигателя хранился в трёх топливных баках ёмкостью 110 л, 140 л и 170 л, которые находились под полом боевого отделения. Существовала система клапанов, которая при необходимости позволяла экипажу использовать топливо каждого бака индивидуально, перекрывая подачу топлива из двух других. Запас хода 210 км по шоссе и 130 км по пересеченной местности.
С левой стороны моторного отделения находился электрогенератор DKW, который питал электромоторы (- точнее, один электромотор для поворота башни). Здесь же умещался двухцилиндровый двухтактный двигатель водяного охлаждения для подзарядки генератора. Глушитель этого мотора находился рядом с глушителем основной силовой установки на кормовом бронелисте танка. (Рис.286)

Рис.286 – Расположение глушителей в кормовой части танка.
Радиооборудование линейного Pz.Kpfw.IV состояло из радиостанции FuG2 с УКВ-приёмником с1 и передатчиком, который передавал сигналы ключом на дальность 4 км, и голосом – на 2 км. Танки командиров взводов и выше дополнительно оснащались УКВ-радиостанциями модели FuG5 c мощностью передатчика 10 Вт, обеспечивавшими дальность связи 9 км – ключом, и 6 км – телеграфом. Для внутренней связи все Pz.Kpfw.IV оснащались танковым переговорным устройством на четверых членов экипажа (всех, кроме заряжающего). Складную штыревую антенну разместили в деревянном коробе.
Ходовая часть на борт: ведущее колесо переднее (Рис.287), задний ленивец (Рис.288), 8 опорных катков малого диаметра, сблокированных в четырех двухкатковых тележках (расстояние между валами каждой тележки составляло 500 мм), подвеска тележек рессорная (Рис.289), четыре поддерживающих ролика.

Рис.287 – Ведущее колесо.

Рис.288 – Ленивец.

Рис.289 – Схема шасси машины типа Pz.Kpfw.IV – только на этом изображении удалось рассмотреть конструкцию рессорной подвески.
Гусеницы набирались из 101 трака Kgs 61/360/120 шириной 360 мм и шагом в 120 мм.
С августа 1938 года немецкие танки оснащались Nebelkerzenabwurfvorrichtung (система установки дымовых гранат). Это устройство размещалось на корме корпуса. Стойка содержала пять гранат, которые командир мог активировать по проводам. При активации, Panzer пятясь кормой, мог скрыться в дымовой завесе. Эта система оказалась не очень эффективна и позже во время войны заменялась установленными на башне дымовыми гранатометами.
Уже в декабре 1937г. после начала эксплуатации двух первых серийных машин появились первые переделки, связанные с изучением серийных танков специалистами 6-го Управления вооружений. В своём докладе инженер-оберлейтенант Ольбрих (Olbrich) перечислил 30 различных дефектов, с некоторыми из которых сотрудники концерна Krupp не согласились. Тем не менее, боезапас для 75-мм пушки был сокращён со 140 до 122 выстрелов, что потребовало изменения боеукладок. С февраля 1938г. на танках убрали установку зенитного вертлюга, который поначалу крепился с левой стороны подбашенной коробки. Конструкция его получилась неудобной: пользоваться вертлюгом можно было только с земли, сектор обстрела оказался сильно ограниченным. Уже в войсках часть танков получила дымовые бомбометы и устройства для отвода антенны с линии огня, крепившиеся под стволом пушки. (Рис.290)

Рис.290 – Устройство для отвода антенны с линии огня.



Рис.291 – Pz.Kpfw.IV Ausf.A во всей красе.
31 января 1938 года с завода Grusonwerk, где выпускались эти машины, поступило сообщение о том, что поставщики корпусов Harkort & Eicken GmbH и Eisen-und Hüttenwerke AG затянули сроки. Поэтому 5 машин 1.Serie/B.W. было решено выпустить с корпусами от 2.Serie/B.W. (Pz.IV Ausf.В) – например, танк 80134 имел корпус 80206. Эти танки имели корпуса с более мощным бронированием, а башня и подбашенная коробка имела противопульную броню. К марту (или июню) 1938г. все 35 танков были готовы. (Рис.292)

Рис.292 – На параде.
Впервые танки Pz.IV Ausf.A отметились в операции по аннексии Чехословакии. (Рис.293)

Рис.293 - Pz.IV Ausf.A на параде в чешском городе Хомутов, октябрь 1938 года.

Рис.294 – Колонна Pz.IV (впереди Ausf.А) в Польше, сентябрь 1939 года.
В польской кампании приняли участие 30 машин Pz.IV Ausf.А, еще 5 танков использовались для испытаний.
Однако основной проблемой стала склонность к детонации боекомплекта. Происходило это из-за того, что снарядные укладки находились практически по периметру боевого отделения, защищенного противопульной броней. С учетом того, что основу боекомплекта составляли осколочно-фугасные боеприпасы, возможность детонации оказывалась довольно высокой. По этой причине еще с польской кампании Pz.IV Ausf. A пользовались дурной славой. (Рис.295)


В конце польской кампании 19 Panzer IV были уничтожены.
Сообщают, что в феврале 1941 года все уцелевшие Panzer IV Ausf. A были усилены дополнительной лобовой броней толщиной 30 мм. По другим сведениям, весной 1941г. Panzer IV Ausf. A сняли с вооружения и передали в учебные части, однако встречаются фотографии танков Panzer IV, весьма похожих по расположению подствольной антенны (характерная форма подбашенной коробки, к сожалению, не просматривается) на модификацию Ausf. A в руках советских воинов (Рис.296), из чего следует, что эти машины применялись в 1941г. на Восточном фронте.


Рис.296 – Фото Panzer IV Ausf. A на Восточном фронте, 1941г.
⃰ «Дымовой» танк.
В литературе встречается, что уже в 1935 году фирма Krupp предложила на базе B.W. создать так называемый «дымовой танк» - Rauchwagen (R.W.). На шасси B.W. предполагалось установить новую башню со 105-мм гаубицей с длиной ствола в 16 калибров. (Рис.297)

Рис.297 – Легкая гаубица 10.5 cm leFH 18.
Видимо, этим орудием планировалось вооружить «дымовой танк».
По замыслу разработчиков R.W., двигаясь в боевых порядках вместе с линейными танками, должен был дымовыми снарядами обстреливать позиции вражеских противотанковых пушек. Управление вооружений рекомендовало добавить в боекомплект R.W. осколочные и бронебойные снаряды – т.е. из «дымового» танка машина превращалась в танк огневой поддержки с довольно могущественным орудием, по сути дела, становясь более мощным дублером Panzer IV. Считается, что такой танк был построен, видимо, в 1938г. Как будто, зимой 1938г. на Krupp вернули тестовую башню для B.W., снятую с B.W. I Kp и начали переделывать под 105-мм орудие, а в апреле 1938 года эту башню установили на B.W. II Kp - т.е., получается, что шасси B.W. II Kp, плюс переделанная башня от B.W. под 105-мм гаубицу, и вуаля - танк R.W. Однако R.W. физически просуществовал (если и существовал) недолго, согласно отчёту от 17 ноября 1938 года, башню с B.W. II Kp осенью демонтировали и поставили на специальный стенд для огневых испытаний, а сам B.W. II Kp переделали в мостоукладчик. Увы, факт явления в мир R.W. не имеет фотодокументальных подтверждений – приходится верить на слово.
⃰ Тема колесных танков.

Рис.298 - M-ARW фирмы Magirus – наиболее доработанный вариант по теме Mannschaftstransportwagen.
Вместо этого в конце 1932г. в серию пустили ничем особенным не выдающиеся трехосные (с двумя задними ведущими мостами) БА Sd.Kfz.231 6-Rad. Невысокая проходимость Sd.Kfz.231 6-Rad заставила вернуться к идее четырехосных полноприводных машин – благо задел был хорошим.
В 1934г. были выданы спецификации на легкую бронемашину с колесной формулой 4х4 и на тяжелую с колесной формулой 8х8. Обе машины, учитывая полный привод, обладали повышенной проходимостью, имели танковую компоновку, а их тактическое назначение (например, в качестве машин поддержки пехоты) также пересекалась с назначением танков. Однако легкий вариант не имел полного бронирования (башня сверху не имела полной бронировки), и его к танкам отнести нельзя, то некоторые модификации четырехосной машины, пожалуй, можно.
К 1936г. соответствующее четырехосное шасси было разработано фирмой Bussing-NAG – кстати, Bussing также участвовала в программе Mannschaftstransportwagen, отличившись проектом пятиосного БА (Рис.299).

Рис.299 – Проект BN-ZRW.
В период проектирования четырехосный тяжелый бронеавтомобиль/танк имел обозначение Vs.Kfz.623, которое затем сменили на schwere Panzerspahwagen (Sd.Kfz.233), а официальное обозначение выглядело как schwere Panzerspahwagen (Sd.Kfz.231) 8-Rad, которое в наши дни сокращают до Sd.Kfz.231 (8-Rad) или Sd.Kfz.231 8-Rad. (Рис.300)


Рис.300 - Sd.Kfz.231 8-Rad.
Масса 8,3 т. Компоновка танковая – впереди отделение управления, затем боевое отделение, двигатель в корме. Габариты: длина – 5850 мм, ширина – 2200 мм, высота – 2350 мм, клиренс – 280 мм. Бронекорпус имел в основе сварной каркас из таврового профиля, на который болтами крепились листы брони толщиной 5, 6, 8 и 15 мм. Бронелисты устанавливались под различными углами наклона в зависимости от степени уязвимости защищаемых узлов и агрегатов. В результате, поперечное сечение корпуса представляло собой две трапеции с общим основанием. Рациональные углы наклоны также имели бронелисты крыши. Бронирование: лоб корпуса (верх) - 15 мм, лоб корпуса (низ) - 8 мм, борт корпуса - 8 мм, корма корпуса - 8 мм, крыша корпуса - 6 мм, лоб башни - 15 мм, борт башни - 8 мм, крыша башни - 6 мм, днище - 5 мм. Экипаж 4 чел. Водитель находился в отделении управления слева (органы управления: педали, рулевое колесо, рычаг ручного тормоза, приборная доска), справа от водителя находилось место для еще одного члена экипажа, не занятого выполнением прямых обязанностей (зачастую это был водитель второго поста управления). Для наблюдения за окружающей обстановкой предназначались два небольших люка в лобовом листе корпуса и по одному люку по каждому борту, закрываемые в боевом положении броневыми крышками со смотровыми щелями с триплексами. В боевом отделении помещались командир и оператор вооружения или заряжающий (-?). Там же устанавливалась радиостанция FuSpr (в машинах поздних серий ставили радиостанции FuSprGer “f”) со штыревой антенной, выведенной на корпус – радиостанции начали устанавливать с февраля 1940г. В проекции боевого отделения по бортам корпуса имелись большие люки с броневыми дверями для высадки и посадки экипажа. Над боевым отделением устанавливалась шестигранная башня, которая собиралась на стальном каркасе. К каркасу, под углом 30°, крепились броневые листы толщиной 8 мм (борта, корма и крыша) и 15 мм (лоб). Вращение осуществлялось при помощи механического привода. В конструкции башни применялся полик, который облегчал боевую работу командира и заряжающего – им не приходилось менять своего положения при горизонтальной наводке вооружения, которое включало 20-мм автоматическую пушку 2cm KwK 30 L/55 и 7,92-мм пулемет MG34 с оптическим прицелом TZF6. (Рис.301)

Рис.301 – Установка вооружения на Sd.Kfz.231 8-Rad.
В вертикальной плоскости вооружение могло наводиться в пределах от -10° до +26° (впоследствии усилиями полевых ремонтных бригад угол возвышения орудия удавалось доводить до +37°, но при этом терялась возможность одновременного наведения пулемета). Боекомплект состоял из 200 снарядов и 1300 патронов (по другим данным – 180 снарядов и 2100 патронов). За боевым отсеком находился кормовой пост управления машиной, оборудованный средствами наблюдения. За противопожарной перегородкой находился моторный отсек. Здесь устанавливался V-образный бензиновый двигатель Bussing-NAG L8V-GS рабочим объёмом 7913 см3, развивавший мощность 150 л.с. при 3000 об/мин. (поздние серии бронеавтомобилей Sd.Kfz. 231 (8-Rad) оснащались двигателями объёмом 8363 см3 и мощностью 180 л.с.). (Рис.302)

Рис.302 - Двигатель Biissing-NAG L8V-GS.
Доступ к двигателю обеспечивался через два люка в бортах и один двухстворчатый люк в крыше моторного отсека. Чуть выше располагалось вентиляционное жалюзи, регулируемое водителем. (Рис.303)

Рис.303 - Компоновка моторного отделения Sd.Kfz.231 (8-Rad), вид с кормы.
Вращающий момент от двигателя передавался при помощи трансмиссии Bussing-NAG GS, в состав которой входили: 6-скоростная коробка передач преселекторного типа с двухдисковым сухим сцеплением, демультипликатор, самоблокирующийся дифференциал и механические тормоза. Коробка передач обеспечивала 6 скоростей переднего и заднего хода, а демультипликатор в сумме обеспечивал 24 скорости. 150-сильный двигатель обеспечил бронеавтомобилю хорошую удельную мощность и ходовые качества. При движении по шоссе максимальная скорость составляла 90-100 км/ч (по пересеченной местности 30 км/ч), а на одной заправке (150 л) Sd.Kfz.231 (8-Rad) мог пройти до 300 км по шассе и 170 км по проселочной дороге. Все восемь колес оснащались независимой подвеской на полуэллиптических листовых рессорах и пневматическими шинами размером 210х18 фирмы Continental. (Рис.304)

Рис.304 – Ведущий мост колесного танка.
До мая 1936 года прототип проходил испытания. Сборка колесных танков Sd.Kfz.231 (8-Rad) началась со второй половины 1936-го, хотя указывают, что официально на вооружение вермахта, в качестве разведывательной бронемашины, колесный танк Sd.Kfz.231 (8-Rad) был принят в 1937 году. В качестве производителя данных машин указывают Deutsche Werke (Киль), Schichau-Werke (находился в Эльбинге). Сборка их продолжалась по сентябрь 1943-го года. (Рис.305)






Немецкая восьмиколесная машина имеет определенное сходство с австрийским аналогом ADGZ, которые также (в 1938г.) поступили в эксплуатацию к немцам. (Рис.306)


Рис.306 - Австрийский ADGZ.
Начал проектироваться, как будто, с 1934г., а первый образец получен в 1935г.



Польша, 1939г.

Рис.307 – Sd.Kfz.232 (8-Rad). Внизу фото 1942 года, в Африке.
Пишут, что выпуск первой серии Sd.Kfz.232 (8-Rad) был начат в 1939 году, а с 1941 года стали устанавливать модернизированные радиостанции FuG11 SE80 и штыревой антенной типа «ёлка», которая находилась в задней части корпуса. (Рис.308)


Рис.308 – Вариант Sd.Kfz.232 (8-Rad) со штыревой антенной типа «ёлка».
После начала боевой эксплуатации в конструкцию машин внесли ряд изменений. Опыт боев показал, что бронирование их явно недостаточно. Поэтому у Sd.Kfz.231 и Sd.Kfz.232 с 1941 года толщину лобовой брони увеличили до 30 мм. Ранее выпущенные машины с марта 1940 года начали получать так называемый PakschQtz — своего рода карман из двух бронелистов толщиной 8 - 10 мм, смонтированный спереди на расстоянии 50-60 см от лобовой брони. (Рис.309)









Рис.309 – Варианты колесных танков с дополнительным бронещитом.
Бронещит крепился к корпусу на специальных кронштейнах из профиля и перфорированных пластин. Помимо функций дополнительной защиты, карман можно было использовать для транспортировки дополнительных грузов - снаряжение, включавшее камуфляжные сети, брезентовые чехлы, дополнительные канистры с топливом, запасные части и т.д. Кроме того, Sd.Kfz.231 и 232 стали оснащать броневой планкой, защищавшей погон башни от заклинивания.
Всего построили 607 машин типа Sd.Kfz.231 (8-Rad) и Sd.Kfz.232 (8-Rad). (номера шасси находились в диапазоне от 59902 до 87267). (Табл.6)
Таблица 6 – Серийное производство колесных машин Sd.Kfz.231 (8-Rad) и Fu Sd.Kfz.232 (8-Rad).
|
годы |
Sd.Kfz.231 (8-Rad) |
Sd.Kfz.231 (8-Rad) + Fu Sd.Kfz.232 (8-Rad) |
|
1936-1937 |
27 шт. |
|
|
1938 |
29 шт. |
|
|
1939 |
|
55 шт. |
|
1940 |
|
32 шт. |
|
1941 |
|
94 шт. |
|
1942 |
|
170 шт. |
|
1943 |
|
200 шт. |
Sd.Kfz.231/232 поступали на вооружение взвода (6 машин) роты бронеавтомобилей разведывательных батальонов танковых и моторизованных дивизий вермахта и войск СС.
В состав разведывательного батальона каждой танковой и легкой дивизии входили две роты бронеавтомобилей. В каждой роте, кроме двух взводов легких бронеавтомобилей, имелся один тяжелый взвод с колесными танками. Во взводе - три отделения по одному Sd.Kfz.231 и одному Sd.Kfz.232 в каждом. Таким образом, в разведывательном батальоне насчитывалось по шесть Sd.Kfz.231 и 232, но, видимо, такое сочетание достигалось не всегда и были взводы, укомплектованные только машинами Sd.Kfz.231. (Рис.310)



В 1937 году разведывательные дивизионы 1-, 2- и 3-й танковых дивизий получили первые Sd.Kfz.231 и 232 (8-Rad) – по другим сведениям, Sd.Kfz.232 (8-Rad) пошли в серию с 1939г. Во второй половине того же года несколько Sd.Kfz.232(8-Rad) (-?) получила 17-я разведывательная рота войск СС, дислоцировавшаяся в Лихтенфельде - пригороде Берлина.
Впервые восьмиколесные танки/бронеавтомобили участвовали в войсковой операции в марте 1938 года - аншлюс Австрии, в котором была задействована 2-я танковая дивизия вермахта. Осенью 1938 года эти машины применялись в ходе занятия немецкой армией Судетской области, а в марте 1939 года участвовали в оккупации Чехии и Моравии. Два Sd.Kfz.232 применялись в марте 1939 года при вводе войск в Мемельскую область. Настоящее боевое крещение Sd.Kfz.231 и 232 (8-Rad) приняли в сентябре 1939 года в ходе Польской кампании. (Рис.311)

Рис.311 – Разведка.
В 1941-м восьмиколесные танки появились в Северной Африке и на Балканах. В составе Африканского корпуса действовали 3-й и 33-й разведывательные батальоны, которые смогли добиться впечатляющих успехов. Однако система охлаждения двигателя не справлялась с экстремальными режимами эксплуатации, характерными для пустыни. Недостаточное охлаждение становилось причиной многочисленных поломок двигателя. Другим серьезным недостатком, особенно отчетливо проявившимся в пустыне, был большой расход топлива и вытекавший из этого ограниченный запас хода.
На 1 июля 1941 года части вермахта и войск СС располагали 390 единицами Sd.Kfz.231 и Sd.Kfz.232. Бои на Восточном фронте спровоцировали множество нареканий на легкое вооружение колесных танков. Большие потери в ходе летне-осенней кампании 1941 года не удалось возместить - к 1 апреля 1942 года количество этих машин составляло 244 единицы. (Рис.312)









Рис.314 – В разведке.


⃰ Машины на базе Sd.Kfz.231 8-Rad.
В качестве специализированной радио-машины использовался вариант Sd.Kfz.263 на восьмиколесном шасси. (Рис.316)





Внизу - из состава 37-го батальона связи 1-й танковой дивизии вермахта. Судетская область, октябрь 1938 года.
Sd.Kfz.263 – радийный бронеавтомобиль с измененным корпусом. Масса 8100 кг. Экипаж 5 чел. Вместо башни появилась высокая надстройка большого размера со смотровыми люками, составлявшая с корпусом единое целое. Состав вооружения был сокращен до одного пулемета MG34, установленного в лобовом листе надстройки с правой стороны в шаровой установке. Боекомплект к пулемету первоначально составлял 1050 патронов, позднее его сократили до 750 патронов. Боевое отделение Sd.Kfz.263 отличалось сравнительно большим объемом, достаточным для того, чтобы разместить мощную радиостанцию и пять членов экипажа (в том числе двух радистов). Рамочная антенна монтировалась на корпусе на высоких кронштейнах. Всего было выпущено 240 броневиков связи Sd.Kfz.263(8-Rad) (в 1938г. – 64 шт., в 1939г. – 20 шт., в 1940г. – не производились, в 1941г. – 8 шт., в 1942г. – 108 шт., в 1943г. – 40 шт.). Бронеавтомобили радиосвязи Sd.Kfz.263 состояли на вооружении отделений и взводов связи легких и танковых дивизий. Машины Sd.Kfz.263 играли важную роль в системе радиосвязи танковых дивизий и использовались в качестве штабных машин. (Рис.317)

Рис.317 – Штабная машина в колонне.
К 1 апреля 1942 года количество бронеавтомобилей связи Sd.Kfz.263 на всех фронтах составляло 112 штук.
Еще одной машиной на базе Sd.Kfz.231 (8-Rad) бронемашина непосредственной поддержки наземных сил, по сути, колесная САУ. Как отменчалось выше с 1941г. танкисты стали роптать на слабое вооружение Sd.Kfz.231 (8-Rad) и Sd.Kfz.232 (8-Rad). А разведывательные батальоны по причине их высокой мобильности стали часто использоваться в качестве передовых отрядов, рискуя при этом столкнуться с бронетехникой или организованной обороной пехотных частей противника. Разведподразделениям требовалась огневая поддержка, но взвод 75-мм пехотных буксируемых орудий, входивший в состав разведывательного батальона, с этой задачей не вполне справлялся – не всегда поспевал. Посему во второй половине 1942 года на базе Sd.Kfz.231 (8-Rad) была создана машина артиллерийской поддержки SdKfz 233 8-rad (Рис.318) – правда, пишут, что уточнение в наименовании “8-Rad” для него не применялось.



Рис.318 – Sd.Kfz 233.
В июле 1942 года на заводе Deutsche Werke в Киле собрали первый бронеавтомобиль Sd.Kfz.233, а до конца года – 9 штук. В 1943г. построили еще 100 таких машин. По разным данным, от четырех до десяти броневиков артиллерийской поддержки переделали из машин Sd.Kfz.231 (8-Rad) – не совсем ясно, их учитывают отдельно или они попадают в число 109 серийных машин. (Рис.319, Рис.320)

Рис.319 - Немецкая разведка на подступах к Сталинграду, сентябрь 1942г.

Рис.320 – Американцы верхом на трофее.
В полевых условиях Sd.Kfz.231 (8-Rad) случалось переделывали в импровизированные САУ. Встречается фото САУ на базе Sd.Kfz.231 (8-Rad) с установленной 50-мм противотанковой пушкой PaK 38 (Рис.321), данное САУ было захвачено британцами под Эль-Аламейном в 1942-й году.

Рис.321 – Шасси Sd.Kfz.231 8-Rad с 50-мм противотанковой пушкой PaK 38.
Машина снабжена дополнительным бронещитом.
Игра в открытую
Маски сброшены, начало строительства Panzerwaffe, штурмовое орудие, экспортные танки от Krupp, тема L.K.A., тема L.K.В., тема М.К.А., некоторые итоги к 1937г., возвращенцы и их наследие, Panzer-gruppe Drohne.
⃰ Маски сброшены.
9 марта 1935 г. Гитлер объявил всему миру о создании люфтваффе — военно-воздушных сил. Реакции гарантов ВМД практически не последовало, и 16 марта 1935г. вождь немецкого народа и канцлер Германии А.Гитлер официально публично денонсировал Версальский мирный договор (ВМД). Открыто был взят курс на милитаризацию Германии. (Рис.322)

Рис.322 – Копая могилу для миллионов.
16 марта 1935г. в Германии была введена всеобщая воинская повинность, на основе Reichswehr создается Die Wehrmacht - предусматривался «Законом о строительстве вермахта». С этого момента старые названия «рейхсвер», «рейхсмарине» и т. д. не употребляются. Согласно «Закону о строительстве вермахта», число дивизий должно было возрасти до 36, по 10 000 человек в каждой, а общая численность сухопутной армии - со 100 000 человек до полмиллиона человек - в пять раз больше квоты, определенной Версальским договором. Кроме того, отвергались запреты ВМД на создание военно-воздушных сил и танковых войск – некоторые считают, что уже тогда планировалось создать несколько танковых дивизий. 1 июля 1935г. Войсковое управление официального переименовано в Генеральный штаб.
Такие масштабы наращивания вооруженных сил совпадали с мнением и чаяниями высших генералов, но генералы рассчитывали достичь такого уровня к 1938-1939гг., а фюрер требовал выполнить данную задачу к началу 1936 года. Определенный Гитлером срок влиял на качество формирования частей. Неожиданное увеличение армии крайне перегружало небольшой офицерский корпус – необходимо было в сжатые сроки подготовить сотни тысяч новобранцев. Армия была вынуждена сократить подготовку для кандидатов в офицеры. Теперь большое количество офицеров запаса возвратили для заполнения тыловых и технических должностей, также в офицерский корпус вливались тысячи лиц из числа штурмовиков и военизированной государственной полиции. Многие из вновь прибывших оказались далеки от аристократических традиций старого рейхсвера, и это привнесло в армию некую демократичность – устанавливались близкие взаимоотношения между офицерами и солдатами. Большую помощь в быстром формировании массовой армии оказал сержантский костяк, выпестованный в рейхсвере. В отборной стотысячной силе, которую вырастил генерал Сект (Рис.323), рядовые были профессионально подготовлены так же, как сержанты и ефрейторы.

Рис.323 - Генерал-полковник Ханс фон Сект или Зеект (Hans von Seeckt), 1866-1936гг., ему принадлежит центральная роль в организации рейхсвера Веймарской республики.
По мере увеличения армии эти солдаты оказались готовыми стать на уровень сержантов и обучать новобранцев. Но начальные последствия численного развертывания армии проявились ослаблением сложившихся воинских коллективов. Каждый батальон существовавшего полка становился ядром для образования двух и более новых полков.
К началу 1936 года, когда Гитлер планировал оккупацию Рейнской области, число готовых к боевым действиям полков было недостаточным, чтобы полностью соответствовать вооруженной силе соседней Франции.
⃰ Начало строительства Panzerwaffe.

Рис.324 - Ludwig Ritter von Rablmaier, 1887-1943гг., генерал-лейтенант танковых войск вермахта.
В августе 1935г. состоялись крупномасштабные, по определению Гудериана, «экспериментальные» маневры под Мюнстером. Есть фото, на которой запечатлен строй 1-го танкового полка, основной танковой компонентой которого стали 4 танка типа «гросстактор» - два от Rheinmetall, и два от Krupp. (Рис.325)

Рис.325 – Строй 1-ой танкового полка на маневрах, август 1935г.
После маневров 1935 года карьера танков Großtraktor окончательно завершилась.
Сообщается, что на маневрах также присутствовали танки VK 31 (Рис.326) и в ограниченном числе первые легкие танки Pz.I Ausf.A.

Рис.326 – Танки VK 31 на маневрах. Ближе к наблюдателю Rheinmetall №39 с ходовой по типу Кристи, далее - Rheinmetall №40.
Гудериан вспоминает так: «…наиболее важным результатом которых (- маневров под Мюнстером в августе 1935г.) стало решение создать 3 танковые (бронетехнические) дивизии» - вероятно, все же решение готовилось задолго до указанных маневров.
27 сентября 1935г. было создано Командование танковых войск (Kommando der Panzertruppen) – можно считать официальным днем образования Panzertruppen (Panzerwaffe). Во главе командования остался Освальд Лутц, получивший повышение и ставший первым генералом танковых войск. Однако, как писал Вернер Хаупт, командование танковых войск было «беспомощным творением, ограниченным рамками надзора за чисто танковыми частями силой до полка». Такая структура стала результатом влияния генерала Бека, который противился развитию танковых войск, как самостоятельному роду войск. Еще одним следствием неприязни Бека к идее стало появление в должности начальника штаба Kommando der Panzertruppen Фридриха Паулюса (Рис.327) вместо чересчур активного Гудериана.

Рис.327 – Фри́дрих Вильгельм Эрнст Па́улюс (Friedrich Wilhelm Ernst Paulus), 1890-1957гг.
Один из авторов плана нападения на СССР. Его имя ассоциируется с окружением и капитуляцией под Сталинградом в конце 1942г. - начале 1943г. 6-ой немецкой армии, которой он тогда командовал.
Несмотря на все ограничения, три вновь формируемые дивизии так или иначе должны были поступить в ведение института Kommando der Panzertruppen.
Вообще сообщают, что 1-я, 2-я и 3-я танковые дивизии были сформированы 15 октября 1935 года, хотя Гудериан указывает 16-е октября. В состав каждой дивизии входили два танковых полка, моторизованный полк, моторизованный артиллерийский полк, саперный батальон, разведывательный батальон, противотанковый дивизион и рота или батальон связи. Некоторым также придавались подразделения военной разведки или картографические части, но при этом отсутствовали какие бы то ни было части обеспечения, технического обслуживания и снабжения.
1-я танковая дивизия (1 Panzer Division) формировалась в Веймаре (IX военный округ), командир генерал-лейтенант Максимилиан фон Вейхс, барон Глонский (Maximilian Maria Joseph Reichsfreiherr von Weichs zu Glon). Большая часть офицеров штаба были переведены из состава учебного командования, а оперативный отдел - из 3-й кавалерийской дивизии. Основную часть личного состава дивизия унаследовала от 3-й (моторизованной) кавалерийской дивизии, расквартированной в Веймаре, и II автотранспортного учебного командования (Kraftfahr-Lehrkommando II) из Тюрингии (IX военный округ). В состав 1-й танковой дивизии вошли 1-й танковый полк из Ордруфа (позднее передислоцированный в Эрфурт) и 2-й танковый полк из Айзенаха. 1-й танковый полк – это бывший 2-й танковый полк, ранее дислоцировавшийся в Ордруфе. 2-й полк – новое формирование на базе 4-го и 7-го кавалерийского полков, 4-й уже был оснащен танками. Вместе 1-й и 2-й танковые полки составляли 1-ю танковую бригаду. Штабы 1-й танковой бригады и 1-го танкового полка были созданы на базе I батальона автотранспортного учебного командования «Ордруф», а их личный состав прибыл из 5-го и 6-го (прусских) кавалерийских полков. 2-й танковый полк в Айзенахе был сформирован из бывшего 7-го кавалерийского полка (Бреслау) и части II батальона автотранспортного учебного командования «Ордруф». Помимо танковой бригады в составе дивизии имелись: 1-я моторизованная бригада (1-й моторизованный полк и 1-й мотоциклетный батальон - офицеры бригады в основном прибыли из 1-го мотоциклетного батальона в Лангензальце, многие солдаты были переведены из I батальона 16-го кавалерийского полка (Эрфурт), 1-й моторизованный полк был сформирован в Веймаре из 11-го кавалерийского полка и I батальона 14-го пехотного полка (пехотного полка «Майнинген»)); 73-й артиллерийский полк (артиллерийский полк, первоначально состоявший всего из одного дивизиона, представлял собой переименованный моторизованный учебный артиллерийский дивизион «Ордруф», а летом 1936 г. был заново сформирован II дивизион, оба дивизиона дислоцировались в Веймаре); 4-й разведывательный моторизованный батальон (переформирован из 4-го Лейпцигского автотранспортного батальона); 37-й дивизион противотанковой артиллерии (сформирован в Айзенахе и Мюльхаузене на основе личного состава 3-й роты 5-го моторизованного транспортного батальона (Кассель)); батальона связи (сформирован на базе 6-й (связной роты) роты 16-го кавалерийского полка). Большую часть личного состава дивизии составляли уроженцы Тюрингии. Также значительную часть составляли саксонцы и пруссаки. Позднее с пополнениями стали приходить призывники и из других районов Германии.
2-я танковая дивизия (2 Panzer Division) формировалась в Вюрцбурге, командир полковник Г.Гудериан. В ее распоряжении находились: 3-й танковый полк в Каменце (вскоре переведен в Бамберг) и 4-й танковый полк в Ордруфе (вскоре переведен в Швайнфурт). Оба полка – новые формирования на базе 4-го, 7-го и 12-го кавалерийских полков (4-й и 12-й кавалерийские полки к этому времени уже были оснащены танками). Вместе танковые полки составляли 2-ю танковую бригаду. Помимо танковой бригады имелись: 2-я моторизованная бригада (2-й моторизованный полк, 2-й мотоциклетный батальон); 74 артиллерийский полк. Другие части дивизионного подчинения будут развернуты к 1937г.
3-я танковая дивизия (3 Panzer Division) формировалась на полигоне Вюнсдорф под Берлином, командир генерал-лейтенант Фессман. Личный состав дивизия получила из различных источников: моторизованного учебного командования «Цоссен», кавалерийских полков 1-й кавалерийской дивизии, подразделений 3-й кавалерийской дивизии, подразделений 2-го, 3-го и 6-го автотранспортных батальонов, а также из рядов местной полиции. В основном дивизия была укомплектована уроженцами Пруссии. 3-я танковая дивизия имела в своем составе 5-й и 6-й танковые полки, базировавшиеся, соответственно, в Вюнсдорфе и Нойруппене (вскоре переведен в Нойруппен). Кстати говоря, 5-й полк – это бывший 1-й танковый полк из Цоссена. 6-й полк – новое формирование, формировался на базе на базе 4-го и 7-го кавалерийского полков, 4-й уже был оснащен танками. Оба танковых полка составляли 3-ю танковую бригаду. Помимо танковой бригады имелись: 3-я моторизованная бригада (3-й моторизованный полк и 3-й мотоциклетный батальон), 75-й моторизованный артиллерийский полк (два дивизиона) и вспомогательные подразделения подчинения штаба дивизии.
На комплектацию этих дивизий направили только что выходящие с заводов Pz.Kpfw.I – по некоторым сведениям, на 1 января 1936г. в составе вермахта числилось 720 шт. Pz.Kpfw I. (Рис.328)



Рис.328 - Колонна танков Pz.l только что сформированной 1-й танковой дивизии. Некоторые указывают, что на фото некое шоу в Нюрнберге в 1934г.
Обучение танковых рот проводилось по месту дислокации, а также роты поочередно отправлялись в артиллерийскую школу в Путлосе. В целях ускорения обучения автомобильная школа была переведена в Вюнсдорф и была переименована в школу моторизованных войск.
7 марта 1936г. фюрер отважился на серьезный поступок - 19 немецких батальонов пехоты, с приданной артиллерией заняли демилитаризованную Рейнскую область (Рис.329), сюда же перелетели несколько германских самолетов.

Рис.329 – Рейнская демилитаризованная зона.
Территория Германии вдоль обоих берегов Рейна шириной 50 км.
В этой зоне условиями ВМД Германии запрещалось размещать войска, возводить военные укрепления, проводить маневры и т. д.
Увы, нарождавшиеся танковые войска еще не были в состоянии принять участие в акции.
К февралю 1936г. роты были сочтены достаточно подготовленными, чтобы начать обучение на уровне полков, которое в основном проходило на полигоне Зеннелагер, но принять участие в рейнской акции еще не могли – формально находились в оперативном резерве.
Односторонний захват Рейнской области смотрелся, как серьезный вызов всему послевоенному устройству Европы, фактические похороны ВМД и начало новой реальности. Говорят, вводу войск в Рейнскую область противились некоторые немецкие высокопоставленные военные, осознававшие слабость вермахта. (Рис.330)





Рис.330 – Вот так выглядел вермахт при вхождении в Рейнскую область в начале 1936г.
Как видим, никах средств моторизации, тем более, танков.
Франция, которая, казалась, была наиболее заинтересованной стороной в сохранении режима демилитаризованной Рейнской зоны имела все возможности вооруженной силой подавить вермахт - в течение нескольких дней страна могла выставить 100 дивизий с артиллерией и танками против, примерно, 20 немецких, имевших в тот момент мизерное количество тяжелых вооружений. Но германские генералы не знали, что к данному шагу Гитлера подталкивала и обеспечивала политически, в международном аспекте, британская дипломатия. В начале 1936 года министр иностранных дел Британии сэр Энтони Иден начал секретно обсуждать план «общего примирения» с Германией, целью которого было устранить все германские обиды. План Идена включал в себя возвращение Германии в Лигу Наций, согласие на контроль вооружений, отказ от любых территориальных претензий в Европе в обмен на ремилитаризацию Рейнской области, возвращение Германии её африканских колоний и признание «германского экономического приоритета» на Дунае. Идеи Идена выглядели так, что Британия рассматривала ремилитаризацию в качестве предмета торга, и поэтому могла протестовать не против факта ремилитаризации как таковой, а против формы её проведения как одностороннего и ультимативного акта. Немцы были проинформированы о том, что Британия готова начать ведение переговоров о ремилитаризации Рейнской области в обмен на «воздушный пакт», запрещающий бомбардировки и обещание не применять силу в целях изменения существующих границ. Канцлер Германии Адольф Гитлер решил рискнуть и принял одностороннее решение о ремилитаризации Рейнской области, рассчитывая на пассивность Британии.
Вернув полный контроль над Рейнской областью, немцы тут же занялись строительством оборонительной линии Зигфрида (Рис.331) напротив французской линии Мажино, законченной, в целом, аккурат к 1936г.






Рис.331 – Линия Зигфрида. Протяженность 630 км.
Годы строительства 1936-1940гг.
Интересно, что союзники в 1944-1945гг. не решились атаковать Германию в лоб через линию Зигфрида, которую они считали серьезным препятствием.
Таким образом, в 1936г. на границе Франции и Германии де факто сложились новые реалии, облегчавшие предпосылки для возможного развертывания боевых действий между сторонами в перспективе.
⃰ Штурмовое орудие.

Рис.332 – Фриц Эрих Георг Эдуард Манштейн (Левински) (нем. Fritz Erich Georg Eduard von Manstein), 1887-1973гг. Племянник фельдмаршала Гинденбурга. Считался неформальным лидером немецкого генералитета. Автор идеи нанесения удара по Франции через Арденны. С 1-го июля 1942г. генерал-фельдмаршал. Вероятно, самый талантливый военачальник вермахта.
Иногда сей документ называют меморандумом о взаимодействии пехотных частей, артиллерии и подвижной артиллерии. В частности, в этом документе указывалась целесообразность создания дивизионов штурмовых самоходных орудий трёхбатарейного состава (по шесть машин в батарее). Задача штурмовых орудий не действие в составе танковых подразделений, а подавление огневых точек, бронетехники противника в строю пехоты на поле боя, обеспечение продвижения пехоты, при этом, применяться такие машины должны не массово, а, как правило, в составе батареи.
Как пишут, меморандум вызвал оживленную дискуссию в среде заинтересованных специалистов - что надо понимать в том смысле, что единства мнений по вопросу не было. И все же 15-го июня 1936г. компании Daimler-Benz было выдано задание на разработку штурмового орудия на шасси новейшего на тот момент танка Z.W. В некоторых источниках в этой связи упоминают фирму Alkett, видимо, ошибочно. В требованиях указывалось, что штурмовое самоходное орудие, предназначавшееся для непосредственной поддержки наземных частей, должно оснащаться в лобовой части корпуса 75-мм орудием с углом вертикального наведения до +25°.
Реально работы начались, видимо, только в 1937г., когда для целей создания прототипов штурмовых орудий выделили шасси пяти танков Pz.Kpfw.III Ausf.B – без корпусов и башен.
Корпус в целом соответствовал танку, но толщина лобового листа брони по проекту составляла 50 мм – фактически корпуса прототипов и рубки под орудие имели толщину 14,5 мм, изготавливались из конструкционной стали – т.е. были небронированными. Сверху устанавливалась приземистая надстройка сложной формы с наружными вертикальными панелями. Орудийная рубка крепилась к шасси болтами. Основным оружием новой машины стала 75-мм пушка StuK 37 L/24 c длиной ствола в 24 калибра производства эссенской корпорации Krupp. Горизонтальное наведение орудия осуществлялось в пределах ±12º, вертикальное – от −10º до +20º. Боекомплект составлял 44 снаряда. В боевой рубке машины дополнительно размещали пулемёт MG-34. Орудийная установка была сдвинута немного вправо, чтобы высвободить место для водителя, который получил поворотный смотровой прибор, двойной перископ и смотровую щель в левом борту надстройки. Командир танка имел в своём распоряжении бинокулярный перископ, а наводчик – перископический прицел Rblf 32. Вообще интересной особенностью этого танка-САУ было то, что все четыре члена экипажа помещались в одном боевом отделении – несомненное новшество. Ходовая часть для прототипов полностью заимствовалась от среднего танка Pz.Kpfw.III Ausf.B. Применительно на один борт она включала следующие элементы: восемь обрезиненных опорных катков с подвеской на листовых рессорах; три поддерживающих ролика; переднее ведущее колесо зубового зацепления; заднее направляющее колесо; мелкозвенчатую гусеница из стальных траков шириной 360 мм. Силовая установка состояла из двигателя Maibach HL120TR мощностью 300 л.с. при 3000 об/мин. и преселекторная коробка передач Variorex SRG 328-145, обеспечивавшая десять передач вперед и четыре передачи назад. Средства связи не включали внутреннего переговорного устройства, но для внешнего взаимодействия устанавливались приёмо-передающие радиостанции FuG15 или FuG16, оснащенные штыревыми антеннами.
В том же 1937г. на заводе Daimler-Benz в Берлин-Мариенфельд были получены все пять прототипов штурмовых орудий, которые именовались Pz.Sfl.III (s.Pak) – видимо, от Selbstfahrlafette. (Рис.333)

Рис.333 - Sfl.III (s.Pak).
Масса изделия примерно соответствовала массе танка Pz.Kpfw.III Ausf.B, около 16 тонн.
Эти машины к декабрю 1937г. поступили в 1-й танковый полк для войсковой эксплуатации. С 1938 года прототипы проходили интенсивные испытания на различных полигонах Германии. (Рис.334)

Рис.334 - Sfl.III (s.Pak) на испытаниях.
Одновременно с началом испытаний возобновились споры относительно целесообразности создания штурмовых орудий, так как были получены танки Pz.Kpfw.IV, нёсшие такое же вооружение. Особенно возражал против создания штурмовых орудий Хайнц Гудериан, но инициатор нового проекта Эрих фон Манштейн настаивал на своей точке зрения. Спор был окончательно разрешен в Польше. В конце 1939г. было принято решение о серийном строительстве штурмовых орудий.
Что касается собственно Sfl.III (s.Pak), то в боевых действиях они не участвовали, применяясь до 1941 года только для обучения личного состава, и впоследствии были разобраны.
⃰ Экспортные танки от Krupp.
Считается, что в мае 1936г. специалисты фирмы Krupp анонсировали идею производства еще более легкого танка, чем Pz.Kpfw.I для экспорта за рубеж - L.K.A. (leichte Kampfwagen Ausland, «лёгкого танка для зарубежных стран»). Вариант отличался, помимо прочего, оригинальной ходовой частью. Прорабатывались и варианты на обычной ходовой танков Pz.I Ausf.А и Pz.I Ausf.В – получили обозначение L.K.B. Планировалась также разработка экспортного варианта типа Pz.Kpfw.II с вооружением из 20-мм автоматической пушки и пулемёта - M.K.A. (Mittlerer Kamfpanzer fur Ausland, средний танк для экспорта).
22 января 1937 года Krupp получила от Управления вооружений предварительное разрешение на продажу L.K.A. другим странам, однако выдача окончательного разрешения была отложена до представления фирмой всех чертежей. Разрешение на экспорт L.K.A. и его модификаций было получено 6 марта 1937г. При этом, в октябре 1937г. Управление вооружений сухопутных сил отправило фирме Krupp список ограничений (преимущественно, речь шла о прицельном оборудовании, смотровых приборах, системах охлаждения двигателя, схеме бронирования), которых она должна придерживаться при разработке всех экспортных танков с целью защитить немецкие изобретения и усовершенствования в области танкостроения от копирования зарубежными странами.
Практически во всех источниках подчеркивают, что ни один из контрактов не был заключен, однако некоторые все же допускают, что один экспортный танк фирмы Krupp мог быть отправлен в Японию.
⃰ Тема L.K.A.
Проект L.K.A. был готов в июле 1936 года. (Рис.335)

Рис.335 – Эскиз L.K.A.
Масса L.K.A. оценивается в 4,5 т. По длине машина на 220 мм была короче, чем вариант La.S-Krupp, таким образом, габариты машины составляли: длина – 3800 мм, ширина – 2060 мм, высота – 1720 мм, клиренс – 250 мм. Схема бронирования не менялась: 14,5/13 мм – вертикальные элементы корпуса и башни, 15 мм – маска башни, 8 мм – крыша корпуса и башни, 5 мм – днище. Экипаж из 2-х человек, как и вооружение из двух башенных пулеметов MG13 сохранялось, боекомплект 2250 патронов. Прицел типа T.Z.F.2. Двигатель Krupp M305 заменялся на более мощный 8-цилиндровый М311 (85 л.с.). Баки нового танка имели общий объем 114 л. Танк L.K.A. получал новую ходовую часть, состоявшую с каждого борта из четырёх опорных катков большого диаметра, сблокированных в две тележки, которые подвешивались, как указывают некоторые на пружинах (- или все же на рессорах?), двух поддерживающих катков, ведущего колеса и приподнятого над грунтом ленивца. Удельная мощность на уровне 19 л.с. на тонну позволяла обещать максимальную скорость 50 км/ч. Запас хода около 100 км.
В октябре 1936 года проект был представлен Управлению вооружений сухопутных
сил. В январе 1937 года фирма Krupp получила уведомление о том, что
окончательное разрешение на продажу танка зарубежным странам отложено до
предоставления всех чертежей. В феврале 1937г. существовало уже три варианта
типа L.K.A.:
1. L.K.A.1, масса – 4,5 т,
вооружение – два пулемёта, название – M.G. K.A;
2. L.K.A.2, масса – 5,2 т,
вооружение – 20-мм пушка и пулемёт, название – 2 cm K.A;
3. вариант L.K.A.2 с более толстой бронёй; масса – 7 т, название – 2 cm K.A.v. (v от “verstärktem” – «усиленный»).
В феврале 1937 года предполагалось построить L.K.A.1 к концу апреля.
В марте спецификации L.K.A. выглядели следующим образом:
Таблица 7 – Спецификация вариантов L.K.A. в марте 1937г.
|
Вариант |
Шасси |
Двигатель |
Вооружение |
Бронирование |
|
L.K.A.1/ M.G. K.A |
L.K.A. |
V8 Krupp возд. охл., 85 л.с. или V8 Ford вод. охл., 90 л.с. |
2 пулемета |
обычное |
|
L.K.A.2/2 cm K.A |
L.K.A. |
V8 Krupp возд. охл., 85 л.с. или V8 Ford вод. охл., 90 л.с. |
20-мм пушка и пулемет |
обычное |
|
2 cm K.A.v. |
L.K.A. |
V8 Krupp возд. охл., 130 л.с. или Maybach вод. охл. |
20-мм пушка и пулемет |
усиленное |
В апреле со спецификациями, как будто, определились окончательно:
Таблица 8 - Спецификация вариантов L.K.A. в апреле 1937г.
|
Тип |
Масса |
Мощность двигателя |
Вооружение |
Бронирование |
Максимальная скорость |
|
L.K.A.1/ M.G. K.A |
4,5 т |
90-100 л.с. |
2 пулемета |
обычное |
50 км/ч |
|
L.K.A.2/2 cm K.A |
5,5 т |
90-100 л.с. |
20-мм пушка, пулемет |
обычное |
50 км/ч |
|
7 т |
130 л.с. |
25-мм пушка, пулемет |
усиленное |
40 км/ч |
Весной 1937г. опытный L.K.A.1/ M.G. K.A действительно был получен. (Рис.336)






Рис.336 – L.K.A.1/ M.G. K.A.
В отношении L.K.A.2/2 cm K.A пишут так. Эскизный проект башни с 20-мм пушкой фирмы Rheinmetall для L.K.A. был готов в феврале 1937 года. Фирма Krupp также разработала свою 20-мм автоматическую пушку с хорошим показателем бронепробиваемости, специально предназначенную для установки в танк. Эскизный проект танка L.K.A.2/2 cm K.A (Рис.337) был готов в декабре 1937 года.

Рис.337 - L.K.A.2/2 cm K.A, эскиз.
Судьба варианта 2.5 cm K.A.v. оказалась самой короткой. Некоторые пишут, что уже в марте 1937г. (возможно, в апреле) танк с усиленным бронирование решили строить на шасси М.К.А.
⃰ Тема L.K.В.
В феврале 1937 года фирмой Krawa был собран первый L.K.B. - L.K.B.1 - с использованием шасси Pz.I Ausf.A и надстройки с башней Pz.I Ausf.B. Моторное отделение было изменено под установку двигателя Krupp M 311. (Рис.338)

Рис.338 - L.K.B.1.
Затем стали прорабатывать вариант L.K.B. (с двигателем Krupp M 311) на шасси Pz.I Ausf.В. Удлиненная ходовая сообщала более устойчивую езду. Вроде, в феврале 1937г. такой вариант был получен, правда, шасси не имело корпуса, надстройки и башни; вместо всего этого был установлен балласт. Машина в литературе называется L.K.B.3 (Рис.339).

Шасси L.K.B.3. предлагалось Швеции, но после испытаний в сентябре-октябре 1937г. шведы отказались от покупки. Тем не менее, немцы планировали установку на такое шасси надстройки и башни, как на L.K.B.1. Проект обозначался L.K.B.2. Управление вооружений выбрало этот вариант для зарубежных поставок. В марте 1937 года фирма Krupp получила официальное разрешение предлагать L.K.B.2 иностранным государствам, за исключением Франции, СССР, Литвы, Великобритании, Чехословакии и Испании. Единственный L.K.B.2 был построен в начале 1938 года. (Рис.340)

Рис.340 - L.K.B.2.
Массу варианта указывают в 5,6 тонн.
Имеются сведения, что планировалось создать вариант L.K.B., вооружённый 20-мм автоматической пушкой - 2 cm L.K.B. Эскизный проект новой башни был готов в феврале 1937 года, она в целом была аналогична башне L.K.A.2. По планам башня должна была быть произведена и установлена на танк в апреле 1938, однако не найдены документы, подтверждающие, что это когда-либо было сделано.
⃰ Тема М.К.А.
Для танка с усиленным бронированием, вооруженного 25-мм пушкой, массой 7 тонн база L.K.A. уже не подходила. К тому же в начале 1937г. появилась идея разрабатывать варианты экспортных танков с 45-мм или 75-мм орудиями. Вот тут пригодился задел по теме Zugführerwagen. В 1934г. на Krupp создали общую концепцию танков Z.W., в том числе построив полноразмерный макет, но в серийном строительстве танков типа Z.W. - Pz.Kpfw.III - фирме отказали. Теперь материалы по теме Z.W. Krupp сгодились компании для разработки и строительства экспортного среднего танка. Таким образом, если первоначально М.К.А, выглядел, как экспортный аналог Pz.Kpfw.II, то теперь он становился вполне себе конкурентом для Pz.Kpfw.III. В феврале 1937г. в программу экспортных танков Krupp были включены: M.K.A, масса – 7 т, вооружение – 45-мм пушка и два пулемёта, название – 4.5 cm K.A; вариант M.K.A. с более толстой бронёй, масса – 10 т, название – 4.5 cm K.A.v; S.K.A. (S от «sсhwerer» – «тяжёлый»), масса – 14 т, вооружение – 75-мм пушка и два пулемёта, название – 7.5 cm K.A. (Табл.9)
Таблица 9 – Спецификации на танки типа М.К.А. в марте 1937г.
|
Тип |
Шасси |
Двигатель |
Вооружение |
Бронирование |
|
M.K.A/4.5 cm K.A.v. |
M.K.A. |
V8 Krupp возд. охл., 130 л.с. или Maybach вод. охл. |
45-мм пушка, два пулемета |
обычное |
|
4.5 cm K.A.v. |
M.K.A. |
300 л.с. |
45-мм пушка, два пулемета |
усиленное |
|
S.K.A./7.5 cm K.A. |
M.K.A. |
300 л.с. |
75-мм пушка, два пулемета |
обычное |
В марте 1937г. последовали уточнения по поводу пушечного вооружения вариантов М.К.А. Было предложено выбрать 45-мм и 75-мм орудия с не очень большой начальной скоростью снаряда (около 500 м/с), поскольку дальность боя у этих танков определялась обычно менее километра - достаточная бронепробиваемость могла быть достигнута и с такой начальной скоростью снаряда. Также были предложено сделать орудия неавтоматическими, потому что боекомплект предполагался небольшим из-за ограничений по размерам и массе. (Табл.10)
Таблица 10 – Спецификации на танки типа М.К.А. в апреле 1937г.
|
Тип |
Масса |
Мощность двигателя |
Вооружение |
Бронирование |
Максимальная скорость |
|
4.5 cm K.A.v. |
11-12 т |
180-200 л.с. |
45-мм пушка, два пулемета |
усиленное |
40 км/ч |
|
S.K.A./7.5 cm K.A. |
16-18 т |
300 л.с. |
75-мм пушка, два пулемета |
обычное |
35 км/ч |
Строительство варианта S.K.A./7.5 cm K.A. ставилось под сомнение, он был дорог и, видимо, не мог продаваться за рубеж. Сосредоточились на 4.5 cm K.A.v.
В июне 1937 года характеристики 4.5 cm K.A.v. были следующими: масса – 12 т, мощность двигателя – 180-200 л. с., максимальная скорость – 40 км/ч, толщина брони – до 25 мм. Экипаж 4 чел. Вооружение – 45-мм пушка и два пулемёта. Орудие для M.K.A. разработала сама Krupp; это 45-мм полуавтоматическая пушка с длиной ствола 50 калибров, начальная скорость снаряда – 750 м/с, бронепробиваемость – 40 мм под углом 90° на дистанции 1000 м. Планировалось поставить в танк двигатель Maybach HL 76 мощностью 200 л. с., однако разрешение на его использование ещё не было дано, поэтому в августе 1937 года фирме Krupp было предложено использовать 155-сильный двигатель Maybach D.S.O.8, стоявший на тягачах.
В октябре 1937 года Управление вооружений сухопутных сил приняло решение не выпускать на экспорт 4.5 cm K.A.v. Причинами служили слишком большие совпадения в конструкциях моторного отделения и системы охлаждения с теми, что будут использоваться на новейших танках для германской армии. Несмотря на запрет экспорта, в феврале 1938 года фирма Krupp решила разрабатывать и строить 4.5 cm K.A.v. Компоненты танка – корпус, башня и орудие – были закончены до 1939 года. Первоначально был установлен двигатель Maybach HL 98 мощностью 230 л. с., который в дальнейшем планировалось заменить двигателем Maybach HL 76. До октября 1940 года (по некоторым сведениям, в январе 1940г.) был собран единственный танк М.К.А. (Рис.341) и испытан, как пишут, с хорошими результатами.


Рис.341 – М.К.А., фото датируется 1940 годом.
Масса машины 12,1 т. Габариты по длине 5100 мм, по ширине 2380 мм, прочие в литературе не приводятся. Бронирование: лоб корпуса - 25 мм, борт корпуса - 18 мм, башня - 25 мм (борт башни 16 мм), крыша - 10 мм, днище, 10 мм. Катаные броневые листы соединялись при помощи сварки. Рациональный угол наклона имел только верхний передний бронелист. Экипаж 4 чел. Вооружение 50-мм пушка kwK38 L/50 и один 7,92-мм пулемет MG34 или MG17. Бронебойный снаряд этой пушки, обладая начальной скоростью 750 м/с, мог пробивать броневые листы толщиной 40-46 мм, установленных под углом 60°, на расстоянии до 500 метров Двигатель Maybach HL76, карбюраторный, 6-цилиндровый, мощностью 190 л.с. Ходовая часть на борт: 6 сдвоенных опорных катков, подвеска рессорная по типу Pz.IV, только катки имели больший диаметр, 3 поддерживающих ролика, переднее ведущее и заднее направляющее колесо. Максимальную скорость указывают в 42 км/ч.
M.K.A. предлагали странам-союзникам: Испании, Италии и Японии. Вопреки ожиданиям, интереса этот танк не вызвал. Повторная попытка предложить M.K.A. немецкой армии оказалась неудачной. Работы в этом направлении фирма Krupp завершила в том же году, а танк впоследствии разобрали на металл.
⃰ Некоторые итоги к 1937г.
В короткий срок с 1933г. по 1937г. немцы разработали и пустили в серию четыре типа танка. Танки имели разную массу, габариты, вооружение, экипаж, тактическое назначение, но все же обладали некоторыми общими чертами, характеризующими именно немецкое танкостроение: ярко выраженная подбашенная коробка, переднее расположение трансмиссии и ведущих колес, хорошая обзорность, способность к длительному движению без остановки (двигатели с жидкостным охлаждением), обязательная радиофикация, сварные корпуса и башни, на танках среднего типа трехместные башни с выделенной функцией командира, противопульное бронирование (характерно для данного Этапа).
Первый тип - пулеметный PzKpfw I позиционировался как учебный, но стал самым воюющим танком, приняв участие во всех кампаниях фашистской Германии. Второй тип, легкий PzKpfw II считался «переходным», почти временным явлением, но оказался самым массовым в начале Второй мировой, вплоть до нападения на СССР летом 1941г. Третий тип - PzKpfw III, которому изначально отводилась роль основного танка панцерваффе, долгое время не мог занять отведенную ему нишу по причине малочисленности. В помощь PzKpfw III и другим танкам был создан танк огневой поддержки PzKpfw IV, с относительно равной PzKpfw III массой, таким же бронированием и одинаковым с ним двигателем. В будущем PzKpfw IV вытеснит PzKpfw III из ниши основного танка панцеваффе и станет единственным типом, выпускавшимся от своего рождения до конца рейха.
Появился, правда пока в варианте прототипов (так сказать, концепт-танков), и пятый тип танка – танк поддержки пехоты – штурмовое орудие, которой прочно займет свое место на полях сражений.
Дальнейшее развитие получил интересный вариант колесного танка.
В 1936г. в интересах координации усилий танкостроителей и унификации конструкций был назначен ответственный за разработку новых танков – им стал Генрих Эрнст Книпкамп. Книпкамп был известен разработкой «шахматной» ходовой части, ратовал за внедрение торсионной подвески на танках.
В 1936 г. Фридриха Паулюса на посту начальника штаба командования танковых
войск (Kommando der Panzertruppen) сменил подполковник Вальтер Неринг. В
отличие от Паулюса, он начал более энергично заниматься формированием частей панцерваффе.
Осенью 1936 г. оно усилилось двумя новыми танковыми полками, 7-м в
Файхингене и 8-м в Беблингене. Согласно уже сложившейся практике, они были
сформированы из личного состава существовавших частей. Существующие полки
выделяли для новых целые роты, на смену которым приходили военнослужащие
запасных частей военных округов. В некоторых источниках сообщают, что с 1936г.
танковые полки 1-й дивизии ежегодно должны были поставлять две-четыре роты для
формирования новых танковых полков. На их основе были сформированы 7-й, 8-й,
15-й, 35-й и 36-й танковые полки. С другой, стороны пишут, что в рядах 7-го
танкового полка служил личный состав 3-го, 5-го и 6-го танковых полков. Это
подмывает мнение об исключительном положении 1-й дивизии в деле формирования новых
танковых полков. Командование танковых войск также сформировало управление 4-й
танковой бригады, но на начальном этапе в распоряжении этого штаба не было
боевых частей.
Таким образом, на начало 1937г. танковый парк вермахта мог располагать 1527/1552 танками (некоторые считают 1609 штук). (Табл.11)
Таблица 11 – Танковый парк боевых танков вермахта на начало 1937г.
|
Pz.Kpfw I (в обеих модификациях) |
1428 шт. |
|
Pz.Kpfw II |
75-100 шт. |
|
Nb.Fz.VI. |
3 шт. |
|
Sd.Kfz.231 (8-Rad) |
21 шт. |
*Возвращенцы и их наследие.
В 1936г. из шведской командировки вернулся Отто Мёркер (Рис.342), конструировал танки на фирме Landsverk - в том числе, впервые поставил на танк торсионную подвеску.

Рис.342 - Otto Merker, 1899-1986 гг., немецкий инженер. В 1929-1936гг. главный инженер немецко-шведской фирмы Landsverk.
После возвращения в Германию он стал членом нацистской партии. Проектированием танков до войны более не занимался. Сделал карьеру в Имперском министерстве вооружений и военного производства - с 1942 года ответственный за программу производства подводных лодок. Вернулся к разработке бронемашин после войны - занимал пост генерального директора компании «Рейншталь Ханомаг» и был членом правления группы «Рейншталь». В годы его руководства «Ханомаг» разработал для бундесвера бронетранспортер HS 30 и БМП «Мардер».
В начале 1930-х (в 1931г. или в 1933г.) в Германию из СССР вернулось танковое конструкторское «Бюро Гроте». В СССР Гроте создал довольно перспективный для своего времени тип среднего танка (Рис.343) и занимался темами 100-тонных танков прорыва и сверх-сверхтяжелыми танков-крепостей.


Рис.343 - Edward Paul (?) Grote и его танк ТГ-1 (TG-1), построенный в 1930-1931гг. в СССР.
В сентябре 1937г. Гроте открыто выступил в специализированном печатном органе Kraftfahrkampftruppe со статьей, в которой то ли знакомил немецкую заинтересованную публику с идеей танков-крепостей массой 600-1000 тонн, то ли продвигал эту идею или самого себя, как конструктора сверхтанков. Вот некоторые выдержки из его публикации: «В начале своего изложения я уже упоминал, что одновременно с задачей постройки 100-тонного танка прорыва, названного Т-42, я получил от (- советского) военного комиссариата (- военного министерства) инструкцию тщательно продумать конструктивное исполнение «танка-крепости». Поэтому были подготовлены многочисленные проекты, в основе которых лежал мой опыт разработки и производства танков. Контрольных данных не было, так как все его предшественники имели гораздо более низкую мощность. Поэтому были поставлены новые производственные и тактические задачи. Тактические требования предъявлял военный комиссариат, и подробно обсуждал со мной Тухачевский. Во время одного из таких обсуждений было сказано следующее: «Для охраны границ большого советского пространства не подходят укрепления, подобные тем, что возводят европейские капиталистические, буржуазные государства. Строительство по такому принципу потребовало бы настолько большого количества материалов и заняло бы так много времени, что на его осуществление ушли бы десятилетия». И далее: «Поэтому необходимо, приняв революционные меры и максимально задействовав технические приёмы, найти способы и средства построить машины-крепости, похожие на мониторы, которые могли бы действовать на широком участке суши, как это делают военные корабли на море». Результатом первых размышлений стали представленные на изображениях машины. Лишь на последующих стадиях разработки советские военные комиссары повысили свои требования и потребовали установить самое тяжёлое вооружение. Больше всего они хотели видеть 38-см или 42-см орудия. (- Рис.344)


Рис.344 – Ранние варианты «мониторов» Гроте.
Однако соображения специалистов показали, что эти планы пока неосуществимы. Останавливаясь на подробностях, стоит упомянуть, хотя здесь это излишне, что в моём первом проекте была предусмотрена только одна основная башня в задней части корпуса (см. контурный эскиз с отдельным орудием). В двух маленьких боковых башнях в передней части было по одному 75-мм орудию. (- Рис.345)

Рис.345 – Очевидно, перед нами первый вариант 1000-тонного танка Гроте.
Однако требования русских породили то, что изображено на рисунках. (- Рис.346)





Рис.346 – Развитие 1000-тонного танка Гроте.
В каждом случае габаритные размеры машины остались неизменными».
Итак, разберем возможные ТТХ танка-крепости Гроте, нынче более известного как ТГ-V или ТГ-VI. Масса 1000 тонн. Длина 25 м, ширина – не указывается, высота – 5 м. В трех или шести башнях предполагалось разместить: два 304-мм (!!!) орудия, четыре 152-мм и 76-мм и две 45-мм пушки. Экипаж танка должен был состоять из сорока человек. Броневая защита лобовой части корпуса и башни по проекту достигала 300 мм, бортов - 250 мм, крыши и днища - 60-100 мм. На машине предполагалось установить несколько двигателей суммарной мощностью 24000 л.с. (17630 кВт), которые должны были обеспечить скорость движения до 60 км/ч. Трансмиссия танка - гидромеханическая с электрической системой управления. В ходовой части предусматривалось применение гидравлической подвески и тройных гусениц.
С резкой критикой идей Гроте выступил патриарх австро-немецкого танкостроения Гунтер Бурстын (Рис.347), который назвал их фантазиями.

Рис.347 - Günther Adolf Burstyn, 1879-1945гг., фото 1941г.
В 1912г. запатентовал в Германии и Австро-Венгрии проект танка Motorgeschütz
Почитался и почитается в Германии и Австрии, как «отец танка».
В 1937г. на том спорщики и разошлись, но в военные годы тема танков-монстров всплыл в Германии вновь.
В июне 1937г. в американский Форт-Нокс пожаловал подполковник Адольф фон Шелл, инспектор по моторизации немецкой армии. Его интересовали новые американские легкие танки, начавшие выпускаться серийно с 1935-1937гг. Он негативно оценил практику разделения танков на пехотные и кавалерийские. Американские легкие танки он назвал быстрыми, но с устаревшим вооружением, очевидно, подразумевая отсутствие пушечного вооружения. Позже Адольф фон Шелл запустил программу по оптимизации немецкой автомобильной промышленности.
⃰ Panzer-gruppe Drohne.
Гражданская война в Испании (1936-1939гг.) оказалась тем полигоном, на котором немцам довелось отработать в боевых условиях свои тактические приемы, опробовать материальную часть, подготовить опытные кадры.
В июле 1936г. мятежники (франкисты), выступившие против центрального правительства в Мадриде, обратились за помощью к итальянцам и немцам за военно-технической помощью. 26-го июля посланников Франко принял Гитлер, который согласился для начала отправить в Марокко 30 транспортных самолетов Ju-52 вместе с экипажами. В конце июля 1936 года в Германии для организации помощи франкистам был создан особый штаб (Sonderstab W). 1 августа в поддержку транспортным самолетам доставили 6 истребителей Не-51В-1, двадцать 20-мм зенитных орудий и 86 военнослужащих, включая и пилотов, которые формально были уволены из армии, носили гражданскую одежду и имели документы с испанскими фамилиями.
Немцы в августе-сентябре 1936г. расширяли свое авиационное присутствие, включая поставку боевых типов самолетов – истребителей и бомбардировщиков. (Рис.348).


Рис.348 – Вверху - немецкий бомбардировщик He-111E в Испании.
Внизу - истребитель Ме 109 Bf. Впервые самолет данного типа сбил самолет противника именно в испанском небе 6-го декабря 1936г.
Появление этого самолета знаменовало революцию в истребительной авиации.
Однако первоначально немецкие пилоты выступали только в роли инструкторов, помогая испанцам освоить новые для них самолеты. Вскоре выяснилось, что большинство испанских пилотов имеют очень низкий уровень летной подготовки. В течение недели испанцы разбили четверть доставленных самолетов. В результате, немецким инструкторам было разрешено участвовать в боевых вылетах.
3 ноября 1936г. немцы открыто признали свое присутствие в Испании, объявив о формировании добровольческого Legion Condor. В общей сложности численность Легиона составляла около 20 тысяч человек – надо думать, не сразу, а в целом за все время присутствия легиона в Испании. Следует заметить, что немецкий легион сохранял автономность по отношению к командованию франкистов. В состав Legion Condor входили: истребительная эскадрилья, бомбардировочная авиагруппа, подразделения авиаразведки и аэродромного обслуживания, зенитная артиллерия и различные вспомогательные службы. (Рис.349)

Рис.349 – Хуго Шперле (Hugo Sperrle), 1885-1953гг.
Первый командир Legion Condor, на тот момент генерал-майор люфтваффе.
Кроме того, Legion Condor включал сухопутные подразделения под общим названием – Gruppe Imker, куда формально вошла танковая группа Panzer-gruppe Drohne. В некоторых источниках указывают, что подразделения Легиона «Кондор» высадились в порту Кадиса 15 ноября 1936г., следовательно, надо думать, что Panzer-gruppe Drohne также прибыла в Испанию не раньше этого срока, но, возможно, дата 15 ноября отражает официальную точку зрения на события, скрывая некий латентный период развертывания немецких добровольцев в Испании.
Известно, что в 1936г. в составе командования танковых войск специально для действий в Испании был создан 88-й танковый батальон, в состав которого вошли добровольцы из 4-го и 6-го танковых полков (во многих источниках указывают, что только из 6-го танкового полка). Командовать батальоном (Panzer-gruppe Drohne или Panzergruppe Drohne) назначили подполковника (иногда встречается: майора) Вильгельма Риттера фон Тома. (Рис.350)

Рис.350 – Вильгельм Йозеф Риттер фон Тома (Wilhelm Josef Ritter von Thoma), 1891-1948гг.
Дослужился до генерала танковых войск вермахта.
Батальон первоначально состоял из одной танковой роты и ремонтного отделения, в каковом виде и был отправлен на Пиренейский полуостров. По другой версии, группа состояла из штаба и двух танковых рот с тремя отделениями (секциями) в каждой. В состав отделения входило пять танков и по одной командирской бронемашине. Кроме того, группа включала транспортное, противотанковое артиллерийское и огнеметное отделения, а также ремонтную полевую мастерскую. В первой партии прибыло 32 машины типа Pz.I Ausf.A, в том числе 2-3 в командирском варианте. Личный состав в количестве 180 (или 150-ти) танкистов-добровольцев прибыл в Испанию под видом туристов. Замечание насчет «туристов» позволяет допускать, что первые немецкие танки и танкисты могли прибыть и в октябре 1936г., до публичного объявления о немецком добровольческом корпусе в ноябре.
Сначала, вроде, планировалось, что немцы будут заниматься лишь подготовкой испанских коллег. Но после недели обучения выяснилось, что испанцам рискованно доверять боевые машины. Как впоследствии вспоминал фон Тома «испанцы быстро учатся, но также быстро забывают то, что выучили». Более откровенные авторы пишут так: испанские «подопечные лихо брались за дело, но относились к процессу обучения с большой долей самодеятельности и откровенного разгильдяйства». Тома принял решение отправлять на фронт смешанные экипажи, причем командирами всегда были немцы. Тома и сам принимал участие в боевых действиях.
19 октября 1936г. лидер испанских фашистов Франко объявил о наступлении на Мадрид. Пишут, что к этому времени немцы подготовили для боевых действий 9 танков Pz.Kpfw.I – надо думать машины повели в бой немецкие экипажи. В некоторых источниках сообщают, что 28 или 30 октября (по другим сведениям, 29 ноября) 1936г. впервые проявили себя и немецкие Pz I. Танки поддерживали огнём кавалерийские подразделения франкистов, когда попали под внезапный фланговый ружейно-пулемётный огонь республиканцев. Хотя стрельба не отличалась особой точностью, экипажи немецких танков, как будто, понесли потери. Затем несколько Pz I (возможно, все 9 шт.) около Мадрида столкнулись с колонной советских броневиков. Очевидно, в составе колонны находились пушечные БА-6, которые огнем своих 45-мм пушек смогли доставать немецкие танки с дистанции 500-550 м. По другим сведениям, немецкие танки впервые на поле боя появились 29 ноября. Благодаря немецким танкам, республиканский фронт на севере от Мадрида опасно затрещал. Советские источники сообщают, что 30 ноября в районе городка Посуэло-де-Аларкон советские Т-26, спешно переброшенные к северу от Мадрида, вступили в бой с танками противника. Вообще, считается, что в конце ноября - начале декабря 1936г. танки Т-26 уничтожили 12 немецких и итальянских танков (75% экипажей погибло). Однако к этой оценке надо относиться осторожно. Скорее всего, немецкая танковая группа Drohne не имела потерь, по крайней мере, до 6 декабря 1936г. Существует отчет от 6 декабря 1936г. командира немецкой танковой группы Drohne фон Тома о боевом применении танков. В этом документе о потерях танков ничего не сообщается – рассматривается лишь опыт борьбы пулеметных танков с пехотой противника и дается детальный анализ характера ранений экипажей танков от стрелкового оружия. Советские танки в отчёте, вроде, упоминались, но как пишут авторы: «поверхностно» - понимай как хочешь.
Пишут, что в декабре 1936г. в Испанию было доставлено еще 21 штука Pz.Kpfw.I, из них 19 танков в модификации Ausf.В.
В конце декабря 1936г. главный немецкий офицер в Испании Вильгельм Фаупель потребовал отправки в Испанию трех немецких дивизий. Этой идее воспротивился министр иностранных дел барон Константин фон Нейрат, который не хотел, чтобы Германия становилась стороной конфликта. 21 декабря на совещании в присутствии Гитлера позицию Нейрата поддержал Бломберг (военный министр), который предостерег, что открытое вступление Германии в войну в Испании спровоцирует большую войну, а Германия еще не закончила процесс перевооружения, и такой конфликт для Германии преждевременен. Гитлер, Геринг и другие согласились с точкой зрения Бломберга.
Бои с применением танков продолжались к северу от Мадрида весь декабрь 1936г. и первую половину января 1937г. На ведение боевых действий существенное влияние оказывали погодные условия – зима была мягкая, из-за высоких температур повысилась влажность, и стояли густые туманы, ограничившие деятельность войск и совершенно не допускавшие использование авиации. Франкисты имели возможность применить и применяли три роты немецких Pz I (около 30 шт.). Пишут, что в период с 15 по 20 декабря франкисты недосчитались десяти танков. Какие точно танки были потеряны франкистами в источниках не уточняется, но известно, что именно в это время один танк Pz I (серийный номер 10184) был захвачен республиканцами и в марте 1937г. оказался в СССР. (Рис.351)

Рис.351 – Захваченный республиканцами Pz I на автобронетанковом полигоне НИАБТ в подмосковной Кубинке. Вооружение и часть оборудования на машине отсутствует.
Пишут, что в декабре 1936г. в Испанию была доставлена еще 21 штука Pz.Kpfw.I, из них 19 танков в модификации Ausf.В, тогда же в декабре сформировали третью роту.
В феврале 1937г. в бой было ведено еще 11 немецких танков; сформирована четвертая рота. Все время существования Panzer-gruppe Drohne применялся метод регулярной ротации кадров. (Рис.352)

Рис.352 – Танкисты группы Drohne.
Танки Panzer-gruppe Drohne принимали участие в наступлении на республиканский Север весной 1937г. и, возможно, сыграли ключевую роль в сражении при Брунете (6-25 июля 1937г.). 24 июля 13-я дивизия генерала Баррона при поддержке немецких танков (не исключено, что немцы применяли и трофейные советские Т-26, взвод советских танков был включен в Panzergruppe Drohne в марте 1937г.) прорвали центр обороны республиканцев, практически выбив республиканскую 11-ю дивизию из Брунете. Вообще, в этом сражении слаженные действия всего немецкого Легиона Кондор (авиационных и наземных подразделений) и выучка немецких добровольцев спасли франкистов от возможного поражения.
С августа 1937 года начался процесс преобразования немецкой танковой группы "Drohne" в испанскую танковую часть. К этому времени немецкая группа состояла из семи рот, на вооружении которых состояли германские (в августе из Германии было получено еще 30 танков Pz.Kpfw.I) и советские танки. Имелась танковая школа, депо, противотанковая рота, ремонтная мастерская, рота снабжения, штаб. Полностью процесс «испаинизации» группы "Drohne" завершился в марте 1938 года. (Рис.353)

Рис.353– У брони Pz.Kpfw.I. Военный слева похож на немца – поза не столь артистична.
В конце 1937г. из Германии прибыло еще 10 танков Pz.Kpfw.I, а последняя поставка из 30 штук состоялась в январе 1939г. Пишут, что 88 батальон в 1939г. имел три роты и ремонтную роту.
Немецкий контингент покинул Испанию 26 мая 1939г. Через испанский театр прошло не менее 26 тыс. немецких военнослужащих - количество награжденных орденами и медалями Третьего рейха за участие в боевых действиях Гражданской войны в Испании (Рис.354, Рис.355) – вероятно, такое число получилось за счет регулярной ротации кадров за три года кампании.

Рис.354 – Награждение добровольцев Легиона «Кондор» у Бранденбургских ворот.

Рис.355 – Фото немецкого танкиста с памятной медалью и Испанским Крестом за заслуги.
Помимо 120 танков Pz I, немцы отправляли в Испанию самолеты (вероятно, не менее 200 шт.), артиллерию (в частности, 297 противотанковых 37-мм пушек, сыгравших большую роль в истреблении бронетехники противника), иное вооружение, средства связи.
В русскоязычных источниках часто повторяется, что немецкие пулеметные танки оказались едва ли не бесполезными по сравнению с пушечными советскими машинами, и, столкнувшись с советской техникой, немцы взяли курс на создание пушечных танков с противоснарядной броней. В отношении того, что пулеметные Pz.I не могли бороться с советскими пушечными танками и бронемашинами – это факт очевидный. Но обращает на себя внимание и то обстоятельство, что Pz.I эффективно применялись в подходящих боевых ситуациях до конца войны, а потери в танках были относительно невелики (- возможно, около 2-х десятков - по различным причинам, в том числе техническим). Указывают, что группа "Drohne" потеряла всего 7 человек в боевой обстановке. Вероятно, успеху немецких танков и танкистов способствовала их относительная независимость от испанских хозяев. Например, известен случай, когда Франко (лидер испанских националистов) лично потребовал от фон Тома, чтобы тот отправил танки в атаку вместе с пехотой, но немец возразил: «Я буду использовать танки, не распыляя их, а концентрируя». Франко выслушал ответ и только. В то же время немцы охотно дополняли свои пулеметные танки трофейными пушечными - уже к марту 1937г. им удалось сформировать первый взвод из трофейных Т-26 – за захват танка Т-26 полагалась премия в размере 500 песет, что равнялось месячному жалованию американского летчика на службе у республиканцев – причем, деньги эти выплачивали, как будто, немцы. Приводят, что в общей сложности (до конца Гражданской войны) было захвачено 178 танков Т-26; по другим сведениям – 280 танков. Пишут также, что националисты ввели в строй более 150 танков Т-26, БТ-5 и пушечных броневиков БА-10. Всего республиканцы имели возможность использовать не менее 300 пушечных танков и 351-го советского танкиста против противника, изначально вовсе не имевшего пушечных танков, но это не помогло изменить ход вооруженной борьбы в пользу республики. Конечно, всю вину за неумелое использование советских танков можно отнести на республиканцев, однако события лета 1941г. отчетливо вскрыли неумение советскими применять массы танков, да и в последующие годы ВОВ громадные потери в танках ставят под вопрос, в том числе, грамотность тактических приемов советской армии в отношении применения танков. Что касается тезиса о том, что события в Испании оказали серьезное влияние на немецкое танкостроение, то, представляется, что это некоторое преувеличение. Пушечные танки немцы разрабатывали с середины 1920-х годов, а программы современных пушечных танков типа Pz.II, Pz. III, Pz.IV стартовали в 1933-1934гг. и никакого отношения к испанским событиям не имели. Часто напрямую связывают факт снятия с производства в мае 1937г. пулеметных танков Pz.I с уроками Испании. Однако танки типа Pz.I производились и в 1938г. (правда, относительно в небольших количествах), и далее линия пулеметных танков была продолжена. Видимо, значимым здесь выступает другой аспект – к середине 1937г. крупными сериями начали строить пушечные Pz.II, которые были призваны заменить «учебные» единички. Так что замена в производстве Pz.I на Pz.II, скорее, вытекала из внутренней логики развития германского танкостроения. Еще одним важным открытием Гражданской войны в Испании было то, что современная противотанковая артиллерия весьма эффективна против тонкобронных танков. Вопрос усиления брони на танках, возможно, обозначился в 1937г., но скорее, гипотетически – реально шаги по утолщению брони выпущенных танков (практически все машины, строившиеся в 1934-1937гг. и даже в 1938г. имели максимальное бронирование 14,5(15) мм) были предприняты только по итогам Польской кампании. Так что уроки войны в Испании, во многом, оказались за скобками внимания немецких заказчиков и танкостроителей.
Любопытно еще одно наблюдение. Советские, заполучив в Испании танк Pz.I Ausf.A, довольно долго и всесторонне исследовали машину. Немцы же, имея в своем распоряжении большое количество советских Т-26 и новейших на тот момент БТ-5, совершенно не интересовались их конструкцией, что свидетельствует о высокой степени самодостаточности (самоуверенности) немецких танкостроителей во второй половине 1930-х годов.
Прочие бронированные машины
Плавающая гусеничная машина, полугусеничные машины, колесные бронированные машины.
⃰ Плавающая гусеничная машина.
В 1936 году, по заказу Управления вооружений, была инициирована работа по небронированной амфибии, которую можно было бы использовать для десантирования небольших подразделений. Машина получала обозначение Land-Wasser-Schlepper (LWS). Пишут, что разработкой амфибийного трактора занялись в сотрудничестве фирмы Rheinmetall-Borsig и Alkett.
Корпус машины проектировался, исходя из соображений гидродинамики, поэтому получил вполне корабельные очертания. Носовая часть корпуса имела заостренной вид, борта и корма выполнялись вертикальными. Большую часть корпуса занимал транспортный отсек, который был совмещен с отделением управления. Транспортный отсек был рассчитан на перевозку 20 десантников с полной амуницией. Он закрывался общей надстройкой с большими ветровыми стеклами и бортовыми иллюминаторами, имевшими броневые заслонки. Корпус-таки получал бронирование - максимальное не превышало 15 мм. Машина имела довольно оригинальную гусеничную ходовую часть. Применительно на один борт она включала четыре блока опорных катков с амортизацией на листовых рессорах – причем подвеска напоминала вариант на танках Pz.Kpfw.II Ausf.с. Над каждым блоком находился ролик, поддерживающий верхнюю ветвь гусеницы. Ведущие колеса находились спереди, направляющие – сзади. (Рис.356)

Рис.356 – LWS, общий вид.
Габариты машины: длина – 8600 мм, ширина – 3160 мм, высота – 3130 мм. Масса машины достигала 17 тонн! При этом гусеничные ленты имели ширину всего 310 мм, что гарантировало высокое удельное давление на грунт — 1,446 кг/см2. Экипаж 3 чел. В моторном отсеке, располагавшемся на корме, устанавливался танковый бензиновый двигатель Maibach HL108TR с системой воздушного охлаждения. Воздух к силовой установке и в кабину поступал через три шахты, отверстия для которых были вырезаны в крыше рубки. Для передвижения на воде использовались два трехлопастных гребных винта, установленных в задней части корпуса снизу. Здесь же находился буксировочный крюк. Ёмкости двух топливных баков общим объёмом 600 литров хватало на 150 (по другим данным — 240-260) км движения по дороге с твердым покрытием. Предусматривались средства связи – радиостанция FuG Spr.
Работы по проектированию затянулись – видимо, тема не была из числа приоритетных. Первый прототип амфибии LWS был готов в 1940 году. На испытаниях LWS зарекомендовал себя с хорошо. При массе 17 тонн амфибия могла развивать максимальную скорость по шоссейной дороге до 32 км/ч и до 12 км/ч на плаву при условии отсутствия волнения. По параметрам вместимости и грузоподъёмности LWS также удовлетворял основным требованиям. Был сделан вывод, что данная машина пригодна для принятия на вооружение. До конца года была выпущена первая партия LWS в количестве 7 экземпляров, которые по большей части являлись предсерийными амфибиями. (Рис.357)



Рис.357 – Машины из установочной серии.
Три первые машины передали в распоряжение 100-го танкового полка, готовившегося к высадке на Британские острова. Экипажи отрабатывали буксировку барж и амфибийных прицепов Kässbohrer, выход на берег под огнем противника и подвоз резервов. Предполагалось, что в течение первых 6 часов высадки эти машины сыграют важную роль.
Потенциальные возможности LWS были продемонстрированы 2 августа 1940 года в ходе штабных учений Reinhardt, когда машины из установочной партии были показаны генералу Ф.Гальдеру. Военных не смутило отсутствие вооружения на амфибии - в крайнем случае, стрельба из личного оружия могла вестись через иллюминаторы – но они обратили внимание на высокий силуэт машины, но, в целом, признали проект удачным.
Вторая партия из 14 машин была изготовлена в 1941 году (иногда машины разных серий обозначают как Type I и Type II). (Рис.358)

Рис.358 – Рядышком обе модификации LWS, слева - Type I.
В отличии от амфибий первого образца, обновленные LWS получили новую надстройку с уменьшенными смотровыми иллюминаторами водителя, изменили расположение бортовых иллюминаторов, вместо трёх воздушных шахт сделали одну, установили вентиляторы для принудительного нагнетания воздуха внутрь корпуса, на корме оборудовали наблюдательный пост, а также провели ещё серию мелких доработок. Кроме того, в целях унификации, ведущие и направляющие колеса заимствовали от среднего танка Pz.Kpfw.IV. (Рис.359)





Рис.359 – LWS второй серии.
Вероятно, процесс модернизации проходил не сразу, поскольку некоторые машины второй партии оснащались рубками либо иллюминаторами раннего образца. (Рис.360)

Рис.360 – Указывают, что это LWS второй серии, но иллюминаторы водителя от машин первой серии.
После окончания второй серии выпуск LWS прекратили – собственно, уже после отмены операции по высадке в Британии (осень 1940г.) военные более не видели надобности в подобном типе.
Большая часть машин LWS передали на вооружение рот десантно-штурмовых батальонов. Часть машин попала в Африку, немецкое командование готовило операцию по захвату Тобрука и с моря, и с суши, но гарнизон капитулировал и применить LWS по назначению не удалось. В течение следующих месяцев LWS использовались для диверсионных и транспортных целей, после чего их планировали использовать в высадке на Мальту. (Рис.361)



Рис.361 – LWS в Ливии.
Но в 1941 году положение на африканском фронте изменилось, и очередная десантная операция не состоялась. Как сложилась далее судьба этих машин в Африке достоверно не известно. Скорее всего, LWS оставшиеся в Ливии не эвакуировались и были уничтожены при отступлении.
Несколько амфибий перебросили на Восточный фронт, где их периодически использовали на тыловых коммуникациях. (Рис.362)


Рис.362 – Подборка по Восточному фронту.
Есть сведения, что весной-летом 1944 года последние LWS снабжали окруженные немецкие войска на территории Прибалтике, в Восточной Пруссии. (Рис.363)





Рис.363– Предположительно, на берегу Балтики.
Отметились LWS и на Западе. В ходе боёв на Западном фронте (в Бельгии) машина с бортовым номером “234” была захвачена союзными войсками и впоследствии испытана. (Рис.364)


Рис.364 – Как будто, в Европах.
Считается, что уцелевшие LWS использовались ещё в мае 1945 года.
⃰ Полугусеничные машины.
К 1933/34г. немцы вплотную взялись за проектирование и строительство полугусеничных армейских тягачей. Была окончательно избрана гусеничная ходовая часть конструкции Эрнста Книпкампа с шахматным расположением опорных катков на индивидуальных торсионах. «Надстройку» взяли от опытного полугусеничного тягача ZD.5 фирмы Daimler-Benz. В результате симбиоза получился тип полугусеничной машины с классической автомобильной схемой с передним расположением моторного отсека. Далее располагалась водительская кабина, рассчитанная на двух-трех человек (непосредственно водитель и механик). Транспортный отсек занимал заднюю часть корпуса. Бронирование отсутствовало.
По такой схеме в 1933-1934гг. в рамках переоснащения армии начали разработку полугусеничных тягачей разных весовых категорий - машины отличались друг от друга производителями, габаритами, силовыми установками, грузоподъемностью, тяговым усилением, наличием или отсутствием бронирования кабины или отдельных элементов, но были призваны выполнять одинаковые функциями.
Leichter Zugkraftwagen 5t (Sd.Kfz.6) лёгкий артиллерийский тягач.
В 1934г. на фирме Kraus-Maffey построили полугусеничный тягач с оригинальной гусеничной ходовой частью инженера Эрнста Книпкампа с тяговым усилием 5 тонн (в обозначении – 5t). (Рис.365)

Рис.365 – Прототип KM l 4.
Прототип KM l4 был построен фирмой Kraus-Maffey в единственном экземпляре, еще 8 подобных машин (считаются серийными) было построено на фирме Büssing-NAG под обозначением BN l4. (Рис.366)

Рис.366 – Серийный BN l4.
В 1935 году Büssing-NAG представляет новый вариант полугусеничного тягача с тяговым усилием 5 тонн - BN l5. Он имел тот же 90-сильный Maybach NL 35 TU, как и его предшественники, но получил переработанную ходовую часть с дополнительной парой опорных катков. (Рис.367)

Рис.367 - BN l5.
Масса изделия достигла 7375 кг. Габариты: длина – 6320 мм, ширина – 2260 мм, высота 2500 мм (с тентом), клиренс – 400 мм. Рядом с двигателем находился топливный бак на 190 литров. В открытой кабине имелись места для водителя и ещё двух человек. В распоряжении водителя имелись приборы контроля работы двигателя (датчики температуры, давления масла, тахометр, указатель количества топлива), спидометр и контрольные индикаторы электрооборудования. Справа от места водителя располагались два рычага переключения передач. Остальную часть корпуса занимал транспортный отсек. В зависимости от специфики использования в нём могли устанавливаться несколько рядов сидений для солдат или артиллерийского расчета. Для защиты от дождя и снега над кузовом и кабиной разворачивался брезентовый тент. Таким образом, экипаж машины указывают так: 2+8(9) чел. Скорость 52 км/ч по шоссе, запас хода по шоссе 300 км.
В начале 1936г. машинам присвоили наименование Leichter Zugkraftwagen 5t (Sd.Kfz.6) лёгкий артиллерийский тягач, но позже (в начале 1937г.) был переведен в класс средних тягачей Mittlerer Zugkraftwagen 5t (Sd. Kfz. 6).
Фирмой Büssing-NAG было изготовлено 184 экземпляра BN l 5 (Sd.Kfz.6 5t), еще 313 машин были произведены на Daimler-Benz под заводским индексом DB 15.
В 1936 году появился вариант BN l7/ DB 17, отличался более мощным двигателем Maybach NL 38 TUK, мощностью 100 л.с., измененными тормозами и коробкой передач. (Рис.368)

Рис.368 - DB 17.
Изготовлен 281 экземпляр BN l7 и 228 экземпляров DB 17.
В ноябре 1937г. началось серийное производство модели BN l8. Она имела полностью переработанную ходовую часть с двумя дополнительными парами опорных катков, что привело к увеличению длины автомобиля и изменению конструкции надстройки. Двигатель Maybach NL 38 заменили двигателем Maybach NL 38 TUKRM. (Рис.369)


Рис.369 - Sd.Kfz.6 5t модель BN l8.
В 1939г. появилась еще одна модель Sd.Kfz.6 5t - BN 9. Она имела более мощный 115-сильный двигатель Maybach HL 54 TUKRM, что повлекло за собой дальнейшее удлинение машины на 200 мм и некоторые изменения в деталях – некоторые отличают Sd.Kfz.6 5t модель BN 9 от предыдущего варианта по количеству вентиляционных прорезей в капоте: у новой модели их насчитывается 17, тогда как на Sd.Kfz.6 5t модель BN l8 всего 14. (Рис.370)


Рис.370 - Sd.Kfz.6 5t модель BN 9.
С мая 1939 года по февраль 1941 года было изготовлено 617 серийных и две опытных машины в варианте Sd.Kfz.6 5t модель BN 9.
Начиная с февраля 1941 года, выпускалась усовершенствованная модель BN 9b. Помимо других незначительных изменений, была переделана тормозная система, центральная система смазки, поднятая выхлопная труба и изменена система сцепки прицепа. 1167 серийных машин было произведено Büssing-NAG до ноября 1943 года. Еще 300 машин было произведено BMM (Skoda) с апреля 1942 года по август 1943 года.
Всего до 1943 года изготовлено 3660 шасси Sd.Kfz.6 в различных модификациях.
Тягачи Sd.Kfz.6. эксплуатировались всю войну. На 1 марта 1945 года в частях вермахта оставалось 757 машин этого типа.
Преобладающая часть Zgkw. 5t использовался инженерными частями как тягач для прицепов, инженерная машина. Разумеется, Sd.Kfz.6 применялись и как артиллерийские тягачи. (Рис.371)

Рис.371 - Sd.Kfz.6/1 в роли арттягача.
В литературе указывается, что на базе Sd.Kfz.6/ выпускались 37-мм СЗУ и 76-мм САУ.
37mm FlaK36 auf Fahrgestell Zugkraftwagen 5t (Sd.Kfz.6/2) – заводской вариант, оснащенный 37-мм полуавтоматической зенитной пушкой Flak 36. (Рис.372)



Рис.372 – Вариант Sd.Kfz.6/2.
Боевая масса 10,4 т. Габариты: длина – 6320 мм, ширина – 2260 мм, высота – 2500 мм. Экипаж 7 человек. Изготовлено 339 единиц. ЗСУ этого типа активно использовались на Балканах и на Восточном фронте.
7.62 cm FK36(r) auf Panzerjager Selbstfahrlafette Zugkraftwagen 5t (Sd.Kfz.6/3) – вариант противотанковой самоходной установки с трофейной советской пушкой Ф-22 калибра 76,2-мм, монтировавшейся на транспортной площадке в высокой открытой сверху прямоугольной бронированной рубке (толщина брони 10 мм). Общая высота машины после доработок составила 2980 мм. Прочие габариты: длина – 6330 мм, ширина 2260 мм. Боевая масса 10,5 т. Экипаж 5 чел. Скорость до 50 км/ч, запас хода 317 км. Изготовлено 9 единиц.
В большинстве случаев переделки производились силами полевых ремонтных бригад. Фотоизвестность приобрела полугусеничная САУ под собственным именем «Diana», использовавшаяся в составе Panzerjager-Abteilung 605 (входил в Африканский Корпус) в 1942 году. (Рис.373)



Рис.373 – Пишут, что это 76,2-мм САУ на шасси Sd.Kfz.6 (Sd.Kfz.6/3).
Mittlerer Zugkraftwagen 8t (Sd.Kfz.7) средний тягач транспортер.
Пишут, что машина с тяговым усилием 8 тонн разрабатывалась фирмой Kraus-Maffey под 150-мм пушку s.K.18. В 1934-36 гг. фирма Kraus-Maffey создала целую серию специализированных тягачей KM m8, KM m.9, KM m.10 и KM m11.
В 1934г. появился первый вариант по теме полугусеничного тягачя с тяговым усилием 8 тонн от фирмы Krauss-Maffei - KM m 8. (Рис.374)





Рис.374 - KM m 8.
Масса машины 9500 кг (некоторые пишут 11 т). Габариты: длина – 6850 мм, ширина – 2400 мм, высота – 2620 мм, клиренс 400 мм. Устанавливался 6-цилиндровый 4-тактный бензиновый двигатель Maybach HL 62TUK рабочим объёмом 6191 см3, который развивал мощность 140 л.с. при 2500 об/мин. Двигатель оснащался карбюратором Solex 40 IFF II, для его запуска использовался стартер мощностью 2,5 л.с. Рядом располагался топливный бак ёмкостью 213 литров. Расход топлива у тягача оказался близким к танкам. На 100 км движения по шоссейной дороге требовалось 80 литров горючего, а для проселочной дороги требовалось уже 160 литров. В открытом отделении управления находились места для водителя (справа) и его помощника (слева). В транспортном отсеке можно было разместить орудийный расчет из 9-10 человек, боекомплект или прочую амуницию массой до 1800 кг. В случае непогоды можно было установить брезентовый тент. Гусеничная ходовая часть, применительно на один борт, состояла из шести опорных катков, установленных в шахматном порядке, переднего ведущего и заднего направляющего колеса. Опорные катки оснащались торсионной подвеской. Каждая гусеница состояла из 54 стальных траков шириной 360 мм и длиной 180 мм. Общая длина гусеничной цепи равнялась 9720 мм. Передние колеса были односкатными и оснащались обычными пневматическими шинами размером 9,75х20 дюймов. Подвеска включала амортизацию на листовых рессорах. Ширина колесной колеи составила 1800 мм, гусеничной — 2000 мм. При полной массе 9500 кг тягач имел удельное давление на грунт порядка 0.59 кг/кв.см. Максимальный радиус поворота — 8 метров (согласно другим данным — 16). Машина также оснащалась лебедочным механизмом с приводом от двигателя, который имел тяговое усилие 3455 кг. Этого хватало и для полевой артиллерии, и для буксировки кроме танков типа Pz.III и Pz.IV.
Тип Km m 8 производился в 1934/1935гг. на Daimler-Benz (DB m 8) и Büssing-NAG (BN m 8).
В 1935г. поступила в производство модель Модель KM m 9 и в конце 1936г модель KM m 10. Внешне они были неотличимы. (Рис.375)



Рис.375 – Вверху KM m 9, средний и внизу - KM m 10.
Модель KM m 9 производилась только Krauss-Maffei, модель KM m 10 также производилась по лицензии на Hansa-Lloyd под обозначением типа HL m 10.
В 1937 году была представлена заключительная модель Km m 11. Машина существенно отличалась от предыдущих вариантов – было добавлено 2 опорных катка. (Рис.376)






Рис.376 – Парад Sd.Kfz.7 в варианте Km m 11.
Первые версии KM m11 были небронированными, однако с 1942г. серийные Sd.Kfz.7 начали частично бронировать листами 8-мм. Бронирование полностью закрывало водительскую кабину, однако транспортный отсек был закрыт только наполовину – его передняя часть имела двускатные борта и была открыта сверху, а задняя была выполнена в виде бронированного короба — такая модификация обозначалась как Gepanzerte Zugkraftwagen 8t. Этот вариант поступал в основном в тяжелые танкоистребительные батальоны. (Рис.377)





Рис.377 - Zugkraftwagen 8t.
Тягачи поздних серий начиная с 1943 года оснащались топливным баком ёмкостью 203 литра и двигателем Maybach HL 64.
В течение 1937-44 гг. предприятия фирмы Kraus-Maffey собрали 5028 тягачей модели KM m11. В 1938 году к их выпуску подключилась фирма Bogward, однако по этому производителю точных сведений не сохранилось. Далее выпуск тягачей тягой 8 тонн был развернут на заводах фирм Saurer Werke AG в Австрии. Общий выпуск распределился следующим образом: 1939 - 1609 шт., 1940 - 996 шт., 1941 - 1322 шт., 1942 - 1388 шт., 1943 - 3250 шт., 1944 - 3352 шт. и 1945 - 270 шт.
Основным занятием Sd.Kfz.7 оказалось транспортировка 88-мм пушек и тяжелой амуниции. По состоянию на 1 марта 1945 года вермахт располагал 3602 машинами этого типа. После окончания войны часть от этого количества машин нашли применение в восстановлении Германии.
Машины типа Sd.Kfz.7 пытались поставлять на экспорт, использовали их и противники.
В 1941г. интерес к тягачам Sd.Kfz.7 проявили бразильцы. Контракт на поставку 32 машин был подписан, но в конце 1941 года было доставлено всего 5 машин — остальные были реквизированы вермахтом. В Бразилии тягачи использовались до 1945 года включительно, пока оставались запасные части к ним.
Между 1941 и 1944 годами некоторое количество тягачей Sd.Kfz.7 поставлялось в болгарскую армию. Машины были обеих моделей, Borgward HL m11 и Krauss-Maffei KM m11.
В 1941г. итальянцы приняли решение о производстве тягачей Sd.Kfz.7 на мощностях фирмы Breda. Слегка обновленный вариант получил обозначение Semincingolato Breda Tipo 61. Всего было собрано 250 единиц по немецкой лицензии. Параллельно итальянцы пытались создать собственный полугусеничный тягач на основе Sd.Kfz.7, но было выпущено всего несколько опытных машин.
Из противников Германии копировать Sd.Kfz.7 пытались в Британии. В 1941 году министр снабжения приказал компании Vauxhall Motors Limited выпускать копию германского Sd.Kfz.7, но было собрано лишь 6 прототипов под обозначением BT.
В годы войны несколько тягачей Sd.Kfz.7 были захвачены югославскими партизанами и впоследствии использовались ими.
В послевоенной армии Чехословакии машины Sd.Kfz.7 находились на вооружении до конца 1940-х гг., пока оставались запасные части.
В 1943 году была развернута программа оснащения машин Sd.Kfz.7 зенитными системами калибра 20-мм и 37-мм. Шасси для таких машин получили обозначения Sd.Kfz.7/1 (Рис.378) и Sd.Kfz.7/2 (Рис.379).

Рис.378 - Sd.Kfz.7/1.



Рис.379 - Sd.Kfz.7/2.
В небольшом количестве были выпущены модификации Sd.Kfz.7/5 (Artemis - 7.62cm(r) Pak auf Zgkw 8t) и Sd.Kfz.7/6, которые, как пишут, представляли собой специализированные бронетранспортеры. (Рис.380)

Рис.380 – Возможно, перед нами вариант специализированного транспортера на базе Sd.Kfz.7.
В течение 1944 года часть тягачей была переоборудована в машины траекторных измерений для групп запуска ракет А-4 (V-2, «Фау-2») — шасси для этой модели получило обозначение Sd.Kfz.7/9. (Рис.381)



Рис.381 - Sd.Kfz.7/9.
Для превращения тягача в пункт траекторных измерений был разработан новый высокий корпус. При этом, в качестве базового образца был взят не обычный тягач, а его полубронированный вариант, так что существенных изменений вносить не потребовалось. Установка большинства бронелистов толщиной 8 мм выполнялось таким образом, чтобы обеспечить их максимальную пулестойкость – в результате борта получили резко выраженную остроугольную форму. Вертикально устанавливались лишь кормовой и лобовой бронелисты. В задней части корпуса было выполнено три наблюдательных люка и ещё один располагался на крыше. Вход экипажа в рабочий отсек осуществлялся через дверь в правом борту. Штатное вооружение отсутствовало, но в укладке можно было перевозить один-два 7,92-мм пулемета типа MG42. Ходовая часть без изменений заимствовалась от тягача Sd.Kfz.7. Машина оснащалась бензиновым двигателем Maybach HL 62TUK, развивавшего мощность 140 л.с. при 2500 об/мин. Судя по всему, емкость топливного бака также осталась прежней – 203 литров.
Как правило, такие бронированные передвижные пункты, которые можно было использовать не только для измерений, но и в качестве командных машин, придавались каждой группе запуска ракет А-4. В вермахте они получили название Fauerleitpanzerfahrzeug fur V2 Raketen auf Zugkraftwagen 8t. Высокая мощность шасси позволяла также буксировать ракетный стартовый стол или прицеп с амуницией. (Рис.382, Рис.383)


Рис.382 - Sd.Kfz.7/9 со стартовым столом.

Рис.383 – Подготовка Sd.Kfz.7/9.
Весной 1945 года несколько передвижных постов управления стали трофеями союзников.
Mittlerer Zugkraftwagen 12t (Sd.Kfz.8) средний тягач-транспортер. (Рис.384)


Рис.384 - Mittlerer Zugkraftwagen 12t (Sd.Kfz.8).
Как будто, в 1933г. фирма Daimler-Benz разработала в продолжение темы ZD.5 проект полугусеничного тягача на гусеничной ходовой части Книпкампа, получивший фирменное обозначение DB 7. Для первого прототипа 150-сильный двигатель Maibach DSO 8 был заимствован от ZD.5. Расход топлива на ровной дороге составлял 100 литров, а на пересеченной местности – 220 литров на 100 километров пути. Далее размещалась открытая кабина водителя, где находились органы управления тягачом и скамья для помощника водителя и ещё двух человек. Остальную часть машины занимала транспортная площадка с тентованным верхом, где в три ряда устанавливались скамьи, рассчитанные для перевозки артиллерийского расчета или солдат общим количеством до 13 человек. Сзади располагался отсек для амуниции и два топливных бака общей ёмкостью на 40 и 210 литров соответственно. DB 7 выпускался с 1934г. Впоследствии в конструкцию DB 7 был внесён ряд изменений, например, под кузовом разместили горизонтальную лебедку с тяговым усилием 5 тонн – получился вариант DB 8 – прототип был представлен в 1936 году. Далее последовала новая серия доработок, в 1938 году приведшая к появлению модели DB 9. На этом тягаче планировали установить дизель OM 48/1, но военное ведомство отказалось от этого нововведения, решив установить унифицированный бензиновый мотор Maybach HL 85 TUKRM. Последней в серийное производство была принята улучшенная модель DB 10, представленная в октябре 1939 года. (Рис.385)

Рис.385 - Mittlerer Zugkraftwagen 12t (Sd.Kfz.8) DB 10.
Тяговое усиление 12 тонн. Масса машины 14 т. Габариты машины, как будто, соответствовали варианту Sd.Kfz.7: длина – 6850 мм, ширина – 2400 мм, высота – 2620 мм, клиренс 400 мм – но в этом у автора нет полной уверенности. (Рис.386)













Рис.386 – Галерея Sd.Kfz.8.
Машина пошла в серию в октябре 1939 года, сначала на предприятии фирмы Kraus-Maffei, где в 1940-1941 гг. собрали 315 машин. В общей сложности было построено чуть больше 3000 тягачей-транспортеров Sd.Kfz.8 всех моделей: 1615 было поставлено к 20 декабря 1942 года, 507 построено в 1943-м году и оставшиеся 602 сдали заказчику в 1944-м. Интересно, что в предпоследний год войны к производству тягачей Sd.Kfz.8 подключили завод Skoda. (Рис.387)

Рис.387 – Наготове.
Полугусеничный тягач Sd.Kfz.8 приспособили и для выполнения боевых задач. Первой такой разработкой стала противотанковая самоходная установка 8.8 cm FlaK18 (Sfl.) auf Zugkraftwagen 12t (Sd.Kfz.8). (Рис.388)






Рис.388 - 8.8 cm FlaK18 (Sfl.) auf Zugkraftwagen 12t (Sd.Kfz.8).
Зенитное орудие 8.8 cm Flak 18, как оказалось, обладало феноменальными показателями бронепробития. В 1938 году приняли решение о переводе её в разряд систем двойного назначения, то есть предназначенных и для ведения огня по наземным целям. Но у системы было два существенных минуса: значительная боевая масса, приближавшаяся к пяти тоннам, а также высокий силуэт. Для повышения мобильности 8.8 cm Flak 18 предлагалось два пути. Первый предусматривал создания буксируемого варианта – в качестве тягача предполагался Sd.Kfz.7. Второй путь – устанвка орудия на платформе 12-тонного полугусеничного тягача Sd.Kfz.8 - боевая масса машины теперь достигала 17 тонн. Орудие прикрывалось П-образным бронещитом. Бронёй также защищался капот и кабина водителя.
Пишут, что к концу 1938 года были изготовлены первые десять САУ 8.8 cm Flak 18 Sfl. auf 12 to Zugkraftwagen. Эти машины отметились в Польше. В мае-июне 1940 года противотанковые самоходки участвовали в боях во Франции, а летом 1941-го года они отправились на Восточный фронт. Последний факт их боевого применения относится к марту 1943-го года.
После завершения боевых действий в Европе уцелевшие Sd.Kfz.8 использовались союзниками для вспомогательных целей, но официально на вооружение они не принимались. Единственной страной, в которой мог рассматриваться данный вопрос, оставалась Чехословакия, сохранившая часть производственных мощностей на фирме Skoda. Тем не менее, выпуск Sd.Kfz.8 вновь налаживать не стали, а чехословацкая армия получила лишь 8 машин этого типа. Впоследствии все тягачи пошли на слом и до нашего времени ни один из них не сохранился.
Schwere Zugkraftwagen 18t (Sd.Kfz.9) FAMO тяжелый тягач-транспортер. (Рис.389)

Рис.389 - Sd.Kfz.9.
Заказ на разработку полугусеничного тягача с тяговым усилием в 18 тонн в 1936 году был выдан фирме Fahrzeug- und Motorenbau GmbH (FAMO) из Бреслау. Первый прототип FM gr 1 был готов в конце 1936 года. Машина имела выдающиеся габариты: длина – 8320 мм, ширина – 2600 мм, высота – 2850 мм, клиренс – 440 мм. При полной массе 15300 кг тяговое усилие составляло 18 тонн. На прототипе устанавливался 12-цилиндровый бензиновый двигатель Maybach HL 98 TUK мощностью 200 л.с. В 1938-м году был собран второй прототип, получивший обозначение F2 – от предшественника он отличался небольшими доработками, практически не сказавшимися на ходовых и эксплуатационных качествах. Производственной версией стала модель F3, появившаяся в 1939-м году. Сравнительно с предыдущими образцами конструкция этой машины была упрощена, что позволило снизить стоимость и сэкономить стратегические материалы. Надо заметить, что некоторые серийные машины оснащались оснащались чехословацкими двигателями Tatra Type 103 с воздушной системой охлаждения. С двигателем взаимодействовала трансмиссия типа ZF G 65 VL 230 в состав которой входили двухдисковое сухое сцепление с гидравлическим приводом, четырехскоростная планетарная коробка передач, обеспечивавшая движение вперед на четырех скоростях и задний ход демультипликатор, двойной дифференциал, гидравлические и пневматические тормоза. Для движения по пересеченной местности включалась специальная передача. Интересно, что столь крупная машина не потеряла в скорости и запасе хода по сравнению со своими братьями меньшими: 50 км/ч по шоссе, 260 км по шоссе и 100 км по проселку. За двигателем располагались кабина водителя и далее транспортная площадка. В отделении управления слева располагался водитель тягача, справа от него на широком сиденье скамеечного типа могли разместиться еще два человека, включая командира машины. Для защиты от дождя и снега над кузовом и кабиной разворачивался брезентовый тент. В зависимости от характера использования на транспортной площадке можно было установить скамьи для военнослужащих, краны различных типов или расположить груз массой до 3 тонн. Гусеничная часть включала: 6 опорных катков с индивидуальной торсионной подвеской, переднее ведущее колесо, заднее направляющее колесо. Крупнозвенчтая гусеница состояла из однопальцевых металлических траков шириной 440 мм с амортизирующими резиновыми вкладышами. Опорные катки штамповались из листовой стали толщиной 8-12 мм. Колесная часть ходовой состояла из моста автомобильного типа с двумя управляемыми колесами на пневматических шинах и подвеской на пластинчатых эллиптических рессорах. (Рис.390)







Рис.390 - Sd.Kfz.9 в натуральном виде.
Официальное принятие на вооружение состоялось в 1940-м году. Всего, с 1938-й по 1945-й год включительно, было изготовлено 2727 тяжелых тягачей Sd.Kfz.9, каждый из которых обходился заказчику в 60000 рейхсмарок. В ходе эксплуатации они применялись в основном для буксировки артиллерийских систем крупного калибра, 35-тонных трейлеров, а также танков. Один Sd.Kfz.9 мог брать на буксир выведенный из строя средний танк типа Pz.Kpfw.III или Pz.Kpfw.IV. (Рис.391)







Рис.391 – Клиенты Sd.Kfz.9.
Однако, с такими тяжелыми машинами, как “Panther” и “Tiger” мощности одного тягача не хватало и для буксировки приходилось составлять сцепку из двух-трех тягачей, в зависимости от типа местности. (Рис.392)


Рис.392 – Сцепка из двух Sd.Kfz.9 буксирует “Tiger”.
За годы войны потери машин этого типа были сравнительно невелики, по состоянию на 1 марта 1945 года, в вермахте и войсках СС оставалось еще 1276 Sd. Kfz 9. После завершения боевых действий в Европе трофейные тягачи ещё некоторое время использовались советскими войсками и союзниками, но к концу 1940-х гг. почти все они отправились на слом.
Помимо варианта тягача на базе Kfz 9 выпускались: вариант Kfz 9/1 с краном-стрелой грузоподъемностью 6 тонн (поступил на вооружение в сентябре 1941г.) (Рис.393); вариант Kfz 9/2 с краном-стрелой грузоподъемностью 10 тонн (Рис.394); вариант 8.8 cm Flak 18 (Sfl.) auf Zugkraftwagen 18t (Sd.Kfz.9) (Рис.395) – противотанковая самоходная установка, вооруженная 88-мм зенитной пушкой 8.8cm FlaK18, частично бронировалась, всего было собрано 15 машин. (Рис.396)


Рис.393 – Sd.Kfz 9/1.

Рис.394 – Sd.Kfz 9/2.


Рис.395 -8.8 cm Flak 18 (Sfl.) auf Zugkraftwagen 18t (Sd.Kfz.9).

Рис.396 – Впереди Sd.Kfz 9/1, за ним Sd.Kfz 9, видимо, вдвоем тянут «Тигра».
Leichter Zugkraftwagen 1t (Sd.Kfz.10) легкий
тягач-транспортер. (Рис.397)

Рис.397 - Sd.Kfz.10.
В 1933г. фирма Demag получила заказ на разработку 1-тонного (имеется в виду не грузоподъёмность, а масса буксируемого прицепа) артиллерийского тягача. Основное назначение таких машин буксировка 37-мм противотанковой пушки или 20-мм зенитного орудия вместе с расчетами и амуницией. В течение 1934-1936 годов построили четыре или пять прототипов (D II 1, D II 2, D II 3 и D5), оборудованных 1,5- и 2-литровыми моторами от легковых автомобилей BMW. В 1937г. в серию пошел вариант D6, массой 3850 кг с с 3,8-литровым 83-сильным мотором Maybach NL38TRK. Заказ на 60 экземпляров так называемой 0-серии разместили на фирмах Demag, Adler и Mechanische Werke Cottbus. В составе вермахта полугусеничные тягачи-транспортеры получили официальное обозначение leichter Zugkraftwagen 1t (Sd.Kfz.10). Поставки были завершены к ноябрю 1938 года.
В конце 1938 года начался выпуск улучшенной модели Demag D7. Основные отличия заключались в установке двигателя Maybach NL38TRKM (90 л.с.), работавшего на бензине с октановым числом 74, и замене гусеничных траков. Кроме того, первые серийные D7 оснащались двумя топливными баками на 58 и 31 литр соответственно, но все следующие машины получили один бак на 110 литров. Поставки начались с октября 1938 года. В конце 1939 года на конвейер была поставлена модификация с 6-цилиндровым двигателем Maybach NL42TRKM (4,2л) мощностью 100 л.с. Трансмиссия полуавтоматическая «Майбах» «Вариорекс» (7 передач вперёд, и 3 назад). Гусеничный ход Sd.Kfz. 10 имел пять опорных катков на борт (3 сдвоенных и 2 одинарных). Подвеска опорных катков – торсионная. (Рис.398)




Рис.398 – Серийные Sd.Kfz.10.
Габариты: длина – 4750 мм, ширина – 1840 мм, высота – 1620 мм, клиренс – 325 мм. Экипаж 2 чел. Скорость 65 км/ч по шоссе, запас хода по шоссе 275 км.
В 1940г. начался выпуск модификации Sd.Kfz. 10 Ausf. B с усиленной кормовой частью корпуса, ранее произведенные образцы отнесли к модификации Ausf. А. Вариант Ausf. B строили с таким расчетом, чтобы тягач мог перевозить противотанковые 7.5 cm PaK, пехотные орудия 15 cm sIG 33 и гаубицы 10.5 cm leFH 18.
Дальнейшая модернизация, проведенная в 1943 году, включала установку воздушного компрессора и замену полуавтоматической трансмиссии на механическую. Указывается также, что в течение 1943-1944 гг. была собрана небольшая серия машин с деревянными бортами, поскольку к этому времени появилось жесткое требование к экономии металла. Последние улучшения были проведены в 1944 году, когда фирма Demag представила версию с усиленной передней осью, доработанной подвеской гусеничной части и увеличенным клиренсом. Было построено только три прототипа, два из которых вермахт получил в сентябре, а третий остался на фирме. Предполагалось, что модернизированные Sd.Kfz.10 будут включены в Срочную Строительную Программу (Entwicklungs-Notprogramm), утвержденную 20-го февраля 1945 года, и поставки будут завершены в июле.
В литературе встречаются разные данные о производстве тягачей Sd.Kfz. 10. Пишут, что производство тягачей прекратилось в декабре 1943г., а производили их на 7-ми фирмах. По одним сведениям, произведено было 9240 тягачей Sd.Kfz. 10 (в это число включены шасси для бронемашин Sd.Kfz.252 и Sd.Kfz.253, но не учтены шасси для бронетранспортёров Sd.Kfz. 250).), по другим – 13562 штуки (Табл.12).
Таблица 12 – Производство тягачей Sd.Kfz. 10
|
Фирма производитель |
Период производства |
количество |
|
Demag |
с конца 1938г. до ноября 1942г. |
1075 экземпляров |
|
Adlerwerke |
с конца 1938-го до декабря 1943-го года |
3414 экземпляров |
|
Bussing-NAG |
с конца 1938-го до декабря 1942-го года |
324 экземпляра |
|
MWC |
|
4750 экземпляров |
|
Muhlenbau-Industrie A.G. |
между 1939-м и 1941-м годом |
324 экземпляра |
|
Maschinenfabrik Niedersachsen Hannover |
между 1939-м и ноябрем 1942-го |
600 экземпляров |
|
Osterreicher Saurerwerke |
между 1940-м и декабрем 1943-го года |
3075 экземпляров |
Осенью 1940 года Швеция закупила 12 тягачей-транспортеров Demag D7 для транспортировки 105-мм полевых гаубиц leFH 18 также немецкого производства. В Швеции машины получили обозначение Artilleritraktor m/40 (или сокращенно Arttrak m/40). Машины поступили в распоряжение 8-го артиллерийского полка (8А), дислоцированного возле г.Боден. В 1941 году последовал повторный заказ, но Германия, сама остро нуждавшаяся в подобных машинах, ответила отказом. Вторую партию полугусеничных тягачей Demag D7, также из 12 машин, шведам удалось приобрести после войны у Норвегии – теперь трофейные Sd.Kfz.10, доставшиеся союзникам после капитуляции вермахта. После войны шведы скопировали Demag D7, адаптировав под шведские реалии. На шведских машинах устанавливался 6-цилиндровый 90-сильный двигатель Volvo FCT и 4-ступенчатая коробка передач. Снаряженная масса тягача составила 4980 кг, полная – 6780 кг. Максимальная скорость доходила до 65 км/ч. Назывался шведский аналог Volvo HBT (производился компанией Volvo). В армии машины получили обозначение Artilleritraktor m/43. Всего, в период с 1944-й по 1946-й год, было собрано 107 (по другим данным – 108) экземпляров. Шведские Demag D7 и Sd.Kfz.10 эксплуатировались до 1966г. Затем все 24 машины были проданы частным владельцам, оказавшись в деревнях вблизи городов Каликс и Боден. Что касается Volvo HBT, но они были выведены из армейской эксплуатации в течение 1955-1956 гг. Часть машин была продана частным владельцам в Швеции. Некоторое количество Volvo HBT отправилось в Боливию, где машины использовались в роли аэродромных тягачей.
На базе Sd.Kfz. 10 проектировали и строили машины разного назначения.
Незадолго до начала Втрой мирвой войны выдали заказ на машину химической разведки Sd.Kfz.10/1. Первоначальный заказ предполагал поставку 19 машин для оснащения подразделений Nebeltruppen. На совещании 3-го мая 1940 года планы по производству таких машин довели до 30 штук в месяц. После выпуска 400 машин производство сократилось до 10 ежемесячно, а последние «детекторы» были собраны к 15 января 1943 года. На фронте они использовались преимущественно в роли обычных тягачей и транспортеров.
В дополнение к машине хим. разведки придумали машину химической дезактивации. На транспортной площадке устанавливалась 200-кг ёмкость для распылителя дезактивационных веществ, а также оборудовалось место для восьми 50-кг бочек с соответствующими химикатами. В момент распыления скорость не должна была превышать 10-20 км/ч. Экипаж из 2-х человек размещался на скамейках между бочками. Из-за установки оборудования масса Sd.Kfz.10/2 поднялась до 4900 кг, а ёмкость двух топливных баков сократили до 86 литров, что уменьшило запас хода до 250 км. В течение 1938-1939 гг. было выпущено 16 (по другим данным – 17) экземпляров. (Рис.399)

Рис.399 - Sd.Kfz.10/2.
Разработали и вариант машины распыления отравляющих веществ Sd.Kfz.10/3. В этом случае на транспортной площадке появился 500-кг бак с химикатами. (Рис.400)

Рис.400 - Sd.Kfz.10/3.
В 1938-1939гг. выпустили примерно 67 машин, которые отправились на склады. 15-го апреля 1942 руководство OKH вспомнило о них - машины понадобились для восполнения потерь на фронтах, 65 машин переделали в транспортеры боеприпасов, которые могли перевозить до 216 снарядов для противотанковых пушек.
Практически с начала производства тягачей Sd.Kfz.10 задумались о возможности создания на этой платформе ЗСУ с 20-мм зенитным орудием. В 1938 году был создан опытный образец ЗСУ с использованием шасси D II 3 — одного из прототипов Sd.Kfz. 10 (Рис.401).

Рис.401 - Прототип 20-мм ЗСУ на шасси D II 3.
На грузовой платформе установили 20-мм зенитку на штатном лафете. (Рис.402)

Рис.402 – Шасси Sd.Kfz.10 по 20-мм зенитное орудие.
Решётчатые металлические борта платформы при переводе в боевое положение откидывались и фиксировались горизонтально, делая работу расчёта более удобной. Полигонные испытания самоходки прошли удачно, и в том же 1938 году начался серийный выпуск ЗСУ Sd.Kfz. 10/4 на серийном шасси D7. (Рис.403)




Рис.403 – ЗСУ Sd.Kfz. 10/4.
Масса 4900 кг. В экипаж ЗСУ включалось 5 чел. Первоначально ЗСУ вооружалась 20-мм пушкой Flak 30, а с 1941 года орудием такого же калибра Flak 38 (Flak 38 имело практическую скорострельность 220 выстр./мин против 100-120 у Flak 30, соотвествующие технические показатели, соответственно, составляли 480 выстр./мин против 280-300 выстр./мин) – вариант ЗСУ с таким орудием обозначали Sd.Kfz. 10/5. Боепитание пушки осуществлялось из магазинов ёмкостью 20 патронов. Возимый боекомплект составлял 260 патронов и размещался в контейнерах на бортах платформы. Кроме того, самоходка могла буксировать одноосный прицеп Sd.Anh. 51 (Рис.404) грузоподъёмностью 700 кг (являющийся также штатным лафетом зениток Flak 30 и Flak 38) с 640 патронами к зенитке.

Рис.404 - ЗСУ Sd.Kfz. 10/4 с прицепом Sd.Anh. 51.
Применялись и другие типы одноосных прицепов: Sd.Anh. 53 (грузоподъёмностью 585 кг), использовавшийся в зенитной артиллерии, или Sd.Anh. 32, изначально разработанный для транспортировки боекомплекта 37-мм противотанковых пушек.
Некоторое количество машин Sd.Kfz. 10/5 поздних выпусков получила частичную бронезащиту в виде 8-мм листов, прикрывавших радиатор двигателя и переднюю проекцию кабины. Масса машины 5500 кг. (Рис.405)


Рис.405 - Вариант ЗСУ с частичным бронированием кабины и двигателя (борта откинуты в боевое положение).
Первый заказ ЗСУ Sd.Kfz. 10/4, предусматривавший производство 370 единиц (195 для сухопутных войск, и 175 - для люфтваффе), был выполнен к июлю 1939 года. Согласно данным Т. Йентца, в течение 1940 года был выполнен очередной заказ на 1000 ЗСУ Sd.Kfz. 10/4 для сухопутных войск, и 225 - для люфтваффе, а затем до марта 1942 года эти самоходки выпускались темпом 20-25 единиц в месяц. В 1943-1944 годах произвели 962 ЗСУ Sd.Kfz. 10/5, вооружённых 20-мм пушкой Flak 38.
ЗСУ Sd.Kfz. 10/4-Sd.Kfz. 10/5 поступали в легкие зенитные самоходные роты (Leichte Fliegerabwehr Kompanie Selbstfahrlafette). Структура роты K.St. не являлась жёсткой: огневые взводы могли комбинироваться в различных сочетаниях. Из 153-х огневых взводов, входивших в эти роты, 20 имели буксируемые зенитки, 18 - ЗСУ Sd.Kfz. 7/1, а остальные 135 вооружались лёгкими ЗСУ Sd.Kfz. 10/4.
Лёгкие зенитные роты сводились в зенитные батальоны (штатный состав — шесть рот), но они являлись административными единицами. В тактическом отношении роты придавались дивизиям (как правило, танковым, реже - моторизованным или пехотным), либо корпусам. Помимо рот, приданных дивизиям, ЗСУ Sd.Kfz. 10/4 использовались в зенитных батальонах РГК. К концу 1942 года вермахт располагал 13 такими батальонами, 10 из них были самоходными. Каждый самоходный батальон включал 4 роты, но организация их была различной.
В польской кампании участвовали 12 рот, вооружённых ЗСУ Sd.Kfz. 10/4. Они были приданы всем лёгким дивизиям (с 1-й по 4-ю), некоторым танковым (1-й, 3-й, 4-й и «Кемпф») и моторизованным (2-й, 13-й, 20-й и 29-й). В 1940 году в боях на Западе участвовало значительно большее количество таких подразделений: теперь они действовали не только при дивизиях, но и в корпусном и армейском звеньях. В ходе боевых действий открылось, что зенитчики ЗСУ Sd.Kfz. 10/4 способны оказывать эффективную помощь пехоте. Наличие же в боекомплекте 20-мм пушек бронебойных снарядов (а Flak 30 и Flak 38 были унифицированы по боеприпасам с танковыми пушками KwK 30 и KwK 38) позволяло бороться с легкобронированными целями. (Рис.406)


Рис.406 – Франция, ЗСУ ведет огонь по наземным целям.
Сопровождали ЗСУ Sd.Kfz. 10/4 войска и во время Балканской кампании весной 1941г. (Рис.407)

Рис.407 – На Балканах 1941г.
По состоянию на 22 июня 1941 года 17 таких рот были приданы танковым дивизиям, 4 - моторизованным, 2 - пехотным, 15 - корпусам, а остальные 19 рот находились в резерве армий, танковых групп и групп армий. (Рис.408)



Рис.408 – Восточный фронт. На верхнем снимке советские бойцы осматривают трофей, лето 1941г.
В 1942г. последовали организационные изменения войсковой ПВО. В состав танковых дивизий ввели штатную зенитную роту вместо приданной. Такая рота располагала восемью ЗСУ - двумя Sd.Kfz. 6/2 (37-мм орудиями Flak 36 на шасси 5-тонных тягачей) и шестью Sd.Kfz. 10/4. Гораздо более сильными зенитными средствами (по сравнению с вермахтом) располагали панцергренадерские и танковые дивизии ваффен СС. Их зенитные дивизионы имели усиленный состав, а 20-мм ЗСУ были перемещены в полковое звено. Панцергренадерские полки этих дивизий имели по зенитной роте с 12-ю Sd.Kfz. 10/4, четыре таких же установки имелись в роте охраны штаба дивизии. То есть по штату 1943 года танковая дивизия СС располагала 28 зенитными самоходками Sd.Kfz. 10/4.
Дивизии других типов продолжали использовать временно приданные зенитные части. В 1943 году штатные средства ПВО появились в составе четырёх моторизованных дивизий - 3-й, 16-й, 29-й и 60-й. Каждый из двух моторизованных полков в этих дивизиях получил одну роту с двенадцатью 20-мм зенитками, причём в одном полку такая рота была самоходной, а в другом - на мехтяге. В артполки этих дивизий ввели по четвёртому, зенитному дивизиону на мехтяге. Остальные моторизованные (панцергренадерские) дивизии оставались без штатных средств ПВО вплоть до лета 1944 года.
ЗСУ типа Sd.Kfz. 10/4 находились в войсках вплоть до самого поражения Германии. (Рис.409)


Рис.409 – Вверху ЗСУ Sd.Kfz. 10/4 в Ливии.
Внизу – американцы обслуживают трофейную ЗСУ.
3,7cm PaK35\36 auf Zugkraftwagen 1t – заводская модификация противотанковой самоходной установки. Было разработано два варианта установки 37-мм орудия PaK35\36 - целиком с лафетом или на специальной тумбе. Бронирование рабочих мест экипажа отсутствовало, но в полевых мастерских самоходки могли обшивать бронелистами. (Рис.410)



Рис.410 - 3,7cm PaK35\36 auf Zugkraftwagen 1t.
5cm PaK38(Sf) auf Zugkraftwagen 1t – заводская модификация противотанковой самоходной установки. Проводимые работы были аналогичны более раннему варианту, с той лишь разницей, что устанавливалась более мощное 50-мм орудие PaK38. При этом монтаж производился прямо с лафетом, но без колес, что в случае необходимость позволяло вернуть орудие в буксируемый вариант. Бронирование рабочих мест экипажа также отсутствовало, но в полевых мастерских самоходки могли обшивать бронелистами. (Рис.411)


Рис.411 - 5cm PaK38(Sf) auf Zugkraftwagen 1t.
Точное количество построенных 37-мм и 50-мм противотанковых самоходных установок остается пока неизвестным.
На шасси, похожим на Sd.Kfz. 10 (во всяком случае, ходовая часть была аналогичная), проектировали и построли в количестве двух экземпляров САУ с 75-мм орудием Panzer Selbstfahrlafette II (Рис.412) – в литературе связь с Sd.Kfz.10 не указывают и пишут, что проектом Panzerjager auf Selbstfahrlafette предполагалась разработка специализированного полугусеничного шасси, приспособленного под установку 75-мм орудия.

Рис.412 - Panzer Selbstfahrlafette II.
Заказ на разработку 75-мм противотанковой самоходной установки на
полугусеничном шасси Генеральный Штаб немецкой армии выдал в марте 1936 года.
За проектирование шасси взялась фирма Bussing-NAG, а фирме Rheinmetall поручили
разработку башни и 75-мм орудия с длиной ствола 40,8 калибра.
Полученное фирмой Bussing-NAG полугусеничное шасси под 75-мм САУ называют HKP 902. Компоновка корпуса, согласно ТТЗ, предполагала заднее размещение двигателя 4,7-литрового бензинового двигателя Maybach HL45 мощностью 150 л.с. В передней части располагалось двухместное отделение управления, а среднюю часть занимало боевое отеделение. Корпус собирался из листов броневой стали дифференцированной толщины и надежно защищал от попадания пуль калибра 7,92-мм. Лобовая часть корпуса имела толщину 20 мм, борта – от 10 до 14,5 мм, корма – 10 мм, крыша и днище – по 5,5 мм. Орудие 7.5cm Kanone L/40,8 монтировалось в открытой сверху граненой башне кругового вращения. Башня имела двухскоростной привод. На низкой скорости она разворачивалась на 3 в секунду, на высокой – 8 в секунду. Углы вертикального наведения составляли от -8° до +20°. Боекомплект составлял 35 выстрелов. По другим данным, боекомплект должен был составлять 75 бронебойных и 35 осколочно-фугасных выстрелов. Огонь мог вести двумя типами снарядов: противотанковыми K.Gr.rot Pz. (масса 6,8 кг, начальная скорость 685 м/с) и осколочно-фугасными Sprenggranate (масса 5,85 кг, начальная скорость 485 м/с). Мощности осколочно-фугасного выстрела 75-мм орудия было вполне достаточно для борьбы с полевыми укреплениями противника на дистанциях порядка 1500 метров. Экипаж 4 чел. Гусеничная часть полугусеничного шасси применительно на один борт, включала 5 опорных катков, установленных в шахматном порядке, переднее ведущее колесо, заднее направляющее колесо и гусеничную ленту со стальными траками. Колесная часть состояла из моста автомобильного типа с управляемыми колесами. Масса машины 11 тонн.
Для производства было выделено четыре шасси с заводскими номерами 2009-2012, однако в 1941 году фирма завершила изготовление только двух образцов. (Рис.413)

Рис.413 - Panzer Selbstfahrlafette II в железе.
В серию машина не пошла. 11-го августа 1941г. было принято решение отправить оба образца Panzer Selbstfahrlafette II в состав корпуса «Африка». При этом обе машины прошли небольшую модернизацию под условияя сухого жаркого климата. 7-го декабря первая самоходка прибыла в Италию, а в ливийском порту Триполи её выгрузили лишь 5-го января 1942 года. В состав 605-го батальона истребителей танков Panzer Selbstfahrlafette II прибыл 17-го января. Вторая самоходка была доставлена в Ливию 23-го февраля. Обе машины фигурировали в немецких отчетах вплоть до конца марта 1942 года. (Рис.414)




Рис.414 - САУ Panzer Selbstfahrlafette II в Африке.
За это время 75-мм полугусеничные САУ успели принять участие в контрнаступлении, организованным Э.Роммелем, и, по всей видимости, в этот же период был потерян первый Panzer Selbstfahrlafette II. Вторая самоходка продолжала служить по меньшей мере до 25-го мая 1942 года, когда началась операция «Венеция» под Бир-Хакеймом. Последний рапорт был составлен 5-го июня. В нём говорилось, что в бою был потерян один Panzer Selbstfahrlafette II, но и он, в свою очередь, смог подбить три танка противника. Не исключено, что эта самоходка стала трофеем британских войск.
Leichter Zugkraftwagen 3tTyp HLkl 6 (Sd.Kfz.11) легкий тягач-транспортер. (Рис.415)

Рис.415 - Sd.Kfz.11.
С 1933г. фирмой Hansa-Lloyd-Goliath разрабатывался свой вариант транспортера легких и средних орудий до 105-мм легких полевых гаубиц leFH 18, включительно. (Рис.416)

Рис.416 – Схема тягача Sd.Kfz.11.
В принципе, Sd.Kfz.11 аналогичен Sd.Kfz.10, но с большим тяговым усилием – 3 тонны против 1 тонны у Sd.Kfz.10. Грузоподъемность 1,475 т. Масса Sd.Kfz.11 5,625 т. Габариты: длина – 5500 мм, ширина – 2000 мм, высота – 2200 мм, клиренс – 320 мм. Экипаж 9 чел. (включая пассажиров). В отличие от Sd.Kfz.10, Sd.Kfz.11 в гусеничной ходовой части имел на один каток больше, а в отличие от близкой по гусеничной ходовой части Sd.Kfz.7 – кузов для пассажиров не имел 3-х вырезов для посадки – сплошной борт с дверями. Двигатель Maybach HL 42TUKRM, 6-цилиндровый, карбюраторный, четырехтактный, рядный, жидкостного охлаждения мощность 100 л.с. (73,6 кВт) при 2800 об/мин, объем 4171 см. куб. Динамические характеристики машины были сопоставимы с прочими типами полугусеничных тягачей вермахта: максимальная скорость 53 км/ч, запас хода 275 км. (Рис.417)


Рис.417 – Прототип на испытаниях.
Машины Sd.Kfz.11 серийно выпускались с 1936 (Typ HLkl 5) по 1944 год фирмами Hanomag, Adler, Skoda и Wanderer. Изготовлено 9028 тягачей.
На 1 марта 1945 года в строю немецких войск оставалось 1938 машин этого типа.
Помимо основного варианта артиллерийского тягача (Рис.418, Рис.419), строилось еще несколько вариантов специализированных машин.








Рис.418 – Основная работа Sd.Kfz.11 транспортировка 105-мм полевых гаубиц leFH 18, но и 75-мм, и 37-мм пушки тоже клиенты (нижние снимки).

Рис.419 - Sd.Kfz.11 в качестве транспортера РЗО Nebelwerfer.
Sd.Kfz.11/1 – Nebelkraftwagen – машина для постановки
дымовой завесы и перевозки боеприпасов к установкам Nebelwerfer. (Рис.420)


Рис.420 - Sd.Kfz.11/1.
Sd.Kfz.11/2 – дегазационная машина HL kl 5s mittlerer Entgiftungsktaftwagen. (Рис.421)




Рис.421 - Sd.Kfz.11/2. На фотографиях без бочек для дегазационной смеси.
Указывают, что на нижнем снимке также Sd.Kfz.11/2, но используется он не по назначению.
Sd.Kfz.11/3 – mittlerer Spruhkraftwagen – машина для распыления отравляющих веществ, но на практике использовалась, как заправщик. (Рис.422)


Рис.422 – Sd.Kfz.11/3.
Sd.Kfz.11/4 – модернизированный вариант Sd.Kfz.11/1. (Рис.423)

Рис.423 – Указывают, что это Sd.Kfz.11/4.
Sd.Kfz. 11/5 – mittlerer Gasspurkraftwagen – машина химической разведки. (Рис.424)

Рис.424 – Указывают, что это машина хим. разведки в роли тягача РЗО Nebelwerfer 42.
Sd.Kfz. 11 mit Wahrfager — инженерная буровая машина.
Sd.Kfz. 11 mit Scheinwerfer — самоходная прожекторная установка.
Sd.Kfz. 11 Krankenwagen — санитарная машина для береговой охраны.
Sd.Kfz. 30 — зенитная самоходная установка с 20-мм пушкой Flak 38 на поворотном станке.
Пушка была установлена в задней части машины на платформе с откидными решетчатыми бортами. Передняя часть ЗСУ была бронирована, причем форма лобовой бронировки, защищавшей радиатор и моторный отсек, была заимствована у бронетранспортера Sd.Kfz. 251. Но на этом сходство с последним заканчивалось, остальная бронировка была разработана заново для обеспечения защиты боеприпасов и всего экипажа. Контракт на производство 2400 бронекорпусов и их установку на шасси типа Нк16Р получила фирма «Ауто-Юнион». Сборку 20-мм ЗСУ она осуществляла на своем заводе «Хорьх» в Цвиккау. Первые 5 полугусеничных ЗСУ были собраны в марте 1941 г., а всего к концу февраля 1945 года изготовили 604 подобные боевые машины.
⃰ Колесные бронированные машины.
В 1934г. Министерство вооружений определилось с техническим заданием на новый армейский бронеавтомобиль легкого типа на шасси специальной постройки. Основные пункты технического задания заключались в следующем: привод на все колеса (колесная формула 4х4); хорошая проходимость и маневренность по шоссе и по местности; простая конструкция; высокая прочность корпуса и основных агрегатов; удобный доступ к узлам и лёгкость ремонта в том числе в полевых условиях.
Работы проводились на конкурсной основе с марта 1935 года, победителем была признана фирма Auto Union. Конструкторский коллектив предложил полноприводное шасси Typ Horch 801 (или просто Horch 801). Для армии подготовили сразу два варианта: Einheitsfahrgestell I fuer schwerer Personenkraftwagen – проект под установку бронированного кузова с двигателем на корме; и Einheitsfahrgestell II fuer schwerer Personenkraftwagen – проект предусматривал адаптацию шасси под легковые автомобили тяжелого класса с передним размещением двигателя. Оба варианта были одобрены для постройки в качестве прототипа.
Первым был готов Einheitsfahrgestell I fuer schwerer Personenkraftwagen, который обозначался фирмой как Horch 801/EG I. Полноприводное шасси с колесной формулой 4х4 оснащалось двигателем Horch/Auto-Union V8-108 объёмом 3,5 литра и мощностью 75 л.с. при 3600 об./мин. В составе трансмиссии присутствовала 5-скоростная коробка передач, обеспечивавшая 5 скоростей переднего хода и одну заднюю скорость. Рулевое управление и тормоза действовали на все колеса, однако на скоростях выше 35 км/ч задние колеса фиксировались в нейтральном положении. Подвеска была независимой, причем колеса подвешивались через два маятника и две спиральные пружины. Использовались шины Continental размером 210х18 с пневматическими камерами низкого давления. Полная масса шасси составила 1985 кг.
Испытания шасси оставили благоприятное впечатление у военных и с начала 1936 года дочерней фирмой Eisenwerke Wesserheutte из Бад-Ойнхаузена велось изготовление рабочих чертежей для легкого бронеавтомобиля leichter Panzerspaehwagenmit Einheitsfahrgestell I fuer sPkw, который вскоре стал более известен как leichter Panzerspaehwagen (MG) Sd.Kfz.221.
Форма корпуса для нового легкого БА частично заимствовалась от тяжелого бронеавтомобиля Sd.Kfz.231. (Рис.425)

Рис.425 – Проекции БА Sd.Kfz.231.
Масса БА 4 т. Габариты: длина – 4800 мм, ширина – 1950 мм, высота – 1700 мм, клиренс – 240 мм. Бронелисты соединялись преимущественно сваркой под рациональными углами наклона, причем нижняя и верхняя части кузова сужались, а средняя была более широкой. Толщина бронирования находилась в пределах от 5 до 14,5 мм. Посадка и высадка экипажа из 2-х чел. производилась через двери в бортах. Спереди размещалось место водителя, обзор которому обеспечивался через вырез в верхнем лобовом бронлисте, а также через два бортовых окна, в боевом положении закрываемых заслонками со смотровыми щелями. Отделение управление было совмещено с боевым отсеком, от моторного отделения они отделялись переборкой, за которой устанавливалось два топливных бака на 55 литров каждый. В средней части корпуса располагалось место командира машины, над головой которого находилась открытая сверху граненая башня с круговым вращением. Вооружение состояло из одного 7,92-мм пулемета, устанавливаемого на станке с допустимыми углами вертикального наведения от -10° до +69° и боекомплектом из 1050-1200 патронов. Поначалу в качестве основного вооружения устанавливались старые пулеметы Dreyse MG13, но впоследствии все серийные машин получили MG34. Также в штатное вооружение входил один пистолет-пулемет МР-38 или МР-40 и шесть ручных гранат М-24. Двигатель Horch, бензиновый, 8-цилиндровый, рабочим объемом 3517 см3, мощность 75 л.с. при 3600 об/мин находился на корме. Доступ к силовой установке производился через три прямоугольных люка. Максимальная скорость 80 км/ч, средняя – 45 км/ч, запас хода по шоссе 320 км и 200 км по местности. Радиооборудование отсутствовало, а связи с другими машинами поддерживалась при помощи сигнальных флажков.
Первые предсерийные бронеавтомобили Sd.Kfz.221 были собраны в конце 1936 года. Шасси для них поставляла фирма Eisenwerke Wesserheutte, а окончательная сборка производилась на предприятиях фирм F.Schichau (г.Элбинг) and Maschinenfabrik Niedersachsen (г.Гановер-Линден). В общей сложности, с 1936-го по 1940-й год, было собрано 339 бронеавтомобилей модификации Sd.Kfz.221, имевших заводские номера (Fgst.Nr.Serie) в диапазоне от 810001 до 810017. (Рис.426)




Рис.426 - Sd.Kfz.221.
В войсках БА Sd.Kfz.221 использовались преимущественно в качестве разведывательно-связных машин. (Рис.427)

Рис.427 – В компании с полугусеничным тягачом, вероятно, штабная колона.
Уже во время французской кампании (Рис.428) был поднят вопрос об усилении вооружения Sd.Kfz.221, что привело к появлению нескольких моделей с усиленным вооружением.


Рис.428 – Финал легких БА.
Первый вариант с 7,92 мм противотанковым ружьем PzB 39 появился в 1940 году – установка производилась в башне рядом со штатным пулеметом. Далее, в 1941 году, последовал вариант с тяжёлым противотанковым ружьём 2,8cm sPzB 41 в башне вместе со штатным щитком (Рис.429), причем пулемет демонтировался – всего было доработано 34 машины.



Рис.429 – Вариант с тяжёлым противотанковым ружьём 2,8cm sPzB 41.
Как указывалось выше, радиооборудование на машинах Sd.Kfz.221 отсутствовало, что для разведывательной машины серьезный минус. Решили создать на этой базе радиофицированный вариант, который получил обозначение Sd.Kfz.260. Планировалось, что такие машины будут обеспечивать связь между отдельными боевыми единицами (но не между отдельными машинами, что выглядит странно) даже под огнём противника. Идея получила одобрение в 1936 году.
В целом конструкция исходного варианта БА осталась Sd.Kfz.221 прежней. Основное отличие от линейных Sd.Kfz.221 заключалось в отсутствии вращаемой башни, вместо которой была установлена металлическая рама с сеткой, и, разумеется, наличие радиостанции.
Было предусмотрено два варианта: Sd.Kfz.260 (Gerät 83) – оснащался радиостанцией среднего радиуса действия со штыревой антенной FuG 7 и приёмо-передатчиком на УКВ волнах FuG Spr Ger “a” (Рис.430); и Sd.Kfz.261 (Gerät 84) – оснащался радиостанцией дальнего действия с рамочной антенной FuG 12 и приёмо-передатчиком на УКВ волнах FuG Spr Ger “a”. Экипаж машин всех модификаций состоял из трех человек: два радиста и водитель. Штатное вооружение включало один 9-мм пистолет-пулемет MP38 (перевозился в укладке) с боекомплектом 192 патрона.

Рис.430 - Sd.Kfz.260.
В ходе серийного производства, бронемашины могли оснащаться двигателями Horch 3,5 или Horch 3,8 развивавших мощность 75 л.с. и 90 л.с. при 3600 об./мин. Соответственно, в зависимости от типа двигателя к армейскому обозначению добавлялся индекс Ausf.A или Ausf.B. Кроме того, Sd.Kfz.261 Ausf.A оснащались рамочной антенной на высоких стойках (Рис.431), в то время как для Sd.Kfz.261 Ausf.B позднее выбрали вариант с установкой по корпусу (Рис.432). (Рис.433)



Рис.431 - Sd.Kfz.261 Ausf.A.

Рис.432 - Sd.Kfz.261 Ausf.B.

Рис.433 – Интересный вариант и с рамочной, и со штыревой антеннами.
Первый заказ, оформленный в 1937 году, включал постройку 22 Sd.Kfz.260 и 145 Sd.Kfz.261, но развертывание серийного выпуска затянулось, и три первые машины вышли на испытания лишь в сентябре 1940 года. Тогда же заказ машин был увеличен до 36 и 289 машин соответственно. В общей сложности было собрано 489 Sd.Kfz.260 и Sd.Kfz.261, которые имели серийные номера с диапазонами 810001-811000, 8101001-8110001, 8110001-8111000 и поступали в войска в период с апреля 1941-го по апрель 1943-го года. В соответствии со штатом K.St.N.1 каждый Aufllaerung-Abteilung должен был располагать Nachritung-Zug в составе которого предполагалось наличие одного Sd.Kfz.260 и четырех Sd.Kfz.261. Впоследствии радийные машины также появились в Panzer-Funk-Kompanie, входивших в состав Panzer Division. Использование Sd.Kfz.260 и Sd.Kfz.261 продолжалось до 1945 года включительно. (Рис.434)

Рис.434 – Разведка.

Рис.435 – Проекции БА Sd.Kfz.222.
Прежде всего, машина имела более мощное вооружение - 20-мм автоматическая пушка KwK 30 и 7,92-мм пулемет MG34 в новой открытой десятигранной башне. Углы вертикального наведения составляли от -7° до +80°. Боекомплект включал 180-200 снарядов и 1050-1200 патронов. Открытая сверху башня теперь защищалась двумя экранами с проволочной сеткой, которые откидывались вбок - за счет сеток на башне сама машина стала несколько выше, до 2000 мм. Экипаж машины был увеличен до трех человек: водитель, командир и стрелок. Внешний вид Sd.Kfz.222 немного изменился: бронировка лобового листа корпуса приобрела другую форму, вместо одного длинного смотрового люка было сделано два поменьше (разных размеров). Другие улучшения включали новое шасси Horch 801/v, поступившее в производство с 1941 года. Лучшие ходовые качества обеспечивались за счет двигателя мощностью 81 л.с. (позднее форсированного до 90 л.с.) и гидравлических тормозов. Радиооборудование на Sd.Kfz.222 изначально отсутствовало, но в процессе эксплуатации несколько машин получили радиостанции ближнего радиуса действия с выводом антенны в задней части башни. (Рис.436)




Рис.436 - Sd.Kfz.222 с 20-мм автоматической пушкой KwK 30.
В 1940г. башню приспособили для установки лафета типа Hangellafette 38 – это позволило перевооружить бронеавтомобиль более мощной пушкой KwK 38 аналогичного калибра, причем оснащалась она сразу двумя прицелами – TZF 3a использовался для стрельбы по наземным целям, а при отражении воздушных атак применяли Fligerviseer 38. (Рис.437)




Рис.437 - Sd.Kfz.222 с 20-мм пушкой KwK 38.
С мая 1941 года толщина лобовых бронелистов была доведена до 30 мм. Боевая масса увеличилась с 4000 до 4800 кг. В совокупности с особенностями обновленного шасси эти привело к снижению максимальной скорости до 70 км/ч и дальности хода до 300 км. Теперь машины более тонкого бронирования (массой 4 тонны) стали называться Sd.Kfz.222 Ausf.А, а машины массой 4,8 тонн отнесли к варианту Sd.Kfz.222 Ausf.В.
В некоторых случаях Sd.Kfz.222 могли оснащаться дымовыми шашками или дымовыми гранатометами, смонтированным на бортах башни.
С 1938 года небольшими сериями выпускалась модификация leichter Panzerspaehwagen (Fu) (Sd.Kfz.223). Это вариант отличался наличием радиостанции FuSprGer 10 SE30, которую позднее заменили на FuSprGer 12 и FuSprGer «f». Первые машины оснащались громоздкими рамочными антеннами на корпусе, но вскоре их стали заменять на более удобные антенны. (Рис.438)



Рис.438 - Sd.Kfz.223. На нижнем фото Sd.Kfz.223 в окружении линейных вариантов.
В общей сложности, с 1938-го и до конца 1943-й год, было собрано 989 бронеавтомобилей модификации Sd.Kfz.222 и Sd.Kfz.223. Заводские номера (Fgst.Nr.Serie) находились в диапазонах 810001 – 8101414 и 8110001 – 8111000. (Рис.439)

Рис.439 – Боеготовые бронемашины.
Большая часть машин поступала в разведывательные части танковых и лёгких дивизий, сформированных перед началом Польской кампании. В соответствии со штатным расписанием 1939 года разведывательный батальон включал в свой состав две роты бронеавтомобилей. Каждая рота состояла из штабного взвода (Sd.Kfz.247, 263 и 223), взвода тяжёлых бронеавтомобилей (Sd.Kfz.231 и 232) и двух взводов лёгких бронеавтомобилей (Sd.Kfz.221 и 222). Впоследствии легкие бронеавтомобили передавались в связные части, а также в разведывательные подразделения моторизованных и пехотных дивизий. Периодически их использовали для корректировки артиллерийского огня.
К концу 1939 года в строю имелось порядка 700 Sd.Kfz.221, Sd.Kfz.222 и Sd.Kfz.223.
В процессе эксплуатации были выявлены не только преимущества, но и недостатки. Периодически выходили из строя ведущий вал, сцепление и подвеска, а у двигателей часто разрушались болты креплений коромысел клапанов. В условиях Восточного фронта выяснилось, что лёгкие бронеавтомобили могли уверенно ходить только по шоссе или дорогам с твёрдым покрытием. Более того, на восточном фронте Sd.Kfz.221\222 нередко действовали на острие наступления, в том числе в качестве машин поддержки пехоты. Вполне естественно, что такое применение легких БА вело к большим потерям – по официальным данным, в период с 1 июля 1941-го по 1 апреля 1942-го года было потеряно 159 легких БА всех типов, не считая побывавших в ремонте. Частично это послужило причиной постепенного вывода Sd.Kfz.221\222\223 из частей первой линии, начиная с 1942 года. Впрочем, процесс этот сильно затянулся. На 1 апреля 1942 года вермахт располагал 788 легкими бронеавтомобилями. Данные о потерях в более поздний период говорят о том, что их эксплуатировали вплоть до конца войны очень интенсивно – согласно ведомости, с 1 декабря 1943 года по 30 ноября 1944 года вермахт потерял 150 Sd.Kfz.221 и 223 и 240 Sd.Kfz.222.
Легкие броневики типа Sd.Kfz.222 и Sd.Kfz.223 поставлялись на экспорт.
Ещё одной страной, куда были поставлены Sd.Kfz.222 и Sd.Kfz.223, была Болгария. В рамках военно-экономического сотрудничества болгарская армия в период с сентября 1943-го по февраль 1944-го года получила 20 машин двумя партиями (13 и 7 соответственно), включенных в состав единственной танковой бригады, дислоцированной под Софией. Машины входили в состав разведывательной дружины. Вероятно, в боевых действиях они участия не принимали и после войны были отправлены на слом. (Рис.440)

Рис.440 – На службе Болгарии.
Побывали БА типа Sd.Kfz.221\222\223 и у вражеских операторов.
Первые трофейные Sd.Kfz.221 попали в руки польских войск в сентябре 1939 года, но воспользоваться ими поляки не смогли.
Во Франции в мае-июне 1940 года британским и французским войскам удалось захватить и подробно ознакомиться с немецкими разведывательными машинами. Из-за быстрого поражения союзных сил все трофеи вновь перешли к немцам, но машины, захваченные в Северной Африке (британцы и их союзники захватили несколько десятков машин Sd.Kfz.221 и Sd.Kfz.222, часть которых была в целом состоянии) союзники использовали. Например, не менее двух Sd.Kfz.222 использовалось в составе аэродромной службы RAF.
Несомненно, что машины Sd.Kfz.221\222\223 становились трофеями советских воинов в течение 1941-1942 гг. Однако о каком количестве машин, ставших трофеями, можно говорить – неясно, поскольку, как пишут источники: «поскольку летом-осенью 1941 года скрупулёзный подсчет попросту не вёлся». Считается, что немецкие легкие БА находились в строю частей РККА до 1943г. включительно.
Принятие на вооружение в 1932-1935гг. нескольких вариантов тяжелых трехосных БА – сначала обозначались Kfz.67, а с 1935г. Sd.Kfz.231 и Sd.Kfz.232 (последние радиофицированные) сподвигли фирму Krupp разработать, по одним сведениям, около 1933г., по другим – в 1935г., БА на шасси Krupp-Protze L2H143, отличительной особенностью которого было оппозитное расположение цилиндров двигателя, что существенно уменьшало высоту капота. (Рис.440а)

Рис.440а - Krupp-Protze L2H43.
Новый БА предназначался в основном, для полиции или для экспорта – известен, как Krupp Polizei Streifenwagen или Krupp Gepanzerte Radfahrzeug. (Рис.441)

Рис.441 – Эскиз Krupp Gepanzerte Radfahrzeug.
Масса машины 8849 кг. Габариты: длина – 5070 мм, ширина – 2020 мм, высота – 2030 мм. Бронирование вертикальных элементов 7 мм, горизонтальных – 5 мм. Новая боевая машина получила корпус с двускатными бортами (как у аналогичного трехосного Sd.Kfz.231) и отличительной клинообразной носовой частью, размещался двигатель. В средней части корпуса находилось отделение управление, а в кормовой – боевой отсек, на крыше которого устанавливалась шестигранная одноместная башня со скошенными бортами. Экипаж 3 чел. Первоначально предполагалось вооружать Krupp Gepanzerte Radfahrzeug одним башенным 7,92-мм пулеметом MG34 закрытым цилиндрическим кожухом. Двигатель Krupp 3.3l Boxer, 3,3-литровый карбюраторный, 4-цилиндровый, воздушного охлаждения, мощностью 60 л.с. при 1200 об/мин. Трансмиссия механического типа с 10-скоростной КПП. Ходовая часть: колесная формула 6×4, шины пневматические, подвеска на листовых рессорах. Скорость 70 км/ч. Запас хода по шоссе 360 км.
Пишут, что постройка опытного образца была завершена в начале 1936 года, но это не факт – возможно, в 1933г. (Рис.442)


Рис.442 – БА Krupp Gepanzerte Radfahrzeug.
Вскоре (вероятно, под голландский заказ) пересмотрели схему вооружения и, как пишут, последующие три машины имели уже три пулемета. Один их них устанавливался справа от водителя в лобовом листе корпуса, другой монтировался в кормовом бронелисте также по правой стороне. (Рис.443)


Рис.443 – БА Krupp с новым размещением вооружения. Отлично виден пулемет в лобовом листе корпуса.
Известно, что первая БА Krupp в модификации с тремя пулеметами появились в Нидерландах на испытании в апреле 1934г. В литературе по этому поводу можно найти, что голландский вариант производился на местном предприятии Wilton-Fijenoord (в г. Схидам под Роттердамом), за ним закрепилось обозначение Krupp/Wilton-Fijenoord. Возможно, в Нидерландах на заводе в Схидаме проходила сборка машин из поступивших готовых элементов и последующее их вооружение. Впрочем, как замечают авторы, точные обстоятельства сотрудничества фирм Krupp и Wilton-Fijenoord в деле создания бронеавтомобилей пока не полностью ясны. В 1934г. два уже полностью готовых экземпляра БА Krupp/Wilton-Fijenoord отправили на испытания в Голландскую Ост-Индию. Местные военные признали данные автомобили перегруженными и негодными к эксплуатации в условиях Индонезии. В начале 1935г. два БА Krupp/Wilton-Fijenoord продали Бразилию. Разные толкования в литературе озвучиваются относительно третьего экземпляра бронеавтомобиля этого типа. Одни пишут, что машина все время с момента постройки находилась в Германии. Другие, доказательно считают, что третья машина БА Krupp/Wilton-Fijenoord в 1938г. поступила в нидерландскую армию метрополии, в 1940г. машина была захвачена гитлеровцами. (Рис.443а)

Рис.443а – Захваченный немцами БА Wilton-Fijenoord. 1940г.
Во время войны немцы использовали трофей в полицейских частях. Сначала броневик назначили в Ordnungspolizei, позже он перешел в Reserve-Polizei-Bataillon 68 Köln, который был размещен в Нидерландах в декабре 1940 года. (Рис. 443b)

Рис. 443b - Wilton-Fijenoord используется немецкой полицией Reserve-Polizei-Bataillon 68 Köln.
9 июля 1942 года этот батальон был переформирован во II. Bataillon 3-го полицейского полка и размещен в Амстердаме. 24 февраля Polizei-Regiment 3 был переименован в SS-Polizei-Regiment 3. II. Bataillon оставался в Нидерландах до конца войны. Однако Krupp/Wilton-Fijenoord по неизвестным причинам был перемещен в Германию. Там он в конечном итоге использовался для защиты внутреннего дворика Рейхсканцелярии во время битвы за Берлин в 1945 году, где был уничтожен советскими войсками. Броневик стоял рядом с устаревшим бронированным полицейским автомобилем Schupo-sonderwagen Daimler/21 DZVR. (Рис. 443с)

Рис. 443с – БА Krupp/Wilton-Fijenoord и Schupo-sonderwagen Daimler/21 DZVR во внутреннем дворике рейхсканцелярии, май 1945г.
Пишут также, что во время японо-китайской войны 1937-1938гг. китайская сторона использовала несколько импровизированных бронемашин, одна из которых была построена на трехосном шасси. Причем одна из них, как будто, во многом напоминала Krupp Gepanzerte Radfahrzeug. Некоторые в этой связи замечают, что помощь в постройке китайского бронеавтомобиля могли оказать немецкие инженеры, правда, вряд ли речь могла идти о специализированном шасси Krupp L2H143, скорее всего, такой БА строился на шасси некоего коммерческого трехосного грузовика.
Шасси трехосного тягача Krupp L2H 143 (6х4) послужило основой для штабной машины Schwere geländegängige gepanzerte Personenkraftwagen (Sd.Kfz.247), которая предназначались для командиров разведывательных батальонов и моторизованных дивизий.
Масса машины 5200 кг. Габариты: длина – 5200 мм, ширина – 1960 мм, высота – 1700 мм, клиренс – 220 мм. Бронирование: вертикальные элементы – 8 мм, горизонтальные элементы: крыша – 6 мм, днище – 5 мм. Корпус машины имел бронирование из катаной стали, толщина вертикальных элементов 8 мм, толщина крыши 6 мм, днища – 5 мм. Борта были выполнены двускатными и условно делились на два пояса. Они приваривались к каркасу под углом таким образом, что в поперечном сечении корпус имел форму шестигранника, обращенного самой узкой гранью вниз. Посадка экипажа из 6-ти человек производилась через небольшой люк в левой нижней части отделения управления или через борт открытого десантного отделения. В отделении управления размещались места водителя (слева) и командира машины (справа). За ними располагалось десантное отделение, где устанавливалось радиооборудование и средства наблюдения. Здесь могли размещаться ещё 4 человека – как правило, это были штабные офицеры. В случае непогоды над десантным отделением на трех арках разворачивался брезентовый тент с четырьмя круглыми целлулоидными окнами. Наблюдение за окружающей обстановкой во время боя осуществлялось при помощи смотровых щелей со сменными стеклопакетами в лобовой бронепанели. Штатное вооружение отсутствовало, но в укладке мог быть один 9-мм пистолет-пулемет МР38 и 192 патрона к нему. Устанавливался бензиновый двигатель Krupp M304, воздушного охлаждения, с рабочим объёмом 3308 см3 и мощностью 60 л.с. По другим данным (на серийных машинах), в качестве силовой установки использовался двигатель М305PS мощностью 57 л.с. Трансмиссия включала 4-ступенчатую коробку передач Zf-Aphon Gb 35 с однодисковым сухим сцеплением, демультипликатором, двумя блокирующимися дифференциалами и механическими тормозами. Для обслуживания силовой установки в моторном отсеке были выполнены эксплуатационные люки в стенках и крыше. Функцию передней стенки последнего выполняло бронированное жалюзи с узкими горизонтальными пластинами, через которое охлаждающий воздух поступал к двигателю. Максимальная скорость составляла порядка 70 км/ч.
В таком виде бронемашина были принята на вооружение панцерваффе под обозначением Sd.Kfz.247 Ausf.A. (Рис.444)



Рис.444 - Sd.Kfz.247 Ausf.A.
Опытный образец фирма Krupp собрала в 1937 году, а к 1 января 1938 года была готова партия из 10 машин. (Рис.445)






Рис.445 – На службе вермахту и после нее.
В 1938г. родилась идея ставить доработанный корпус от Sd.Kfz.247 Ausf.A на другое шасси. Выбрали двухосное шасси тяжелого пассажирского автомобиля Horch 801/EG1. Разработку проводила фирма Daimler-Benz, контракт с которой был подписан в конце 1938 года. Новый вариант штабной машины получил обозначение Sd.Kfz.247 Ausf.В.
Особенностью выбранного типа шасси было заднее расположение двигателя, его перенесли вперед, сохранив, при этом, ту же длину моторного отсека. Габариты машины: длина – 5000 мм, ширина – 2000 мм, высота – 1800 мм, клиренс – 220 мм. Масса машины 4460 кг. Корпус нового варианта штабной машины изготовлялся из листов катаной стали, которые приваривались к каркасу из тавровых и уголковых стальных профилей под рациональными углами наклона. Толщина бронирования в лобовой части составила 8 мм, крыши (над отделением управления) – 6 мм, днища – 5 мм. К раме шасси корпус крепился с помощью болтовых соединений. Посадочные люки были выполнены в обоих бортах и в кормовом бронелисте. Два передних люка имели треугольную форму и предназначались для штатных членов экипажа, третий — в правом борту — был почти квадратным и вел непосредственно в десантное отделение. Штатное вооружение на машине этой модификации также отсутствовало, но в укладке мог переводиться 9-мм пистолет-пулемет MP38 с боекомплектом 192 патрона. В моторном отсеке устанавливался двигатель Horch V8-108 мощностью 75 л.с., с центральным распределительным валом и верхним расположением клапанов. Он комплектовался карбюратором Solex 30JFP. Трансмиссия состояла из сухого однодискового сцепления с гидравлическим приводом PF20KZM, механической планетарной коробки передач производства фирмы Auto-Union\Horch (5 передач впереди и одна неазад), двух дифференциалов и тройной распределительной цепи. Механические или гидравлические тормоза колодочного типа Horch устанавливались на все колеса. Доступ к двигателю с целью ремонта и текущего технического обслуживания обеспечивали два откидных прямоугольных люка на крыше моторного отсека. Максимальная скорость 70 км/ч, запас хода 350 км по шоссе, 220 км по местности. Ходовая часть крепилась к раме при помощи двух балансиров и двух спиральных амортизаторов. Большим преимуществом были оба управляемых моста с независимой подвеской. Колеса оснащались пневматическими шинами низкого давления размером 21х18 со ступицами из стальных листов. При езде со скоростью свыше 25 км/ч привод на задние колеса можно было отключить. Все колеса прикрывались сверху угловатыми крыльями с плоскими поверхностями. Перед задним левым крылом к борту крепился ящик для хранения запасных частей и инструментов. Электрооборудование бронемашины – подсветка контрольных приборов, стоп-сигналы, фары, клаксон – запитывалось от генератора Bosch RKC 130/12–825 мощностью 300 Вт и одного 12-вольтового аккумулятора Bosch емкостью 75 А.ч. В качестве базовой радиостанции была выбрана FuSpeGer “f” со штыревой антенной и характерной «метелкой». (Рис.446)


Рис.446 - Sd.Kfz.247 Ausf.В.
Поставки должны были начаться с октября 1939 года, но в связи с производственными трудностями и другими, более приоритетными задачами, этот процесс затянулся почти на два года. В период с июля 1941 по январь 1942 гг. фирма Daimler-Benz выпустила 58 бронемашин модификации Sd.Kfz.247 Ausf.B. Серийные машины имели номера от 140001 до 140058. Данные машины в основном поступили на вооружение танковых или моторизованных дивизии, а также подразделений SS, где по одной машине предоставлялось командирам разведывательных батальонов. (Рис.447)




Рис.447 – В боевой обстановке.
Заключение
Технические концепции и Директории Этапа, Резюме, окраска танков, экипировка экипажей, количественная оценка танковой техники за Этап, боевые типы, опытные типы, тактическая классификация боевых и опытных танков, экспериментальные типы, проекты, классификация по массе, классификация по вооружению, оригинальные конструктивные решения, пилотные решения, производство, отправные решения, Эпилог.
* Технические концепции и Директории Этапа.
В рассматриваемый Этап в Германии получили развитие Концепция боевой гусеничной машины (бгм) 1903г. и Концепция колесного движителя (кт) 1915г. (Табл.2)
Таблица 13 – Директории Этапа 1930-1937гг.
|
Концепция боевой гусеничной машины (бгм) 1903г. |
Концепция колесного движителя (кт) 1915г. |
|
17 Директория, 1930-1937гг. → Синтетический прототип Carden-Loyd Tractor 3 ton, UK, 1931 – (бгм)38 Kleintraktor Krupp Pz.Kpfw.I Ausf.A Pz.Kpfw.I Ausf.В Pz.Kpfw.II Ausf.a Z.W. Krupp Z.W.1 Z.W.2 Pz.Kpfw.II Ausf.b Pz.Kpfw.II Ausf.с// Ausf.А// Ausf.В// Ausf.С L.K.A.1/M.G. K.A L.K.В.1 Pz.Kpfw.III Ausf.A Pz.Kpfw.III Ausf.В Pz.Sfl.III (s.Pak) Pz.Kpfw.III Ausf.С L.K.A.2/2 cm K.A 2.5 cm K.A.v. L.K.B.2 Pz.Kpfw.III Ausf.D М.К.А./4.5 cm K.A.v. S.K.A./7.5 cm K.A. |
|
|
13 Директория, 1932-1937гг. → Синтетический прототип FCM Char Lourd, Fr, 1916 - (бгм)5 Региональный прототип FCM 2C/Char Lourd 2C Pz.Kpfw Nb.Fz.V Rheinmetall B.W. Pz.Kpfw Nb.Fz.VI Krupp B.W.I Krupp B.W.II Krupp R.W. Pz.Kpfw.IV Ausf.A |
|
|
15 Директория, 1933г. Синтетический прототип Vickers Medium, UK, 1922- (бгм)35 Региональный прототип Vickers Medium Tank Mk.I Rheinmetall Leichttraktor 1933 |
|
|
|
14 Директория, 1934-1937гг. → Синтетический прототип MTw 1, G, 1927-(кт)7 Sd.Kfz.231 (8-Rad) Sd.Kfz.232 (8-Rad) |
* Резюме.
Этап развития немецкого танкостроения 1930-1937гг. имеет два логических Периода: 1930-1933гг. и 1933-1937гг.
До 1934г. немецкое танкостроение тайно существовало в условиях версальских ограничений, формально оставаясь под международным запретом. В 1935г. латентный период развития германского танкостроения был завершен. К тому времени немцы уже четко представляли, какие типы танков им нужны, внедрялись передовые технологии строительства и оснащения танков: сварные корпуса и башни, обязательное радиофицирование всех танков, двигатели с жидкостным охлаждением, отличная обзорность, выделенный функционал командира. Правда, до конца Этапа не удалось прийти к единому мнению о наиболее рациональной для танков конструкции ходовой части; все типы танков, включая средние по массе, имели противопульное бронирование.
В 1935-1937гг. началось развертывание мощностей для производства танков, их массовое строительство.
В конце 1935г. было сформировано три танковых дивизии.
⃰ Окраска танков, экипировка экипажей.
Появившиеся в войсках в 1935г. немецкие танки красились в трехцветный камуфляж Buntfarbenanstrich (Рис.448), только в 1938г. был утвержден темно-серый цвет Panzer grey.

Рис.448 – Пример немецкого трехцветного камуфляжа.
Форма немецких танкистов 1930-х годов напоминает британский вариант – черные куртки и брюки и черный же берет. (Рис.449)

Рис.449 – Форма немецких танкистов.
Пишут, что появилась форма вместе с формированием первых танковых частей, т.е. в 1935 году. В источниках обычно особенное внимание уделяется танковому берету – некоторые пишут, что немцы заимствовали шведский берет образца 1926 года, отказавшись от танкового шлема французского типа. Дело в том, что этот головной убор этот был весьма оригинален, заменяя привычный шлем танкиста. Изготавливались береты танкистов в большинстве случаев из добротного шерстяного сукна черного цвета. Внутри головного убора находился специальный металлический каркас, который помогал обеспечивать защитную функцию. Вскоре открылось, что на беретах плохо держались наушники, поэтому в 1941 году командование предписало заменить самобытные танковые береты на обычные пилотки, но многие танкисты продолжали носить берет вплоть до конца войны. Интересно, что немцы не вводили в употребление танковый шлем или шлемофон, что, например, являлось обязательным атрибутом советского танкиста. Некоторые объясняют это тем, что в немецких танках было относительно просторно, а потому защищать голову от многочисленных ударов о потолок немцам не было большой нужды.
* Количественная оценка танковой техники за Этап.
Всего за Этап 1930-1937гг. в Германии было произведено танков: 1906 шт., включая 2 конверсии. (Табл.14).
Таблица 14 – Машины и проекты, отнесенные к категории танки,
разрабатывавшиеся или производившиеся в Германии в 1930-1937гг.
|
Многоцелевые типы 1930-1937гг. |
||||||||||||||||||||||||||||||||||||||||||||||||||||||||||||||||||||||||||||||||||||
|
Легкие многоцелевые танки 1930-1932гг.
Легкие многоцелевые танки 1932-1937гг.
Средние многоцелевые танки 1932-1937гг.
|
||||||||||||||||||||||||||||||||||||||||||||||||||||||||||||||||||||||||||||||||||||
|
Всего:699 шт., 4 оо, 10 проектов |
||||||||||||||||||||||||||||||||||||||||||||||||||||||||||||||||||||||||||||||||||||
|
Маневренные типы 1930-1937гг. |
||||||||||||||||||||||||||||||||||||||||||||||||||||||||||||||||||||||||||||||||||||
|
Легкие кавалерийские танки 1930-1937гг.
|
||||||||||||||||||||||||||||||||||||||||||||||||||||||||||||||||||||||||||||||||||||
|
Всего: 1195 шт., 2 оо, 2 проекта |
||||||||||||||||||||||||||||||||||||||||||||||||||||||||||||||||||||||||||||||||||||
|
Артиллерийские типы 1934-1936гг. |
||||||||||||||||||||||||||||||||||||||||||||||||||||||||||||||||||||||||||||||||||||
|
Танки огневой поддержки 1934-1937гг.
|
||||||||||||||||||||||||||||||||||||||||||||||||||||||||||||||||||||||||||||||||||||
|
Всего: 5 проектов |
||||||||||||||||||||||||||||||||||||||||||||||||||||||||||||||||||||||||||||||||||||
|
Штурмовые типы 1936-1937гг. |
||||||||||||||||||||||||||||||||||||||||||||||||||||||||||||||||||||||||||||||||||||
|
Средний по массе штурмовой танк 1936-1937гг.
|
||||||||||||||||||||||||||||||||||||||||||||||||||||||||||||||||||||||||||||||||||||
|
Всего: 5 оо |
||||||||||||||||||||||||||||||||||||||||||||||||||||||||||||||||||||||||||||||||||||
|
Экспериментальные танки 1933г. |
||||||||||||||||||||||||||||||||||||||||||||||||||||||||||||||||||||||||||||||||||||
|
Экспериментальный легкий по массе танк 1933г.
|
||||||||||||||||||||||||||||||||||||||||||||||||||||||||||||||||||||||||||||||||||||
|
Всего: 1 э |
* Боевые типы.
Из общего количества произведенных танков к боевым типам (танкам выпускавшихся серийно, заказанных, принятых на вооружение германской и/или другими армиями) можно отнести – 1894 единицы. (Табл.15).
Таблица 15 – Выпуск немецких боевых танков в 1930-1937гг.
|
марка |
тип |
Количество выпущенных танков, годы производства |
Танков, изначально поступивших на вооружение германской армии |
Танков, изначально отправленных на экспорт |
|
Pz.Kpfw.I Ausf.А |
Малый легкий танк |
1195 шт. 1933-1936гг. |
1163/1158 шт.
|
22 шт. (Испания)° 10/15 шт. (Китай) |
|
Pz.Kpfw.I Ausf.В |
Легкий танк |
399 шт. 1936-1937гг. |
379 шт.
|
19 шт. (Испания)° 1 шт. (Венгрия) |
|
Pz.Kpfw.II Ausf.a |
Легкий танк |
75 шт. 1935-1936гг. |
75 шт.
|
|
|
Pz.Kpfw.II Ausf.b |
Легкий танк |
100 шт. 1936-1937гг. |
100 шт. |
|
|
Pz.Kpfw.II Ausf.с// Ausf.А// Ausf.В// Ausf.С |
Легкий танк |
75 шт. 1937г. |
75 шт. |
|
|
Итого |
Легких танков |
1844 шт. |
1792/1787 шт. |
52/57 шт. |
|
Pz.Kpfw Nb.Fz.VI |
Средний танк |
3 шт. 1935г. |
3 шт. |
|
|
Pz.Kpfw.III Ausf.A |
Средний танк |
10 шт. 1937г. |
10 шт. |
|
|
Pz.Kpfw.III Ausf.В |
Средний танк |
10 шт. 1937г. |
10 шт. |
|
|
Итого |
Средних танков |
23 шт. |
23 шт. |
|
|
Sd.Kfz.231 (8-Rad) |
Легкий по массе тяжелый колесный танк |
27 шт. 1936-1937гг. |
27 шт. |
|
|
Итого |
Легких колесных танков |
27 шт. |
27 шт. |
|
|
ВСЕГО |
|
1894 шт. |
1842/1837 шт. |
52/57 шт. |
° Прибыли в Испанию в октябре-декабре 1936г. в составе немецкого Добровольческого легиона «Кондор», позже переданы испанцам.
* Опытные типы.
Таблица 16 – Выпуск опытных танков в 1930-1937гг.
|
марка |
тип |
Годы |
количество |
|
Pz.Kpfw Nb.Fz.V |
Средний танк |
1932-1934 |
2 шт. |
|
Z.W.1 |
Легкий танк |
1934-1935 |
1 шт. |
|
Z.W.2 |
Легкий танк |
1934-1935 |
1 шт. |
|
L.K.A.1/M.G. K.A |
Малый легкий танк |
1936-1937 |
1 шт. |
|
L.K.В.1 |
Малый легкий танк |
1936-1937 |
1 шт. |
|
Pz.Sfl.III (s.Pak) |
Средний по массе штурмовой танк |
1936-1937 |
5 шт. |
|
Итого: |
|
|
11 шт. |
* Тактическая классификация боевых и опытных танков.
Таблица 17 – Количество выпущенных боевых и опытных машин по тактическим типам.
|
Тактический тип |
Боевые машины |
Опытные образцы |
итого |
|
Легкие многоцелевые танки |
649 |
2 |
651 шт. |
|
Средние многоцелевые танки |
23 |
2 |
25 шт. |
|
Легкие маневренные танки |
1195 |
2 |
1197 шт. |
|
Маневренные колесные танки |
27 |
|
27 шт. |
|
Штурмовые танки |
|
5 |
5 шт. |
|
Итого |
1894 |
11 |
1905 шт. |
* Экспериментальные типы.
Таблица 18 – Экспериментальный танк 1933г.
|
название |
Базовая машина |
год |
|
Rheinmetall Leichttraktor 1933 |
VK 31 Rheinmetall |
1933 |
* Проекты.
Таблица 19 – Проекты машин, отнесенных к категории танки 1930-1937гг.
|
марка |
тип |
годы |
|
DB-ARW |
Легкий по массе тяжелый колесный танк |
1930-1932 |
|
BN-ZRW |
Легкий по массе тяжелый колесный танк |
1930-1931 |
|
Kleintraktor Krupp |
Малый легкий танк |
1930-1932 |
|
Z.W. Krupp |
Легкий танк |
1934 |
|
Rheinmetall B.W. |
Средний по массе танк огневой поддержки |
1934-1936 |
|
Sd.Kfz.232 (8-Rad) |
Легкий по массе тяжелый колесный танк |
1934-1937 |
|
Krupp B.W.I.
|
Средний по массе танк огневой поддержки |
1935-1936 |
|
Krupp B.W.II.
|
Средний по массе танк огневой поддержки |
1935-1936 |
|
Krupp R.W.
|
Средний по массе танк огневой поддержки |
1935-1937 |
|
Pz.Kpfw.III Ausf.С |
Средний танк |
1936-1937 |
|
Pz.Kpfw.IV Ausf.A
|
Средний по массе танк огневой поддержки |
1936-1937 |
|
L.K.A.2/2 cm K.A |
Малый легкий танк |
1937 |
|
L.K.B.2 |
Легкий танк |
1937 |
|
М.К.А./4.5 cm K.A.v. |
Легкий танк |
1937 |
|
Pz.Kpfw.III Ausf.D |
Средний танк |
1937 |
|
S.K.A./7.5 cm K.A. |
Средний танк |
1937 |
* Классификация по массе.
Таблица 20 – Классификация по массам.
|
Минилегкие по массе танки |
3-5,5 т Kleintraktor Krupp Pz.Kpfw.I Ausf.A (1195) L.K.A.1/M.G. K.A (1) L.K.В.1 (1) L.K.A.2/2 cm K.A
Итого: 1197 шт. (1 шт. – конверсия) |
Легкобронированные, преимущественно пулеметные танки. |
|
Легкие по массе танки |
5,6-13,7 т Pz.Kpfw.I Ausf.В (399) Pz.Kpfw.II Ausf.a (75) Z.W. Krupp Z.W.1 (1) Z.W.2 (1) Pz.Kpfw.II Ausf.b (100) Pz.Kpfw.II Ausf.с// Ausf.А// Ausf.В// Ausf.С (75) 2.5 cm K.A.v. L.K.B.2 М.К.А./4.5 cm K.A.v. Rheinmetall Leichttraktor 1933 (1) Sd.Kfz.231 (8-Rad) (27) Sd.Kfz.232 (8-Rad)
Итого: 672 шт. (1 конверсия) |
Пулеметные и пушечно-пулеметные гусеничные и колесные танки.
|
|
Средние по массе танки |
13,7-30 т Pz.Kpfw.III Ausf.A (10) Pz.Kpfw.III Ausf.В (10) Pz.Sfl.III (s.Pak) (5) Pz.Kpfw.III Ausf.С Pz.Kpfw.III Ausf.D S.K.A./7.5 cm K.A. Pz.Kpfw Nb.Fz.V (2) Pz.Kpfw Nb.Fz.VI (3) Rheinmetall B.W. Krupp B.W.I Krupp B.W.II Krupp R.W. Pz.Kpfw.IV Ausf.A
Итого: 30 шт. |
Средние и штурмовые танки. |
* Классификация по вооружению.
Таблица 21 – Классификация танков по вооружению.
|
Пулеметные
Итого: 1595 шт. |
Маневренные типы: Kleintraktor Krupp Pz.Kpfw.I Ausf.А (1195) L.K.A.1/M.G. K.A (1) L.K.В.1 (1) Многоцелевые типы: Pz.Kpfw.I Ausf.В (399) L.K.B.2 |
|
Пушечно-пулеметные
Итого: 280 шт. |
Маневренные типы: L.K.A.2/2 cm K.A Многоцелевые типы: Sd.Kfz.231 (8-Rad) (27) Sd.Kfz.232 (8-Rad) DB-ARW BN-ZRW Pz.Kpfw.II Ausf.a (75) Z.W. Krupp Z.W.1 (1) Z.W.2 (1) Pz.Kpfw.II Ausf.b (100) Pz.Kpfw.II Ausf.с// Ausf.А// Ausf.В// Ausf.С (75) 2.5 cm K.A.v. М.К.А./4.5 cm K.A.v. Pz.Kpfw Nb.Fz.V (2) Pz.Kpfw Nb.Fz.VI (3) Pz.Kpfw.III Ausf.A (10) Pz.Kpfw.III Ausf.В (10) Pz.Kpfw.III Ausf.С Pz.Kpfw.III Ausf.D S.K.A./7.5 cm K.A. Артиллерийские типы: Rheinmetall B.W. Krupp B.W.I. Krupp B.W.II. Krupp R.W. Pz.Kpfw.IV Ausf.A Штурмовые типы: Pz.Sfl.III (s.Pak) (5) Экспериментальный танк: Rheinmetall Leichttraktor 1933 (1)
|
* Оригинальные конструктивные решения.
В германском танкостроении 1930-х годов применялось несколько Оригинальных конструктивных решений.
Продолжилось проектирование и строительство многобашенных средних танков. (Табл.22)
Таблица 22 – Многобашенные танки 1930-1937гг.
|
марка |
тип |
Количество выпущенных |
|
Pz.Kpfw Nb.Fz.V |
Средний танк |
2 оо |
|
Pz.Kpfw Nb.Fz.VI |
Средний танк |
3 шт. |
|
Rheinmetall B.W. |
Средний танк |
проект |
|
Krupp B.W.I |
Средний танк |
проект |
В середине тридцатых началась разработка танков – штурмовых орудий, которые выглядели, как безбашенные танки. (Табл.23)
Таблица 23 – Безбашенные танки 1930-1937гг.
|
марка |
тип |
Количество выпущенных |
|
Pz.Sfl.III (s.Pak) |
Средний по массе штурмовой танк |
5 оо |
В 1930-е немцы охладели к идее придавать танкам амфибийные свойства, но в начале десятилетия продолжались проектные работы над колесными танками по программе Mannschaftstransportwagen, которые создавались, в том числе, плавающими машинами. (Табл.24)
Таблица 24 – Танки с амфибийными свойствами 1930-1937гг.
|
марка |
тип |
Количество выпущенных |
|
DB-ARW |
Легкий по массе тяжелый колесный танк |
проект |
|
BN-ZRW |
Легкий по массе тяжелый колесный танк |
проект |
Перечень колесных танков в Коричневом Этапе расширился. (Табл.25)
Таблица 25 – Колесные танки 1930-1937гг.
|
марка |
тип |
Количество выпущенных |
|
DB-ARW |
Легкий по массе тяжелый колесный танк |
проект |
|
BN-ZRW |
Легкий по массе тяжелый колесный танк |
проект |
|
Sd.Kfz.231 (8-Rad) |
Легкий по массе тяжелый колесный танк |
27 шт. |
|
Sd.Kfz.232 (8-Rad) |
Легкий по массе тяжелый колесный танк |
проект |
Немецкие пулеметные танки на шасси Pz.I Ausf.A можно отнести к типу малых танков, хотя эти машины были несколько тяжелее британских. (Табл.26)
Таблица 26 – Малые танки 1930-1937гг.
|
марка |
тип |
Количество выпущенных |
|
Pz.Kpfw.I Ausf.A |
Малый легкий танк |
1195 шт. |
|
L.K.A.1/M.G. K.A |
Малый легкий танк |
1 оо |
|
L.K.В.1 |
Малый легкий танк |
1 оо |
|
L.K.A.2/2 cm K.A |
Малый легкий танк |
проект |
⃰ Пилотные решения.
Самым прогрессивным решением, воплотившимся на немецких танках 1930-х годов, стали обязательные сварные корпуса и башни. Не менее важным была разработка трехместных башен, в результате чего командир получал выделенный функционал. Третьим значимым явлением явилась радиофикация всех танков. И, наконец, внедрение качественных двигателей с жидкостным охлаждением позволяло танкам совершать многокилометровые безостановочные переходы.

Рис.450 – Фердинанд Порше
(Ferdinand Porsche), 1871-1951гг.
В этом КБ под руководством инженера Карла Рабе (Рис.451) велись работы по приспособлению торсионов (Рис.452) для автомобильной подвески.

Рис.451 – Слева Порше, справа Карл Рабе (Karl Rabe), 1895-1968гг.

Рис.452 – Работа торсиона.
Торсионы – упругие стержни – возвращают опорные катки танков в исходное положение за счет силы упругости, возникающей при скручивании.
В какой-то момент идея выросла до задачи применения торсионов в гусеничной ходовой части. Не последнюю роль в этом осмыслении сыграл Эрнст Книпкамп, работавший в Wa Pruf 6 (военный департамент моторизации). С 1932г. он на базе фирмы Krauss Maffei занялся проектированием полугусеничных армейских тягачей. Изюминкой проекта стала гусеничная ходовая часть с шахматным расположением опорных катков на индивидуальных торсионах. Однако первый танк на торсионах появился не в Германии, а в 1934г. в Швеции на подконтрольном немецким хозяевам предприятии Landsverk (патрон - Gutehoffnungshütte, Aktienverein für Bergbau und Hüttenbetrieb (GHH), к которой имел прямое отношение концерн MAN), главным инженером этого предприятия являлся также немецкий инженер и разработчик танковой техники Мёркер. Несмотря на самое непосредственное отношение немецких танкостроителей к разработке танковых торсионов, внедрение торсионной подвески на немецких танках шло нелегко, хотя тему активно продвигал все тот же Книпкамп, с 1936г. ставший ответственным за разработку перспективных танков. Вероятно, дело тормозилось не только фирмой Krupp – в то время почти законодательницей конструкции танков, получившей негативный опыт работы с торсионами на танках (как пишут, из-за неудачно выбранного типа торсионов), но и фирмой Daimler-Benz – вторым важнейшим разработчиком немецкого типа танка – причем, на Daimler-Benz игнорировали торсионы не по объективным причинам, а, возможно, в пику Порше, с которым Daimler-Benz рассталась не лучшим образом.
Так или иначе, но немецкие танкостроители в середине тридцатых прошли мимо важнейшего инновационного решения для танковой ходовой части. Индивидуальная торсионная подвеска является обязательным элементом танковой гусеничной ходовой части до наших дней.
⃰ Производство.
Основную роль в обретении облика типа германского танка сыграли специалисты фирм Krupp и Daimler-Benz. Rheinmetall-Borsig, активно выступавшая в танковом сегменте с середины 1920-х гг., отошла на второй план, оставаясь, однако важнейшим поставщиком танковых пушек и разработчиком отдельных элементов танков, например – башен. С началом массового производства танков к их строительству привлекли сразу несколько фирм: MAN, Henschel – вероятно, сознательно ставилась задача максимально возможного распространения технологий танкового производства, а не сосредоточении его на двух – трех площадках.
Подробно речь о Rheinmetall-Borsig шла в очерке о Зеленом Этапе германского танкостроения. Познакомимся с другими участниками процесса.
Friedrich Krupp AG. Крупнейший промышленный концерн в истории Германии. В 1811г. Фридрих Крупп (Рис.453) открыл в Эссене литейный завод.

Рис.453 - Friedrich Carl Krupp, 1787-1826гг.
В 1853г его сын Альфред Крупп (Рис.454) организовал на семейном предприятии производство бесшовных железнодорожных колес. (Рис.455)

Рис.454 – Alfred Krupp, 1812-1887гг.
Получил прозвище «пушечный король».

Рис.455 – Завод Krupp в 1864г.
В 1875г. у завода появилась эмблема в виде трех сплетенных колес. (Рис.456)

Рис.456 – Эмблема Friedrich Krupp AG.
Со временем главной продукцией стали артиллерийские орудия, именно пушки «Крупп» обеспечили разгром французской армии во время франко-прусской войны 1870-1871гг. К началу XX века на заводах фирмы «Крупп» работало более 40 тысяч человек. (Рис.457)

Рис.457 – Один из цехов компании в 1900 году.
В 1903 году компания была преобразована в акционерное общество с общим капиталом в 160 млн. марок. Заводы АО занимались производством паровозов, судов, тяжелого промышленного оборудования. В 1914 году предприятия концерна «Krupp» («AG Krupp») выплавляли до 1600 тыс. тонн чугуна и добывали свыше 7500 тыс. тонн угля в год. На заводах работало свыше 120 тыс. человек. Накануне Первой мировой войны военная продукция концерна Krupp занимала около 40 % от общего производства. В годы WWI заводы Круппа целиком перешли на военное производство – в основном производство орудий (Рис.458) и боеприпасов – артиллерийское КБ работало под руководством доктора Ф. Эбергарда.

Рис.458 – Горизонтальный замок пушки Крупп.
В это же время компания совместно с фирмой Daimler производила грузовики “Krupp-Daimler”, в том числе, с установленными артиллерийскими орудиями – моторные орудия. Для развития вооружения и автомобилестроения были приостановлены многие другие отрасли, такие как судостроение, паровозостроение, текстильная и сельхоз техника. В 1917-1918гг. на фирме Крупп по заказу Ставки разрабатывались варианты легких танков – практического выхода не получилось. В 1920-е годы, несмотря на царивший в стране политический и экономический кризис, концерн Krupp сохранял ведущие мировые позиции по производству стали и продолжал своё развитие. С середины 1920-х Krupp участвует во всех танкостроительных программах. В то же время основное развитие концерна продолжилось в автомобилестроении – к 1930 году предприятия концерна Krupp предлагали один из самых широких спектров грузовых автомобилей в Европе. В Эссене был открыт новый завод по производству автобусов, на котором было задействовано до 3-х тысяч рабочих. Развертывание массового производства танков заставило в 1934г. выделить целиком под эти цели площадку Grusonwerk (подразделение Krupp - Krupp-Gruson, или Krupp-Grusonwerk, или Gruson-Werke) в Магдебурге (Магдебурге-Бакау), в Эссене танки, кажется, с 1935г. не выпускались.
Глава предприятий Krupp - Густав Крупп фон Болен (Рис.459) не просто активно поддерживал нацистов, но имел возможность влиять на движение; и в то же время сохранял тесные связи с военной верхушкой.

Рис.459 – Густав Георг Фридрих Мария Крупп фон Болен унд Гальбах (Gustav Georg Friedrich Maria Krupp von Bohlen und Halbach), 1870-1950гг.
В период с 1936г. по 1939г. большинство заводов тяжелой промышленности (локомотивостроение, производство сельхоз и текстильной техники) были переоборудованы на производство военной техники, в основном танков и артиллерии, боеприпасов. Большая удача фирмы Krupp в области танкостроения – разработка и производство танков семейства Pz.Kpfw.IV.
В годы WWII авиация союзников нанесла ощутимый ущерб предприятиям Круппа. (Рис.460)

Рис.460 - Заводы Круппа Эссен, 1945г.
По решению Ялтинской конференции 1945 года, а затем послевоенной Потсдамской конференции концерн Krupp подлежал полной ликвидации. В 1948 году глава концерна Альфрид Крупп (Рис.461) был арестован и приговорен к 12 годам лишения свободы с конфискацией имущества.

Рис.461 - Альфрид Феликс Альвин Крупп фон Болен унд Гальбах (Alfried Felix Alwyn Krupp von Bohlen und Halbach), 1907-1967гг. Сын Густава Круппа фон Болена. В 1931г. вступил в СС. С 1942г. советник по вооружениям при рейхсминистре Шпеере и президент «Фонда Адольфа Гитлера». До марта 1943г. возглавлял имперский совет вооружений. В апреле 1943г. сменил отца на посту руководителя концерна Krupp и стал его единоличным владельцем.
Однако уже в 1951г. Альфрид Крупп выходит на свободу. Впоследствии была аннулирована часть приговора, касающаяся конфискации имущества концерна, и ему было возвращено личное состояние. Вступив в руководство концерном, добился отмены постановления о разукрупнении концерна «Фридрих Крупп». Возродил корпорацию. В 1955 году на восстановленных заводах в Эссене было развернуто производство. К концу 1950-х годов концерн «Krupp» был окончательно возрожден и стал относиться к крупнейшим европейским предприятиям. В течение 1960-х годов концерн Krupp восстанавливал свой потенциал на территории ФРГ. Экономический кризис в середине 1960-х заставил продать некоторые предприятия фирмам Daimler-Benz, FAUN и др., при этом сократилось или совсем закрылось производство автомобилей, тяжелой грузовой и сельскохозяйственной техники. К концу 1970-х концерн стал открывать заводы по производству тяжелой строительной техники, но основным направлением производства оставалось производство стали. В середине 1980-х число сотрудников Krupp снова достигло 100 тыс. 17 марта 1999г. произошло слияние концерна Krupp с концерном Thyssen AG, в результате появилось крупнейшее промышленное объединение в Европе ThyssenKrupp AG, которое и сейчас занимает ведущие в мире позиции по производству стали.
Daimler-Benz.
В 1926г. произошло объединение автомобильных предприятий Daimler и Benz, в результате чего образовалась компания Daimler-Benz.
Компания «Даймлер-Моторен-Гезелльшафт» была основана немецкими инженерами Готлибом Даймлером и Вильгельмом Майбахом, в 1890 году на базе мастерской Даймлера близ Штутгарта (Баден-Вюртемберг), где он в 1885-1886 годах построил первый четырехколесный автомобиль с бензиновым двигателем. После смерти Готлиба Даймлера в 1900 году производство автомобилей продолжили его сын Пауль Даймлер и Вильгельм Майбах, взявший на себя управление фирмой. В 1900 году Майбах начал разрабатывать автомобиль, получивший расположение частей, ставшее классическим: двигатель и радиатор располагались впереди под капотом, привод осуществлялся через шестеренчатую коробку передач на задние колеса. Первый образец с четырехцилиндровым мотором мощностью 35 л.с. был выполнен в виде двухместной гоночной машины, которая получила название Mercedes, в честь дочери одного из совладельцев компании — австрийского предпринимателя, дипломата и автогонщика Эмиля Еллинека. (Рис.462)

Рис.462 – Та самая Мерседес Еллинек, в честь которой был назван автомобиль, созданный В. Майбахом в 1901.
И поныне все автомобили Mercedes носят имя этой девочки.
Надо отметить, что именно Daimler стала площадкой по сборке первых немецких танков A7V.
Компания Benz была основана Карлом Бенцем в 1883 году. В 1894 году на Benz началось серийное производство автомобилей. Во главе объединенного в 1926 году концерна Daimler-Benz поначалу встал Фердинанд Порше (до 1929г. или 1930г.). С середины 1920-х компания стала участницей танковых программ. В 1930-е годы именно Daimler-Benz стала ведущей по теме Pz.Kpfw.III. Но профилирующей задачей для Daimler-Benz всегда оставалось автомобилестроение. Во второй половине XX века Daimler-Benz разработала не одно семейство автомобилей высокого класса.
В 1984 году в состав Daimler-Benz вошла авиаракетная компания «Дорнье», в 1986 — электротехническая фирма «АЭГ», в 1988 — авиакосмическая компания «Мессершмидт-Белков-Блом».
В 1990-х годах произошла перестройка модельного ряда Mercedes-Benz, модели этой марки появились в новых секторах рынка (малый класс, внедорожники). В 1998 году на основе Daimler-Benz и американской автомобилестроительной фирмы Chrysler был создан транснациональный концерн DaimlerChrysler, однако в 2007 году его американские активы вновь выделились в самостоятельную компанию Chrysler. Тогда же было принято решение преобразовать европейские подразделения DaimlerChrysler в акционерное общество Daimler. Ежегодно заводы концерна Daimler выпускают около миллиона легковых автомобилей, две трети продаж приходятся на Европу. Кроме того, подразделения концерна выпускают разнообразные грузовые, специальные машины, автобусы.
Maschinenfabrik Augsburg-Nürnberg AG (MAN). В 1840 году, некто Людвиг Зандер (1790-1877гг.) и Жан Гаспар Долльфус (1812 - 1889) основали в Аугсбурге (Бавария, Южная Германия) машиностроительную фабрику Людвига Зандера (Sander’sche Maschinenfabrik), затем была переименована в машиностроительную фабрику Maschinenfabrik Augsburg. В 1898 г. в результате слияния со сталелитейным заводом и машиностроительной фабрикой Klett & Comp (Eisengießerei und Maschinenfabrik Klett & Comp, с 1841г.) из Нюрнберга была образована машиностроительная фабрика Maschinenfabrik Augsburg-Nürnberg AG, которая в 1908 г. стала называться сокращенно — M. A. N. Фабрики в Аугсбурге и Нюрнберге специализировались на машиностроении. С 1893 по 1897 год в заводской лаборатории в Аугсбурге Рудольф Дизель совместно с инженерами MAN создавал свой первый работающий дизельный двигатель. Генрих фон Буз, владелец и директор машиностроительной фабрики в Аугсбурге до 1913 г., превратил скромное предприятие с 400 сотрудниками в крупнейший завод, насчитывающий 12 000 работников. В 1915г. MAN удалось основать совместное со швейцарским автомобильным промышленником Адольфом Заурером (автомобильные заводы Заурера - Automobilwerke Adolph Saurer) компанию по производству грузовых автомобилей Lastwagenwerke M.A.N.-Saurer. Сначала производство грузовых авто находилось в Линдау, но в 1916г. было перенесено в Нюрнберг. Помимо автомобилестроения фирма M.A.N. имела интересы в нефтегазовой сфере, но к 1921г. дела компании пошли дурно, и ее контрольный пакет приобрел председатель правления горнодобывающей компании из Рура Gutehoffnungshütte, Aktienverein für Bergbau und Hüttenbetrieb (GHH) гер Пауль Ройш – шведская Landsverk также входила в орбиту GHH. Тем не менее, плохие времена продолжились. За два года число рабочих MAN сократилось с 14 000 (1929/1930 гг.) до 7 400 (1931/1932 гг.). Ситуация начала исправляться в лучшую сторону с приходом нацистов и последовавшей программой перевооружения. Помимо прочего фирма MAN стала ведущей по теме танков Pz.Kpfw.II - работы курировались Фридрихом Рифом (Friedrich Rief), одним из ведущих конструкторов фирмы из Нюрнберга. Во время войны на заводе в Аугсбурге производились дизельные двигатели для подлодок, а на заводе в Нюрнберге пустили в серию танк «Пантера». Председатель правления концерна Отто Мейер старался сохранить производство грузовых автомобилей. В 1941/1942 гг. было построено 1085 грузовиков, в 1942/1943 1719 единиц, в июне 1944 ещё 63 единицы. В октябре 1944г. завод в Нюрнберге был полностью разрушен союзной авиацией.
После окончания Второй мировой войны союзники начали политику декартелизации крупных концернов, в том числе и GHH. Горнодобывающие предприятия и компании по производству железа и стали не могли входить в один концерн. Поэтому компания Gutehoffnungshütte и заводы MAN на юге Германии продолжили производство оборудования и станков, грузовых автомобилей и печатных машин, тогда как разработку горных месторождений пришлось остановить. В 1985/1986 гг. была проведена масштабная реструктуризация концерна M.A.N. Машиностроительная фабрика Maschinenfabrik Augsburg-Nürnberg AG) и Акционерное объединение Gutehoffnungshütte AG образовали акционерное общество MAN (MAN Aktiengesellschaft). Штаб-квартира переехала из Оберхаузена в Мюнхен. Долю в MAN (почти 30%) в 2006г. имел другой автоконцерн Volkswagen AG. С мая 2009 года MAN является европейским акционерным обществом открытого типа (SE). 1 мая 2010 года компания MAN вернулась к военному производству - было образовано совместное предприятие с немецким концерном Rheinmetall — предприятие по производству военной автотехники Rheinmetall MAN Military Vehichles.
9 ноября 2011 года концерн Volkswagen увеличил долю участия в компании MAN SE до 55,90 % голосующих акций и 53,71 % основного капитала. Покупка компании MAN SE имела целью объединение дочерних предприятий MAN, Scania и Volkswagen Commercial Vehicles и укрепление позиций всех трех марок на мировом рынке. В тот момент MAN и Scania зафиксировали отставание от китайских и индийских производителей грузовых автомобилей и потерю доли рынка.
Формально деятельность MAN, как самостоятельной организации прекратилась 6 июня 2013г. - с этого момента компания MAN полностью подчиняется руководству Volkswagen AG. 5 мая 2015 года концерн Volkswagen AG, владеющий контрольным пакетом акций, объявил о создании нового холдинга Truck & Bus GmbH Volkswagen, включающего марки MAN, Scania, Volkswagen Trucks & Bus и Volkswagen Commercial Vehicles. Руководитель холдинга Андреас Реншлер подчеркнул, что MAN и Scania останутся самостоятельными марками внутри холдинга.
Таблица 27 – Германское танкостроение Этапа 1930-1937гг. по годам.
|
годы |
17 Директория |
13 Директория |
15 Директория |
14 Директория |
|
1930 |
Kleintraktor Krupp |
|
|
DB-ARW BN-ZRW |
|
1931 |
Kleintraktor Krupp |
|
|
DB-ARW BN-ZRW |
|
1932 |
Kleintraktor Krupp Pz.Kpfw.I Ausf.A Pz.Kpfw.I Ausf.В |
Pz.Kpfw Nb.Fz.V |
|
DB-ARW |
|
1933 |
Pz.Kpfw.I Ausf.A (20) Pz.Kpfw.I Ausf.В Pz.Kpfw.II Ausf.a |
Pz.Kpfw Nb.Fz.V |
Rheinmetall Leichttraktor 1933 (1) |
|
|
1934 |
Pz.Kpfw.I Ausf.A (848) Pz.Kpfw.I Ausf.В Pz.Kpfw.II Ausf.a Z.W. Krupp Z.W.1 Z.W.2 |
Pz.Kpfw Nb.Fz.V (2) Rheinmetall B.W. |
|
Sd.Kfz.231 (8-Rad) Sd.Kfz.232 (8-Rad)
|
|
1935 |
Pz.Kpfw.I Ausf.A (152) Pz.Kpfw.I Ausf.В Pz.Kpfw.II Ausf.a Z.W.1 (1) Z.W.2 (1) |
Pz.Kpfw Nb.Fz.VI (3) Rheinmetall B.W. Krupp B.W.I Krupp B.W.II Krupp R.W.
|
|
Sd.Kfz.231 (8-Rad) Sd.Kfz.232 (8-Rad)
|
|
1936 |
Pz.Kpfw.I Ausf.A (175) Pz.Kpfw.I Ausf.В (253) Pz.Kpfw.II Ausf.a (75) Pz.Kpfw.II Ausf.b (50) Pz.Kpfw.II Ausf.с// Ausf.А// Ausf.В// Ausf.С L.K.A.1/M.G. K.A L.K.В.1 Pz.Kpfw.III Ausf.A Pz.Kpfw.III Ausf.В Pz.Sfl.III (s.Pak) Pz.Kpfw.III Ausf.С |
Rheinmetall B.W. Krupp B.W.I Krupp B.W.II Krupp R.W. Pz.Kpfw.IV Ausf.A
|
|
Sd.Kfz.231 (8-Rad) (1) Sd.Kfz.232 (8-Rad)
|
|
1937 |
Pz.Kpfw.I Ausf.В (146) Pz.Kpfw.II Ausf.b (50) Pz.Kpfw.II Ausf.с// Ausf.А// Ausf.В// Ausf.С (75) L.K.A.1/M.G. K.A (1) L.K.В.1 (1) Pz.Kpfw.III Ausf.A (10) Pz.Kpfw.III Ausf.В (10) Pz.Sfl.III (s.Pak) (5) Pz.Kpfw.III Ausf.С L.K.A.2/2 cm K.A 2.5 cm K.A.v. L.K.B.2 Pz.Kpfw.III Ausf.D М.К.А./4.5 cm K.A.v. S.K.A./7.5 cm K.A. |
Krupp R.W. Pz.Kpfw.IV Ausf.A
|
|
Sd.Kfz.231 (8-Rad) (26) Sd.Kfz.232 (8-Rad)
|
Таблица 28 – Количество произведенных танков по годам.
|
год |
количество |
|
1933 |
1 э + 20 = 21 |
|
1934 |
2 оо + 848 = 850 |
|
1935 |
2 оо + 155 = 157 |
|
1936 |
554 |
|
1937 |
7 оо + 317 = 324 |
|
Итого |
1 э + 11 оо + 1894 = 1906 |
⃰ Отправные решения.
Таблица 29 – Немецкие танки Этапа, ставшие региональными прототипами.
|
Pz.Kpfw Nb.Fz.VI |
1939г. |
Италия Carro P75- C.S.M. |
⃰ Эпилог.
В 1933-1937гг. немцы разработали все типы танков, необходимые для развертывания танковых войск под доктрину танкового блицкрига.




