Sd.Kfz.231 (8-Rad)
&
Sd.Kfz.232
(8-Rad)

Sd.Kfz.231 (8-Rad)

Sd.Kfz.232 (8-Rad)
Германия
Легкий по массе тяжелый колесный танк
|
масса |
8,3 т |
|
вооружение |
20-мм орудие 1 пулемет |
|
экипаж |
4 чел. |
|
мощность силовой установки |
150/180 л.с. |
|
проект |
1934-1936гг., Bussing-NAG |
|
выпускался Sd.Kfz.231 (8-Rad) Sd.Kfz.232 (8-Rad) |
1936-1943гг., Deutsche Werke, Schichau-Werke 332/304 шт. 1937/39-1943гг., Deutsche Werke, Schichau-Werke 275/303 шт. |
Основная статья:
Германское танкостроение 1930-1937гг.
В 1932г. немцы закрывают довольно многообещающую программу четырехосных полноприводных колесных танков Mannschaftstransportwagen. (Рис.1)

Рис.1 - M-ARW фирмы Magirus – наиболее доработанный вариант по теме Mannschaftstransportwagen.
Вместо этого в конце 1932г. в серию пустили ничем особенным не выдающиеся трехосные (с двумя задними ведущими мостами) БА Sd.Kfz.231 6-Rad. Невысокая проходимость Sd.Kfz.231 6-Rad заставила вернуться к идее четырехосных полноприводных машин – благо задел был хорошим.
В 1934г. были выданы спецификации на легкую бронемашину с колесной формулой 4х4 и на тяжелую с колесной формулой 8х8. Обе машины, учитывая полный привод, обладали повышенной проходимостью, имели танковую компоновку, а их тактическое назначение (например, в качестве машин поддержки пехоты) также пересекалась с назначением танков. Однако легкий вариант не имел полного бронирования (башня сверху не имела полной бронировки), и его к танкам отнести нельзя, то некоторые модификации четырехосной машины, пожалуй, можно.
К 1936г. соответствующее четырехосное шасси было разработано фирмой Bussing-NAG – кстати, Bussing также участвовала в программе Mannschaftstransportwagen, отличившись проектом пятиосного БА (Рис.2).

Рис.2
– Проект BN-ZRW.
В период проектирования четырехосный тяжелый бронеавтомобиль/танк имел обозначение
Vs.Kfz.623, которое затем сменили на schwere
Panzerspahwagen (Sd.Kfz.233), а официальное обозначение выглядело как schwere
Panzerspahwagen (Sd.Kfz.231) 8-Rad, которое в наши дни сокращают до Sd.Kfz.231 (8-Rad) или Sd.Kfz.231
8-Rad. (Рис.3)


Рис.3 - Sd.Kfz.231 8-Rad.
Масса 8,3 т.
Компоновка танковая – впереди отделение управления, затем боевое отделение,
двигатель в корме. Габариты: длина – 5850 мм, ширина – 2200 мм, высота – 2350 мм,
клиренс – 280 мм. Бронекорпус
имел в основе сварной каркас из таврового профиля, на который болтами крепились
листы брони толщиной 5, 6, 8 и 15 мм. Бронелисты устанавливались под различными
углами наклона в зависимости от степени уязвимости защищаемых узлов и
агрегатов. В результате, поперечное сечение корпуса представляло собой две
трапеции с общим основанием. Рациональные углы наклоны также имели бронелисты
крыши. Бронирование: лоб
корпуса (верх) - 15 мм, лоб корпуса (низ) - 8 мм, борт корпуса - 8 мм, корма
корпуса - 8 мм, крыша корпуса - 6 мм, лоб башни - 15 мм, борт башни - 8 мм,
крыша башни - 6 мм, днище - 5 мм. Экипаж 4 чел. Водитель находился в отделении
управления слева (органы управления: педали, рулевое колесо, рычаг ручного
тормоза, приборная доска), справа от водителя находилось место для еще одного
члена экипажа, не занятого выполнением прямых обязанностей (зачастую это был
водитель второго поста управления). Для наблюдения за окружающей обстановкой
предназначались два небольших люка в лобовом листе корпуса и по одному люку по
каждому борту, закрываемые в боевом положении броневыми крышками со смотровыми
щелями с триплексами. В боевом отделении помещались командир и оператор
вооружения или заряжающий (-?). Там же устанавливалась радиостанция FuSpr (в
машинах поздних серий ставили радиостанции FuSprGer “f”) со штыревой антенной,
выведенной на корпус – радиостанции начали устанавливать с февраля 1940г. В
проекции боевого отделения по бортам корпуса имелись большие люки с броневыми
дверями для высадки и посадки экипажа. Над боевым отделением устанавливалась
шестигранная башня, которая собиралась на стальном каркасе. К каркасу, под
углом 30°, крепились броневые листы толщиной 8 мм (борта, корма и крыша) и 15
мм (лоб). Вращение осуществлялось при помощи механического привода. В
конструкции башни применялся полик, который облегчал боевую работу командира и
заряжающего – им не приходилось менять своего положения при горизонтальной наводке
вооружения, которое включало 20-мм автоматическую пушку 2cm KwK 30 L/55 и
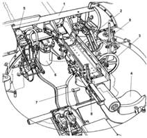
7,92-мм пулемет MG34 с оптическим прицелом TZF6. (Рис.4)

Рис.4 – Установка вооружения на Sd.Kfz.231 8-Rad.
В вертикальной плоскости
вооружение могло наводиться в пределах от -10° до +26° (впоследствии усилиями
полевых ремонтных бригад угол возвышения орудия удавалось доводить до +37°, но
при этом терялась возможность одновременного наведения пулемета). Боекомплект
состоял из 200 снарядов и 1300 патронов (по другим данным – 180 снарядов и 2100
патронов). За боевым отсеком находился кормовой пост управления машиной,
оборудованный средствами наблюдения. За противопожарной перегородкой находился
моторный отсек. Здесь устанавливался V-образный бензиновый двигатель
Bussing-NAG L8V-GS рабочим объёмом 7913 см3, развивавший мощность
150 л.с. при 3000 об/мин. (поздние серии бронеавтомобилей Sd.Kfz. 231 (8-Rad) оснащались двигателями
объёмом 8363 см3 и мощностью 180 л.с.). (Рис.5)

Рис.5 - Двигатель Biissing-NAG L8V-GS.
Доступ к двигателю обеспечивался через два
люка в бортах и один двухстворчатый люк в крыше моторного отсека. Чуть выше
располагалось вентиляционное жалюзи, регулируемое водителем. (Рис.6)

Рис.6 - Компоновка моторного отделения Sd.Kfz.231 (8-Rad), вид с кормы.
Вращающий момент от двигателя передавался
при помощи трансмиссии Bussing-NAG GS, в состав которой входили: 6-скоростная
коробка передач преселекторного типа с двухдисковым сухим сцеплением,
демультипликатор, самоблокирующийся дифференциал и механические тормоза.
Коробка передач обеспечивала 6 скоростей переднего и заднего хода, а
демультипликатор в сумме обеспечивал 24 скорости. 150-сильный двигатель
обеспечил бронеавтомобилю хорошую удельную мощность и ходовые качества. При
движении по шоссе максимальная скорость составляла 90-100 км/ч (по пересеченной
местности 30 км/ч), а на одной заправке (150 л) Sd.Kfz.231
(8-Rad) мог пройти до 300 км по
шассе и 170 км по проселочной дороге. Все восемь колес оснащались независимой
подвеской на полуэллиптических листовых рессорах и пневматическими шинами
размером 210х18 фирмы Continental. (Рис.7)

Рис.7 – Ведущий мост колесного танка.
До мая 1936 года прототип проходил испытания. Сборка колесных танков Sd.Kfz.231 (8-Rad) началась со второй половины
1936-го, хотя указывают, что официально на вооружение вермахта, в качестве
разведывательной бронемашины, колесный танк Sd.Kfz.231
(8-Rad) был принят в 1937 году. В
качестве производителя данных машин указывают Deutsche Werke (Киль),
Schichau-Werke (находился в Эльбинге). Сборка их продолжалась по сентябрь
1943-го года. (Рис.8)






Вместе с линейным вариантом, производили
машину с усиленным радиооборудованием schwere Panzerspahwagen (Fu) (Sd.Kfz.232)
8-Rad. Работы над этой машиной, первоначально
обозначавшейся как Vs.Kfz.624, также были инициированы в 1934 году. За основу
брался линейный бронеавтомобиль, на который устанавливали дополнительные
радиостанции и антенну. В случае с Sd.Kfz.232
(8-Rad) это
была FuG11 SE30 с рамочной антенной, крепившейся на четырех кронштейнах на
корпусе и башне. (Рис.9)



Польша,
1939г.

Рис.9 – Sd.Kfz.232
(8-Rad). Внизу фото 1942 года, в Африке.


Рис.10
– Вариант Sd.Kfz.232 (8-Rad) со штыревой антенной типа «ёлка».
После начала боевой эксплуатации в конструкцию машин внесли ряд изменений. Опыт боев показал, что бронирование их явно недостаточно. Поэтому у Sd.Kfz.231 и Sd.Kfz.232 с 1941 года толщину лобовой брони увеличили до 30 мм. Ранее выпущенные машины с марта 1940 года начали получать так называемый PakschQtz — своего рода карман из двух бронелистов толщиной 8 - 10 мм, смонтированный спереди на расстоянии 50-60 см от лобовой брони. (Рис.11)








Рис.11 –
Варианты колесных танков с дополнительным бронещитом.
Всего построили 607 машин
типа Sd.Kfz.231 (8-Rad) и Sd.Kfz.232 (8-Rad). (номера шасси находились в диапазоне от 59902
до 87267).
Таблица
– Серийное производство колесных машин Sd.Kfz.231
(8-Rad) и Fu Sd.Kfz.232 (8-Rad).
|
годы |
Sd.Kfz.231 (8-Rad) |
Sd.Kfz.231 (8-Rad) + Fu Sd.Kfz.232 (8-Rad) |
|
1936-1937 |
27 шт. |
|
|
1938 |
29 шт. |
|
|
1939 |
|
55 шт. |
|
1940 |
|
32 шт. |
|
1941 |
|
94 шт. |
|
1942 |
|
170 шт. |
|
1943 |
|
200 шт. |
Sd.Kfz.231/232 поступали на
вооружение взвода (6 машин) роты бронеавтомобилей разведывательных батальонов
танковых и моторизованных дивизий вермахта и войск СС.
В состав разведывательного батальона каждой танковой и легкой дивизии входили две роты бронеавтомобилей. В каждой роте, кроме двух взводов легких бронеавтомобилей, имелся один тяжелый взвод с колесными танками. Во взводе - три отделения по одному Sd.Kfz.231 и одному Sd.Kfz.232 в каждом. Таким образом, в разведывательном батальоне насчитывалось по шесть Sd.Kfz.231 и 232, но, видимо, такое сочетание достигалось не всегда и были взводы, укомплектованные только машинами Sd.Kfz.231. (Рис.12)



В
1937 году разведывательные дивизионы 1-, 2- и 3-й танковых дивизий получили
первые Sd.Kfz.231 и 232 (8-Rad) – по другим сведениям, Sd.Kfz.232 (8-Rad) пошли в серию с 1939г. Во
второй половине того же года несколько Sd.Kfz.232(8-Rad) (-?) получила 17-я разведывательная рота войск СС,
дислоцировавшаяся в Лихтенфельде - пригороде Берлина.
Впервые восьмиколесные танки/бронеавтомобили участвовали в войсковой операции в марте 1938 года - аншлюс Австрии, в котором была задействована 2-я танковая дивизия вермахта. Осенью 1938 года эти машины применялись в ходе занятия немецкой армией Судетской области, а в марте 1939 года участвовали в оккупации Чехии и Моравии. Два Sd.Kfz.232 применялись в марте 1939 года при вводе войск в Мемельскую область. Настоящее боевое крещение Sd.Kfz.231 и 232 (8-Rad) приняли в сентябре 1939 года в ходе Польской кампании. (Рис.13)

Рис.13 – Разведка.
В 1941-м восьмиколесные танки появились в Северной Африке и на Балканах. В составе Африканского корпуса действовали 3-й и 33-й разведывательные батальоны, которые смогли добиться впечатляющих успехов. Однако система охлаждения двигателя не справлялась с экстремальными режимами эксплуатации, характерными для пустыни. Недостаточное охлаждение становилось причиной многочисленных поломок двигателя. Другим серьезным недостатком, особенно отчетливо проявившимся в пустыне, был большой расход топлива и вытекавший из этого ограниченный запас хода.
На 1 июля 1941 года части вермахта и войск СС располагали 390 единицами Sd.Kfz.231 и Sd.Kfz.232. Бои на Восточном фронте спровоцировали множество нареканий на легкое вооружение колесных танков. Большие потери в ходе летне-осенней кампании 1941 года не удалось возместить - к 1 апреля 1942 года количество этих машин составляло 244 единицы. (Рис.14)









Рис.16 – В разведке.


Машины на базе Sd.Kfz.231 8-Rad.
В качестве специализированной радио-машины использовался вариант
Sd.Kfz.263 на восьмиколесном шасси. (Рис18)





Внизу - из состава 37-го батальона связи 1-й танковой дивизии вермахта. Судетская область, октябрь 1938 года.
Sd.Kfz.263 – радийный бронеавтомобиль с измененным корпусом. Масса 8100 кг. Экипаж 5 чел. Вместо башни появилась высокая надстройка большого размера со смотровыми люками, составлявшая с корпусом единое целое. Состав вооружения был сокращен до одного пулемета MG34, установленного в лобовом листе надстройки с правой стороны в шаровой установке. Боекомплект к пулемету первоначально составлял 1050 патронов, позднее его сократили до 750 патронов. Боевое отделение Sd.Kfz.263 отличалось сравнительно большим объемом, достаточным для того, чтобы разместить мощную радиостанцию и пять членов экипажа (в том числе двух радистов). Рамочная антенна монтировалась на корпусе на высоких кронштейнах. Всего было выпущено 240 броневиков связи Sd.Kfz.263(8-Rad) (в 1938г. – 64 шт., в 1939г. – 20 шт., в 1940г. – не производились, в 1941г. – 8 шт., в 1942г. – 108 шт., в 1943г. – 40 шт.). Бронеавтомобили радиосвязи Sd.Kfz.263 состояли на вооружении отделений и взводов связи легких и танковых дивизий. Машины Sd.Kfz.263 играли важную роль в системе радиосвязи танковых дивизий и использовались в качестве штабных машин. (Рис.19)

Рис.19 – Штабная машина в колонне.
К 1 апреля 1942 года количество бронеавтомобилей связи Sd.Kfz.263 на всех фронтах составляло 112 штук.
Еще одной машиной на базе Sd.Kfz.231 (8-Rad) бронемашина непосредственной поддержки наземных сил, по сути, колесная САУ. Как отменчалось выше с 1941г. танкисты стали роптать на слабое вооружение Sd.Kfz.231 (8-Rad) и Sd.Kfz.232 (8-Rad). А разведывательные батальоны по причине их высокой мобильности стали часто использоваться в качестве передовых отрядов, рискуя при этом столкнуться с бронетехникой или организованной обороной пехотных частей противника. Разведподразделениям требовалась огневая поддержка, но взвод 75-мм пехотных буксируемых орудий, входивший в состав разведывательного батальона, с этой задачей не вполне справлялся – не всегда поспевал. Посему во второй половине 1942 года на базе Sd.Kfz.231 (8-Rad) была создана машина артиллерийской поддержки SdKfz 233 8-rad (Рис.20) – правда, пишут, что уточнение в наименовании “8-Rad” для него не применялось.



Рис.20 – Sd.Kfz 233.
В июле 1942 года на заводе Deutsche Werke в Киле собрали первый бронеавтомобиль Sd.Kfz.233, а до конца года – 9 штук. В 1943г. построили еще 100 таких машин. По разным данным, от четырех до десяти броневиков артиллерийской поддержки переделали из машин Sd.Kfz.231 (8-Rad) – не совсем ясно, их учитывают отдельно или они попадают в число 109 серийных машин. (Рис.21, Рис.22)

Рис.21 - Немецкая
разведка на подступах к Сталинграду, сентябрь 1942г.

Рис.22 – Американцы
верхом на трофее.
В полевых условиях Sd.Kfz.231 (8-Rad) случалось
переделывали в импровизированные САУ. Встречается фото САУ на базе Sd.Kfz.231 (8-Rad) с установленной 50-мм противотанковой пушкой PaK 38
(Рис.23), данное САУ было захвачено британцами под Эль-Аламейном в 1942-й году.

Рис.23 – Шасси Sd.Kfz.231
8-Rad с 50-мм
противотанковой пушкой PaK 38.
Машина снабжена дополнительным
бронещитом.